Поиск подшипника
Статьи
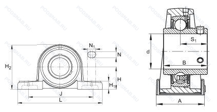
UCP204HT2D1 — Корпус подшипника, модификация основного исполнения UCP204, производство NSK.
Размер подшипника: 20x127x32 мм.
Heat-stabilized up to 270°c, стандартная консистентная смазка alvania grease 3.
Альтернативное обозначение: UC204HT2D1 + P204D1.
Международная стандартизации ISO
UCP204HT2D1
В наличии
| Обозначение | Конструктивные изменения |
|---|---|
| UCP204-J7 | Прессованный незакаленный стальной сепаратор, центрирование элементов качения. |
| UCP204-12 | 3/4. |
| UCP204J | Дорожки качения наружного кольца. угол контакта и ширина наружного кольца в соответствии с ISO. |
| UCP204J D1 | Корпус подшипникового узла. С допуском сферического отверстия J. Подходит для корпуса диаметром до 100 мм.. Не требующий обслуживания тип. |
| UCP204D1 | Не требующий обслуживания тип. |
| UCP204SS | Две резиновые защитные шайбы. |
| UCP204A | Двухрядный радиально-упорный шарикоподшипник без отверстия для смазки. |
| UCP204N AV2S | Канавка под стопорное кольцо на внешнем кольце. Lubricant. Shell Oil Co.. Alvania #2 Grease. 1/4 Full. Temperature Range = -10°C / + 110°C (Normal Temperature Grease). |
| UCP204L | Одно механическое уплотнение. |
| UCP204J P2 | Шарикоподшипниковый узел. Допуск сферического внутреннего диаметра корпуса. Two Grease Nipples On The Housing. |
| UCP204 AV2 | Lubricant. Shell Oil Co.. Alvania #2 Grease. 1/4 Full. Temperature Range = -10°C / + 110°C (Normal Temperature Grease). |
| UCP204N AV2 | Lubricant. Shell Oil Co.. Alvania #2 Grease. 1/4 Full. Temperature Range = -10°C / + 110°C (Normal Temperature Grease). Канавка под стопорное кольцо на внешнем кольце. |
| UCP204-12J | 3/4. |
| UCP204-10 | 5/8. |
| UCP204-8 | 1/2. |
| UCP204-012 | 3/4. |
| UCP204/H | Более высокая стабильность и лучший баланс нагрузки, чем в стандартной комплектации. Для шарикоподшипниковых узлов UC/Угол установочных винтов 120° вместо 62°. |
| UCP204R | Units Are Made In RHP Factories. |
| UCP204-12-J7 | 3/4. Наилучшая посадка в корпусе. |
| UCP204E1 | Machined For Stamped Cover. |
| UCP204SSK | Stainless Steel Insert Bearing With Plastic Housing. |
| UCP204KNST/S6 | Нержавеющая сталь. Polyamide. |
| UCP204N | Паз в корпусе для крепления защитных колпачков. |
| UCP204R45 | Grease Nipple Is Not On Top Of The Housing. But At An Angle Of 45 Degrees. |
| Y/UCP204 | Сепаратор из прессованной латуни. Центрирование шарика. |
Модификации корпуса подшипника UCP204HT2D1 — это измененное основное конструктивное исполнение UCP204, основные размеры (20x127x32) не отличаются.
| Обозначение | Гост | Конструктивные особенности |
|---|---|---|
| SL20EC | ISO | Эксцентриковый кольцевой замок с внутренним кольцом заподлицо с одной стороны. |
| P2B-SC-20M | ISO | Миллиметр. |
| Y/UCP204/H | ISO | Более высокая стабильность и лучший баланс нагрузки, чем в стандартной комплектации. Для шарикоподшипниковых узлов UC/Угол установочных винтов 120° вместо 62°. |
| UCSP204JH1S6 | ISO | Корпус подшипникового узла. С допуском сферического отверстия J. Подходит для корпуса диаметром до 100 мм.. Корпус из нержавеющей стали. Подшипник из нержавеющей стали. |
| PASEY20-N-MON | ISO | Чугунный корпус с подрезной прорезью для торцевых колпачков. |
| RASEY20-N-MON | ISO | Чугунный корпус с подрезной прорезью для торцевых колпачков. |
| PASE20N | ISO | Чугунный корпус с подрезной прорезью для торцевых колпачков. |
| UCPR204/LP03 | ISO | General-Purpose Solid Grease. -20°C +80°C. |
| RASEY20-N | ISO | Чугунный корпус с подрезной прорезью для торцевых колпачков. |
| SY20SD | ISO | The Old Suffix For TF (Y-Bearing Of Series YAR2-2F (Inner Ring Extended At Both Sides. Grub Screw Locking). Standard Seal And Plain Flinger At Each Side). |
| SYH3/4WM | ISO | Y-образный подшипник серии YEL2 (внутреннее кольцо расширено с обеих сторон. Эксцентриковая стопорная втулка). |
| SL3/4DEC | ISO | Эксцентриковая втулка удлиненным внутренним кольцом. |
| PASEY20-N | ISO | Чугунный корпус с подрезной прорезью для торцевых колпачков. |
| RASE20N | ISO | Чугунный корпус с подрезной прорезью для торцевых колпачков. |
| RASEY20-JIS | ISO | Японский промышленный стандарт. |
| SY20WM | ISO | Y-образный подшипник серии YEL2 (внутреннее кольцо расширено с обеих сторон. Эксцентриковая стопорная втулка). |
| P3-U212N | ISO | Стандартное манжетное уплотнение. |
| PASE3/4 | ISO | Подшипник с чрезвычайно высокой точностью вращения (Abec9) и допуском формы (Abec7). |
| Y/UCP204-12 | ISO | 3/4. |
| SY20FJ | ISO | Old Designation For FM. |
Аналог корпуса подшипника UCP204HT2D1 — это подшипник такого же размера dx20,Dx127,Bx32, типа и конструкции.
Способы доставки
Отправка через ведущие транспортные и курьерские компании: ПЭК, Деловые Линии, СДЭК, Байкал-Сервис, Энергия, КИТ, ЖелДорЭкспедиция.
Самовывоз возможен напрямую со склада в Москве.
Сроки доставки
Срок зависит от региона и выбранной транспортной компании. Все заказы комплектуются и отправляются в кратчайшие сроки со склада в Москве.
Надёжность и сохранность
Вся продукция упаковывается с учётом требований транспортировки. Мы гарантируем, что подшипники и комплектующие прибудут к заказчику в полной сохранности.
Доставка в страны ЕАЭС
Мы работаем с проверенными логистическими партнёрами, что позволяет оперативно доставлять заказы в Беларусь, Казахстан, Армению и другие страны ЕАЭС.
Варианты оплаты:
Минимальная сумма заказа и скидки:
Документы и гарантии:
Да, конечно! Наши технические специалисты готовы помочь вам с подбором точного аналога или замены подшипника. Просто позвоните нам по телефону +7 (495) 104-99-04 или напишите на почту zakaz@podsnab.ru.
Для оперативной консультации подготовьте, пожалуйста, имеющиеся данные: маркировку, размеры, тип оборудования или артикул старого подшипника.
Да, конечно! Мы высоко ценим долгосрочное сотрудничество и доверие клиентов по всей России. Для постоянных клиентов действует персональная система скидок.
Условия формируются индивидуально и зависят от:
Чтобы узнать свои условия и получить максимально выгодное предложение, свяжитесь с персональным менеджером или напишите нам на почту zakaz@podsnab.ru.
Вы можете оформить заказ несколькими способами:
Для оформления заказа от юридического лица свяжитесь с нашим отделом по работе с корпоративными клиентами по телефону +7 (495) 104-99-04 или напишите на email zakaz@podsnab.ru, прикрепив реквизиты вашей организации.
Мы оперативно подготовим коммерческое предложение и выставим счет.
Возврат товара надлежащего качества возможен в течение 10 дней с момента получения, если товар не был в употреблении, сохранен товарный вид, упаковка не вскрывалась и присутствуют все сопроводительные документы.
Возврат денежных средств осуществляется в течение 10 рабочих дней после проверки товара складом.
В соответствии с законодательством возврату не подлежат подшипники надлежащего качества, если отсутствует оригинальная упаковка или имеются следы монтажа.
В случае выявления брака или гарантийного случая мы гарантируем возврат или обмен товара.
Да, гарантийный срок хранения устанавливается заводом-изготовителем и в среднем составляет 2 года при соблюдении условий хранения: сухое помещение, оригинальная упаковка и смазка.
Точный срок для конкретного типа подшипника уточняйте у наших менеджеров.
Пн–Пт: с 8:00 до 17:00 (МСК).
Сб–Вс: выходные дни.
Заказы на сайте принимаются круглосуточно. Заявки, поступившие после окончания рабочего дня, обрабатываются на следующий рабочий день.
Минимальная сумма заказа для доставки составляет 3000 рублей. Самовывоз со склада возможен на любую сумму при наличии товара.
ООО «УралТехГрупп»
ИНН: 7415093830
КПП: 772401001
ОГРН: 1167456069021
Банк: ПАО Сбербанк
Р/с: 40702810838000475273
К/с: 30101810400000000225
БИК: 044525225
У подшипника UCP204HT2D1 пока нет отзывов. Вы можете стать первым покупателем, поделившимся своим мнением.