Поиск подшипника
Статьи
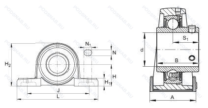
UCP210-115D1 — Корпус подшипника, модификация основного исполнения UCP210, производство NSK.
Размер подшипника: 49x203x54 мм.
1.15/16, стандартная консистентная смазка alvania grease 3.
Альтернативное обозначение: 56210.115 + SG210, SG56210.115, UC210-115D1 + P210D1, YAR210-115-2F + SY510M.
Аналоги: UCP210-31 BRM.
Международная стандартизации ISO
UCP210115D1
В наличии
| Обозначение | Конструктивные изменения |
|---|---|
| UCP210-32 | 02. |
| UCP210-J7 | Прессованный незакаленный стальной сепаратор, центрирование элементов качения. |
| UCP210-30 | Distance Between End Face And First Hole Of The Rail. |
| UCP210J | Дорожки качения наружного кольца. угол контакта и ширина наружного кольца в соответствии с ISO. |
| UCP210-31 | 1.15/16. |
| UCP210D1 | Не требующий обслуживания тип. |
| UCP210SS | Две резиновые защитные шайбы. |
| UCP210L | Одно механическое уплотнение. |
| UCP210-29 | 1.13/16. |
| UCP210PSS | Пластиковый корпус. Подшипник из нержавеющей стали. |
| UCP210BHTS ZZ280 | Защитные металлические шайбы с обеих сторон. Подшипники для экстремальных условий до + 350°C. |
| UCP210-32SN/AV2S | Шарикоподшипник со стандартным заполнением пластичной смазкой. Lubricant. Shell Oil Co.. Alvania #2 Grease. 1/4 Full. Temperature Range = -10°C / + 110°C (Normal Temperature Grease). 2. |
| UCP210J D1 | Корпус подшипникового узла. С допуском сферического отверстия J. Подходит для корпуса диаметром до 100 мм.. Не требующий обслуживания тип. |
| UCP210-115 | 1.15/16. |
| UCP210/H | Более высокая стабильность и лучший баланс нагрузки, чем в стандартной комплектации. Для шарикоподшипниковых узлов UC/Угол установочных винтов 120° вместо 62°. |
| UCP210-30-J7 | Distance Between End Face And First Hole Of The Rail. Наилучшая посадка в корпусе. |
| UCP210-29-J7 | Наилучшая посадка в корпусе. 1.13/16. |
| UCP210-32-J7 | Наилучшая посадка в корпусе. 02. |
| UCP210-31-TRL | 1.15/16. Triple Lip Seal. |
| UCP210D1LLJ | Не требующий обслуживания тип. Контактное. синтетические. резиновое уплотнение с двух сторон. |
| UCP210-114 | 1.7/8. |
| UCP210-114D1 | Стандартная консистентная смазка Alvania Grease 3. |
| UCP210JE4 | Non-Lubricating Type. Корпус подшипникового узла. С допуском сферического отверстия J. Подходит для корпуса диаметром до 100 мм.. |
| UCP210-31-J7 | Наилучшая посадка в корпусе. 1.15/16. |
| UCP210-32SL | Канавка под стопорное кольцо на стороне подшипника. противоположной защитному щитку. Стопорное кольцо входит в комплект поставки. 2. |
Модификации корпуса подшипника UCP210-115D1 — это измененное основное конструктивное исполнение UCP210, основные размеры (49x203x54) не отличаются.
| Обозначение | Гост | Конструктивные особенности |
|---|---|---|
| SL50EC | ISO | Эксцентриковый кольцевой замок с внутренним кольцом заподлицо с одной стороны. |
| SY50WM | ISO | Y-образный подшипник серии YEL2 (внутреннее кольцо расширено с обеих сторон. Эксцентриковая стопорная втулка). |
| SY1.15/16TF/VA228 | ISO | Bearing With A “Coronet” Cage Of Graphite For Temperatures -150°C/+350°C. Корпусный подшипник со стопорными винтами. серии YAR2. стандартное уплотнение и простой масло отражатель с каждой стороны. Distance Between Beginning Of The Rail And First Hole In MM. |
| Y/UCP210/H | ISO | Более высокая стабильность и лучший баланс нагрузки, чем в стандартной комплектации. Для шарикоподшипниковых узлов UC/Угол установочных винтов 120° вместо 62°. |
| SY50TDW | ISO | Insert Bearing With Grub Screws. YARAG 2 Series. |
| SW50S | ISO | Set-Screw Locking. |
| RASE1.15/16 | ISO | Distance Between Beginning Of The Rail And First Hole In MM. 01. |
| SY50TF/VA2282 | ISO | Корпусный подшипник со стопорными винтами. серии YAR2. стандартное уплотнение и простой масло отражатель с каждой стороны. |
| NP1.15/16EC | ISO | Эксцентриковый кольцевой замок с внутренним кольцом заподлицо с одной стороны. |
| NP1.15/16DEC | ISO | Эксцентриковая втулка удлиненным внутренним кольцом. |
| PASE50N | ISO | Чугунный корпус с подрезной прорезью для торцевых колпачков. |
| RASE50N | ISO | Чугунный корпус с подрезной прорезью для торцевых колпачков. |
| M-AELP210D1 | ISO | Канавка и смазочные отверстия на наружном кольце. |
| RASEY50-N | ISO | Чугунный корпус с подрезной прорезью для торцевых колпачков. |
| PASEY50-N | ISO | Чугунный корпус с подрезной прорезью для торцевых колпачков. |
| YAS1.15/16 | ISO | Distance Between Beginning Of The Rail And First Hole In MM. 01. |
| RASEY50-JIS | ISO | Японский промышленный стандарт. |
| NP50DEC/RRAR3P5 | ISO | Класс точности ISO P5 (=ABEC5). Эксцентриковая втулка удлиненным внутренним кольцом. Designation = Alvania Grease R3. Base Oil = Mineral. Thickener = Lithium. Min. Temp = -34°C. Max. Temp = +135°C. |
| SL50A | ISO | Двухрядный радиально-упорный шарикоподшипник без отверстия для смазки. |
| SL50HLT | ISO | Высоко- и низкотемпературные подшипниковые вкладыши. |
Аналог корпуса подшипника UCP210-115D1 — это подшипник такого же размера dx49,Dx203,Bx54, типа и конструкции.
Способы доставки
Отправка через ведущие транспортные и курьерские компании: ПЭК, Деловые Линии, СДЭК, Байкал-Сервис, Энергия, КИТ, ЖелДорЭкспедиция.
Самовывоз возможен напрямую со склада в Москве.
Сроки доставки
Срок зависит от региона и выбранной транспортной компании. Все заказы комплектуются и отправляются в кратчайшие сроки со склада в Москве.
Надёжность и сохранность
Вся продукция упаковывается с учётом требований транспортировки. Мы гарантируем, что подшипники и комплектующие прибудут к заказчику в полной сохранности.
Доставка в страны ЕАЭС
Мы работаем с проверенными логистическими партнёрами, что позволяет оперативно доставлять заказы в Беларусь, Казахстан, Армению и другие страны ЕАЭС.
Варианты оплаты:
Минимальная сумма заказа и скидки:
Документы и гарантии:
Да, конечно! Наши технические специалисты готовы помочь вам с подбором точного аналога или замены подшипника. Просто позвоните нам по телефону +7 (495) 104-99-04 или напишите на почту zakaz@podsnab.ru.
Для оперативной консультации подготовьте, пожалуйста, имеющиеся данные: маркировку, размеры, тип оборудования или артикул старого подшипника.
Да, конечно! Мы высоко ценим долгосрочное сотрудничество и доверие клиентов по всей России. Для постоянных клиентов действует персональная система скидок.
Условия формируются индивидуально и зависят от:
Чтобы узнать свои условия и получить максимально выгодное предложение, свяжитесь с персональным менеджером или напишите нам на почту zakaz@podsnab.ru.
Вы можете оформить заказ несколькими способами:
Для оформления заказа от юридического лица свяжитесь с нашим отделом по работе с корпоративными клиентами по телефону +7 (495) 104-99-04 или напишите на email zakaz@podsnab.ru, прикрепив реквизиты вашей организации.
Мы оперативно подготовим коммерческое предложение и выставим счет.
Возврат товара надлежащего качества возможен в течение 10 дней с момента получения, если товар не был в употреблении, сохранен товарный вид, упаковка не вскрывалась и присутствуют все сопроводительные документы.
Возврат денежных средств осуществляется в течение 10 рабочих дней после проверки товара складом.
В соответствии с законодательством возврату не подлежат подшипники надлежащего качества, если отсутствует оригинальная упаковка или имеются следы монтажа.
В случае выявления брака или гарантийного случая мы гарантируем возврат или обмен товара.
Да, гарантийный срок хранения устанавливается заводом-изготовителем и в среднем составляет 2 года при соблюдении условий хранения: сухое помещение, оригинальная упаковка и смазка.
Точный срок для конкретного типа подшипника уточняйте у наших менеджеров.
Пн–Пт: с 8:00 до 17:00 (МСК).
Сб–Вс: выходные дни.
Заказы на сайте принимаются круглосуточно. Заявки, поступившие после окончания рабочего дня, обрабатываются на следующий рабочий день.
Минимальная сумма заказа для доставки составляет 3000 рублей. Самовывоз со склада возможен на любую сумму при наличии товара.
ООО «УралТехГрупп»
ИНН: 7415093830
КПП: 772401001
ОГРН: 1167456069021
Банк: ПАО Сбербанк
Р/с: 40702810838000475273
К/с: 30101810400000000225
БИК: 044525225
У подшипника UCP210-115D1 пока нет отзывов. Вы можете стать первым покупателем, поделившимся своим мнением.