Поиск подшипника
Статьи
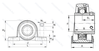
CM-UCP207D1 — Корпус подшипника, основное исполнение, производство NTN.
Размер подшипника: 35x167x48 мм.
Канавка и смазочные отверстия на наружном кольце.
Альтернативное обозначение: CM-UC207D1 + P207D1.
Международная стандартизации ISO
CMUCP207D1
В наличии
| Обозначение | Гост | Конструктивные особенности |
|---|---|---|
| UKP207D1 | ISO | Не требующий обслуживания тип. |
| SYL35TH | ISO | Подшипник серии YAR2-2RF/HV (Внутреннее кольцо выдвинуто с обеих сторон. Стопорный винт. Прорезиненные пальцы. Подшипник из нержавеющей стали). |
| SYL35TR/VE495 | ISO | Ball Slide Model. Внутренние и внешние кольца с цинковым покрытием и заслонки из нержавеющей стали. Заполнены нетоксичной (пищевой) смазкой. |
| UCP207PSS | ISO | Пластиковый корпус. Подшипник из нержавеющей стали. |
| C-UCP207D1 | ISO | Канавка и смазочные отверстия на наружном кольце. |
| SSUCP207PBT | ISO | Пластиковый корпус. |
| UKP207-J7 | ISO | Наилучшая посадка в корпусе. |
| M-UCP207D1 | ISO | Канавка и смазочные отверстия на наружном кольце. |
| UKP207K/H | ISO | Без закрепительной втулки. Более высокая стабильность и лучший баланс нагрузки, чем в стандартной комплектации. Для шарикоподшипниковых узлов UC/Угол установочных винтов 120° вместо 62°. |
| Y/UKP207K/H | ISO | Без закрепительной втулки. Более высокая стабильность и лучший баланс нагрузки, чем в стандартной комплектации. Для шарикоподшипниковых узлов UC/Угол установочных винтов 120° вместо 62°. |
| SSUCP207-22 | ISO | 1.3/8. |
| SUCP207-35M-PBT | ISO | Корпус из термопластика. |
| SUCP207-22-PBT | ISO | 1.3/8. Корпус из термопластика. |
| Y/UCP207 | ISO | Сепаратор из прессованной латуни. Центрирование шарика. |
| PNP35/LP99 | ISO | Molded-Oil™ Lubrication System. |
| UKP207 AV2S | ISO | Lubricant. Shell Oil Co.. Alvania #2 Grease. 1/4 Full. Temperature Range = -10°C / + 110°C (Normal Temperature Grease). |
| Y/UCP207-22 | ISO | 1.3/8. |
| MUCA207SB-FD | ISO | Корпус из термопластика. Совместимая с пищевыми продуктами смазка-наполнитель. |
| UCP207-22-J7 | ISO | Наилучшая посадка в корпусе. 1.3/8. |
| SAP207G | ISO | Устройство повторного смазывания со смазочной канавкой и отверстием на внешнем кольце. |
Аналог корпуса подшипника CM-UCP207D1 — это подшипник такого же размера dx35,Dx167,Bx48, типа и конструкции.
| Обозначение | Конструктивные особенности | Внутренний (d) | Наружный (D) | Ширина (B) |
|---|---|---|---|---|
| NP22 | Однорядный цилиндрический роликовый подшипник. | 34.93 | 166.69 | 47.63 |
Способы доставки
Отправка через ведущие транспортные и курьерские компании: ПЭК, Деловые Линии, СДЭК, Байкал-Сервис, Энергия, КИТ, ЖелДорЭкспедиция.
Самовывоз возможен напрямую со склада в Москве.
Сроки доставки
Срок зависит от региона и выбранной транспортной компании. Все заказы комплектуются и отправляются в кратчайшие сроки со склада в Москве.
Надёжность и сохранность
Вся продукция упаковывается с учётом требований транспортировки. Мы гарантируем, что подшипники и комплектующие прибудут к заказчику в полной сохранности.
Доставка в страны ЕАЭС
Мы работаем с проверенными логистическими партнёрами, что позволяет оперативно доставлять заказы в Беларусь, Казахстан, Армению и другие страны ЕАЭС.
Варианты оплаты:
Минимальная сумма заказа и скидки:
Документы и гарантии:
Да, конечно! Наши технические специалисты готовы помочь вам с подбором точного аналога или замены подшипника. Просто позвоните нам по телефону +7 (495) 104-99-04 или напишите на почту zakaz@podsnab.ru.
Для оперативной консультации подготовьте, пожалуйста, имеющиеся данные: маркировку, размеры, тип оборудования или артикул старого подшипника.
Да, конечно! Мы высоко ценим долгосрочное сотрудничество и доверие клиентов по всей России. Для постоянных клиентов действует персональная система скидок.
Условия формируются индивидуально и зависят от:
Чтобы узнать свои условия и получить максимально выгодное предложение, свяжитесь с персональным менеджером или напишите нам на почту zakaz@podsnab.ru.
Вы можете оформить заказ несколькими способами:
Для оформления заказа от юридического лица свяжитесь с нашим отделом по работе с корпоративными клиентами по телефону +7 (495) 104-99-04 или напишите на email zakaz@podsnab.ru, прикрепив реквизиты вашей организации.
Мы оперативно подготовим коммерческое предложение и выставим счет.
Возврат товара надлежащего качества возможен в течение 10 дней с момента получения, если товар не был в употреблении, сохранен товарный вид, упаковка не вскрывалась и присутствуют все сопроводительные документы.
Возврат денежных средств осуществляется в течение 10 рабочих дней после проверки товара складом.
В соответствии с законодательством возврату не подлежат подшипники надлежащего качества, если отсутствует оригинальная упаковка или имеются следы монтажа.
В случае выявления брака или гарантийного случая мы гарантируем возврат или обмен товара.
Да, гарантийный срок хранения устанавливается заводом-изготовителем и в среднем составляет 2 года при соблюдении условий хранения: сухое помещение, оригинальная упаковка и смазка.
Точный срок для конкретного типа подшипника уточняйте у наших менеджеров.
Пн–Пт: с 8:00 до 17:00 (МСК).
Сб–Вс: выходные дни.
Заказы на сайте принимаются круглосуточно. Заявки, поступившие после окончания рабочего дня, обрабатываются на следующий рабочий день.
Минимальная сумма заказа для доставки составляет 3000 рублей. Самовывоз со склада возможен на любую сумму при наличии товара.
ООО «УралТехГрупп»
ИНН: 7415093830
КПП: 772401001
ОГРН: 1167456069021
Банк: ПАО Сбербанк
Р/с: 40702810838000475273
К/с: 30101810400000000225
БИК: 044525225
У подшипника CM-UCP207D1 пока нет отзывов. Вы можете стать первым покупателем, поделившимся своим мнением.