Поиск подшипника
Статьи
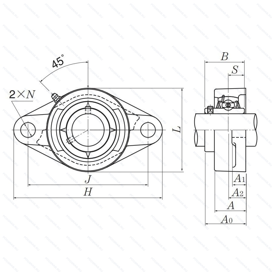
UCFL209-110D1 — Корпус подшипника, модификация основного исполнения UCFL209, производство NTN.
Размер подшипника: 41x111x54 мм.
1.5/8, канавка и смазочные отверстия на наружном кольце.
Альтернативное обозначение: FL56209.110, FYTB1.5/8TF, SFT1.5/8, UC209-110D1 + FL209D1.
Аналоги: SFT1.5/8 RHP.
Международная стандартизации ISO
UCFL209110D1
В наличии
| Обозначение | Конструктивные изменения |
|---|---|
| UCFL209J | Дорожки качения наружного кольца. угол контакта и ширина наружного кольца в соответствии с ISO. |
| UCFL209-26 | 1.5/8. |
| UCFL209-27 | 1.11/16. |
| UCFL209 | Корпус подшипника. Основное конструктивное исполнение. |
| UCFL209-28 | 1.3/4. |
| UCFL209D1 | Канавка и смазочные отверстия на наружном кольце. |
| UCFL209N | Канавка под стопорное кольцо на внешнем кольце. |
| UCFL209-28/AS2P | 1/4 Full. Смазка Aeroshell 7. Диапазон от –10°C до 110°C.. 1.3/4. |
| UCFL209SS | Подшипник из нержавеющей стали. |
| UCFL209PSS | Пластиковый корпус. Подшипник из нержавеющей стали. |
| UCFL209-J7 | Наилучшая посадка в корпусе. |
| UCFL209-28L | Корпус подшипника. |
| UCFL209-26L | Корпус подшипника. |
| UCFL209CE | 15° Угол контакта And (E) Small Size Steel Balls. |
| UCFL209/H | Более высокая стабильность и лучший баланс нагрузки, чем в стандартной комплектации. Для шарикоподшипниковых узлов UC/Угол установочных винтов 120° вместо 62°. |
| UCFL209-26-J7 | Наилучшая посадка в корпусе. 1.5/8. |
| UCFL209-28-J7 | Наилучшая посадка в корпусе. 1.3/4. |
| C-UCFL209 | Корпус подшипника. |
| UCFL209-27J | Корпус подшипникового узла. С допуском сферического отверстия J. Подходит для корпуса диаметром до 100 мм.. 1.11/16. |
| UCFL209J-26 | Дорожки качения наружного кольца. угол контакта и ширина наружного кольца в соответствии с ISO. 1.5/8. |
| UCFL209H1/S6 | Stainless Steel Cast Steel Model (SCS13). Нержавеющая сталь. |
| UCFL209-111D1 | Канавка и смазочные отверстия на наружном кольце. 1.11/16. |
| UCFL209-112D1 | Не требующий обслуживания тип. 1.3/4. |
| UCFL209-27-J7 | Наилучшая посадка в корпусе. 1.11/16. |
| Y/UCFL209 | Сепаратор из прессованной латуни. Центрирование шарика. |
Модификации корпуса подшипника UCFL209-110D1 — это измененное основное конструктивное исполнение UCFL209, основные размеры (41x111x54) не отличаются.
| Обозначение | Гост | Конструктивные особенности |
|---|---|---|
| SFT1.5/8 | ISO | Distance Between Beginning Of The Rail And First Hole In MM. Средний предварительный натяг. |
| UCPG208 | ISO | Корпус подшипника. |
| FL56209.110 | ISO | 1.5/8. |
| MSFT40 | ISO | Корпус подшипника. |
| FYT1.5/8TF/W64 | ISO | Антифрикционный заполнитель. твердая смазка. Корпусный подшипник со стопорными винтами. серии YAR2. стандартное уплотнение и простой масло отражатель с каждой стороны. |
| FYT1.5/8TF | ISO | Корпусный подшипник со стопорными винтами. серии YAR2. стандартное уплотнение и простой масло отражатель с каждой стороны. Distance Between Beginning Of The Rail And First Hole In MM. |
| FYTB1.5/8TF | ISO | Корпусный подшипник со стопорными винтами. серии YAR2. стандартное уплотнение и простой масло отражатель с каждой стороны. Distance Between Beginning Of The Rail And First Hole In MM. |
Аналог корпуса подшипника UCFL209-110D1 — это подшипник такого же размера dx41,Dx111,Bx54, типа и конструкции.
| Обозначение | Конструктивные особенности | Внутренний (d) | Наружный (D) | Ширина (B) |
|---|---|---|---|---|
| UK310+HS2310 | Подшипник для корпуса. | 41.28 | 110.00 | 54.99 |
| 7408 B-UX | Шариковый радиально-упорный двухрядный подшипник. Конический роликовый подшипник. Угол контакта 20 градусов. Универсальный монтаж, сверхлегкая предварительная нагрузка.. | 40.00 | 110.00 | 54.00 |
| 7408 A-UX | Шариковый радиально-упорный двухрядный подшипник. Двухрядный радиально-упорный шарикоподшипник без отверстия для смазки. Универсальный монтаж, сверхлегкая предварительная нагрузка.. | 40.00 | 110.00 | 54.00 |
| 7408 A-UO | Шариковый радиально-упорный двухрядный подшипник. Двухрядный радиально-упорный шарикоподшипник без отверстия для смазки. Универсальный монтаж. Для установки по O- и X- образной схеме - беззазорные.. | 40.00 | 110.00 | 54.00 |
| 7408 A-UD | Шариковый радиально-упорный двухрядный подшипник. Двухрядный радиально-упорный шарикоподшипник без отверстия для смазки. | 40.00 | 110.00 | 54.00 |
| 7408 B-UD | Шариковый радиально-упорный двухрядный подшипник. Конический роликовый подшипник. Угол контакта 20 градусов. | 40.00 | 110.00 | 54.00 |
| 7408 B-UO | Шариковый радиально-упорный двухрядный подшипник. Конический роликовый подшипник. Угол контакта 20 градусов. Универсальный монтаж. Для установки по O- и X- образной схеме - беззазорные.. | 40.00 | 110.00 | 54.00 |
| 7408BDB | Шариковый радиально-упорный двухрядный подшипник. Угол контакта 40°. | 40.00 | 110.00 | 54.00 |
| 7408 ADF | Шариковый радиально-упорный двухрядный подшипник. Механически обработанный сепаратор из стали или специального чугуна. | 40.00 | 110.00 | 54.00 |
| 7408 BDF | Шариковый радиально-упорный двухрядный подшипник. Механически обработанный сепаратор из стали или специального чугуна. | 40.00 | 110.00 | 54.00 |
| 7408 BDT | Шариковый радиально-упорный двухрядный подшипник. Механически обработанный сепаратор из текстолита. | 40.00 | 110.00 | 54.00 |
| 7408 ADB | Шариковый радиально-упорный двухрядный подшипник. Modified Snap Ring Grooves In The Outer Ring_ Two-Piece Inner Ring Held Together By A Retaining Ring. | 40.00 | 110.00 | 54.00 |
| 7408 ADT | Шариковый радиально-упорный двухрядный подшипник. Механически обработанный сепаратор из текстолита. | 40.00 | 110.00 | 54.00 |
| UK310+H-26 | Шариковый радиальный однорядный подшипник. Pressed Snap-Type Steel Cage. Hardened. 1.5/8. | 41.27 | 110.00 | 55.00 |
| 5-366408 Е1Ш2 | Шариковый радиально-упорный сдвоенный подшипник. Сепаратор из текстолита.. Нормы шумности. | 40.00 | 110.00 | 54.00 |
Способы доставки
Отправка через ведущие транспортные и курьерские компании: ПЭК, Деловые Линии, СДЭК, Байкал-Сервис, Энергия, КИТ, ЖелДорЭкспедиция.
Самовывоз возможен напрямую со склада в Москве.
Сроки доставки
Срок зависит от региона и выбранной транспортной компании. Все заказы комплектуются и отправляются в кратчайшие сроки со склада в Москве.
Надёжность и сохранность
Вся продукция упаковывается с учётом требований транспортировки. Мы гарантируем, что подшипники и комплектующие прибудут к заказчику в полной сохранности.
Доставка в страны ЕАЭС
Мы работаем с проверенными логистическими партнёрами, что позволяет оперативно доставлять заказы в Беларусь, Казахстан, Армению и другие страны ЕАЭС.
Варианты оплаты:
Минимальная сумма заказа и скидки:
Документы и гарантии:
Да, конечно! Наши технические специалисты готовы помочь вам с подбором точного аналога или замены подшипника. Просто позвоните нам по телефону +7 (495) 104-99-04 или напишите на почту zakaz@podsnab.ru.
Для оперативной консультации подготовьте, пожалуйста, имеющиеся данные: маркировку, размеры, тип оборудования или артикул старого подшипника.
Да, конечно! Мы высоко ценим долгосрочное сотрудничество и доверие клиентов по всей России. Для постоянных клиентов действует персональная система скидок.
Условия формируются индивидуально и зависят от:
Чтобы узнать свои условия и получить максимально выгодное предложение, свяжитесь с персональным менеджером или напишите нам на почту zakaz@podsnab.ru.
Вы можете оформить заказ несколькими способами:
Для оформления заказа от юридического лица свяжитесь с нашим отделом по работе с корпоративными клиентами по телефону +7 (495) 104-99-04 или напишите на email zakaz@podsnab.ru, прикрепив реквизиты вашей организации.
Мы оперативно подготовим коммерческое предложение и выставим счет.
Возврат товара надлежащего качества возможен в течение 10 дней с момента получения, если товар не был в употреблении, сохранен товарный вид, упаковка не вскрывалась и присутствуют все сопроводительные документы.
Возврат денежных средств осуществляется в течение 10 рабочих дней после проверки товара складом.
В соответствии с законодательством возврату не подлежат подшипники надлежащего качества, если отсутствует оригинальная упаковка или имеются следы монтажа.
В случае выявления брака или гарантийного случая мы гарантируем возврат или обмен товара.
Да, гарантийный срок хранения устанавливается заводом-изготовителем и в среднем составляет 2 года при соблюдении условий хранения: сухое помещение, оригинальная упаковка и смазка.
Точный срок для конкретного типа подшипника уточняйте у наших менеджеров.
Пн–Пт: с 8:00 до 17:00 (МСК).
Сб–Вс: выходные дни.
Заказы на сайте принимаются круглосуточно. Заявки, поступившие после окончания рабочего дня, обрабатываются на следующий рабочий день.
Минимальная сумма заказа для доставки составляет 3000 рублей. Самовывоз со склада возможен на любую сумму при наличии товара.
ООО «УралТехГрупп»
ИНН: 7415093830
КПП: 772401001
ОГРН: 1167456069021
Банк: ПАО Сбербанк
Р/с: 40702810838000475273
К/с: 30101810400000000225
БИК: 044525225
У подшипника UCFL209-110D1 пока нет отзывов. Вы можете стать первым покупателем, поделившимся своим мнением.