Поиск подшипника
Статьи
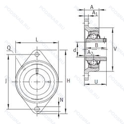
RCJTY50-N — Корпус подшипника, модификация основного исполнения RCJTY50, производство INA.
Размер подшипника: 50x116x60 мм.
Чугунный корпус с подрезной прорезью для торцевых колпачков.
Альтернативное обозначение: 56210 + FGB210S, FGB56210, FYTB50TF, GYE50KRRB + CJT10, YAR210-2F + FYTB510M.
Аналоги: FGB56210 FAG,FL56210 FAG,FYTB50TF SKF,FYTB50SD SKF,SFT50 SNR.
Международная стандартизации ISO
RCJTY50N
В наличии
| Обозначение | Конструктивные изменения |
|---|---|
| RCJTY50 | Корпус подшипника. Основное конструктивное исполнение. |
| RCJTY50-XL-N | Серия X-Life премиум-класс. увеличиный срок службы. Чугунный корпус с подрезной прорезью для торцевых колпачков. |
| RCJTY50-TV-VA | Нержавеющая сталь. Пластиковый корпус. |
| RCJTY50-N-2C-AH01 | Чугунный корпус с подрезной прорезью для торцевых колпачков. Защитные щиты с обеих сторон. Размеры могут отличаться от базового номера детали. Внутренний зазор равен C3 (больше обычного) и защищен от коррозии специальным покрытием Corrotect®. |
| RCJTY50-XL-N-I | Серия X-Life премиум-класс. увеличиный срок службы. Чугунный корпус с подрезной прорезью для торцевых колпачков. Смазочный ниппель дюймового размера R 1/8 дюйма. |
Модификации корпуса подшипника RCJTY50-N — это измененное основное конструктивное исполнение RCJTY50, основные размеры (50x116x60) не отличаются.
| Обозначение | Гост | Конструктивные особенности |
|---|---|---|
| RCJT50 | ISO | Корпус подшипника. |
| MUCFL210 | ISO | Корпус подшипника. |
| FYTB50TF | ISO | Корпусный подшипник со стопорными винтами. серии YAR2. стандартное уплотнение и простой масло отражатель с каждой стороны. |
| GYE50KRRB | ISO | Корпус подшипника. |
| SFT50 | ISO | Корпус подшипника. |
| SFT1.15/16 | ISO | Distance Between Beginning Of The Rail And First Hole In MM. 01. |
| FGB56210 | ISO | Корпус подшипника. |
| FL56210 | ISO | Корпус подшипника. |
| FYTB50TR | ISO | Y-подшипник серии YAR2-2RF (внутреннее кольцо расширенное с обеих сторон. Фиксация с помощью стопорного винта). Стандартное уплотнение и прорезиненный фланец с каждой стороны. |
| 56210 | ISO | Корпус подшипника. |
| NUCFL210 | ISO | Корпус подшипника. |
| FYT50TF/VA228 | ISO | Bearing With A “Coronet” Cage Of Graphite For Temperatures -150°C/+350°C. Корпусный подшипник со стопорными винтами. серии YAR2. стандартное уплотнение и простой масло отражатель с каждой стороны. |
| FYT50TF/VA201 | ISO | Корпусный подшипник со стопорными винтами. серии YAR2. стандартное уплотнение и простой масло отражатель с каждой стороны. Подшипник для высокотемпературных применений (например. печных тележек). |
| FYT1.15/16TF/VA228 | ISO | Bearing With A “Coronet” Cage Of Graphite For Temperatures -150°C/+350°C. Корпусный подшипник со стопорными винтами. серии YAR2. стандартное уплотнение и простой масло отражатель с каждой стороны. |
| FYT1.15/16TF/W64 | ISO | Антифрикционный заполнитель. твердая смазка. Корпусный подшипник со стопорными винтами. серии YAR2. стандартное уплотнение и простой масло отражатель с каждой стороны. |
| FYT1.15/16TF | ISO | Корпусный подшипник со стопорными винтами. серии YAR2. стандартное уплотнение и простой масло отражатель с каждой стороны. Distance Between Beginning Of The Rail And First Hole In MM. |
| UCFM210/LP03 | ISO | General-Purpose Solid Grease. -20°C +80°C. |
| M-UCFL210D1 | ISO | Канавка и смазочные отверстия на наружном кольце. |
| FYTB50SD | ISO | The Old Suffix For TF (Y-Bearing Of Series YAR2-2F (Inner Ring Extended At Both Sides. Grub Screw Locking). Standard Seal And Plain Flinger At Each Side). |
| FYTB1.15/16TF | ISO | Корпусный подшипник со стопорными винтами. серии YAR2. стандартное уплотнение и простой масло отражатель с каждой стороны. Distance Between Beginning Of The Rail And First Hole In MM. |
| F2B-SC-50M | ISO | Миллиметр. |
| FYTB50TF/VA228 | ISO | Bearing With A “Coronet” Cage Of Graphite For Temperatures -150°C/+350°C. Корпусный подшипник со стопорными винтами. серии YAR2. стандартное уплотнение и простой масло отражатель с каждой стороны. |
Аналог корпуса подшипника RCJTY50-N — это подшипник такого же размера dx50,Dx116,Bx60, типа и конструкции.
| Обозначение | Конструктивные особенности | Внутренний (d) | Наружный (D) | Ширина (B) |
|---|---|---|---|---|
| AXZF50115-EX-TN | Роликовый игольчатый подшипник. Сепаратор из полиамида. Optimized Inner Construction - Extreme Quality F. Extreme Requirements. | 50.00 | 115.00 | 60.00 |
| GIHRK50-UK-2RS | Сферический шарнирный подшипник. Резиновые уплотнения с каждой стороны подшипника. Контактная поверхность скольжения хром/PTFE композит. | 50.00 | 116.00 | 61.00 |
| ZARF50115-TV-A | Роликовый игольчатый подшипник. Особенность внутренней конструкции. Сепаратор из полиамида. | 50.00 | 115.00 | 60.00 |
| ZARF50115-TV-A-NA-MRL | Роликовый игольчатый подшипник. Особенность внутренней конструкции. Подшипники с совпадающими компонентами обозначаются NA (невзаимозаменяемые). Сепаратор из полиамида. Frictional Torque. | 50.00 | 115.00 | 60.00 |
| ZARF50115TN | Роликовый игольчатый подшипник. литой под давлением сепаратор из полиамида 6.6. центрированный роликовый элемент. | 50.00 | 115.00 | 60.00 |
| ZARF50115TNA | Роликовый игольчатый подшипник. Особенность внутренней конструкции. Сепаратор из полиамида. | 50.00 | 115.00 | 60.00 |
| ZARF50115-TV | Роликовый игольчатый подшипник. Сепаратор из полиамида. | 50.00 | 115.00 | 60.00 |
Способы доставки
Отправка через ведущие транспортные и курьерские компании: ПЭК, Деловые Линии, СДЭК, Байкал-Сервис, Энергия, КИТ, ЖелДорЭкспедиция.
Самовывоз возможен напрямую со склада в Москве.
Сроки доставки
Срок зависит от региона и выбранной транспортной компании. Все заказы комплектуются и отправляются в кратчайшие сроки со склада в Москве.
Надёжность и сохранность
Вся продукция упаковывается с учётом требований транспортировки. Мы гарантируем, что подшипники и комплектующие прибудут к заказчику в полной сохранности.
Доставка в страны ЕАЭС
Мы работаем с проверенными логистическими партнёрами, что позволяет оперативно доставлять заказы в Беларусь, Казахстан, Армению и другие страны ЕАЭС.
Варианты оплаты:
Минимальная сумма заказа и скидки:
Документы и гарантии:
Да, конечно! Наши технические специалисты готовы помочь вам с подбором точного аналога или замены подшипника. Просто позвоните нам по телефону +7 (495) 104-99-04 или напишите на почту zakaz@podsnab.ru.
Для оперативной консультации подготовьте, пожалуйста, имеющиеся данные: маркировку, размеры, тип оборудования или артикул старого подшипника.
Да, конечно! Мы высоко ценим долгосрочное сотрудничество и доверие клиентов по всей России. Для постоянных клиентов действует персональная система скидок.
Условия формируются индивидуально и зависят от:
Чтобы узнать свои условия и получить максимально выгодное предложение, свяжитесь с персональным менеджером или напишите нам на почту zakaz@podsnab.ru.
Вы можете оформить заказ несколькими способами:
Для оформления заказа от юридического лица свяжитесь с нашим отделом по работе с корпоративными клиентами по телефону +7 (495) 104-99-04 или напишите на email zakaz@podsnab.ru, прикрепив реквизиты вашей организации.
Мы оперативно подготовим коммерческое предложение и выставим счет.
Возврат товара надлежащего качества возможен в течение 10 дней с момента получения, если товар не был в употреблении, сохранен товарный вид, упаковка не вскрывалась и присутствуют все сопроводительные документы.
Возврат денежных средств осуществляется в течение 10 рабочих дней после проверки товара складом.
В соответствии с законодательством возврату не подлежат подшипники надлежащего качества, если отсутствует оригинальная упаковка или имеются следы монтажа.
В случае выявления брака или гарантийного случая мы гарантируем возврат или обмен товара.
Да, гарантийный срок хранения устанавливается заводом-изготовителем и в среднем составляет 2 года при соблюдении условий хранения: сухое помещение, оригинальная упаковка и смазка.
Точный срок для конкретного типа подшипника уточняйте у наших менеджеров.
Пн–Пт: с 8:00 до 17:00 (МСК).
Сб–Вс: выходные дни.
Заказы на сайте принимаются круглосуточно. Заявки, поступившие после окончания рабочего дня, обрабатываются на следующий рабочий день.
Минимальная сумма заказа для доставки составляет 3000 рублей. Самовывоз со склада возможен на любую сумму при наличии товара.
ООО «УралТехГрупп»
ИНН: 7415093830
КПП: 772401001
ОГРН: 1167456069021
Банк: ПАО Сбербанк
Р/с: 40702810838000475273
К/с: 30101810400000000225
БИК: 044525225
У подшипника RCJTY50-N пока нет отзывов. Вы можете стать первым покупателем, поделившимся своим мнением.