Поиск подшипника
Статьи
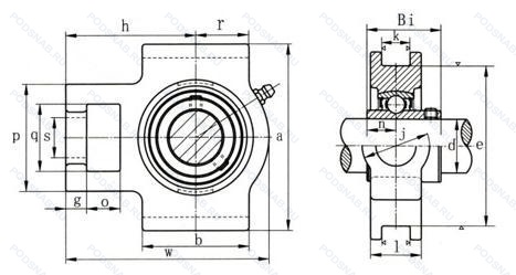
M-UCT206D1 — Корпус подшипника, основное исполнение, производство NTN.
Размер подшипника: 30x114x37 мм.
Канавка и смазочные отверстия на наружном кольце.
Аналоги: RTUEY30 INA,UCT206J Koyo,UCT206D1 NSK,UCT206L Koyo,UCT206P2 Koyo,UCT206 TR,UCT206J FYH,UCT206 SLB,UCT206 Fushan Bearing,SAT206 FS,SAT206 FK,UCST206 Fushan Bearing.
Международная стандартизации ISO
MUCT206D1
В наличии
| Обозначение | Гост | Конструктивные особенности |
|---|---|---|
| ST30 | ISO | Корпус подшипника. |
| TU30TF | ISO | Корпусный подшипник со стопорными винтами. серии YAR2. стандартное уплотнение и простой масло отражатель с каждой стороны. |
| UCT206D1 | ISO | Не требующий обслуживания тип. |
| UCT206 | ISO | Корпус подшипника. |
| SSUCT206 | ISO | Корпус подшипника. |
| ST30EC | ISO | Два стальных сепаратора оконного типа. внутреннее кольцо без фланца. направляющее кольцо с усиленным роликом. |
| UCT206-19 | ISO | 1.3/16. |
| PTUEY30 | ISO | Корпус подшипника. |
| RTUEY30 | ISO | Корпус подшипника. |
| TU30FM | ISO | Y-образный подшипник серии YET2 (внутреннее кольцо выдвинуто с одной стороны. Эксцентриковая стопорная втулка). Стандартное уплотнение без фланца с каждой стороны. |
| PTUE30 | ISO | Корпус подшипника. |
| UCT206J | ISO | Дорожки качения наружного кольца. угол контакта и ширина наружного кольца в соответствии с ISO. |
| SAT206 | ISO | Корпус подшипника. |
| UCT206L | ISO | Одно механическое уплотнение. |
| UCT206P2 | ISO | Two Grease Nipples On The Housing. |
| TTUE30-XL-I | ISO | Серия X-Life премиум-класс. увеличиный срок службы. Смазочный ниппель дюймового размера R 1/8 дюйма. |
| PTUE30-XL-I | ISO | Серия X-Life премиум-класс. увеличиный срок службы. Смазочный ниппель дюймового размера R 1/8 дюйма. |
| PTUEY30-XL-I | ISO | Серия X-Life премиум-класс. увеличиный срок службы. Смазочный ниппель дюймового размера R 1/8 дюйма. |
| RTUE30-XL-I | ISO | Серия X-Life премиум-класс. увеличиный срок службы. Смазочный ниппель дюймового размера R 1/8 дюйма. |
| RTUEY30-XL-I | ISO | Серия X-Life премиум-класс. увеличиный срок службы. Смазочный ниппель дюймового размера R 1/8 дюйма. |
| ST30A | ISO | Двухрядный радиально-упорный шарикоподшипник без отверстия для смазки. |
| TU1.3/16TF | ISO | Корпусный подшипник со стопорными винтами. серии YAR2. стандартное уплотнение и простой масло отражатель с каждой стороны. Размерные и геометрические допуски соответствуют классу точности P6. |
| UCT206SS | ISO | Подшипник из нержавеющей стали. |
| UCST206 | ISO | Корпус подшипника. |
Аналог корпуса подшипника M-UCT206D1 — это подшипник такого же размера dx30,Dx114,Bx37, типа и конструкции.
Способы доставки
Отправка через ведущие транспортные и курьерские компании: ПЭК, Деловые Линии, СДЭК, Байкал-Сервис, Энергия, КИТ, ЖелДорЭкспедиция.
Самовывоз возможен напрямую со склада в Москве.
Сроки доставки
Срок зависит от региона и выбранной транспортной компании. Все заказы комплектуются и отправляются в кратчайшие сроки со склада в Москве.
Надёжность и сохранность
Вся продукция упаковывается с учётом требований транспортировки. Мы гарантируем, что подшипники и комплектующие прибудут к заказчику в полной сохранности.
Доставка в страны ЕАЭС
Мы работаем с проверенными логистическими партнёрами, что позволяет оперативно доставлять заказы в Беларусь, Казахстан, Армению и другие страны ЕАЭС.
Варианты оплаты:
Минимальная сумма заказа и скидки:
Документы и гарантии:
Да, конечно! Наши технические специалисты готовы помочь вам с подбором точного аналога или замены подшипника. Просто позвоните нам по телефону +7 (495) 104-99-04 или напишите на почту zakaz@podsnab.ru.
Для оперативной консультации подготовьте, пожалуйста, имеющиеся данные: маркировку, размеры, тип оборудования или артикул старого подшипника.
Да, конечно! Мы высоко ценим долгосрочное сотрудничество и доверие клиентов по всей России. Для постоянных клиентов действует персональная система скидок.
Условия формируются индивидуально и зависят от:
Чтобы узнать свои условия и получить максимально выгодное предложение, свяжитесь с персональным менеджером или напишите нам на почту zakaz@podsnab.ru.
Вы можете оформить заказ несколькими способами:
Для оформления заказа от юридического лица свяжитесь с нашим отделом по работе с корпоративными клиентами по телефону +7 (495) 104-99-04 или напишите на email zakaz@podsnab.ru, прикрепив реквизиты вашей организации.
Мы оперативно подготовим коммерческое предложение и выставим счет.
Возврат товара надлежащего качества возможен в течение 10 дней с момента получения, если товар не был в употреблении, сохранен товарный вид, упаковка не вскрывалась и присутствуют все сопроводительные документы.
Возврат денежных средств осуществляется в течение 10 рабочих дней после проверки товара складом.
В соответствии с законодательством возврату не подлежат подшипники надлежащего качества, если отсутствует оригинальная упаковка или имеются следы монтажа.
В случае выявления брака или гарантийного случая мы гарантируем возврат или обмен товара.
Да, гарантийный срок хранения устанавливается заводом-изготовителем и в среднем составляет 2 года при соблюдении условий хранения: сухое помещение, оригинальная упаковка и смазка.
Точный срок для конкретного типа подшипника уточняйте у наших менеджеров.
Пн–Пт: с 8:00 до 17:00 (МСК).
Сб–Вс: выходные дни.
Заказы на сайте принимаются круглосуточно. Заявки, поступившие после окончания рабочего дня, обрабатываются на следующий рабочий день.
Минимальная сумма заказа для доставки составляет 3000 рублей. Самовывоз со склада возможен на любую сумму при наличии товара.
ООО «УралТехГрупп»
ИНН: 7415093830
КПП: 772401001
ОГРН: 1167456069021
Банк: ПАО Сбербанк
Р/с: 40702810838000475273
К/с: 30101810400000000225
БИК: 044525225
У подшипника M-UCT206D1 пока нет отзывов. Вы можете стать первым покупателем, поделившимся своим мнением.