Поиск подшипника
Статьи
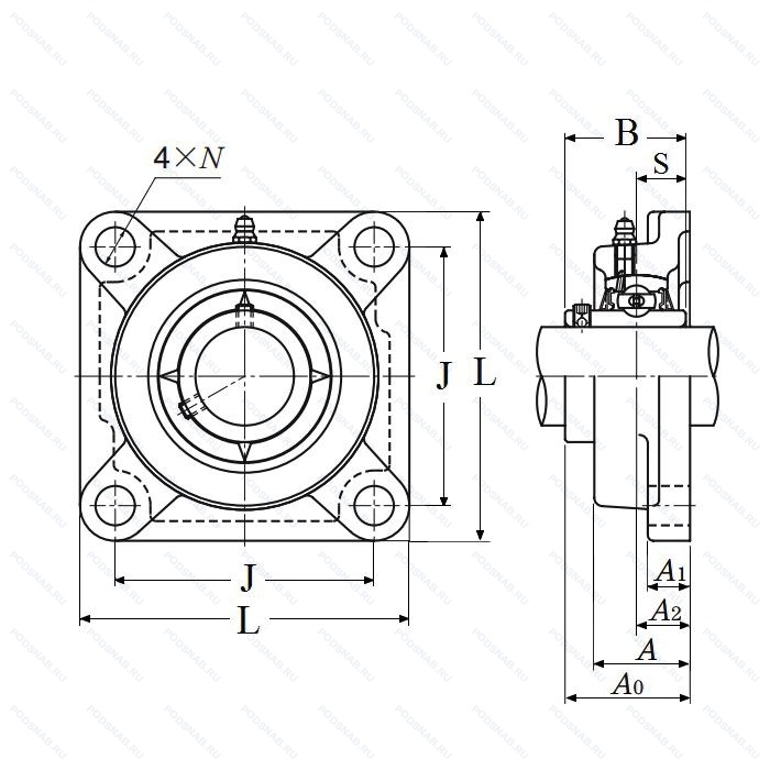
UCF206-101D1 — Корпус подшипника, модификация основного исполнения UCF206, производство NTN.
Размер подшипника: 26x108x42 мм.
Альтернативное обозначение: FY1.1/16TF, YAR206-101-2F + FY506U.
Международная стандартизации ISO
UCF206101D1
В наличии
| Обозначение | Конструктивные изменения |
|---|---|
| UCF206-17 | 1.1/16. |
| UCF206-18 | 18° Угол контакта. |
| UCF206-19 | 1.3/16. |
| UCF206J | Дорожки качения наружного кольца. угол контакта и ширина наружного кольца в соответствии с ISO. |
| UCF206D1 | Не требующий обслуживания тип. |
| UCF206-20 | Distance Between Beginning Of The Rail And First Hole In MM. |
| UCF206SS | Две резиновые защитные шайбы. |
| UCF206J T2 | Шарикоподшипниковый узел. Допуск сферического внутреннего диаметра корпуса. Ball Bearing Unit. Special Heat Treatment Bearing *Inner Ring Eccentric Area Is Hardened. |
| UCF206/AS2P | 1/4 Full. Смазка Aeroshell 7. Диапазон от –10°C до 110°C.. |
| UCF206J P2 | Шарикоподшипниковый узел. Допуск сферического внутреннего диаметра корпуса. Two Grease Nipples On The Housing. |
| UCF206-19J G5 | Корпус подшипникового узла. С допуском сферического отверстия J. Подходит для корпуса диаметром до 100 мм.. Класс допуска. |
| UCF206-19J | Корпус подшипникового узла. С допуском сферического отверстия J. Подходит для корпуса диаметром до 100 мм.. |
| UCF206-18J | Корпус подшипникового узла. С допуском сферического отверстия J. Подходит для корпуса диаметром до 100 мм.. |
| UCF206L091 | Optimized Grease For All Purposes. Temperature Range Approximately -50°C / +120°C - Description/ Isoflex® LDS 18 Special A)-Is A Dynamically Light Long-Term Grease For Plain And Rolling Bearings. It Consists Of Ester Oil. Mineral Oil And Lithium Soap. The Product Is Resistant To Ageing. Oxidation And Water. And It Protects Reliably Against Corrosion. Application/ Isoflex® LDS 18 Special A Is Suitable For Plain And Rolling Bearings Operating At Low Temperatures And/Or High Speeds. For Example In Grinding Spindles. Machine Tool Spindles. Spindle Bearings. Textile Spindles. Bearings In Oe-Spinning Turbines. Bearings In Precision And Optical Equipment. |
| UCF206-18-J7 | 1.1/8. Наилучшая посадка в корпусе. |
| UCF206-20-J7 | 1.1/4. Наилучшая посадка в корпусе. |
| UCF206-19-J7 | 1.3/16. Наилучшая посадка в корпусе. |
| UCF206/H | Более высокая стабильность и лучший баланс нагрузки, чем в стандартной комплектации. Для шарикоподшипниковых узлов UC/Угол установочных винтов 120° вместо 62°. |
| UCF206C | 15° Угол контакта. |
| Y/UCF206 | Сепаратор из прессованной латуни. Центрирование шарика. |
| UCF206SSK | Stainless Steel Insert Bearing With Plastic Housing. |
| UCF206J-20 | Дорожки качения наружного кольца. угол контакта и ширина наружного кольца в соответствии с ISO. 1.1/4. |
| UCF206L3 | Тройное манжетное уплотнение для вкладыша подшипника. |
| UCF206-40 | 2.1/2. |
| UCF206-17-J7 | 1.1/16. Наилучшая посадка в корпусе. |
Модификации корпуса подшипника UCF206-101D1 — это измененное основное конструктивное исполнение UCF206, основные размеры (26x108x42) не отличаются.
| Обозначение | Гост | Конструктивные особенности |
|---|---|---|
| MSF25 | ISO | Корпус подшипника. |
| MSF1 | ISO | Корпус подшипника. |
| FY1.1/16TM | ISO | Number Of Carriages Per Rail Track. Подшипник серии YAR2 (внутреннее кольцо выдвинуто с двух сторон. Фиксация с помощью винта). Без фланцев. |
| 128843 | ISO | Корпус подшипника. |
| F4B-DLM-100 | ISO | Корпус подшипника. |
Аналог корпуса подшипника UCF206-101D1 — это подшипник такого же размера dx26,Dx108,Bx42, типа и конструкции.
Способы доставки
Отправка через ведущие транспортные и курьерские компании: ПЭК, Деловые Линии, СДЭК, Байкал-Сервис, Энергия, КИТ, ЖелДорЭкспедиция.
Самовывоз возможен напрямую со склада в Москве.
Сроки доставки
Срок зависит от региона и выбранной транспортной компании. Все заказы комплектуются и отправляются в кратчайшие сроки со склада в Москве.
Надёжность и сохранность
Вся продукция упаковывается с учётом требований транспортировки. Мы гарантируем, что подшипники и комплектующие прибудут к заказчику в полной сохранности.
Доставка в страны ЕАЭС
Мы работаем с проверенными логистическими партнёрами, что позволяет оперативно доставлять заказы в Беларусь, Казахстан, Армению и другие страны ЕАЭС.
Варианты оплаты:
Минимальная сумма заказа и скидки:
Документы и гарантии:
Да, конечно! Наши технические специалисты готовы помочь вам с подбором точного аналога или замены подшипника. Просто позвоните нам по телефону +7 (495) 104-99-04 или напишите на почту zakaz@podsnab.ru.
Для оперативной консультации подготовьте, пожалуйста, имеющиеся данные: маркировку, размеры, тип оборудования или артикул старого подшипника.
Да, конечно! Мы высоко ценим долгосрочное сотрудничество и доверие клиентов по всей России. Для постоянных клиентов действует персональная система скидок.
Условия формируются индивидуально и зависят от:
Чтобы узнать свои условия и получить максимально выгодное предложение, свяжитесь с персональным менеджером или напишите нам на почту zakaz@podsnab.ru.
Вы можете оформить заказ несколькими способами:
Для оформления заказа от юридического лица свяжитесь с нашим отделом по работе с корпоративными клиентами по телефону +7 (495) 104-99-04 или напишите на email zakaz@podsnab.ru, прикрепив реквизиты вашей организации.
Мы оперативно подготовим коммерческое предложение и выставим счет.
Возврат товара надлежащего качества возможен в течение 10 дней с момента получения, если товар не был в употреблении, сохранен товарный вид, упаковка не вскрывалась и присутствуют все сопроводительные документы.
Возврат денежных средств осуществляется в течение 10 рабочих дней после проверки товара складом.
В соответствии с законодательством возврату не подлежат подшипники надлежащего качества, если отсутствует оригинальная упаковка или имеются следы монтажа.
В случае выявления брака или гарантийного случая мы гарантируем возврат или обмен товара.
Да, гарантийный срок хранения устанавливается заводом-изготовителем и в среднем составляет 2 года при соблюдении условий хранения: сухое помещение, оригинальная упаковка и смазка.
Точный срок для конкретного типа подшипника уточняйте у наших менеджеров.
Пн–Пт: с 8:00 до 17:00 (МСК).
Сб–Вс: выходные дни.
Заказы на сайте принимаются круглосуточно. Заявки, поступившие после окончания рабочего дня, обрабатываются на следующий рабочий день.
Минимальная сумма заказа для доставки составляет 3000 рублей. Самовывоз со склада возможен на любую сумму при наличии товара.
ООО «УралТехГрупп»
ИНН: 7415093830
КПП: 772401001
ОГРН: 1167456069021
Банк: ПАО Сбербанк
Р/с: 40702810838000475273
К/с: 30101810400000000225
БИК: 044525225
У подшипника UCF206-101D1 пока нет отзывов. Вы можете стать первым покупателем, поделившимся своим мнением.