Поиск подшипника
Статьи
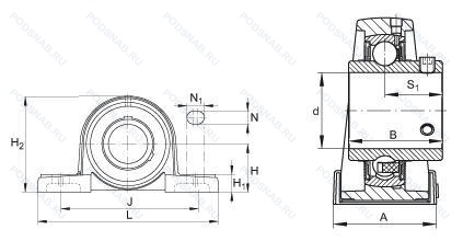
M-UCP209D1 — Корпус подшипника, основное исполнение, производство NTN.
Размер подшипника: 45x187x48 мм.
Канавка и смазочные отверстия на наружном кольце.
Альтернативное обозначение: 56209 + SG209S, RASEY45, SG56209, SY45TF, UC209 + P209, YAR209-2F + SY509M.
Аналоги: SG56209 FAG,RASEY45 INA,RASEY45-XL INA,SL45 RHP,NP45A RHP,SL45MM RHP.
Международная стандартизации ISO
MUCP209D1
В наличии
| Обозначение | Гост | Конструктивные особенности |
|---|---|---|
| SL45 | ISO | Корпус подшипника. |
| RASEY45 | ISO | Корпус подшипника. |
| SY45TF | ISO | Корпусный подшипник со стопорными винтами. серии YAR2. стандартное уплотнение и простой масло отражатель с каждой стороны. |
| NP45A | ISO | Двухрядный радиально-упорный шарикоподшипник без отверстия для смазки. |
| UC209 | ISO | Угол контакта 20 градусов. |
| 56209 | ISO | Корпус подшипника. |
| SG56209 | ISO | Корпус подшипника. |
| RASEY45-XL | ISO | Серия X-Life премиум-класс. увеличиный срок службы. |
| SL45MM | ISO | Миллиметры. |
| SY1.3/4TF/VA228 | ISO | Bearing With A “Coronet” Cage Of Graphite For Temperatures -150°C/+350°C. Корпусный подшипник со стопорными винтами. серии YAR2. стандартное уплотнение и простой масло отражатель с каждой стороны. Размерные и геометрические допуски соответствуют классу точности P6. |
| Y/UCP209/H | ISO | Более высокая стабильность и лучший баланс нагрузки, чем в стандартной комплектации. Для шарикоподшипниковых узлов UC/Угол установочных винтов 120° вместо 62°. |
| PASE45-XL-SML | ISO | Серия X-Life премиум-класс. увеличиный срок службы. Увеличенный зазор между подшипниками и корпусом. Это не влияет на изделие без суффикса SML. |
| M-UCP209J D1 | ISO | Корпус подшипникового узла. С допуском сферического отверстия J. Подходит для корпуса диаметром до 100 мм.. Не требующий обслуживания тип. |
| UCP209-28U | ISO | 1.3/4. |
| PASE45-XL-N | ISO | Серия X-Life премиум-класс. увеличиный срок службы. Чугунный корпус с подрезной прорезью для торцевых колпачков. |
| NAP209J | ISO | Корпус подшипникового узла. С допуском сферического отверстия J. Подходит для корпуса диаметром до 100 мм.. |
| UCP209N AV2S | ISO | Канавка под стопорное кольцо на внешнем кольце. Lubricant. Shell Oil Co.. Alvania #2 Grease. 1/4 Full. Temperature Range = -10°C / + 110°C (Normal Temperature Grease). |
| UCP209-112 | ISO | 1.3/4. |
| NP45HLT | ISO | Высоко- и низкотемпературные подшипниковые вкладыши. |
| RASEY1.3/4 | ISO | Размерные и геометрические допуски соответствуют классу точности P6. Подшипник с чрезвычайно высокой точностью вращения (Abec9) и допуском формы (Abec7). |
| UCP209D1 K2 | ISO | Grease SH44M.. Oil Seal Silicon Rubber. |
| RAKY1.3/4 | ISO | Размерные и геометрические допуски соответствуют классу точности P6. Подшипник с чрезвычайно высокой точностью вращения (Abec9) и допуском формы (Abec7). |
| UCP209-28S | ISO | Стандартное заполнение. |
| RASEY45-JIS | ISO | Японский промышленный стандарт. |
| SYH1.3/4WF | ISO | Размерные и геометрические допуски соответствуют классу точности P6. Y-подшипник серии YEL2-2F (внутреннее кольцо выдвинуто с обеих сторон. Эксцентриковая стопорная втулка). Стандартное уплотнение и плоский фланец с каждой стороны. |
| AELP209D1W3 | ISO | Не требующий обслуживания тип. Корпусной подшипник с установочным винтом. |
| P3-U228HHC | ISO | Closed End Unit. Два плавающих лабиринтных уплотнения. |
| Y/UCP209-28 | ISO | 1.3/4. |
| SY112S | ISO | Запечатанная версия кулачкового ролика. |
Аналог корпуса подшипника M-UCP209D1 — это подшипник такого же размера dx45,Dx187,Bx48, типа и конструкции.
Способы доставки
Отправка через ведущие транспортные и курьерские компании: ПЭК, Деловые Линии, СДЭК, Байкал-Сервис, Энергия, КИТ, ЖелДорЭкспедиция.
Самовывоз возможен напрямую со склада в Москве.
Сроки доставки
Срок зависит от региона и выбранной транспортной компании. Все заказы комплектуются и отправляются в кратчайшие сроки со склада в Москве.
Надёжность и сохранность
Вся продукция упаковывается с учётом требований транспортировки. Мы гарантируем, что подшипники и комплектующие прибудут к заказчику в полной сохранности.
Доставка в страны ЕАЭС
Мы работаем с проверенными логистическими партнёрами, что позволяет оперативно доставлять заказы в Беларусь, Казахстан, Армению и другие страны ЕАЭС.
Варианты оплаты:
Минимальная сумма заказа и скидки:
Документы и гарантии:
Да, конечно! Наши технические специалисты готовы помочь вам с подбором точного аналога или замены подшипника. Просто позвоните нам по телефону +7 (495) 104-99-04 или напишите на почту zakaz@podsnab.ru.
Для оперативной консультации подготовьте, пожалуйста, имеющиеся данные: маркировку, размеры, тип оборудования или артикул старого подшипника.
Да, конечно! Мы высоко ценим долгосрочное сотрудничество и доверие клиентов по всей России. Для постоянных клиентов действует персональная система скидок.
Условия формируются индивидуально и зависят от:
Чтобы узнать свои условия и получить максимально выгодное предложение, свяжитесь с персональным менеджером или напишите нам на почту zakaz@podsnab.ru.
Вы можете оформить заказ несколькими способами:
Для оформления заказа от юридического лица свяжитесь с нашим отделом по работе с корпоративными клиентами по телефону +7 (495) 104-99-04 или напишите на email zakaz@podsnab.ru, прикрепив реквизиты вашей организации.
Мы оперативно подготовим коммерческое предложение и выставим счет.
Возврат товара надлежащего качества возможен в течение 10 дней с момента получения, если товар не был в употреблении, сохранен товарный вид, упаковка не вскрывалась и присутствуют все сопроводительные документы.
Возврат денежных средств осуществляется в течение 10 рабочих дней после проверки товара складом.
В соответствии с законодательством возврату не подлежат подшипники надлежащего качества, если отсутствует оригинальная упаковка или имеются следы монтажа.
В случае выявления брака или гарантийного случая мы гарантируем возврат или обмен товара.
Да, гарантийный срок хранения устанавливается заводом-изготовителем и в среднем составляет 2 года при соблюдении условий хранения: сухое помещение, оригинальная упаковка и смазка.
Точный срок для конкретного типа подшипника уточняйте у наших менеджеров.
Пн–Пт: с 8:00 до 17:00 (МСК).
Сб–Вс: выходные дни.
Заказы на сайте принимаются круглосуточно. Заявки, поступившие после окончания рабочего дня, обрабатываются на следующий рабочий день.
Минимальная сумма заказа для доставки составляет 3000 рублей. Самовывоз со склада возможен на любую сумму при наличии товара.
ООО «УралТехГрупп»
ИНН: 7415093830
КПП: 772401001
ОГРН: 1167456069021
Банк: ПАО Сбербанк
Р/с: 40702810838000475273
К/с: 30101810400000000225
БИК: 044525225
У подшипника M-UCP209D1 пока нет отзывов. Вы можете стать первым покупателем, поделившимся своим мнением.