Поиск подшипника
Статьи
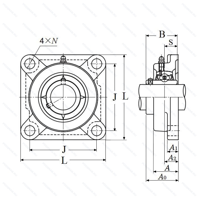
UCF202D1 — Корпус подшипника, модификация основного исполнения UCF202, производство NSK.
Размер подшипника: 15x76x32 мм.
Стандартная консистентная смазка alvania grease 3.
Альтернативное обозначение: FY15TF, GYE15KRRB + CJ03, RCJY15, UC202D1 + F202D1, YAR203/15-2F + FY503M.
Аналоги: RCJY15 INA,RCJY15-XL INA,UCF202 Timken,UCF202 NSK,UCF202 Koyo,UCF202 Asahi,UCFE202 SNR,UCF202D1 NTN,UCF202JD1 NTN,UCF202D1 X AS3S NSK,M-UCF202D1 NTN,UCF202 KDF,UCF202 FHB,UCF202 TR,UCF202 SLB,UCF202 ISB,UCF202J FYH.
Международная стандартизации ISO
UCF202D1
В наличии
| Обозначение | Конструктивные изменения |
|---|---|
| UCF202-010D1 | Корпус подшипника. |
| UCF202 | Корпус подшипника. Основное конструктивное исполнение. |
| UCF202-10 | Distance Between Beginning Of The Rail And First Hole In MM. |
| UCF202J | Дорожки качения наружного кольца. угол контакта и ширина наружного кольца в соответствии с ISO. |
| UCF202N | Канавка под стопорное кольцо на внешнем кольце. |
| UCF202-9 | 9/16. |
| UCF202-J7 | Наилучшая посадка в корпусе. |
| UCF202SS | Подшипник из нержавеющей стали. |
| UCF202PSS | Пластиковый корпус. Подшипник из нержавеющей стали. |
| UCF202-010 | 5/8. |
| UCF202-10-J7 | 5/8. Наилучшая посадка в корпусе. |
| UCF202-10J | 5/8. |
| UCF202-10S | Корпус подшипника. |
| UCF202-09-J7 | Наилучшая посадка в корпусе. 9/16. |
Модификации корпуса подшипника UCF202D1 — это измененное основное конструктивное исполнение UCF202, основные размеры (15x76x32) не отличаются.
| Обозначение | Гост | Конструктивные особенности |
|---|---|---|
| SF5/8 | ISO | Средний предварительный натяг. |
| RCJY15 | ISO | Корпус подшипника. |
| RCJY16 | ISO | Корпус подшипника. |
| PCJY15 | ISO | Корпус подшипника. |
| FY15TF | ISO | Корпусный подшипник со стопорными винтами. серии YAR2. стандартное уплотнение и простой масло отражатель с каждой стороны. |
| UC202D1 | ISO | Стандартная консистентная смазка Alvania Grease 3. |
| PCJY15-XL | ISO | Серия X-Life премиум-класс. увеличиный срок службы. |
| RCJY16-XL | ISO | Серия X-Life премиум-класс. увеличиный срок службы. |
| RCJY15-XL | ISO | Серия X-Life премиум-класс. увеличиный срок службы. |
| FY5/8TF | ISO | Корпусный подшипник со стопорными винтами. серии YAR2. стандартное уплотнение и простой масло отражатель с каждой стороны. |
| UCF204-10 | ISO | 5/8. |
| M-UCF202D1 | ISO | Канавка и смазочные отверстия на наружном кольце. |
| GYE15KRRB | ISO | Подшипник со сферическим наружным кольцом. Манжетные уплотнения с обеих сторон (уплотнение типа R - имеет оцинкованные внутреннюю и внешнюю крышки. Между крышками имеется уплотнительная кромка NBR. идущая по шлифованному буртику). |
| SF5/8G | ISO | Вкладыш подшипника с возможностью повторной смазки. |
| 5L-3291 | ISO | Корпус подшипника. |
| FY5/8TM | ISO | Подшипник серии YAR2 (внутреннее кольцо выдвинуто с двух сторон. Фиксация с помощью винта). Без фланцев. |
Аналог корпуса подшипника UCF202D1 — это подшипник такого же размера dx15,Dx76,Bx32, типа и конструкции.
| Обозначение | Конструктивные особенности | Внутренний (d) | Наружный (D) | Ширина (B) |
|---|---|---|---|---|
| SF1-5 | Сферический шарнирный подшипник. Distance Between Beginning Of The Rail And First Hole In MM. | 15.00 | 76.00 | 32.90 |
Способы доставки
Отправка через ведущие транспортные и курьерские компании: ПЭК, Деловые Линии, СДЭК, Байкал-Сервис, Энергия, КИТ, ЖелДорЭкспедиция.
Самовывоз возможен напрямую со склада в Москве.
Сроки доставки
Срок зависит от региона и выбранной транспортной компании. Все заказы комплектуются и отправляются в кратчайшие сроки со склада в Москве.
Надёжность и сохранность
Вся продукция упаковывается с учётом требований транспортировки. Мы гарантируем, что подшипники и комплектующие прибудут к заказчику в полной сохранности.
Доставка в страны ЕАЭС
Мы работаем с проверенными логистическими партнёрами, что позволяет оперативно доставлять заказы в Беларусь, Казахстан, Армению и другие страны ЕАЭС.
Варианты оплаты:
Минимальная сумма заказа и скидки:
Документы и гарантии:
Да, конечно! Наши технические специалисты готовы помочь вам с подбором точного аналога или замены подшипника. Просто позвоните нам по телефону +7 (495) 104-99-04 или напишите на почту zakaz@podsnab.ru.
Для оперативной консультации подготовьте, пожалуйста, имеющиеся данные: маркировку, размеры, тип оборудования или артикул старого подшипника.
Да, конечно! Мы высоко ценим долгосрочное сотрудничество и доверие клиентов по всей России. Для постоянных клиентов действует персональная система скидок.
Условия формируются индивидуально и зависят от:
Чтобы узнать свои условия и получить максимально выгодное предложение, свяжитесь с персональным менеджером или напишите нам на почту zakaz@podsnab.ru.
Вы можете оформить заказ несколькими способами:
Для оформления заказа от юридического лица свяжитесь с нашим отделом по работе с корпоративными клиентами по телефону +7 (495) 104-99-04 или напишите на email zakaz@podsnab.ru, прикрепив реквизиты вашей организации.
Мы оперативно подготовим коммерческое предложение и выставим счет.
Возврат товара надлежащего качества возможен в течение 10 дней с момента получения, если товар не был в употреблении, сохранен товарный вид, упаковка не вскрывалась и присутствуют все сопроводительные документы.
Возврат денежных средств осуществляется в течение 10 рабочих дней после проверки товара складом.
В соответствии с законодательством возврату не подлежат подшипники надлежащего качества, если отсутствует оригинальная упаковка или имеются следы монтажа.
В случае выявления брака или гарантийного случая мы гарантируем возврат или обмен товара.
Да, гарантийный срок хранения устанавливается заводом-изготовителем и в среднем составляет 2 года при соблюдении условий хранения: сухое помещение, оригинальная упаковка и смазка.
Точный срок для конкретного типа подшипника уточняйте у наших менеджеров.
Пн–Пт: с 8:00 до 17:00 (МСК).
Сб–Вс: выходные дни.
Заказы на сайте принимаются круглосуточно. Заявки, поступившие после окончания рабочего дня, обрабатываются на следующий рабочий день.
Минимальная сумма заказа для доставки составляет 3000 рублей. Самовывоз со склада возможен на любую сумму при наличии товара.
ООО «УралТехГрупп»
ИНН: 7415093830
КПП: 772401001
ОГРН: 1167456069021
Банк: ПАО Сбербанк
Р/с: 40702810838000475273
К/с: 30101810400000000225
БИК: 044525225
У подшипника UCF202D1 пока нет отзывов. Вы можете стать первым покупателем, поделившимся своим мнением.