Поиск подшипника
Статьи
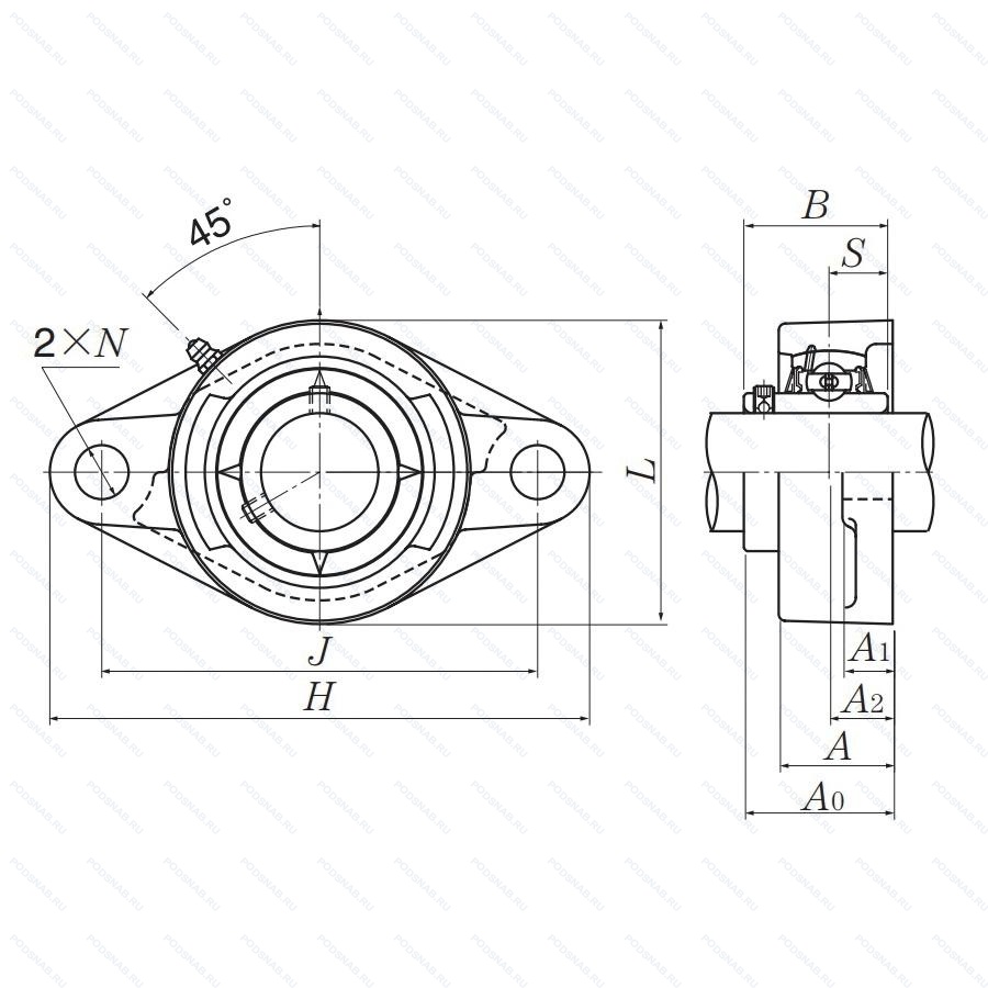
UCFL208-109D1 — Корпус подшипника, модификация основного исполнения UCFL208, производство NTN.
Размер подшипника: 39x175x49 мм.
1.9/16, канавка и смазочные отверстия на наружном кольце.
Альтернативное обозначение: FYTBJ1.9/16TF, UC208-109D1 + FL208D1, UC208-25 + FL208, UCFL208-25.
Международная стандартизации ISO
UCFL208109D1
В наличии
| Обозначение | Конструктивные изменения |
|---|---|
| UCFL208-108D1 | Корпус подшипника. |
| UCFL208N | Канавка под стопорное кольцо на внешнем кольце. |
| UCFL208J | Дорожки качения наружного кольца. угол контакта и ширина наружного кольца в соответствии с ISO. |
| UCFL208 | Корпус подшипника. Основное конструктивное исполнение. |
| UCFL208-25 | Distance Between Beginning Of The Rail And First Hole In MM. |
| UCFL208-24 | 1.1/2. |
| UCFL208PSS | Корпус подшипника. |
| UCFL208SS | Две резиновые защитные шайбы. |
| M-UCFL208 | Корпус подшипника. |
| UCFL208-24S | Стандартное заполнение. |
| UCFL208R | Units Are Made In RHP Factories. |
| UCFL208A | Двухрядный радиально-упорный шарикоподшипник без отверстия для смазки. |
| UCFL208ECYB | Open Ends On Both Sides Of The Housing. |
| UCFL208HT2D1/D4MS | Стандартное заполнение. Heat-Stabilized Up To 270°C. C4 Clearance. Toray Silicone SH44M. |
| UCFL208-J7 | Наилучшая посадка в корпусе. |
| UCFL208-24L | Корпус подшипника. |
| UCFL208ECYA | One End Closed. |
| UCFL208-24J | Шарикоподшипниковый узел. Допуск сферического внутреннего диаметра корпуса. 1.1/2. |
| UCFL208/H | Более высокая стабильность и лучший баланс нагрузки, чем в стандартной комплектации. Для шарикоподшипниковых узлов UC/Угол установочных винтов 120° вместо 62°. |
| UCFL208-24-J7 | Наилучшая посадка в корпусе. 1.1/2. |
| UCFL208NAV2 | Lubricant. Shell Oil Co.. Alvania #2 Grease. 1/4 Full. Temperature Range = -10°C / + 110°C (Normal Temperature Grease). Паз в корпусе для крепления защитных колпачков. |
| UCFL208D1 | Стандартная консистентная смазка Alvania Grease 3. |
| UCFL208-25-J7 | 1.9/16. Наилучшая посадка в корпусе. |
| UCFL208KNST/S6/WHITE+PRO | Подшипник из нержавеющей стали. Colour Of The Housing. Polyamide. |
Модификации корпуса подшипника UCFL208-109D1 — это измененное основное конструктивное исполнение UCFL208, основные размеры (39x175x49) не отличаются.
| Обозначение | Гост | Конструктивные особенности |
|---|---|---|
| UCP208 NAV2S | ISO | Lubricant. Shell Oil Co.. Alvania #2 Grease. 1/4 Full. Temperature Range = -10°C / + 110°C (Normal Temperature Grease). |
| NP1.1/2DECG | ISO | Смазочные отверстия в распределительной канавке. Механически обработанные в наружном кольце для смазки. Эксцентриковая втулка с удлиненным внутренним кольцом. |
| NP40S | ISO | S-замок. |
| NP40FS | ISO | Подшипниковый вкладыш с маслоотражательными уплотнениями. |
| RASEY40MP | ISO | Массивный латунный сепаратор. центрированный по телам качения. |
| PASE40N | ISO | Чугунный корпус с подрезной прорезью для торцевых колпачков. |
| RASEY40-N | ISO | Чугунный корпус с подрезной прорезью для торцевых колпачков. |
| RASE40N | ISO | Чугунный корпус с подрезной прорезью для торцевых колпачков. |
| UCPR208/LP03 | ISO | General-Purpose Solid Grease. -20°C +80°C. |
| SUCFL208-24 | ISO | 1.1/2. |
| YAK1.1/2PT | ISO | Number Of Carriages Per Rail Track. Сборки из полимера Survivor. |
| UCP208C-675072 | ISO | Подшипник SB из хромированной легированной стали, потайные винты, блокировка вала. Open Unit. |
| M-UCP208D1 | ISO | Канавка и смазочные отверстия на наружном кольце. |
| SYKC40NTR/VE495 | ISO | Внутренние и внешние кольца с цинковым покрытием и заслонки из нержавеющей стали. Заполнены нетоксичной (пищевой) смазкой. Y-Bearing Of Series YAR2-2RFG (Inner Ring Extended At Both Sides. Grub Screw Locking). Bearing Outer Ring With Lubrication Groove. Standard Seal And Rubberized Flinger At Each Side. Non-Toxic Grease Fill. |
| RASEY40-JIS | ISO | Японский промышленный стандарт. |
| AELP208D1 | ISO | Канавка и смазочные отверстия на наружном кольце. |
| SYKC40NTH | ISO | Y-Bearing Of Series YAR2-2RF/HV (Inner Ring Extended At Both Sides. Grub Screw Locking). Standard Seal And Rubberized Flinger At Each Side. Stainless Steel Bearing. |
| SY40WM | ISO | Y-образный подшипник серии YEL2 (внутреннее кольцо расширено с обеих сторон. Эксцентриковая стопорная втулка). |
| UCP208-24-J7 | ISO | Наилучшая посадка в корпусе. 1.1/2. |
| NP40EC AR3P | ISO | Эксцентриковый кольцевой замок с внутренним кольцом заподлицо с одной стороны. Designation = Alvania Grease R3. Base Oil = Mineral. Thickener = Lithium. Min. Temp = -34°C. Max. Temp = +135°C. |
Аналог корпуса подшипника UCFL208-109D1 — это подшипник такого же размера dx39,Dx175,Bx49, типа и конструкции.
Способы доставки
Отправка через ведущие транспортные и курьерские компании: ПЭК, Деловые Линии, СДЭК, Байкал-Сервис, Энергия, КИТ, ЖелДорЭкспедиция.
Самовывоз возможен напрямую со склада в Москве.
Сроки доставки
Срок зависит от региона и выбранной транспортной компании. Все заказы комплектуются и отправляются в кратчайшие сроки со склада в Москве.
Надёжность и сохранность
Вся продукция упаковывается с учётом требований транспортировки. Мы гарантируем, что подшипники и комплектующие прибудут к заказчику в полной сохранности.
Доставка в страны ЕАЭС
Мы работаем с проверенными логистическими партнёрами, что позволяет оперативно доставлять заказы в Беларусь, Казахстан, Армению и другие страны ЕАЭС.
Варианты оплаты:
Минимальная сумма заказа и скидки:
Документы и гарантии:
Да, конечно! Наши технические специалисты готовы помочь вам с подбором точного аналога или замены подшипника. Просто позвоните нам по телефону +7 (495) 104-99-04 или напишите на почту zakaz@podsnab.ru.
Для оперативной консультации подготовьте, пожалуйста, имеющиеся данные: маркировку, размеры, тип оборудования или артикул старого подшипника.
Да, конечно! Мы высоко ценим долгосрочное сотрудничество и доверие клиентов по всей России. Для постоянных клиентов действует персональная система скидок.
Условия формируются индивидуально и зависят от:
Чтобы узнать свои условия и получить максимально выгодное предложение, свяжитесь с персональным менеджером или напишите нам на почту zakaz@podsnab.ru.
Вы можете оформить заказ несколькими способами:
Для оформления заказа от юридического лица свяжитесь с нашим отделом по работе с корпоративными клиентами по телефону +7 (495) 104-99-04 или напишите на email zakaz@podsnab.ru, прикрепив реквизиты вашей организации.
Мы оперативно подготовим коммерческое предложение и выставим счет.
Возврат товара надлежащего качества возможен в течение 10 дней с момента получения, если товар не был в употреблении, сохранен товарный вид, упаковка не вскрывалась и присутствуют все сопроводительные документы.
Возврат денежных средств осуществляется в течение 10 рабочих дней после проверки товара складом.
В соответствии с законодательством возврату не подлежат подшипники надлежащего качества, если отсутствует оригинальная упаковка или имеются следы монтажа.
В случае выявления брака или гарантийного случая мы гарантируем возврат или обмен товара.
Да, гарантийный срок хранения устанавливается заводом-изготовителем и в среднем составляет 2 года при соблюдении условий хранения: сухое помещение, оригинальная упаковка и смазка.
Точный срок для конкретного типа подшипника уточняйте у наших менеджеров.
Пн–Пт: с 8:00 до 17:00 (МСК).
Сб–Вс: выходные дни.
Заказы на сайте принимаются круглосуточно. Заявки, поступившие после окончания рабочего дня, обрабатываются на следующий рабочий день.
Минимальная сумма заказа для доставки составляет 3000 рублей. Самовывоз со склада возможен на любую сумму при наличии товара.
ООО «УралТехГрупп»
ИНН: 7415093830
КПП: 772401001
ОГРН: 1167456069021
Банк: ПАО Сбербанк
Р/с: 40702810838000475273
К/с: 30101810400000000225
БИК: 044525225
У подшипника UCFL208-109D1 пока нет отзывов. Вы можете стать первым покупателем, поделившимся своим мнением.