Поиск подшипника
Статьи
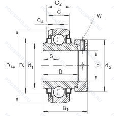
G 1107 KRRBW — Подшипниковый узел, модификация основного исполнения 1107, производство INA.
Международная стандартизации ISO
G1107KRRBW
В наличии
| Обозначение | Конструктивные изменения |
|---|---|
| 1107KLL+COL | Товар включает втулку. BALL BEARING. CONRAD TYPE. INDUSTRIAL POWER TRANSMISSION. DOUBLE MECHANI-SEAL. |
| 1107KRR | Манжетные уплотнения с обеих сторон (уплотнение типа R - имеет оцинкованные внутреннюю и внешнюю крышки. Между крышками имеется уплотнительная кромка NBR. идущая по шлифованному буртику). |
| 1107KRR+COL | Манжетные уплотнения с обеих сторон (уплотнение типа R - имеет оцинкованные внутреннюю и внешнюю крышки. Между крышками имеется уплотнительная кромка NBR. идущая по шлифованному буртику). Товар включает втулку. |
| 1107KRRB | Conrad (Non-Filling Slot) Type. Сферический внешний диаметр. Резиновое уплотнение с двух сторон. |
| 1107KLLB | Conrad (Non-Filling Slot) Type. Сферический внешний диаметр. Two Mechani-Seals. Interchangeable with RR Series. But Have Non-Contact Labyrinth Seals And Steel Cages For Low Torque. High Speed And Higher Temperature Service. (Up to 350°F/176°C). |
| 1107KRRC1 | Conrad (Non-Filling Slot) Type. Резиновое уплотнение с двух сторон. |
| 1107KRRB+COL | Conrad (Non-Filling Slot) Type. Сферический внешний диаметр. Резиновое уплотнение с двух сторон. Товар включает втулку. |
| 1107KLLG | Conrad (Non-Filling Slot) Type. Wireloc (стопорное кольцо). Two Mechani-Seals. Interchangeable with RR Series. But Have Non-Contact Labyrinth Seals And Steel Cages For Low Torque. High Speed And Higher Temperature Service. (Up to 350°F/176°C). |
| 1107RR | Резиновое уплотнение с двух сторон. |
| 1107KLLGC2 | Conrad (Non-Filling Slot) Type. Bearing Internal Clearance Smaller Than Normal Or Manufacturing Code - Fafnir Use Only. Wireloc (стопорное кольцо). Two Mechani-Seals. Interchangeable with RR Series. But Have Non-Contact Labyrinth Seals And Steel Cages For Low Torque. High Speed And Higher Temperature Service. (Up to 350°F/176°C). |
| 1107KRS+COL | Внешний самоустанавливающийся тип. Сферическая поверхность наружного кольца сопряжена с внутренней сферической поверхностью дополнительного кольца с прямым или плоским наружным диаметром. Используется для обозначения однорядных подшипников с широким внутренним кольцом.. Conrad (Non-Filling Slot) Type. One Land Riding Rubber Seal. Втулка. |
| 1107KL | Flanged Type (2 Thru holes)-Medium Load. |
| 1107KLB | Подшипниковый узел. |
| 1107KLL | BALL BEARING. CONRAD TYPE. INDUSTRIAL POWER TRANSMISSION. DOUBLE MECHANI-SEAL. |
| 1107KR | Single-Row. Counterbored Outer Ring. Radial Type. Ball Bearing. 15° Угол контакта. |
Модификации подшипникового узела G 1107 KRRBW — это измененное основное конструктивное исполнение 1107, основные размеры не отличаются.
Способы доставки
Отправка через ведущие транспортные и курьерские компании: ПЭК, Деловые Линии, СДЭК, Байкал-Сервис, Энергия, КИТ, ЖелДорЭкспедиция.
Самовывоз возможен напрямую со склада в Москве.
Сроки доставки
Срок зависит от региона и выбранной транспортной компании. Все заказы комплектуются и отправляются в кратчайшие сроки со склада в Москве.
Надёжность и сохранность
Вся продукция упаковывается с учётом требований транспортировки. Мы гарантируем, что подшипники и комплектующие прибудут к заказчику в полной сохранности.
Доставка в страны ЕАЭС
Мы работаем с проверенными логистическими партнёрами, что позволяет оперативно доставлять заказы в Беларусь, Казахстан, Армению и другие страны ЕАЭС.
Варианты оплаты:
Минимальная сумма заказа и скидки:
Документы и гарантии:
Да, конечно! Наши технические специалисты готовы помочь вам с подбором точного аналога или замены подшипника. Просто позвоните нам по телефону +7 (495) 104-99-04 или напишите на почту zakaz@podsnab.ru.
Для оперативной консультации подготовьте, пожалуйста, имеющиеся данные: маркировку, размеры, тип оборудования или артикул старого подшипника.
Да, конечно! Мы высоко ценим долгосрочное сотрудничество и доверие клиентов по всей России. Для постоянных клиентов действует персональная система скидок.
Условия формируются индивидуально и зависят от:
Чтобы узнать свои условия и получить максимально выгодное предложение, свяжитесь с персональным менеджером или напишите нам на почту zakaz@podsnab.ru.
Вы можете оформить заказ несколькими способами:
Для оформления заказа от юридического лица свяжитесь с нашим отделом по работе с корпоративными клиентами по телефону +7 (495) 104-99-04 или напишите на email zakaz@podsnab.ru, прикрепив реквизиты вашей организации.
Мы оперативно подготовим коммерческое предложение и выставим счет.
Возврат товара надлежащего качества возможен в течение 10 дней с момента получения, если товар не был в употреблении, сохранен товарный вид, упаковка не вскрывалась и присутствуют все сопроводительные документы.
Возврат денежных средств осуществляется в течение 10 рабочих дней после проверки товара складом.
В соответствии с законодательством возврату не подлежат подшипники надлежащего качества, если отсутствует оригинальная упаковка или имеются следы монтажа.
В случае выявления брака или гарантийного случая мы гарантируем возврат или обмен товара.
Да, гарантийный срок хранения устанавливается заводом-изготовителем и в среднем составляет 2 года при соблюдении условий хранения: сухое помещение, оригинальная упаковка и смазка.
Точный срок для конкретного типа подшипника уточняйте у наших менеджеров.
Пн–Пт: с 8:00 до 17:00 (МСК).
Сб–Вс: выходные дни.
Заказы на сайте принимаются круглосуточно. Заявки, поступившие после окончания рабочего дня, обрабатываются на следующий рабочий день.
Минимальная сумма заказа для доставки составляет 3000 рублей. Самовывоз со склада возможен на любую сумму при наличии товара.
ООО «УралТехГрупп»
ИНН: 7415093830
КПП: 772401001
ОГРН: 1167456069021
Банк: ПАО Сбербанк
Р/с: 40702810838000475273
К/с: 30101810400000000225
БИК: 044525225
У подшипника G 1107 KRRBW пока нет отзывов. Вы можете стать первым покупателем, поделившимся своим мнением.