Поиск подшипника
Статьи
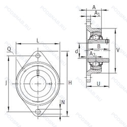
RCJTY35N — Корпус подшипника, модификация основного исполнения RCJTY35, выпускается производителями: INA, NKE.
Размер подшипника: 35x126x37 мм.
Канавка под стопорное кольцо на внешнем кольце.
Альтернативное обозначение: 56207 + FGB207S, FGB56207, FYTB35TF, GYE35KRRB + CJT07, YAR207-2F + FYTB507M.
Аналоги: RCJTY35-XL-N INA,SFT35 RHP,SFT35 SNR,M-UCFL207D1 NTN,M-UCFL207JD1 NTN.
Международная стандартизации ISO
RCJTY35N
В наличии
| Обозначение | Конструктивные изменения |
|---|---|
| RCJTY35TNVA | Пластиковый корпус. Нержавеющая сталь. |
| RCJTY35 | Корпус подшипника. Основное конструктивное исполнение. |
| RCJTY35-XL-N | Серия X-Life премиум-класс. увеличиный срок службы. Чугунный корпус с подрезной прорезью для торцевых колпачков. |
| RCJTY35-TV-VA | Нержавеющая сталь. Пластиковый корпус. |
| RCJTY35-TV-VA-HLA | Нержавеющая сталь. Пластиковый корпус. Код местонахождения завода. может использоваться в стандартной комплектации. |
| RCJTY35TN VA FA219 | Пластиковый корпус. Нержавеющая сталь. Чугунный корпус с подрезной прорезью для торцевых колпачков. |
Модификации корпуса подшипника RCJTY35N — это измененное основное конструктивное исполнение RCJTY35, основные размеры (35x126x37) не отличаются.
| Обозначение | Гост | Конструктивные особенности |
|---|---|---|
| FYTB35TF | ISO | Корпусный подшипник со стопорными винтами. серии YAR2. стандартное уплотнение и простой масло отражатель с каждой стороны. |
| SFT35 | ISO | Корпус подшипника. |
| GYE35KRRB | ISO | Корпус подшипника. |
| FYTB35SD | ISO | The Old Suffix For TF (Y-Bearing Of Series YAR2-2F (Inner Ring Extended At Both Sides. Grub Screw Locking). Standard Seal And Plain Flinger At Each Side). |
| UCFL207/AS2P | ISO | 1/4 Full. Смазка Aeroshell 7. Диапазон от –10°C до 110°C.. |
| UCFL207L091 | ISO | Optimized Grease For All Purposes. Temperature Range Approximately -50°C / +120°C - Description/ Isoflex® LDS 18 Special A)-Is A Dynamically Light Long-Term Grease For Plain And Rolling Bearings. It Consists Of Ester Oil. Mineral Oil And Lithium Soap. The Product Is Resistant To Ageing. Oxidation And Water. And It Protects Reliably Against Corrosion. Application/ Isoflex® LDS 18 Special A Is Suitable For Plain And Rolling Bearings Operating At Low Temperatures And/Or High Speeds. For Example In Grinding Spindles. Machine Tool Spindles. Spindle Bearings. Textile Spindles. Bearings In Oe-Spinning Turbines. Bearings In Precision And Optical Equipment. |
| FL56207 | ISO | Корпус подшипника. |
| 56207 | ISO | Корпус подшипника. |
| MUCFL207JD1 | ISO | Корпус подшипникового узла. С допуском сферического отверстия J. Подходит для корпуса диаметром до 100 мм.. Канавка и смазочные отверстия на наружном кольце. |
| MFC1035-30K | ISO | Вкладыш подшипника с коническим отверстием. |
| M648131 | ISO | Корпус подшипника. |
| SFT35EZ | ISO | Корпус подшипника. |
| 27/SFT35 | ISO | Корпус подшипника. |
| UCFM207/LP03 | ISO | General-Purpose Solid Grease. -20°C +80°C. |
| M-UCFL207D1 | ISO | Канавка и смазочные отверстия на наружном кольце. |
| OWF35U | ISO | Set Screw Mounting. |
Аналог корпуса подшипника RCJTY35N — это подшипник такого же размера dx35,Dx126,Bx37, типа и конструкции.
Способы доставки
Отправка через ведущие транспортные и курьерские компании: ПЭК, Деловые Линии, СДЭК, Байкал-Сервис, Энергия, КИТ, ЖелДорЭкспедиция.
Самовывоз возможен напрямую со склада в Москве.
Сроки доставки
Срок зависит от региона и выбранной транспортной компании. Все заказы комплектуются и отправляются в кратчайшие сроки со склада в Москве.
Надёжность и сохранность
Вся продукция упаковывается с учётом требований транспортировки. Мы гарантируем, что подшипники и комплектующие прибудут к заказчику в полной сохранности.
Доставка в страны ЕАЭС
Мы работаем с проверенными логистическими партнёрами, что позволяет оперативно доставлять заказы в Беларусь, Казахстан, Армению и другие страны ЕАЭС.
Варианты оплаты:
Минимальная сумма заказа и скидки:
Документы и гарантии:
Да, конечно! Наши технические специалисты готовы помочь вам с подбором точного аналога или замены подшипника. Просто позвоните нам по телефону +7 (495) 104-99-04 или напишите на почту zakaz@podsnab.ru.
Для оперативной консультации подготовьте, пожалуйста, имеющиеся данные: маркировку, размеры, тип оборудования или артикул старого подшипника.
Да, конечно! Мы высоко ценим долгосрочное сотрудничество и доверие клиентов по всей России. Для постоянных клиентов действует персональная система скидок.
Условия формируются индивидуально и зависят от:
Чтобы узнать свои условия и получить максимально выгодное предложение, свяжитесь с персональным менеджером или напишите нам на почту zakaz@podsnab.ru.
Вы можете оформить заказ несколькими способами:
Для оформления заказа от юридического лица свяжитесь с нашим отделом по работе с корпоративными клиентами по телефону +7 (495) 104-99-04 или напишите на email zakaz@podsnab.ru, прикрепив реквизиты вашей организации.
Мы оперативно подготовим коммерческое предложение и выставим счет.
Возврат товара надлежащего качества возможен в течение 10 дней с момента получения, если товар не был в употреблении, сохранен товарный вид, упаковка не вскрывалась и присутствуют все сопроводительные документы.
Возврат денежных средств осуществляется в течение 10 рабочих дней после проверки товара складом.
В соответствии с законодательством возврату не подлежат подшипники надлежащего качества, если отсутствует оригинальная упаковка или имеются следы монтажа.
В случае выявления брака или гарантийного случая мы гарантируем возврат или обмен товара.
Да, гарантийный срок хранения устанавливается заводом-изготовителем и в среднем составляет 2 года при соблюдении условий хранения: сухое помещение, оригинальная упаковка и смазка.
Точный срок для конкретного типа подшипника уточняйте у наших менеджеров.
Пн–Пт: с 8:00 до 17:00 (МСК).
Сб–Вс: выходные дни.
Заказы на сайте принимаются круглосуточно. Заявки, поступившие после окончания рабочего дня, обрабатываются на следующий рабочий день.
Минимальная сумма заказа для доставки составляет 3000 рублей. Самовывоз со склада возможен на любую сумму при наличии товара.
ООО «УралТехГрупп»
ИНН: 7415093830
КПП: 772401001
ОГРН: 1167456069021
Банк: ПАО Сбербанк
Р/с: 40702810838000475273
К/с: 30101810400000000225
БИК: 044525225
У подшипника RCJTY35N пока нет отзывов. Вы можете стать первым покупателем, поделившимся своим мнением.