Поиск подшипника
Статьи
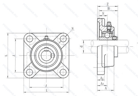
UCF211D1 — Корпус подшипника, модификация основного исполнения UCF211, выпускается производителями: NSK, NTN.
Размер подшипника: 55x162x64 мм.
Не требующий обслуживания тип.
Альтернативное обозначение: 56211 + FG211S,FG56211,FY55TF,GYE55KRRB + CJ11,RCJY55,UC211 + F211,YAR211-2F + FY511M.
Аналоги: UCF211JD1 NTN,UCF.211 SNR,UCF211 PTN,UCF211 LDI,UCF211 LDK.
Международная стандартизации ISO
UCF211D1
В наличии
| Обозначение | Конструктивные изменения |
|---|---|
| UCF211-34 | 2.1/8. |
| UCF211-35 | 2.3/16. |
| UCF211-32 | 02. |
| UCF211 | Корпус подшипника. Основное конструктивное исполнение. |
| UCF211J | Дорожки качения наружного кольца. угол контакта и ширина наружного кольца в соответствии с ISO. |
| UCF211PSS | Корпус подшипника. |
| UCF211N | Канавка под стопорное кольцо на внешнем кольце. |
| UCF211L3 | Тройное манжетное уплотнение для вкладыша подшипника. |
| UCF211-33 | 2.1/16. |
| UCF211SS | Подшипник из нержавеющей стали. |
| UCF211-32L3/AS2P | 1/4 Full. Смазка Aeroshell 7. Диапазон от –10°C до 110°C.. |
| UCF211-J7 | Наилучшая посадка в корпусе. |
| UCF211L | Одно механическое уплотнение. |
| UCF211-203 | 2.3/16. |
| UCF211-32-J7 | Наилучшая посадка в корпусе. 2. |
| UCF211/H | Более высокая стабильность и лучший баланс нагрузки, чем в стандартной комплектации. Для шарикоподшипниковых узлов UC/Угол установочных винтов 120° вместо 62°. |
| UCF211-35-TRL | 2.3/16. Triple Lip Seal. |
| UCF211-32-TRL | 2. Triple Lip Seal. |
| UCF211-35-J7 | Наилучшая посадка в корпусе. 2.3/16. |
| UCF211JD1 | Корпус подшипникового узла. С допуском сферического отверстия J. Подходит для корпуса диаметром до 100 мм.. Канавка и смазочные отверстия на наружном кольце. |
| UCF211LJ | Корпус подшипникового узла. С допуском сферического отверстия J. Подходит для корпуса диаметром до 100 мм.. |
| UCF211-33-J7 | Наилучшая посадка в корпусе. 2.1/16. |
| UCF211-34-J7 | Наилучшая посадка в корпусе. 2.1/8. |
| UCF211-32L3 | Тройное манжетное уплотнение для вкладыша подшипника. 2. |
| UCF211HT2 | Heat-Stabilized Up To 270°C. |
Модификации корпуса подшипника UCF211D1 — это измененное основное конструктивное исполнение UCF211, основные размеры (55x162x64) не отличаются.
| Обозначение | Гост | Конструктивные особенности |
|---|---|---|
| SF2.3/16 | ISO | Размерные и геометрические допуски соответствуют классу точности P6. 01. |
| F56211.203 | ISO | 2.3/16. |
| FY55TF/VA201 | ISO | Корпусный подшипник со стопорными винтами. серии YAR2. стандартное уплотнение и простой масло отражатель с каждой стороны. Подшипник для высокотемпературных применений (например. печных тележек). |
| FY55TF/VA228 | ISO | Bearing With A “Coronet” Cage Of Graphite For Temperatures -150°C/+350°C. Корпусный подшипник со стопорными винтами. серии YAR2. стандартное уплотнение и простой масло отражатель с каждой стороны. |
| FY2.3/16TF | ISO | Корпусный подшипник со стопорными винтами. серии YAR2. стандартное уплотнение и простой масло отражатель с каждой стороны. Размерные и геометрические допуски соответствуют классу точности P6. |
| RCJY55-XL | ISO | Серия X-Life премиум-класс. увеличиный срок службы. |
| FG56211.203 | ISO | 2.3/16. |
| FY511+479211D | ISO | Housing Of Spheroidal Graphite Cast Iron. |
| FY55TF | ISO | Корпусный подшипник со стопорными винтами. серии YAR2. стандартное уплотнение и простой масло отражатель с каждой стороны. |
| FY55TR | ISO | Y-подшипник серии YAR2-2RF (внутреннее кольцо расширенное с обеих сторон. Фиксация с помощью стопорного винта). Стандартное уплотнение и прорезиненный фланец с каждой стороны. |
| 56211 | ISO | Корпус подшипника. |
| FY55TF/VA208 | ISO | Корпусный подшипник со стопорными винтами. серии YAR2. стандартное уплотнение и простой масло отражатель с каждой стороны. Подшипник для применения при высоких температурах, подходит для 350°C (графитовый сепаратор) и 100 об/мин. |
| SF2.3/16HLT | ISO | Высоко- и низкотемпературные подшипниковые вкладыши. |
| FY2.3/16TF/VA228 | ISO | Bearing With A “Coronet” Cage Of Graphite For Temperatures -150°C/+350°C. Корпусный подшипник со стопорными винтами. серии YAR2. стандартное уплотнение и простой масло отражатель с каждой стороны. |
| Y/UCF211/H | ISO | Более высокая стабильность и лучший баланс нагрузки, чем в стандартной комплектации. Для шарикоподшипниковых узлов UC/Угол установочных винтов 120° вместо 62°. |
| RCJY55-XL-I | ISO | Серия X-Life премиум-класс. увеличиный срок службы. Смазочный ниппель дюймового размера R 1/8 дюйма. |
| FY203S | ISO | Запечатанная версия кулачкового ролика. |
| RCJY2.3/16 | ISO | Размерные и геометрические допуски соответствуют классу точности P6. 01. |
| RCJY55C3 | ISO | Внутренний зазор больше нормального. |
| SF55HLT | ISO | Высоко- и низкотемпературные подшипниковые вкладыши. |
| FWS55U | ISO | Set Screw Mounting. |
Аналог корпуса подшипника UCF211D1 — это подшипник такого же размера dx55,Dx162,Bx64, типа и конструкции.
Способы доставки
Отправка через ведущие транспортные и курьерские компании: ПЭК, Деловые Линии, СДЭК, Байкал-Сервис, Энергия, КИТ, ЖелДорЭкспедиция.
Самовывоз возможен напрямую со склада в Москве.
Сроки доставки
Срок зависит от региона и выбранной транспортной компании. Все заказы комплектуются и отправляются в кратчайшие сроки со склада в Москве.
Надёжность и сохранность
Вся продукция упаковывается с учётом требований транспортировки. Мы гарантируем, что подшипники и комплектующие прибудут к заказчику в полной сохранности.
Доставка в страны ЕАЭС
Мы работаем с проверенными логистическими партнёрами, что позволяет оперативно доставлять заказы в Беларусь, Казахстан, Армению и другие страны ЕАЭС.
Варианты оплаты:
Минимальная сумма заказа и скидки:
Документы и гарантии:
Да, конечно! Наши технические специалисты готовы помочь вам с подбором точного аналога или замены подшипника. Просто позвоните нам по телефону +7 (495) 104-99-04 или напишите на почту zakaz@podsnab.ru.
Для оперативной консультации подготовьте, пожалуйста, имеющиеся данные: маркировку, размеры, тип оборудования или артикул старого подшипника.
Да, конечно! Мы высоко ценим долгосрочное сотрудничество и доверие клиентов по всей России. Для постоянных клиентов действует персональная система скидок.
Условия формируются индивидуально и зависят от:
Чтобы узнать свои условия и получить максимально выгодное предложение, свяжитесь с персональным менеджером или напишите нам на почту zakaz@podsnab.ru.
Вы можете оформить заказ несколькими способами:
Для оформления заказа от юридического лица свяжитесь с нашим отделом по работе с корпоративными клиентами по телефону +7 (495) 104-99-04 или напишите на email zakaz@podsnab.ru, прикрепив реквизиты вашей организации.
Мы оперативно подготовим коммерческое предложение и выставим счет.
Возврат товара надлежащего качества возможен в течение 10 дней с момента получения, если товар не был в употреблении, сохранен товарный вид, упаковка не вскрывалась и присутствуют все сопроводительные документы.
Возврат денежных средств осуществляется в течение 10 рабочих дней после проверки товара складом.
В соответствии с законодательством возврату не подлежат подшипники надлежащего качества, если отсутствует оригинальная упаковка или имеются следы монтажа.
В случае выявления брака или гарантийного случая мы гарантируем возврат или обмен товара.
Да, гарантийный срок хранения устанавливается заводом-изготовителем и в среднем составляет 2 года при соблюдении условий хранения: сухое помещение, оригинальная упаковка и смазка.
Точный срок для конкретного типа подшипника уточняйте у наших менеджеров.
Пн–Пт: с 8:00 до 17:00 (МСК).
Сб–Вс: выходные дни.
Заказы на сайте принимаются круглосуточно. Заявки, поступившие после окончания рабочего дня, обрабатываются на следующий рабочий день.
Минимальная сумма заказа для доставки составляет 3000 рублей. Самовывоз со склада возможен на любую сумму при наличии товара.
ООО «УралТехГрупп»
ИНН: 7415093830
КПП: 772401001
ОГРН: 1167456069021
Банк: ПАО Сбербанк
Р/с: 40702810838000475273
К/с: 30101810400000000225
БИК: 044525225
У подшипника UCF211D1 пока нет отзывов. Вы можете стать первым покупателем, поделившимся своим мнением.