Поиск подшипника
Статьи
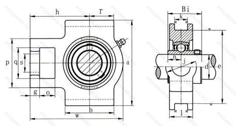
UCT207D1 — Корпус подшипника, модификация основного исполнения UCT207, выпускается производителями: NSK, NTN.
Размер подшипника: 35x129x35 мм.
Натяжной подшипниковый узел, соответствующий JIS, фиксация с помощью установочных винтов, не требующий обслуживания тип.
Альтернативное обозначение: UC207 + T207.
Аналоги: RTUEY35 INA,ST35 RHP,TU35TF SKF,UCT207 SNR,UCT207 Nachi,M-UCT207D1 NTN,M-UCT207JD1 NTN,UCT207 Asahi,UCT207 FK,UCT207 FS,UCT207 KDF,UCT207 PTN,UCT207 ARK,SAT207 ARK,UCT207 ISB,UCT207 LDK.
Международная стандартизации ISO
UCT207D1
В наличии
| Обозначение | Конструктивные изменения |
|---|---|
| UCT207J | Дорожки качения наружного кольца. угол контакта и ширина наружного кольца в соответствии с ISO. |
| UCT207-104D1 | Корпус подшипника. |
| UCT207 | Корпус подшипника. Основное конструктивное исполнение. |
| UCT207-22 | 1.3/8. |
| UCT207-20 | Distance Between Beginning Of The Rail And First Hole In MM. |
| UCT207-23 | 1.7/16. |
| UCT207-21 | 1.5/16. |
| UCT207-J7 | Наилучшая посадка в корпусе. |
| UCT207N | Канавка под стопорное кольцо на внешнем кольце. |
| UCT207/H | Более высокая стабильность и лучший баланс нагрузки, чем в стандартной комплектации. Для шарикоподшипниковых узлов UC/Угол установочных винтов 120° вместо 62°. |
| UCT207SS | Две резиновые защитные шайбы. |
| UCT207-20-17/32 | 1.1/4. K-Dimension. |
| UCT207-22-J7 | Наилучшая посадка в корпусе. 1.3/8. |
| UCT207-20-J7 | Distance Between Beginning Of The Rail And First Hole In MM. Наилучшая посадка в корпусе. |
| UCT207-23-J7 | Наилучшая посадка в корпусе. 1.7/16. |
| UCT207R3 | Уплотнение состоит из металлического колпачка и синтетического каучука.. |
| UCT207-107D1 | Канавка и смазочные отверстия на наружном кольце. |
| UCT207-21-J7 | 1.5/16. Наилучшая посадка в корпусе. |
Модификации корпуса подшипника UCT207D1 — это измененное основное конструктивное исполнение UCT207, основные размеры (35x129x35) не отличаются.
| Обозначение | Гост | Конструктивные особенности |
|---|---|---|
| RTUEY35 | ISO | Корпус подшипника. |
| PTUE35 | ISO | Корпус подшипника. |
| ST35EC | ISO | Эксцентриковый кольцевой замок с внутренним кольцом заподлицо с одной стороны. |
| UC207 | ISO | Угол контакта 20 градусов. |
| TU35FM | ISO | Y-образный подшипник серии YET2 (внутреннее кольцо выдвинуто с одной стороны. Эксцентриковая стопорная втулка). Стандартное уплотнение без фланца с каждой стороны. |
| ST35 | ISO | Корпус подшипника. |
| TU35TF | ISO | Корпусный подшипник со стопорными винтами. серии YAR2. стандартное уплотнение и простой масло отражатель с каждой стороны. |
| T16207 | ISO | Корпус подшипника. |
| M-UCT207JD1 | ISO | Корпус подшипникового узла. С допуском сферического отверстия J. Подходит для корпуса диаметром до 100 мм.. Канавка и смазочные отверстия на наружном кольце. |
| SAT207 | ISO | Корпус подшипника. |
| EST207 | ISO | Корпус подшипника. |
Аналог корпуса подшипника UCT207D1 — это подшипник такого же размера dx35,Dx129,Bx35, типа и конструкции.
Способы доставки
Отправка через ведущие транспортные и курьерские компании: ПЭК, Деловые Линии, СДЭК, Байкал-Сервис, Энергия, КИТ, ЖелДорЭкспедиция.
Самовывоз возможен напрямую со склада в Москве.
Сроки доставки
Срок зависит от региона и выбранной транспортной компании. Все заказы комплектуются и отправляются в кратчайшие сроки со склада в Москве.
Надёжность и сохранность
Вся продукция упаковывается с учётом требований транспортировки. Мы гарантируем, что подшипники и комплектующие прибудут к заказчику в полной сохранности.
Доставка в страны ЕАЭС
Мы работаем с проверенными логистическими партнёрами, что позволяет оперативно доставлять заказы в Беларусь, Казахстан, Армению и другие страны ЕАЭС.
Варианты оплаты:
Минимальная сумма заказа и скидки:
Документы и гарантии:
Да, конечно! Наши технические специалисты готовы помочь вам с подбором точного аналога или замены подшипника. Просто позвоните нам по телефону +7 (495) 104-99-04 или напишите на почту zakaz@podsnab.ru.
Для оперативной консультации подготовьте, пожалуйста, имеющиеся данные: маркировку, размеры, тип оборудования или артикул старого подшипника.
Да, конечно! Мы высоко ценим долгосрочное сотрудничество и доверие клиентов по всей России. Для постоянных клиентов действует персональная система скидок.
Условия формируются индивидуально и зависят от:
Чтобы узнать свои условия и получить максимально выгодное предложение, свяжитесь с персональным менеджером или напишите нам на почту zakaz@podsnab.ru.
Вы можете оформить заказ несколькими способами:
Для оформления заказа от юридического лица свяжитесь с нашим отделом по работе с корпоративными клиентами по телефону +7 (495) 104-99-04 или напишите на email zakaz@podsnab.ru, прикрепив реквизиты вашей организации.
Мы оперативно подготовим коммерческое предложение и выставим счет.
Возврат товара надлежащего качества возможен в течение 10 дней с момента получения, если товар не был в употреблении, сохранен товарный вид, упаковка не вскрывалась и присутствуют все сопроводительные документы.
Возврат денежных средств осуществляется в течение 10 рабочих дней после проверки товара складом.
В соответствии с законодательством возврату не подлежат подшипники надлежащего качества, если отсутствует оригинальная упаковка или имеются следы монтажа.
В случае выявления брака или гарантийного случая мы гарантируем возврат или обмен товара.
Да, гарантийный срок хранения устанавливается заводом-изготовителем и в среднем составляет 2 года при соблюдении условий хранения: сухое помещение, оригинальная упаковка и смазка.
Точный срок для конкретного типа подшипника уточняйте у наших менеджеров.
Пн–Пт: с 8:00 до 17:00 (МСК).
Сб–Вс: выходные дни.
Заказы на сайте принимаются круглосуточно. Заявки, поступившие после окончания рабочего дня, обрабатываются на следующий рабочий день.
Минимальная сумма заказа для доставки составляет 3000 рублей. Самовывоз со склада возможен на любую сумму при наличии товара.
ООО «УралТехГрупп»
ИНН: 7415093830
КПП: 772401001
ОГРН: 1167456069021
Банк: ПАО Сбербанк
Р/с: 40702810838000475273
К/с: 30101810400000000225
БИК: 044525225
У подшипника UCT207D1 пока нет отзывов. Вы можете стать первым покупателем, поделившимся своим мнением.