Поиск подшипника
Статьи
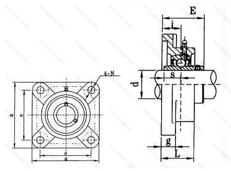
UCFL206D1 — Корпус подшипника, модификация основного исполнения UCFL206, выпускается производителями: NSK, NTN.
Размер подшипника: 30x148x40 мм.
Не требующий обслуживания тип.
Альтернативное обозначение: FYTBJ30TF, UC206D1 + FL206D1.
Аналоги: UCFL206 LDK,UCFL206E JIB,UCFL206 GDB,UCFL206 KG,UCFL206 KSB.
Международная стандартизации ISO
UCFL206D1
В наличии
| Обозначение | Конструктивные изменения |
|---|---|
| UCFL.206 | Корпус подшипника. |
| UCFL206-18 | 18° Угол контакта. |
| UCFL206-20 | Distance Between Beginning Of The Rail And First Hole In MM. |
| UCFL206-19 | 1.3/16. |
| UCFL206PSS | Корпус подшипника. |
| UCFL206HT2 | Heat-Stabilized Up To 270°C. |
| UCFL206SS | Две резиновые защитные шайбы. |
| UCFL206J | Дорожки качения наружного кольца. угол контакта и ширина наружного кольца в соответствии с ISO. |
| UCFL206/H | Pressed Snap-Type Steel Cage. Hardened. |
| UCFL206A | Двухрядный радиально-упорный шарикоподшипник без отверстия для смазки. |
| UCFL206N AV2S | Канавка под стопорное кольцо на внешнем кольце. Lubricant. Shell Oil Co.. Alvania #2 Grease. 1/4 Full. Temperature Range = -10°C / + 110°C (Normal Temperature Grease). |
| UCFL206RST | Корпус подшипника. |
| UCFL206C-674812 | Подшипник SB из хромированной легированной стали, потайные винты, блокировка вала. Open Cap Unit. |
| UCFL206-J7 | Наилучшая посадка в корпусе. |
| UCFL206E1 | Machined For Stamped Cover. |
| UCFL206C | Open Sheet Cover Or Cast Iron Cover. |
| UCFL206-18-J7 | 18° Угол контакта. Наилучшая посадка в корпусе. |
| UCFL206-20-J7 | Distance Between Beginning Of The Rail And First Hole In MM. Наилучшая посадка в корпусе. |
| UCFL206-104 | 1.1/4. |
| UCFL206JE | Отклонение в размере. Шарикоподшипниковый узел. Допуск сферического внутреннего диаметра корпуса. |
| UCFL206 HT | High Temperature (-40°C to 200°C). |
| UCFL206INOX | Нержавеющая сталь. |
| UCFL206-19-J7 | 1.3/16. Наилучшая посадка в корпусе. |
| UCFL206-17-J7 | 1.1/16. Наилучшая посадка в корпусе. |
| UCFL206KNST/S6/WHITE+PRO | Нержавеющая сталь. Colour Of The Housing. Polyamide. |
Модификации корпуса подшипника UCFL206D1 — это измененное основное конструктивное исполнение UCFL206, основные размеры (30x148x40) не отличаются.
| Обозначение | Гост | Конструктивные особенности |
|---|---|---|
| UCFL.206 | ISO | Корпус подшипника. |
| SPUCFL206 | ISO | Корпус подшипника. |
| SSUCFL206 | ISO | Корпус подшипника. |
| FYTL1.3/16THR | ISO | Размерные и геометрические допуски соответствуют классу точности P6. SKF Food Line Y - подшипник со стопорными винтами. Серия YAR. Изготовлено из нержавеющей стали. Смазочная канавка на одной стороне стопорного устройства. |
| FYTL30THR | ISO | SKF Food Line Y - подшипник со стопорными винтами. Серия YAR. Изготовлено из нержавеющей стали. Смазочная канавка на одной стороне стопорного устройства. |
| MUCFL206AAFD | ISO | Совместимая с пищевыми продуктами смазка-наполнитель. |
| F2B/SCEZ/30MCR | ISO | Миллиметр. Подшипниковая вставка устойчива к коррозии. |
| Y/UCFL206/H | ISO | Более высокая стабильность и лучший баланс нагрузки, чем в стандартной комплектации. Для шарикоподшипниковых узлов UC/Угол установочных винтов 120° вместо 62°. |
| SSUCFT206-19 | ISO | 1.3/16. |
| 68349 | ISO | Корпус подшипника. |
| SSUCFL206P | ISO | Сеаратор из литого полиамида 6.6. армированного стекловолокном. |
| UC206D1 | ISO | Канавка и смазочные отверстия на наружном кольце. |
Аналог корпуса подшипника UCFL206D1 — это подшипник такого же размера dx30,Dx148,Bx40, типа и конструкции.
Способы доставки
Отправка через ведущие транспортные и курьерские компании: ПЭК, Деловые Линии, СДЭК, Байкал-Сервис, Энергия, КИТ, ЖелДорЭкспедиция.
Самовывоз возможен напрямую со склада в Москве.
Сроки доставки
Срок зависит от региона и выбранной транспортной компании. Все заказы комплектуются и отправляются в кратчайшие сроки со склада в Москве.
Надёжность и сохранность
Вся продукция упаковывается с учётом требований транспортировки. Мы гарантируем, что подшипники и комплектующие прибудут к заказчику в полной сохранности.
Доставка в страны ЕАЭС
Мы работаем с проверенными логистическими партнёрами, что позволяет оперативно доставлять заказы в Беларусь, Казахстан, Армению и другие страны ЕАЭС.
Варианты оплаты:
Минимальная сумма заказа и скидки:
Документы и гарантии:
Да, конечно! Наши технические специалисты готовы помочь вам с подбором точного аналога или замены подшипника. Просто позвоните нам по телефону +7 (495) 104-99-04 или напишите на почту zakaz@podsnab.ru.
Для оперативной консультации подготовьте, пожалуйста, имеющиеся данные: маркировку, размеры, тип оборудования или артикул старого подшипника.
Да, конечно! Мы высоко ценим долгосрочное сотрудничество и доверие клиентов по всей России. Для постоянных клиентов действует персональная система скидок.
Условия формируются индивидуально и зависят от:
Чтобы узнать свои условия и получить максимально выгодное предложение, свяжитесь с персональным менеджером или напишите нам на почту zakaz@podsnab.ru.
Вы можете оформить заказ несколькими способами:
Для оформления заказа от юридического лица свяжитесь с нашим отделом по работе с корпоративными клиентами по телефону +7 (495) 104-99-04 или напишите на email zakaz@podsnab.ru, прикрепив реквизиты вашей организации.
Мы оперативно подготовим коммерческое предложение и выставим счет.
Возврат товара надлежащего качества возможен в течение 10 дней с момента получения, если товар не был в употреблении, сохранен товарный вид, упаковка не вскрывалась и присутствуют все сопроводительные документы.
Возврат денежных средств осуществляется в течение 10 рабочих дней после проверки товара складом.
В соответствии с законодательством возврату не подлежат подшипники надлежащего качества, если отсутствует оригинальная упаковка или имеются следы монтажа.
В случае выявления брака или гарантийного случая мы гарантируем возврат или обмен товара.
Да, гарантийный срок хранения устанавливается заводом-изготовителем и в среднем составляет 2 года при соблюдении условий хранения: сухое помещение, оригинальная упаковка и смазка.
Точный срок для конкретного типа подшипника уточняйте у наших менеджеров.
Пн–Пт: с 8:00 до 17:00 (МСК).
Сб–Вс: выходные дни.
Заказы на сайте принимаются круглосуточно. Заявки, поступившие после окончания рабочего дня, обрабатываются на следующий рабочий день.
Минимальная сумма заказа для доставки составляет 3000 рублей. Самовывоз со склада возможен на любую сумму при наличии товара.
ООО «УралТехГрупп»
ИНН: 7415093830
КПП: 772401001
ОГРН: 1167456069021
Банк: ПАО Сбербанк
Р/с: 40702810838000475273
К/с: 30101810400000000225
БИК: 044525225
У подшипника UCFL206D1 пока нет отзывов. Вы можете стать первым покупателем, поделившимся своим мнением.