Поиск подшипника
Статьи
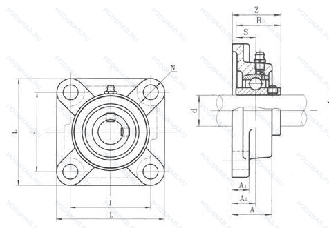
UCF207-22 — Корпус подшипника, модификация основного исполнения UCF207, выпускается производителями: ASAHI, FBJ, FELSTROM, FK, FYH, IPTCI, NBR, NEUTRAL, PEER, SKF, TIMKEN, ZKL.
Размер подшипника: 34x118x46 мм.
1.3/8.
Альтернативное обозначение: F56207.106, FY1.3/8TF, UC207-22 + F207, YAR207-106-2F + FY507M.
Аналоги: FY1.3/8TF SKF,UCF207-22 FK.
Международная стандартизации ISO
UCF20722
В наличии
| Обозначение | Конструктивные изменения |
|---|---|
| UCF207J | Дорожки качения наружного кольца. угол контакта и ширина наружного кольца в соответствии с ISO. |
| UCF207A | Двухрядный радиально-упорный шарикоподшипник без отверстия для смазки. |
| UCF207SS | Подшипник из нержавеющей стали. |
| UCF207-20J | Шарикоподшипниковый узел. Допуск сферического внутреннего диаметра корпуса. 1.1/4. |
| UCF207-23-J7 | Наилучшая посадка в корпусе. 1.7/16. |
| UCF207RR/AV2S | Lubricant. Shell Oil Co.. Alvania #2 Grease. 1/4 Full. Temperature Range = -10°C / + 110°C (Normal Temperature Grease). С выпуклыми асимметричными роликами. Обработанный сепаратор штыревого типа из медного сплава. С центральным ребром. С ребрами с двух сторон (для предотвращения падения роликов). |
| UCF207C | Подшипник SB из хромированной легированной стали, потайные винты, блокировка вала. |
| UCF207C+674522 | Подшипник SB из хромированной легированной стали, потайные винты, блокировка вала. Closed Unit. |
| UCF207-106D1 | Канавка и смазочные отверстия на наружном кольце. 1.3/8. |
| UCF207-106 | 1.3/8. |
| UCF207-20-J7 | 1.1/4. Наилучшая посадка в корпусе. |
| UCF207/H | Более высокая стабильность и лучший баланс нагрузки, чем в стандартной комплектации. Для шарикоподшипниковых узлов UC/Угол установочных винтов 120° вместо 62°. |
| UCF207C4HR5 | Internal Clearance is C4 - Max Bearing Operating Temp = 392 ̊F (200℃). - Yukon Super-Lube No. 3 / Oil Research Industrial. Ltd. - Soap Based (Compound) - Max. Operating Temperatures Of The Grease..............+392 ̊F (+200℃). |
| UCF207H1/S6 | Stainless Steel Cast Steel Model (SCS13). Нержавеющая сталь. |
| UCF207-23P | Пластиковый корпус. 1.7/16. |
| UCF207-107 | 1.7/16. |
| UCF207J-20 | Дорожки качения наружного кольца. угол контакта и ширина наружного кольца в соответствии с ISO. 1.1/4. |
| UCF207-105 | Осевой зазор в мкм. |
| UCF207HT2 | Heat-Stabilized Up To 270°C. |
| UCF207R | С выпуклыми асимметричными роликами и обработанным сепаратором. |
| UCF207K | Коническое отверстие. Конусность 1/12. |
| UCF207N AV2S | Канавка под стопорное кольцо на внешнем кольце. Lubricant. Shell Oil Co.. Alvania #2 Grease. 1/4 Full. Temperature Range = -10°C / + 110°C (Normal Temperature Grease). |
| Y/UCF207 | Сепаратор из прессованной латуни. Центрирование шарика. |
| UCF207-21-J7 | 1.5/16. Наилучшая посадка в корпусе. |
| UCF207-22-J7 | Наилучшая посадка в корпусе. 1.3/8. |
Модификации корпуса подшипника UCF207-22 — это измененное основное конструктивное исполнение UCF207, основные размеры (34x118x46) не отличаются.
| Обозначение | Гост | Конструктивные особенности |
|---|---|---|
| PCF35-XL | ISO | Серия X-Life премиум-класс. увеличиный срок службы. |
| RCJY35-XL-N | ISO | Серия X-Life премиум-класс. увеличиный срок службы. Чугунный корпус с подрезной прорезью для торцевых колпачков. |
| FY1.3/8RM | ISO | Размерные и геометрические допуски соответствуют классу точности P6. Y-образный подшипник серии YAT2 (внутреннее кольцо. удлиненное с одной стороны. Стопорный винт). Стандартное уплотнение без маслоотражательного кольца с каждой стороны. |
| M-UCF207D1 | ISO | Канавка и смазочные отверстия на наружном кольце. |
| FY1.3/8TF | ISO | Корпусный подшипник со стопорными винтами. серии YAR2. стандартное уплотнение и простой масло отражатель с каждой стороны. Размерные и геометрические допуски соответствуют классу точности P6. |
| FY35TF | ISO | Корпусный подшипник со стопорными винтами. серии YAR2. стандартное уплотнение и простой масло отражатель с каждой стороны. |
| FYK35TF | ISO | Корпусный подшипник со стопорными винтами. серии YAR2. стандартное уплотнение и простой масло отражатель с каждой стороны. |
| FYK35TR | ISO | Y-подшипник серии YAR2-2RF (внутреннее кольцо расширенное с обеих сторон. Фиксация с помощью стопорного винта). Стандартное уплотнение и прорезиненный фланец с каждой стороны. |
| FYKC35NTH | ISO | Y-Bearing Of Series YAR2-2RF/HV (Inner Ring Extended At Both Sides. Grub Screw Locking). Standard Seal And Rubberized Flinger At Each Side. Stainless Steel Bearing. |
| FY1.5/16TF | ISO | Корпусный подшипник со стопорными винтами. серии YAR2. стандартное уплотнение и простой масло отражатель с каждой стороны. Distance Between Beginning Of The Rail And First Hole In MM. |
| FY35TR/W64F | ISO | W64 (Segment Lubrication. Code 1)=Solid Oil Filling And F (Food Compatible Grease. 62 cSt at 40°C 10.1 cSt at 100°C). |
| Y/UCF207/H | ISO | Более высокая стабильность и лучший баланс нагрузки, чем в стандартной комплектации. Для шарикоподшипниковых узлов UC/Угол установочных винтов 120° вместо 62°. |
| FY35TDW | ISO | Insert Bearing With Grub Screws. YARAG 2 Series. |
| M-UCF207JD1 | ISO | Корпус подшипникового узла. С допуском сферического отверстия J. Подходит для корпуса диаметром до 100 мм.. Канавка и смазочные отверстия на наружном кольце. |
| RCJY35-N | ISO | Чугунный корпус с подрезной прорезью для торцевых колпачков. |
| YCJ35PT | ISO | Сборки из полимера Survivor. |
| SF1.3/8 | ISO | Размерные и геометрические допуски соответствуют классу точности P6. Средний предварительный натяг. |
| RCJY1.3/8 | ISO | Размерные и геометрические допуски соответствуют классу точности P6. Средний предварительный натяг. |
| FYKC35NTR/VE495 | ISO | Внутренние и внешние кольца с цинковым покрытием и заслонки из нержавеющей стали. Заполнены нетоксичной (пищевой) смазкой. Y-Bearing Of Series YAR2-2RFG (Inner Ring Extended At Both Sides. Grub Screw Locking). Bearing Outer Ring With Lubrication Groove. Standard Seal And Rubberized Flinger At Each Side. Non-Toxic Grease Fill. |
| SF35GP | ISO | Special Outer Diameter. |
Аналог корпуса подшипника UCF207-22 — это подшипник такого же размера dx34,Dx118,Bx46, типа и конструкции.
Способы доставки
Отправка через ведущие транспортные и курьерские компании: ПЭК, Деловые Линии, СДЭК, Байкал-Сервис, Энергия, КИТ, ЖелДорЭкспедиция.
Самовывоз возможен напрямую со склада в Москве.
Сроки доставки
Срок зависит от региона и выбранной транспортной компании. Все заказы комплектуются и отправляются в кратчайшие сроки со склада в Москве.
Надёжность и сохранность
Вся продукция упаковывается с учётом требований транспортировки. Мы гарантируем, что подшипники и комплектующие прибудут к заказчику в полной сохранности.
Доставка в страны ЕАЭС
Мы работаем с проверенными логистическими партнёрами, что позволяет оперативно доставлять заказы в Беларусь, Казахстан, Армению и другие страны ЕАЭС.
Варианты оплаты:
Минимальная сумма заказа и скидки:
Документы и гарантии:
Да, конечно! Наши технические специалисты готовы помочь вам с подбором точного аналога или замены подшипника. Просто позвоните нам по телефону +7 (495) 104-99-04 или напишите на почту zakaz@podsnab.ru.
Для оперативной консультации подготовьте, пожалуйста, имеющиеся данные: маркировку, размеры, тип оборудования или артикул старого подшипника.
Да, конечно! Мы высоко ценим долгосрочное сотрудничество и доверие клиентов по всей России. Для постоянных клиентов действует персональная система скидок.
Условия формируются индивидуально и зависят от:
Чтобы узнать свои условия и получить максимально выгодное предложение, свяжитесь с персональным менеджером или напишите нам на почту zakaz@podsnab.ru.
Вы можете оформить заказ несколькими способами:
Для оформления заказа от юридического лица свяжитесь с нашим отделом по работе с корпоративными клиентами по телефону +7 (495) 104-99-04 или напишите на email zakaz@podsnab.ru, прикрепив реквизиты вашей организации.
Мы оперативно подготовим коммерческое предложение и выставим счет.
Возврат товара надлежащего качества возможен в течение 10 дней с момента получения, если товар не был в употреблении, сохранен товарный вид, упаковка не вскрывалась и присутствуют все сопроводительные документы.
Возврат денежных средств осуществляется в течение 10 рабочих дней после проверки товара складом.
В соответствии с законодательством возврату не подлежат подшипники надлежащего качества, если отсутствует оригинальная упаковка или имеются следы монтажа.
В случае выявления брака или гарантийного случая мы гарантируем возврат или обмен товара.
Да, гарантийный срок хранения устанавливается заводом-изготовителем и в среднем составляет 2 года при соблюдении условий хранения: сухое помещение, оригинальная упаковка и смазка.
Точный срок для конкретного типа подшипника уточняйте у наших менеджеров.
Пн–Пт: с 8:00 до 17:00 (МСК).
Сб–Вс: выходные дни.
Заказы на сайте принимаются круглосуточно. Заявки, поступившие после окончания рабочего дня, обрабатываются на следующий рабочий день.
Минимальная сумма заказа для доставки составляет 3000 рублей. Самовывоз со склада возможен на любую сумму при наличии товара.
ООО «УралТехГрупп»
ИНН: 7415093830
КПП: 772401001
ОГРН: 1167456069021
Банк: ПАО Сбербанк
Р/с: 40702810838000475273
К/с: 30101810400000000225
БИК: 044525225
У подшипника UCF207-22 пока нет отзывов. Вы можете стать первым покупателем, поделившимся своим мнением.