Поиск подшипника
Статьи
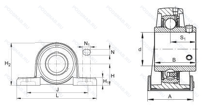
UCP205-15 — Корпус подшипника, модификация основного исполнения UCP205, выпускается производителями: FELSTROM, FSQ, FYH, NBR, NEUTRAL, SKF, ZKL.
Размер подшипника: 23x139x36 мм.
Distance between beginning of the rail and first hole in mm.
Альтернативное обозначение: SYF15/16TF, UC205-15 + P205, YAR205-015-2F + SY505U.
Аналоги: SY15/16TF SKF.
Международная стандартизации ISO
UCP20515
В наличии
| Обозначение | Конструктивные изменения |
|---|---|
| UCP205N AV2S | Канавка под стопорное кольцо на внешнем кольце. Lubricant. Shell Oil Co.. Alvania #2 Grease. 1/4 Full. Temperature Range = -10°C / + 110°C (Normal Temperature Grease). |
| UCP205L+NP | Одно механическое уплотнение. Lip Seal On One Side (P Type - One Zinc-Plated Sheet Steel Washer With Intermediate NBR Part. Seal Lip Axially Preloaded). |
| UCP205 AV2 | Lubricant. Shell Oil Co.. Alvania #2 Grease. 1/4 Full. Temperature Range = -10°C / + 110°C (Normal Temperature Grease). |
| UCP205/AS2P | 1/4 Full. Смазка Aeroshell 7. Диапазон от –10°C до 110°C.. |
| UCP205C-25-PA-CLOSED | Подшипник SB из хромированной легированной стали, потайные винты, блокировка вала. Distance Between Beginning Of The Rail And First Hole In MM. Polyamide PA6.6 Glass Fibre Reinforced. Roller Guided. Window Type Cage Extruded. |
| UCP205J T2 | Шарикоподшипниковый узел. Допуск сферического внутреннего диаметра корпуса. Ball Bearing Unit. Special Heat Treatment Bearing *Inner Ring Eccentric Area Is Hardened. |
| UCP205J P2 | Шарикоподшипниковый узел. Допуск сферического внутреннего диаметра корпуса. Two Grease Nipples On The Housing. |
| UCP205PP | Thermo Plastic. |
| UCP205PP SS | Пластиковый корпус. Нержавеющая сталь. |
| UCP205-14D1 | Стандартная консистентная смазка Alvania Grease 3. |
| UCP205C4 X28 T3 | Внутренний зазор подшипника больше. чем C3. Внутреннее и наружное кольца термостабилизированы до 200°C. For Highly Rigid Guide Systems Such As Precision Machine Tools Or Injection Mould Clamping Units. Above-Average Loads And Moments Are Absorbed With Lowest-Possible Elastic Deforma- Tion. Version With Preload T3 Only Available In Accuracy Classes P1. P01 And P001. |
| UCP205/H | Более высокая стабильность и лучший баланс нагрузки, чем в стандартной комплектации. Для шарикоподшипниковых узлов UC/Угол установочных винтов 120° вместо 62°. |
| UCP205C4HR5 | Internal Clearance is C4 - Max Bearing Operating Temp = 392 ̊F (200℃). - Yukon Super-Lube No. 3 / Oil Research Industrial. Ltd. - Soap Based (Compound) - Max. Operating Temperatures Of The Grease..............+392 ̊F (+200℃). |
| UCP205R | Units Are Made In RHP Factories. |
| UCP205D1 X AS3S | Стандартное заполнение. Измененные размеры границ. введенные пересмотренными стандартами ISO. Канавка и смазочные отверстия на наружном кольце. Смазка Shell Alvania S3, загуститель литиевый, базовое масло минеральное, температура от −10°C до +110°C.. |
| UCP205-16-PBT | 1. Корпус из термопластика. |
| UCP205-16-SP | Точность размеров примерно соответствует классу точности Р5. биения — классу точности Р4. 01. |
| UCP205C-646511 | Подшипник SB из хромированной легированной стали, потайные винты, блокировка вала. Closed Unit. |
| UCP205-100 | 1. |
| UCP205C | 15° Угол контакта. |
| UCP205HT2 | Heat-Stabilized Up To 270°C. |
| UCP205R45 | Grease Nipple Is Not On Top Of The Housing. But At An Angle Of 45 Degrees. |
| UCP205-14-J7 | Distance In MM From Beginning Of The Rail Till The First Hole. Наилучшая посадка в корпусе. |
| UCP205-13-J7 | Наилучшая посадка в корпусе. 13/16. |
| UCP205-16-J7 | Наилучшая посадка в корпусе. 1. |
Модификации корпуса подшипника UCP205-15 — это измененное основное конструктивное исполнение UCP205, основные размеры (23x139x36) не отличаются.
| Обозначение | Гост | Конструктивные особенности |
|---|---|---|
| SY15/16TF/W64 | ISO | Антифрикционный заполнитель. твердая смазка. Корпусный подшипник со стопорными винтами. серии YAR2. стандартное уплотнение и простой масло отражатель с каждой стороны. |
| SG56205.014 | ISO | 7/8. |
| SG56205.015 | ISO | 15/16. |
| SG16205.014 | ISO | 7/8. |
| SY15/16FM | ISO | Y-образный подшипник серии YET2 (внутреннее кольцо выдвинуто с одной стороны. Эксцентриковая стопорная втулка). Стандартное уплотнение без фланца с каждой стороны. |
| SY7/8TF | ISO | Корпусный подшипник со стопорными винтами. серии YAR2. стандартное уплотнение и простой масло отражатель с каждой стороны. |
| NP7/8 | ISO | Средний предварительный натяг. |
| SY7/8TM | ISO | Подшипник серии YAR2 (внутреннее кольцо выдвинуто с двух сторон. Фиксация с помощью винта). Без фланцев. |
| SYF7/8TF | ISO | Корпусный подшипник со стопорными винтами. серии YAR2. стандартное уплотнение и простой масло отражатель с каждой стороны. |
| SNP7/8 | ISO | Средний предварительный натяг. |
| P3-U214N | ISO | Стандартное манжетное уплотнение. |
| UCFL205-14-J7 | ISO | 7/8. Наилучшая посадка в корпусе. |
| UCFL205-15-J7 | ISO | 15/16. Наилучшая посадка в корпусе. |
Аналог корпуса подшипника UCP205-15 — это подшипник такого же размера dx23,Dx139,Bx36, типа и конструкции.
Способы доставки
Отправка через ведущие транспортные и курьерские компании: ПЭК, Деловые Линии, СДЭК, Байкал-Сервис, Энергия, КИТ, ЖелДорЭкспедиция.
Самовывоз возможен напрямую со склада в Москве.
Сроки доставки
Срок зависит от региона и выбранной транспортной компании. Все заказы комплектуются и отправляются в кратчайшие сроки со склада в Москве.
Надёжность и сохранность
Вся продукция упаковывается с учётом требований транспортировки. Мы гарантируем, что подшипники и комплектующие прибудут к заказчику в полной сохранности.
Доставка в страны ЕАЭС
Мы работаем с проверенными логистическими партнёрами, что позволяет оперативно доставлять заказы в Беларусь, Казахстан, Армению и другие страны ЕАЭС.
Варианты оплаты:
Минимальная сумма заказа и скидки:
Документы и гарантии:
Да, конечно! Наши технические специалисты готовы помочь вам с подбором точного аналога или замены подшипника. Просто позвоните нам по телефону +7 (495) 104-99-04 или напишите на почту zakaz@podsnab.ru.
Для оперативной консультации подготовьте, пожалуйста, имеющиеся данные: маркировку, размеры, тип оборудования или артикул старого подшипника.
Да, конечно! Мы высоко ценим долгосрочное сотрудничество и доверие клиентов по всей России. Для постоянных клиентов действует персональная система скидок.
Условия формируются индивидуально и зависят от:
Чтобы узнать свои условия и получить максимально выгодное предложение, свяжитесь с персональным менеджером или напишите нам на почту zakaz@podsnab.ru.
Вы можете оформить заказ несколькими способами:
Для оформления заказа от юридического лица свяжитесь с нашим отделом по работе с корпоративными клиентами по телефону +7 (495) 104-99-04 или напишите на email zakaz@podsnab.ru, прикрепив реквизиты вашей организации.
Мы оперативно подготовим коммерческое предложение и выставим счет.
Возврат товара надлежащего качества возможен в течение 10 дней с момента получения, если товар не был в употреблении, сохранен товарный вид, упаковка не вскрывалась и присутствуют все сопроводительные документы.
Возврат денежных средств осуществляется в течение 10 рабочих дней после проверки товара складом.
В соответствии с законодательством возврату не подлежат подшипники надлежащего качества, если отсутствует оригинальная упаковка или имеются следы монтажа.
В случае выявления брака или гарантийного случая мы гарантируем возврат или обмен товара.
Да, гарантийный срок хранения устанавливается заводом-изготовителем и в среднем составляет 2 года при соблюдении условий хранения: сухое помещение, оригинальная упаковка и смазка.
Точный срок для конкретного типа подшипника уточняйте у наших менеджеров.
Пн–Пт: с 8:00 до 17:00 (МСК).
Сб–Вс: выходные дни.
Заказы на сайте принимаются круглосуточно. Заявки, поступившие после окончания рабочего дня, обрабатываются на следующий рабочий день.
Минимальная сумма заказа для доставки составляет 3000 рублей. Самовывоз со склада возможен на любую сумму при наличии товара.
ООО «УралТехГрупп»
ИНН: 7415093830
КПП: 772401001
ОГРН: 1167456069021
Банк: ПАО Сбербанк
Р/с: 40702810838000475273
К/с: 30101810400000000225
БИК: 044525225
У подшипника UCP205-15 пока нет отзывов. Вы можете стать первым покупателем, поделившимся своим мнением.