Поиск подшипника
Статьи
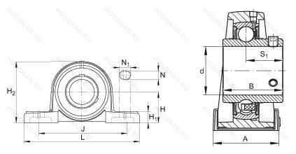
UCP206-19 — Корпус подшипника, модификация основного исполнения UCP206, выпускается производителями: FBJ, FELSTROM, FK, FSQ, JAPANESE ORIGIN, NEUTRAL, NIS, NTN, PEER, SKF, TIMKEN, TR, TRANS LINK, ZKL.
Размер подшипника: 30x152x40 мм.
1.3/16.
Альтернативное обозначение: SY1.3/16TF, UC206-19 + P206, YAR206+103 + SY506M.
Аналоги: NP1.3/16 RHP,SY1.3/16TF SKF,SY103S SKF,NP19 Sealmaster,UCP206-19 TR.
Международная стандартизации ISO
UCP20619
В наличии
| Обозначение | Конструктивные изменения |
|---|---|
| UCP206HT2D1 | Стандартная консистентная смазка Alvania Grease 3. Heat-Stabilized Up To 270°C. |
| UCP206-102D1 | Стандартная консистентная смазка Alvania Grease 3. 1.1/8. |
| UCP206J T2 | Шарикоподшипниковый узел. Допуск сферического внутреннего диаметра корпуса. Ball Bearing Unit. Special Heat Treatment Bearing *Inner Ring Eccentric Area Is Hardened. |
| UCP206/AS2P | 1/4 Full. Смазка Aeroshell 7. Диапазон от –10°C до 110°C.. |
| UCP206C+624313 | Подшипник SB из хромированной легированной стали, потайные винты, блокировка вала. Открытая крышка. |
| UCP206J P2 | Шарикоподшипниковый узел. Допуск сферического внутреннего диаметра корпуса. Two Grease Nipples On The Housing. |
| UCP206HR5 | Max Bearing Operating Temp = 392 ̊F (200℃). - Yukon Super-Lube No. 3 / Oil Research Industrial. Ltd. - Soap Based (Compound) - Max. Operating Temperatures Of The Grease..............+392 ̊F (+200℃). |
| UCP206SS-SOLID | Подшипник из нержавеющей стали. Solid Base. |
| UCP206/H | Более высокая стабильность и лучший баланс нагрузки, чем в стандартной комплектации. Для шарикоподшипниковых узлов UC/Угол установочных винтов 120° вместо 62°. |
| UCP206-18-J7 | 18° Угол контакта. Наилучшая посадка в корпусе. |
| UCP206-20-J7 | Distance Between Beginning Of The Rail And First Hole In MM. Наилучшая посадка в корпусе. |
| UCP206PPSS | Thermo Plastic. Нержавеющая сталь. |
| UCP206R | Units Are Made In RHP Factories. |
| UCP206N AV2S | Канавка под стопорное кольцо на внешнем кольце. Lubricant. Shell Oil Co.. Alvania #2 Grease. 1/4 Full. Temperature Range = -10°C / + 110°C (Normal Temperature Grease). |
| UCP206-18J | 1.1/8. |
| UCP206-104D1 | Канавка и смазочные отверстия на наружном кольце. |
| UCP206KNST/S6/WHITE+PR | Подшипник из нержавеющей стали. Colour Of The Housing. Polyamide. |
| UCP206J D1 | Корпус подшипникового узла. С допуском сферического отверстия J. Подходит для корпуса диаметром до 100 мм.. Не требующий обслуживания тип. |
| UCP206CE | One Open Cover And One Closed Cover. |
| UCP206R45 | Grease Nipple Is Not On Top Of The Housing. But At An Angle Of 45 Degrees. |
| UCP206MP | Механически обработанный латунный сепаратор оконного типа. |
| UCP206CD | Cover Type. |
| Y/UCP206 | Сепаратор из прессованной латуни. Центрирование шарика. |
| UCP206-17-J7 | 1.1/16. Наилучшая посадка в корпусе. |
| UCP206-19-J7 | 1.3/16. Наилучшая посадка в корпусе. |
Модификации корпуса подшипника UCP206-19 — это измененное основное конструктивное исполнение UCP206, основные размеры (30x152x40) не отличаются.
| Обозначение | Гост | Конструктивные особенности |
|---|---|---|
| SY1.3/16TF | ISO | Размерные и геометрические допуски соответствуют классу точности P6. |
| NP19 | ISO | Корпус подшипника. |
| NP1.3/16 | ISO | Размерные и геометрические допуски соответствуют классу точности P6. 01. |
| PASEY30-XL-N | ISO | Серия X-Life премиум-класс. увеличиный срок службы. Чугунный корпус с подрезной прорезью для торцевых колпачков. |
| SNP30/AR3P | ISO | Designation = Alvania Grease R3. Base Oil = Mineral. Thickener = Lithium. Min. Temp = -34°C. Max. Temp = +135°C. |
| P2B/SCU/30M | ISO | Миллиметр. |
| M-UCP206J D1 | ISO | Корпус подшипникового узла. С допуском сферического отверстия J. Подходит для корпуса диаметром до 100 мм.. Не требующий обслуживания тип. |
| SY1.3/16TF/VA201 | ISO | Корпусный подшипник со стопорными винтами. серии YAR2. стандартное уплотнение и простой масло отражатель с каждой стороны. Подшипник для высокотемпературных применений (например. печных тележек). |
| SY1.3/16TF/VA228 | ISO | Bearing With A “Coronet” Cage Of Graphite For Temperatures -150°C/+350°C. Корпусный подшипник со стопорными винтами. серии YAR2. стандартное уплотнение и простой масло отражатель с каждой стороны. |
| Y/UCP206/H | ISO | Более высокая стабильность и лучший баланс нагрузки, чем в стандартной комплектации. Для шарикоподшипниковых узлов UC/Угол установочных винтов 120° вместо 62°. |
| SY30LF | ISO | Y-подшипники серии YSP2-2F (SKF ConCentra Stepped Sleeve). Стандартное уплотнение + плоская втулка с каждой стороны. |
| SW30A | ISO | Eccentric Mounting. |
| RASEY30-N | ISO | Чугунный корпус с подрезной прорезью для торцевых колпачков. |
| RASE30N | ISO | Чугунный корпус с подрезной прорезью для торцевых колпачков. |
| AELP204D1 W3 | ISO | Канавка и смазочные отверстия на наружном кольце. Корпусной подшипник с установочным винтом. |
| PASE30N | ISO | Чугунный корпус с подрезной прорезью для торцевых колпачков. |
| PASEY30-N | ISO | Чугунный корпус с подрезной прорезью для торцевых колпачков. |
| PPL206SS | ISO | Нержавеющая сталь. |
| SY103S | ISO | Запечатанная версия кулачкового ролика. |
| AELP206D1 | ISO | Канавка и смазочные отверстия на наружном кольце. |
| RASEY30-JIS | ISO | Японский промышленный стандарт. |
| NP1.3/16EC | ISO | Эксцентриковый кольцевой замок с внутренним кольцом заподлицо с одной стороны. |
| RASE30-N-FA164.1 | ISO | Чугунный корпус с подрезной прорезью для торцевых колпачков. Temperature Design From -20°C / +250°C. |
Аналог корпуса подшипника UCP206-19 — это подшипник такого же размера dx30,Dx152,Bx40, типа и конструкции.
Способы доставки
Отправка через ведущие транспортные и курьерские компании: ПЭК, Деловые Линии, СДЭК, Байкал-Сервис, Энергия, КИТ, ЖелДорЭкспедиция.
Самовывоз возможен напрямую со склада в Москве.
Сроки доставки
Срок зависит от региона и выбранной транспортной компании. Все заказы комплектуются и отправляются в кратчайшие сроки со склада в Москве.
Надёжность и сохранность
Вся продукция упаковывается с учётом требований транспортировки. Мы гарантируем, что подшипники и комплектующие прибудут к заказчику в полной сохранности.
Доставка в страны ЕАЭС
Мы работаем с проверенными логистическими партнёрами, что позволяет оперативно доставлять заказы в Беларусь, Казахстан, Армению и другие страны ЕАЭС.
Варианты оплаты:
Минимальная сумма заказа и скидки:
Документы и гарантии:
Да, конечно! Наши технические специалисты готовы помочь вам с подбором точного аналога или замены подшипника. Просто позвоните нам по телефону +7 (495) 104-99-04 или напишите на почту zakaz@podsnab.ru.
Для оперативной консультации подготовьте, пожалуйста, имеющиеся данные: маркировку, размеры, тип оборудования или артикул старого подшипника.
Да, конечно! Мы высоко ценим долгосрочное сотрудничество и доверие клиентов по всей России. Для постоянных клиентов действует персональная система скидок.
Условия формируются индивидуально и зависят от:
Чтобы узнать свои условия и получить максимально выгодное предложение, свяжитесь с персональным менеджером или напишите нам на почту zakaz@podsnab.ru.
Вы можете оформить заказ несколькими способами:
Для оформления заказа от юридического лица свяжитесь с нашим отделом по работе с корпоративными клиентами по телефону +7 (495) 104-99-04 или напишите на email zakaz@podsnab.ru, прикрепив реквизиты вашей организации.
Мы оперативно подготовим коммерческое предложение и выставим счет.
Возврат товара надлежащего качества возможен в течение 10 дней с момента получения, если товар не был в употреблении, сохранен товарный вид, упаковка не вскрывалась и присутствуют все сопроводительные документы.
Возврат денежных средств осуществляется в течение 10 рабочих дней после проверки товара складом.
В соответствии с законодательством возврату не подлежат подшипники надлежащего качества, если отсутствует оригинальная упаковка или имеются следы монтажа.
В случае выявления брака или гарантийного случая мы гарантируем возврат или обмен товара.
Да, гарантийный срок хранения устанавливается заводом-изготовителем и в среднем составляет 2 года при соблюдении условий хранения: сухое помещение, оригинальная упаковка и смазка.
Точный срок для конкретного типа подшипника уточняйте у наших менеджеров.
Пн–Пт: с 8:00 до 17:00 (МСК).
Сб–Вс: выходные дни.
Заказы на сайте принимаются круглосуточно. Заявки, поступившие после окончания рабочего дня, обрабатываются на следующий рабочий день.
Минимальная сумма заказа для доставки составляет 3000 рублей. Самовывоз со склада возможен на любую сумму при наличии товара.
ООО «УралТехГрупп»
ИНН: 7415093830
КПП: 772401001
ОГРН: 1167456069021
Банк: ПАО Сбербанк
Р/с: 40702810838000475273
К/с: 30101810400000000225
БИК: 044525225
У подшипника UCP206-19 пока нет отзывов. Вы можете стать первым покупателем, поделившимся своим мнением.