Поиск подшипника
Статьи
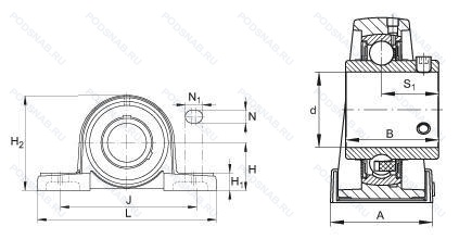
UCP208-24 — Корпус подшипника, модификация основного исполнения UCP208, выпускается производителями: FAG, FBJ, FELSTROM, FK, FYH, JIB, NBR, NEUTRAL, NIS, PTI, SKF, TIMKEN, ZKL.
Размер подшипника: 38x175x48 мм.
1.1/2.
Альтернативное обозначение: SYJ1.1/2TF, UC208-24 + P208, YAR208-108-2F + SYJ508.
Аналоги: UCP208-24-J7 FAG.
Международная стандартизации ISO
UCP20824
В наличии
| Обозначение | Конструктивные изменения |
|---|---|
| UCP208-J7 | Прессованный незакаленный стальной сепаратор, центрирование элементов качения. |
| UCP208-25 | Distance Between Beginning Of The Rail And First Hole In MM. |
| UCP208 | Корпус подшипника. Основное конструктивное исполнение. |
| UCP208J | Дорожки качения наружного кольца. угол контакта и ширина наружного кольца в соответствии с ISO. |
| UCP208 Z90508 | Корпус подшипника. |
| UCP208D1 | Не требующий обслуживания тип. |
| UCP208SS | Две резиновые защитные шайбы. |
| UCP208PSS | Пластиковый корпус. Подшипник из нержавеющей стали. |
| UCP208-108D1 | Стандартная консистентная смазка Alvania Grease 3. 1.1/2. |
| UCP208CO | Open Protective Cap Made Of Stainless Steel With Double Lip Seal. |
| UCP208CC | Rubber Coated Outer Cover. With Dust Lip. With Spring. Size Range 6 - 380mm. |
| UCP208W | White Thermoplastic Housing. |
| UCP208/H | Pressed Snap-Type Steel Cage. Hardened. |
| UCP208HT | Высокотемпературный. |
| UCP208-40MM | Корпус подшипника. |
| UCP208R | Units Are Made In RHP Factories. |
| SM-UCP208 | Корпус подшипника. |
| UCP208T20 | Вкладыши подшипников для рабочих температур до +200°C (+400°F). |
| UCP208 NAV2S | Lubricant. Shell Oil Co.. Alvania #2 Grease. 1/4 Full. Temperature Range = -10°C / + 110°C (Normal Temperature Grease). |
| UCP208C-675072 | Подшипник SB из хромированной легированной стали, потайные винты, блокировка вала. Open Unit. |
| UCP208C-683041 | Подшипник SB из хромированной легированной стали, потайные винты, блокировка вала. Closed Unit. |
| Y/UCP208 | Сепаратор из прессованной латуни. Центрирование шарика. |
| UCP208JE4 | Non-Lubricating Type. Корпус подшипникового узла. С допуском сферического отверстия J. Подходит для корпуса диаметром до 100 мм.. |
| UCP208-25-J7 | Distance Between Beginning Of The Rail And First Hole In MM. Наилучшая посадка в корпусе. |
| UCP208-24-J7 | Наилучшая посадка в корпусе. 1.1/2. |
Модификации корпуса подшипника UCP208-24 — это измененное основное конструктивное исполнение UCP208, основные размеры (38x175x48) не отличаются.
| Обозначение | Гост | Конструктивные особенности |
|---|---|---|
| SY1.1/2WM | ISO | Number Of Carriages Per Rail Track. Y-образный подшипник серии YEL2 (внутреннее кольцо расширено с обеих сторон. Эксцентриковая стопорная втулка). |
| SY1.1/2TF/VA228 | ISO | Bearing With A “Coronet” Cage Of Graphite For Temperatures -150°C/+350°C. Корпусный подшипник со стопорными винтами. серии YAR2. стандартное уплотнение и простой масло отражатель с каждой стороны. |
| NP1.1/2DEC | ISO | Эксцентриковая втулка удлиненным внутренним кольцом. Number Of Carriages Per Rail Track. |
| SY1.1/2TF | ISO | Number Of Carriages Per Rail Track. |
| SY1.1/2FM | ISO | Number Of Carriages Per Rail Track. |
| NP1.1/2 | ISO | ISO Tolerance Class ABEC.9. Number Of Carriages Per Rail Track. |
| NP1.1/2EC | ISO | Number Of Carriages Per Rail Track. |
| 719408+479208-108 | ISO | Корпус подшипника. |
| UCPE.208-24 | ISO | Корпус подшипника. |
| SY1.1/2TF/VA201 | ISO | Number Of Carriages Per Rail Track. Подшипник для высокотемпературных применений (например. печных тележек). |
| SY1.1/2TR | ISO | Number Of Carriages Per Rail Track. Y-подшипник серии YAR2-2RF (внутреннее кольцо расширенное с обеих сторон. Фиксация с помощью стопорного винта). Стандартное уплотнение и прорезиненный фланец с каждой стороны. |
| NP1.1/2DECG | ISO | Смазочные отверстия в распределительной канавке. Механически обработанные в наружном кольце для смазки. Эксцентриковая втулка с удлиненным внутренним кольцом. |
| YAK1.1/2PT | ISO | Number Of Carriages Per Rail Track. Сборки из полимера Survivor. |
| PB221 | ISO | Корпус подшипника. |
Аналог корпуса подшипника UCP208-24 — это подшипник такого же размера dx38,Dx175,Bx48, типа и конструкции.
Способы доставки
Отправка через ведущие транспортные и курьерские компании: ПЭК, Деловые Линии, СДЭК, Байкал-Сервис, Энергия, КИТ, ЖелДорЭкспедиция.
Самовывоз возможен напрямую со склада в Москве.
Сроки доставки
Срок зависит от региона и выбранной транспортной компании. Все заказы комплектуются и отправляются в кратчайшие сроки со склада в Москве.
Надёжность и сохранность
Вся продукция упаковывается с учётом требований транспортировки. Мы гарантируем, что подшипники и комплектующие прибудут к заказчику в полной сохранности.
Доставка в страны ЕАЭС
Мы работаем с проверенными логистическими партнёрами, что позволяет оперативно доставлять заказы в Беларусь, Казахстан, Армению и другие страны ЕАЭС.
Варианты оплаты:
Минимальная сумма заказа и скидки:
Документы и гарантии:
Да, конечно! Наши технические специалисты готовы помочь вам с подбором точного аналога или замены подшипника. Просто позвоните нам по телефону +7 (495) 104-99-04 или напишите на почту zakaz@podsnab.ru.
Для оперативной консультации подготовьте, пожалуйста, имеющиеся данные: маркировку, размеры, тип оборудования или артикул старого подшипника.
Да, конечно! Мы высоко ценим долгосрочное сотрудничество и доверие клиентов по всей России. Для постоянных клиентов действует персональная система скидок.
Условия формируются индивидуально и зависят от:
Чтобы узнать свои условия и получить максимально выгодное предложение, свяжитесь с персональным менеджером или напишите нам на почту zakaz@podsnab.ru.
Вы можете оформить заказ несколькими способами:
Для оформления заказа от юридического лица свяжитесь с нашим отделом по работе с корпоративными клиентами по телефону +7 (495) 104-99-04 или напишите на email zakaz@podsnab.ru, прикрепив реквизиты вашей организации.
Мы оперативно подготовим коммерческое предложение и выставим счет.
Возврат товара надлежащего качества возможен в течение 10 дней с момента получения, если товар не был в употреблении, сохранен товарный вид, упаковка не вскрывалась и присутствуют все сопроводительные документы.
Возврат денежных средств осуществляется в течение 10 рабочих дней после проверки товара складом.
В соответствии с законодательством возврату не подлежат подшипники надлежащего качества, если отсутствует оригинальная упаковка или имеются следы монтажа.
В случае выявления брака или гарантийного случая мы гарантируем возврат или обмен товара.
Да, гарантийный срок хранения устанавливается заводом-изготовителем и в среднем составляет 2 года при соблюдении условий хранения: сухое помещение, оригинальная упаковка и смазка.
Точный срок для конкретного типа подшипника уточняйте у наших менеджеров.
Пн–Пт: с 8:00 до 17:00 (МСК).
Сб–Вс: выходные дни.
Заказы на сайте принимаются круглосуточно. Заявки, поступившие после окончания рабочего дня, обрабатываются на следующий рабочий день.
Минимальная сумма заказа для доставки составляет 3000 рублей. Самовывоз со склада возможен на любую сумму при наличии товара.
ООО «УралТехГрупп»
ИНН: 7415093830
КПП: 772401001
ОГРН: 1167456069021
Банк: ПАО Сбербанк
Р/с: 40702810838000475273
К/с: 30101810400000000225
БИК: 044525225
У подшипника UCP208-24 пока нет отзывов. Вы можете стать первым покупателем, поделившимся своим мнением.