Поиск подшипника
Статьи
UCP212 — Корпус подшипника, основное исполнение, выпускается производителями: ASAHI, ASKUBAL, CCVI, CHALLENGE, EBS, FAG, FBJ, FELSTROM, FK, FYH, HFB, INA, JIB, KBC, KDF, KOYO, NACHI, NEUTRAL, NIS, NKB, NSK, NTN, PTI, PTN, SKF, SNR, TAM, TIMKEN, TR, UBC, WHX, XJ.
Размер подшипника: 60x240x60 мм.
Альтернативное обозначение: 56212 + SG212SX, GYE60KRRB + ASE12, RASEY60, SG56212X, SY60TF, UC212 + P212, YAR212-2F + SY512M.
Аналоги: UCP212 Askubal,UCP212 WHX,UCP212GGG FK.
Международная стандартизации ISO
UCP212
В наличии
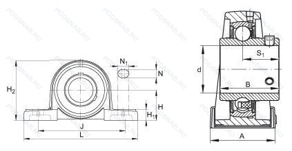
Подшипниковый узел UCP212 производства SKF включает в себя подшипник, размещённый в корпусе с посадкой для вала, предназначенный для работы с радиальными и осевыми нагрузками. Этот подшипниковый узел используется в различных механизмах, таких как насосы, редукторы, сельскохозяйственные машины и конвейерные системы, где важна высокая надёжность и долговечность работы подшипников.
Размеры подшипникового узла UCP212:
Корпус подшипникового узла UCP 212 выполнен из прочных материалов, что способствует его долговечности и увеличивает устойчивость к внешним воздействиям. Уплотнения защищают подшипник от загрязнений и утечек смазки, что способствует долговечности подшипникового узла и снижает потребность в обслуживании.
При установке подшипникового узла SKF UCP212 важно соблюдать точность посадки и выравнивание всех компонентов для обеспечения стабильной работы подшипникового узла в процессе эксплуатации.
| Обозначение | Конструктивные изменения |
|---|---|
| UCP212-J7 | Прессованный незакаленный стальной сепаратор, центрирование элементов качения. |
| UCP212J | Дорожки качения наружного кольца. угол контакта и ширина наружного кольца в соответствии с ISO. |
| UCP212-38 | 2.3/8. |
| UCP212-39 | Distance Between Beginning Of The Rail And First Hole In MM. |
| UCP212-36 | 2.1/4. |
| UCP212N | Канавка под стопорное кольцо на внешнем кольце. |
| UCP212-37 | 2.5/16. |
| UCP212T | Triple Seal. |
| UCP212SS | Подшипник из нержавеющей стали. |
| UCP212PSS | Пластиковый корпус. Подшипник из нержавеющей стали. |
| UCP212HT2D1 | Стандартная консистентная смазка Alvania Grease 3. Heat-Stabilized Up To 270°C. |
| UCP212-206 | 2.3/8. |
| UCP212-206D1 | Стандартная консистентная смазка Alvania Grease 3. 2.3/8. |
| UCP212R45 | Grease Nipple Is Not On Top Of The Housing. But At An Angle Of 45 Degrees. |
| UCP212/H | Более высокая стабильность и лучший баланс нагрузки, чем в стандартной комплектации. Для шарикоподшипниковых узлов UC/Угол установочных винтов 120° вместо 62°. |
| UCP212-36-J7 | Наилучшая посадка в корпусе. 2.1/4. |
| UCP212-39-J7 | Distance Between Beginning Of The Rail And First Hole In MM. Наилучшая посадка в корпусе. |
| UCP212-36J | Шарикоподшипниковый узел. Допуск сферического внутреннего диаметра корпуса. |
| UCP212-207 | 2.7/16. |
| UCP212HT2 | Heat-Stabilized Up To 270°C. |
| UCP212-37-J7 | Наилучшая посадка в корпусе. 2.5/16. |
| UCP212-38-J7 | Наилучшая посадка в корпусе. 2.3/8. |
| Y/UCP212 | Сепаратор из прессованной латуни. Центрирование шарика. |
| UCP212GGG | Spheroidal Graphite Cast Iron. |
| UCP212-36C99 | 2.1/4. |
Модификации корпуса подшипника UCP212 — это измененное основное конструктивное исполнение UCP212, основные размеры (60x240x60) не отличаются.
| Обозначение | Гост | Конструктивные особенности |
|---|---|---|
| RASEY60 | ISO | Корпус подшипника. |
| SY60TF | ISO | Корпусный подшипник со стопорными винтами. серии YAR2. стандартное уплотнение и простой масло отражатель с каждой стороны. |
| UC212 | ISO | Угол контакта 20 градусов. |
| GYE60KRRB | ISO | Корпус подшипника. |
| SG56212X | ISO | Измененные размеры границ. введенные пересмотренными стандартами ISO. |
| PASE60-XL-N | ISO | Серия X-Life премиум-класс. увеличиный срок службы. Чугунный корпус с подрезной прорезью для торцевых колпачков. |
| PASEY60-XL-N | ISO | Серия X-Life премиум-класс. увеличиный срок службы. Чугунный корпус с подрезной прорезью для торцевых колпачков. |
| RASE60-XL-N | ISO | Серия X-Life премиум-класс. увеличиный срок службы. Чугунный корпус с подрезной прорезью для торцевых колпачков. |
| RASEY60-XL-N | ISO | Серия X-Life премиум-класс. увеличиный срок службы. Чугунный корпус с подрезной прорезью для торцевых колпачков. |
| TASE60-XL-N | ISO | Серия X-Life премиум-класс. увеличиный срок службы. Чугунный корпус с подрезной прорезью для торцевых колпачков. |
| NP60HLT | ISO | Высоко- и низкотемпературные подшипниковые вкладыши. |
| PASE60-XL-N-FA125 | ISO | Серия X-Life премиум-класс. увеличиный срок службы. Чугунный корпус с подрезной прорезью для торцевых колпачков. С покрытием Corrotect®, защищено от коррозии. |
| NP60EC/AR3PJ | ISO | Эксцентриковый кольцевой замок с внутренним кольцом заподлицо с одной стороны. Designation = Alvania Grease R3. Base Oil = Mineral. Thickener = Lithium. Min. Temp = -34°C. Max. Temp = +135°C. |
| 56212 | ISO | Корпус подшипника. |
| SY60WM | ISO | Y-образный подшипник серии YEL2 (внутреннее кольцо расширено с обеих сторон. Эксцентриковая стопорная втулка). |
| TASE60-N-E55EB | ISO | Чугунный корпус с подрезной прорезью для торцевых колпачков. |
| PASE60-N-FA125 | ISO | Чугунный корпус с подрезной прорезью для торцевых колпачков. С покрытием Corrotect®, защищено от коррозии. |
| PASE60-XL-N-I | ISO | Серия X-Life премиум-класс. увеличиный срок службы. Чугунный корпус с подрезной прорезью для торцевых колпачков. Смазочный ниппель дюймового размера R 1/8 дюйма. |
| Y/UCP212/H | ISO | Более высокая стабильность и лучший баланс нагрузки, чем в стандартной комплектации. Для шарикоподшипниковых узлов UC/Угол установочных винтов 120° вместо 62°. |
| PASE60-XL-N-FA125-I | ISO | Серия X-Life премиум-класс. увеличиный срок службы. Чугунный корпус с подрезной прорезью для торцевых колпачков. С покрытием Corrotect®, защищено от коррозии. Смазочный ниппель дюймового размера R 1/8 дюйма. |
| PASEY60-XL-N-I | ISO | Серия X-Life премиум-класс. увеличиный срок службы. Чугунный корпус с подрезной прорезью для торцевых колпачков. Смазочный ниппель дюймового размера R 1/8 дюйма. |
| RASE60N | ISO | Чугунный корпус с подрезной прорезью для торцевых колпачков. |
| TASE60-N | ISO | Чугунный корпус с подрезной прорезью для торцевых колпачков. |
| SW60U HT270 | ISO | Set Screw Mounting. 270°C Temperature Range. |
| PASEY60-N | ISO | Чугунный корпус с подрезной прорезью для торцевых колпачков. |
| RASEY60-JIS | ISO | Японский промышленный стандарт. |
Аналог корпуса подшипника UCP212 — это подшипник такого же размера dx60,Dx240,Bx60, типа и конструкции.
Способы доставки
Отправка через ведущие транспортные и курьерские компании: ПЭК, Деловые Линии, СДЭК, Байкал-Сервис, Энергия, КИТ, ЖелДорЭкспедиция.
Самовывоз возможен напрямую со склада в Москве.
Сроки доставки
Срок зависит от региона и выбранной транспортной компании. Все заказы комплектуются и отправляются в кратчайшие сроки со склада в Москве.
Надёжность и сохранность
Вся продукция упаковывается с учётом требований транспортировки. Мы гарантируем, что подшипники и комплектующие прибудут к заказчику в полной сохранности.
Доставка в страны ЕАЭС
Мы работаем с проверенными логистическими партнёрами, что позволяет оперативно доставлять заказы в Беларусь, Казахстан, Армению и другие страны ЕАЭС.
Варианты оплаты:
Минимальная сумма заказа и скидки:
Документы и гарантии:
Да, конечно! Наши технические специалисты готовы помочь вам с подбором точного аналога или замены подшипника. Просто позвоните нам по телефону +7 (495) 104-99-04 или напишите на почту zakaz@podsnab.ru.
Для оперативной консультации подготовьте, пожалуйста, имеющиеся данные: маркировку, размеры, тип оборудования или артикул старого подшипника.
Да, конечно! Мы высоко ценим долгосрочное сотрудничество и доверие клиентов по всей России. Для постоянных клиентов действует персональная система скидок.
Условия формируются индивидуально и зависят от:
Чтобы узнать свои условия и получить максимально выгодное предложение, свяжитесь с персональным менеджером или напишите нам на почту zakaz@podsnab.ru.
Вы можете оформить заказ несколькими способами:
Для оформления заказа от юридического лица свяжитесь с нашим отделом по работе с корпоративными клиентами по телефону +7 (495) 104-99-04 или напишите на email zakaz@podsnab.ru, прикрепив реквизиты вашей организации.
Мы оперативно подготовим коммерческое предложение и выставим счет.
Возврат товара надлежащего качества возможен в течение 10 дней с момента получения, если товар не был в употреблении, сохранен товарный вид, упаковка не вскрывалась и присутствуют все сопроводительные документы.
Возврат денежных средств осуществляется в течение 10 рабочих дней после проверки товара складом.
В соответствии с законодательством возврату не подлежат подшипники надлежащего качества, если отсутствует оригинальная упаковка или имеются следы монтажа.
В случае выявления брака или гарантийного случая мы гарантируем возврат или обмен товара.
Да, гарантийный срок хранения устанавливается заводом-изготовителем и в среднем составляет 2 года при соблюдении условий хранения: сухое помещение, оригинальная упаковка и смазка.
Точный срок для конкретного типа подшипника уточняйте у наших менеджеров.
Пн–Пт: с 8:00 до 17:00 (МСК).
Сб–Вс: выходные дни.
Заказы на сайте принимаются круглосуточно. Заявки, поступившие после окончания рабочего дня, обрабатываются на следующий рабочий день.
Минимальная сумма заказа для доставки составляет 3000 рублей. Самовывоз со склада возможен на любую сумму при наличии товара.
ООО «УралТехГрупп»
ИНН: 7415093830
КПП: 772401001
ОГРН: 1167456069021
Банк: ПАО Сбербанк
Р/с: 40702810838000475273
К/с: 30101810400000000225
БИК: 044525225
У подшипника UCP212 пока нет отзывов. Вы можете стать первым покупателем, поделившимся своим мнением.