Поиск подшипника
Статьи
UCPA209 — Корпус подшипника, основное исполнение, выпускается производителями: ASKUBAL, CCVI, CHINA, FAG, FBJ, FELSTROM, FK, FS, FYH, GDB, HFB, JIB, KOYO, KSB, NIS, NSK, NTN, SKF, SLB, SNR.
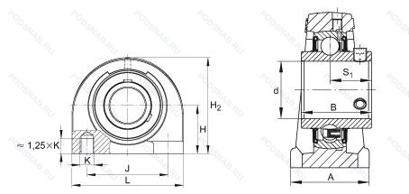
Размер подшипника: 45x120x60 мм.
Альтернативное обозначение: UC209 + PA209.
Аналоги: RSHEY45 INA,SYF45TF SKF,SNP45A RHP,UCPA209 NSK,UCPA209 Nachi,UCPA209 Askubal,UCPA209 GDB,UCPA209 TR,UCPA209 KDF,UCPA209 ISB,UCPA209 FK,UCPA209 FS,UCPA209 SLB,UCPA209 JIB,UCPA209-45 KDF,UCPA209 KSB.
Международная стандартизации ISO
UCPA209
В наличии
| Обозначение | Конструктивные изменения |
|---|---|
| UCPA209-J7 | Наилучшая посадка в корпусе. |
| UCPA209J | Шарикоподшипниковый узел. Допуск сферического внутреннего диаметра корпуса. |
| UCPA209/H | Более высокая стабильность и лучший баланс нагрузки, чем в стандартной комплектации. Для шарикоподшипниковых узлов UC/Угол установочных винтов 120° вместо 62°. |
| UCPA209-45 | 2.13/16. |
| UCPA209-26 | 1.5/8. |
| Y/UCPA209 | Сепаратор из прессованной латуни. Центрирование шарика. |
| UCPA209-26-J7 | Наилучшая посадка в корпусе. 1.5/8. |
| UCPA209-27-J7 | Наилучшая посадка в корпусе. 1.11/16. |
| UCPA209-28-J7 | Наилучшая посадка в корпусе. 1.3/4. |
Модификации корпуса подшипника UCPA209 — это измененное основное конструктивное исполнение UCPA209, основные размеры (45x120x60) не отличаются.
| Обозначение | Гост | Конструктивные особенности |
|---|---|---|
| UC209 | ISO | Угол контакта 20 градусов. |
| RSHEY45 | ISO | Корпус подшипника. |
| SYF45TF | ISO | Корпусный подшипник со стопорными винтами. серии YAR2. стандартное уплотнение и простой масло отражатель с каждой стороны. |
| SNP45A | ISO | Двухрядный радиально-упорный шарикоподшипник без отверстия для смазки. |
| SSUCPA209B | ISO | Black Thermoplastic Housing. |
| SSUCPA209PBT | ISO | Корпус из термопластика. |
Аналог корпуса подшипника UCPA209 — это подшипник такого же размера dx45,Dx120,Bx60, типа и конструкции.
| Обозначение | Конструктивные особенности | Внутренний (d) | Наружный (D) | Ширина (B) |
|---|---|---|---|---|
| LWH45C2R800BT3P/FW2 | Линейный шариковый подшипник. Количество узлов скольжения. Тип фланца. Монтируется снизу. Special Specification. Matched Two Sets. Класс точности. Длина в мм. большой предварительный натяг. Caps For Rail Mounting Holes. | 45.00 | 120.00 | 60.00 |
| LWH45C4R2625BT1HS/F | Линейный шариковый подшипник. Взаимозаменяемый код. Код должен быть 1 или 2. Количество узлов скольжения. Тип фланца. Монтируется снизу. Высокий класс точности. Небольшая предварительная нагрузка. Caps For Rail Mounting Holes. Длина в мм. | 45.00 | 120.00 | 60.00 |
| LWH45C4R3570BH/A2 | Линейный шариковый подшипник. Количество узлов скольжения. Тип фланца. Монтируется снизу. Высокий класс точности. Butt-Jointing Track Rails. Длина в мм. | 45.00 | 120.00 | 60.00 |
| LWHG45C2R2100T2P/FW2 | Линейный шариковый подшипник. Количество узлов скольжения. Special Specification. Matched Two Sets. Класс точности. Средний предварительный натяг. Caps For Rail Mounting Holes. Длина гусеницы в мм. | 45.00 | 120.00 | 60.00 |
| LWHG45C2R2940T2P/FW2 | Линейный шариковый подшипник. Количество узлов скольжения. Special Specification. Matched Two Sets. Класс точности. Средний предварительный натяг. Caps For Rail Mounting Holes. Длина гусеницы в мм. | 45.00 | 120.00 | 60.00 |
| LWHT45C2R2220BT2H | Линейный шариковый подшипник. Количество узлов скольжения. Тип фланца. Монтируется снизу. Высокий уровень точности. Средний предварительный натяг. Длина гусеницы в мм. | 45.00 | 120.00 | 60.00 |
| LWHT45C2R2625BHS | Линейный шариковый подшипник. Взаимозаменяемый код. Код должен быть 1 или 2. Количество узлов скольжения. Тип фланца. Монтируется снизу. Высокий класс точности. Длина гусеницы в мм. | 45.00 | 120.00 | 60.00 |
| LRXG45C1R630H | Линейный шариковый подшипник. Высокий класс точности. Количество узлов скольжения. Длина гусеницы в мм. | 45.00 | 120.00 | 60.00 |
| LRX45C2R4513T3P/A2F | Линейный шариковый подшипник. Количество узлов скольжения. Caps For Rail Mounting Holes. Класс точности. большой предварительный натяг. Special Specification. Длина рельса в мм. | 45.00 | 120.00 | 60.00 |
| SRG45+1995LP5 | Линейный шариковый подшипник. Accuracy Symbol. Длина в мм. | 45.00 | 120.00 | 60.00 |
| SRG45+935LG | Линейный шариковый подшипник. Длина в мм. | 45.00 | 120.00 | 60.00 |
| SRG45+920LG | Линейный шариковый подшипник. Длина в мм. | 45.00 | 120.00 | 60.00 |
| KWVE45-E-G4-V1 | Линейный подшипник скольжения. Стандартная каретка. Класс точности 4. Без предварительной натяга. | 45.00 | 120.00 | 60.00 |
| KWVE45-E-V1-G3 | Линейный подшипник скольжения. Стандартная каретка. Без предварительной натяга. Класс точности 3. | 45.00 | 120.00 | 60.00 |
| KWVE45-E-V1-G4 | Линейный подшипник скольжения. Стандартная каретка. Класс точности 4. Без предварительной натяга. | 45.00 | 120.00 | 60.00 |
Способы доставки
Отправка через ведущие транспортные и курьерские компании: ПЭК, Деловые Линии, СДЭК, Байкал-Сервис, Энергия, КИТ, ЖелДорЭкспедиция.
Самовывоз возможен напрямую со склада в Москве.
Сроки доставки
Срок зависит от региона и выбранной транспортной компании. Все заказы комплектуются и отправляются в кратчайшие сроки со склада в Москве.
Надёжность и сохранность
Вся продукция упаковывается с учётом требований транспортировки. Мы гарантируем, что подшипники и комплектующие прибудут к заказчику в полной сохранности.
Доставка в страны ЕАЭС
Мы работаем с проверенными логистическими партнёрами, что позволяет оперативно доставлять заказы в Беларусь, Казахстан, Армению и другие страны ЕАЭС.
Варианты оплаты:
Минимальная сумма заказа и скидки:
Документы и гарантии:
Да, конечно! Наши технические специалисты готовы помочь вам с подбором точного аналога или замены подшипника. Просто позвоните нам по телефону +7 (495) 104-99-04 или напишите на почту zakaz@podsnab.ru.
Для оперативной консультации подготовьте, пожалуйста, имеющиеся данные: маркировку, размеры, тип оборудования или артикул старого подшипника.
Да, конечно! Мы высоко ценим долгосрочное сотрудничество и доверие клиентов по всей России. Для постоянных клиентов действует персональная система скидок.
Условия формируются индивидуально и зависят от:
Чтобы узнать свои условия и получить максимально выгодное предложение, свяжитесь с персональным менеджером или напишите нам на почту zakaz@podsnab.ru.
Вы можете оформить заказ несколькими способами:
Для оформления заказа от юридического лица свяжитесь с нашим отделом по работе с корпоративными клиентами по телефону +7 (495) 104-99-04 или напишите на email zakaz@podsnab.ru, прикрепив реквизиты вашей организации.
Мы оперативно подготовим коммерческое предложение и выставим счет.
Возврат товара надлежащего качества возможен в течение 10 дней с момента получения, если товар не был в употреблении, сохранен товарный вид, упаковка не вскрывалась и присутствуют все сопроводительные документы.
Возврат денежных средств осуществляется в течение 10 рабочих дней после проверки товара складом.
В соответствии с законодательством возврату не подлежат подшипники надлежащего качества, если отсутствует оригинальная упаковка или имеются следы монтажа.
В случае выявления брака или гарантийного случая мы гарантируем возврат или обмен товара.
Да, гарантийный срок хранения устанавливается заводом-изготовителем и в среднем составляет 2 года при соблюдении условий хранения: сухое помещение, оригинальная упаковка и смазка.
Точный срок для конкретного типа подшипника уточняйте у наших менеджеров.
Пн–Пт: с 8:00 до 17:00 (МСК).
Сб–Вс: выходные дни.
Заказы на сайте принимаются круглосуточно. Заявки, поступившие после окончания рабочего дня, обрабатываются на следующий рабочий день.
Минимальная сумма заказа для доставки составляет 3000 рублей. Самовывоз со склада возможен на любую сумму при наличии товара.
ООО «УралТехГрупп»
ИНН: 7415093830
КПП: 772401001
ОГРН: 1167456069021
Банк: ПАО Сбербанк
Р/с: 40702810838000475273
К/с: 30101810400000000225
БИК: 044525225
У подшипника UCPA209 пока нет отзывов. Вы можете стать первым покупателем, поделившимся своим мнением.