Поиск подшипника
Статьи
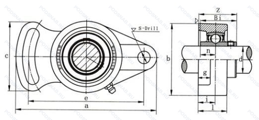
UCFA207 — Корпус подшипника, основное исполнение, выпускается производителями: ASAHI, CHINA, FAG, FK, FYH, GDB, JIB, KDF, KOYO, LFD, NACHI, NEUTRAL, NSK, NTN, SKF, SLB.
Размер подшипника: 35x155x44 мм.
Альтернативное обозначение: GRAE35-NPP-B + GG.SFT07, PSFT35, UC207 + FA207.
Аналоги: UCFA207-J7 FAG,M-UCFA207D1 NTN,UCFA207 Koyo,UCFA207D1 NTN,UCAF207L Koyo,UCFA207 KDF,UCFA207J FYH,UCFA207 FK.
Международная стандартизации ISO
UCFA207
В наличии
| Обозначение | Конструктивные изменения |
|---|---|
| UCFA207D1 | Стандартная консистентная смазка Alvania Grease 3. |
| UCFA207N AV2S | Паз в корпусе для крепления защитных колпачков. Lubricant. Shell Oil Co.. Alvania #2 Grease. 1/4 Full. Temperature Range = -10°C / + 110°C (Normal Temperature Grease). |
| UCFA207A | Двухрядный радиально-упорный шарикоподшипник без отверстия для смазки. |
| UCFA207-J7 | Наилучшая посадка в корпусе. |
| UCFA207-20 | 1.1/4. |
| UCFA207J | Корпус подшипникового узла. С допуском сферического отверстия J. Подходит для корпуса диаметром до 100 мм.. |
| UCFA207-21-J7 | 1.5/16. Наилучшая посадка в корпусе. |
| UCFA207-22-J7 | Наилучшая посадка в корпусе. 1.3/8. |
| UCFA207-20-J7 | Distance Between Beginning Of The Rail And First Hole In MM. Наилучшая посадка в корпусе. |
| UCFA207-23-J7 | Наилучшая посадка в корпусе. 1.7/16. |
Модификации корпуса подшипника UCFA207 — это измененное основное конструктивное исполнение UCFA207, основные размеры (35x155x44) не отличаются.
| Обозначение | Гост | Конструктивные особенности |
|---|---|---|
| PCFT35 | ISO | Корпус подшипника. |
| PCJTY35 | ISO | Корпус подшипника. |
| PSFT35 | ISO | Корпус подшипника. |
| UC207 | ISO | Угол контакта 20 градусов. |
| PCFT35-XL | ISO | Серия X-Life премиум-класс. увеличиный срок службы. |
| PCJTY35-XL-N | ISO | Серия X-Life премиум-класс. увеличиный срок службы. Чугунный корпус с подрезной прорезью для торцевых колпачков. |
| PSFT35-XL | ISO | Серия X-Life премиум-класс. увеличиный срок службы. |
| OWFS35S | ISO | Запечатанная версия кулачкового ролика. |
| PCFT35-N | ISO | Чугунный корпус с подрезной прорезью для торцевых колпачков. |
| WSFL35 | ISO | Корпус подшипника. |
| PCFT35-FA125 | ISO | С покрытием Corrotect®, защищено от коррозии. |
| ASFB207D1 | ISO | Канавка и смазочные отверстия на наружном кольце. |
| M-ASFB207D1 | ISO | Канавка и смазочные отверстия на наружном кольце. |
| PCJTY35-N-MON | ISO | Чугунный корпус с подрезной прорезью для торцевых колпачков. |
| PCJTY35-N | ISO | Чугунный корпус с подрезной прорезью для торцевых колпачков. |
| PCJTY35-MON | ISO | Корпус подшипника. |
| M-UCFA207D1 | ISO | Канавка и смазочные отверстия на наружном кольце. |
| FYTB35RM | ISO | Y-образный подшипник серии YAT2 (внутреннее кольцо. удлиненное с одной стороны. Стопорный винт). Стандартное уплотнение без маслоотражательного кольца с каждой стороны. |
| SFT35A | ISO | Двухрядный радиально-упорный шарикоподшипник без отверстия для смазки. |
| PSFT35/LP99 | ISO | Molded-Oil™ Lubrication System. |
| UCAF207L | ISO | Одно механическое уплотнение. |
| OWFS35U | ISO | Set Screw Mounting. |
Аналог корпуса подшипника UCFA207 — это подшипник такого же размера dx35,Dx155,Bx44, типа и конструкции.
Способы доставки
Отправка через ведущие транспортные и курьерские компании: ПЭК, Деловые Линии, СДЭК, Байкал-Сервис, Энергия, КИТ, ЖелДорЭкспедиция.
Самовывоз возможен напрямую со склада в Москве.
Сроки доставки
Срок зависит от региона и выбранной транспортной компании. Все заказы комплектуются и отправляются в кратчайшие сроки со склада в Москве.
Надёжность и сохранность
Вся продукция упаковывается с учётом требований транспортировки. Мы гарантируем, что подшипники и комплектующие прибудут к заказчику в полной сохранности.
Доставка в страны ЕАЭС
Мы работаем с проверенными логистическими партнёрами, что позволяет оперативно доставлять заказы в Беларусь, Казахстан, Армению и другие страны ЕАЭС.
Варианты оплаты:
Минимальная сумма заказа и скидки:
Документы и гарантии:
Да, конечно! Наши технические специалисты готовы помочь вам с подбором точного аналога или замены подшипника. Просто позвоните нам по телефону +7 (495) 104-99-04 или напишите на почту zakaz@podsnab.ru.
Для оперативной консультации подготовьте, пожалуйста, имеющиеся данные: маркировку, размеры, тип оборудования или артикул старого подшипника.
Да, конечно! Мы высоко ценим долгосрочное сотрудничество и доверие клиентов по всей России. Для постоянных клиентов действует персональная система скидок.
Условия формируются индивидуально и зависят от:
Чтобы узнать свои условия и получить максимально выгодное предложение, свяжитесь с персональным менеджером или напишите нам на почту zakaz@podsnab.ru.
Вы можете оформить заказ несколькими способами:
Для оформления заказа от юридического лица свяжитесь с нашим отделом по работе с корпоративными клиентами по телефону +7 (495) 104-99-04 или напишите на email zakaz@podsnab.ru, прикрепив реквизиты вашей организации.
Мы оперативно подготовим коммерческое предложение и выставим счет.
Возврат товара надлежащего качества возможен в течение 10 дней с момента получения, если товар не был в употреблении, сохранен товарный вид, упаковка не вскрывалась и присутствуют все сопроводительные документы.
Возврат денежных средств осуществляется в течение 10 рабочих дней после проверки товара складом.
В соответствии с законодательством возврату не подлежат подшипники надлежащего качества, если отсутствует оригинальная упаковка или имеются следы монтажа.
В случае выявления брака или гарантийного случая мы гарантируем возврат или обмен товара.
Да, гарантийный срок хранения устанавливается заводом-изготовителем и в среднем составляет 2 года при соблюдении условий хранения: сухое помещение, оригинальная упаковка и смазка.
Точный срок для конкретного типа подшипника уточняйте у наших менеджеров.
Пн–Пт: с 8:00 до 17:00 (МСК).
Сб–Вс: выходные дни.
Заказы на сайте принимаются круглосуточно. Заявки, поступившие после окончания рабочего дня, обрабатываются на следующий рабочий день.
Минимальная сумма заказа для доставки составляет 3000 рублей. Самовывоз со склада возможен на любую сумму при наличии товара.
ООО «УралТехГрупп»
ИНН: 7415093830
КПП: 772401001
ОГРН: 1167456069021
Банк: ПАО Сбербанк
Р/с: 40702810838000475273
К/с: 30101810400000000225
БИК: 044525225
У подшипника UCFA207 пока нет отзывов. Вы можете стать первым покупателем, поделившимся своим мнением.