Поиск подшипника
Статьи
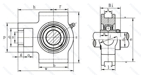
UCT205-15 — Корпус подшипника, модификация основного исполнения UCT205, выпускается производителями: AMB AMERICAN, FYH, NTN, TRANS LINK.
Размер подшипника: 25x100x34 мм.
Натяжной подшипниковый узел, соответствующий JIS, фиксация с помощью установочных винтов, distance between beginning of the rail and first hole in mm.
Альтернативное обозначение: UC205-15 + T205.
Аналоги: ST15/16 RHP.
Международная стандартизации ISO
UCT20515
В наличии
| Обозначение | Конструктивные изменения |
|---|---|
| UCT205D1 | Не требующий обслуживания тип. |
| UCT205 | Корпус подшипника. Основное конструктивное исполнение. |
| UCT205-16 | 01. |
| UCT205-14 | Distance In MM From Beginning Of The Rail Till The First Hole. |
| UCT205J | Дорожки качения наружного кольца. угол контакта и ширина наружного кольца в соответствии с ISO. |
| UCT205J D1 | Корпус подшипникового узла. С допуском сферического отверстия J. Подходит для корпуса диаметром до 100 мм.. Не требующий обслуживания тип. |
| UCT205-J7 | Наилучшая посадка в корпусе. |
| UCT205L | Одно механическое уплотнение. |
| UCT205J T2 | Шарикоподшипниковый узел. Допуск сферического внутреннего диаметра корпуса. Ball Bearing Unit. Special Heat Treatment Bearing *Inner Ring Eccentric Area Is Hardened. |
| UCT205 AV2 | Lubricant. Shell Oil Co.. Alvania #2 Grease. 1/4 Full. Temperature Range = -10°C / + 110°C (Normal Temperature Grease). |
| UCT205P2 | Two Grease Nipples On The Housing. |
| UCT205J P2 | Шарикоподшипниковый узел. Допуск сферического внутреннего диаметра корпуса. Two Grease Nipples On The Housing. |
| UCT205-16J | Корпус подшипникового узла. С допуском сферического отверстия J. Подходит для корпуса диаметром до 100 мм.. |
| UCT205-14-J7 | Distance In MM From Beginning Of The Rail Till The First Hole. Наилучшая посадка в корпусе. |
| UCT205-100 | 01. |
| UCT205/H | Более высокая стабильность и лучший баланс нагрузки, чем в стандартной комплектации. Для шарикоподшипниковых узлов UC/Угол установочных винтов 120° вместо 62°. |
| UCT205WB | Cast Iron Take-Up Type Bearing Unit With Its Stretcher Frame. Relubricatable. |
| UCT205-14-17/32 | 7/8. K Dimension. |
| UCT205-16-17/32 | 1. K Dimension. |
| UCT205-13 | 13/16. |
| UCT205-16-J7 | Наилучшая посадка в корпусе. 01. |
| UCT205-13-J7 | Наилучшая посадка в корпусе. 13/16. |
| UCT205-15-J7 | Distance Between Beginning Of The Rail And First Hole In MM. Наилучшая посадка в корпусе. |
| SM-UCT205 | Корпус подшипника. |
| UCT205-014D1 | Не требующий обслуживания тип. 7/8. |
Модификации корпуса подшипника UCT205-15 — это измененное основное конструктивное исполнение UCT205, основные размеры (25x100x34) не отличаются.
| Обозначение | Гост | Конструктивные особенности |
|---|---|---|
| ST25DEC | ISO | Эксцентриковая втулка удлиненным внутренним кольцом. |
| WSTUC25M-TPZM | ISO | Конструкция подшипника YAR. Метрические размеры и метрическая резьба. Применимо только для оборудования SKF Food Line. Особенности системы уплотнения и подшипника без смазки. Внутреннее и внешние кольца с цинковым покрытием. Уплотнения и фланцы со вставками из нержавеющей стали и пищевой резиной. Пищевая смазка. |
| CTW25ZM | ISO | Y-подшипник серии YAR2-2RF (внутреннее кольцо расширенное с обеих сторон. Фиксация с помощью стопорного винта). Стандартное уплотнение и прорезиненный фланец с каждой стороны. |
| MRC.CTW25ZM | ISO | Внутреннее и внешние кольца с цинковым покрытием. Уплотнения и фланцы со вставками из нержавеющей стали и пищевой резиной. Пищевая смазка. |
| CTW25SS | ISO | Нержавеющая сталь. |
| WSTUC25M-TPSS | ISO | Конструкция подшипника YAR. Метрические размеры и метрическая резьба. Применимо только для оборудования SKF Food Line. Вставной подшипник из нержавеющей стали с установочными винтами. |
| MRC.CTW25SS | ISO | Нержавеющая сталь. |
| MRC.CTW100SS | ISO | Нержавеющая сталь. |
| CTW100SS | ISO | Нержавеющая сталь. |
| WSTUC100-TPSS | ISO | Конструкция подшипника YAR. Вставной подшипник из нержавеющей стали с установочными винтами. |
| WSTUC25M-CPSS-DFH | ISO | Метрические размеры и метрическая резьба. Применимо только для оборудования SKF Food Line. Подшипник из нержавеющей стали с резьбовыми винтами. Специальная конструкция подшипника для агрегатов DFH. Герметичный корпус (заднее уплотнение и торцевая крышка установлены). |
| WSTUC100-CPSS-DFH | ISO | Подшипник из нержавеющей стали с резьбовыми винтами. Специальная конструкция подшипника для агрегатов DFH. Герметичный корпус (заднее уплотнение и торцевая крышка установлены). |
| PST1CR | ISO | Устойчивость к коррозии. |
| WSTU-SCEZ-100-PCR | ISO | Корпус из полимера. Подшипниковая вставка устойчива к коррозии. |
| RTUEY25-TV-VA | ISO | Нержавеющая сталь. Пластиковый корпус. |
| TU1.TF | ISO | Корпусный подшипник со стопорными винтами. серии YAR2. стандартное уплотнение и простой масло отражатель с каждой стороны. |
| TU25TF | ISO | Корпусный подшипник со стопорными винтами. серии YAR2. стандартное уплотнение и простой масло отражатель с каждой стороны. |
| TU25FM | ISO | Y-образный подшипник серии YET2 (внутреннее кольцо выдвинуто с одной стороны. Эксцентриковая стопорная втулка). Стандартное уплотнение без фланца с каждой стороны. |
| PST25CR | ISO | (TB-Segment) Phenolic (Composition) Fafnir Standard. |
| ST25EC | ISO | Два стальных сепаратора оконного типа. внутреннее кольцо без фланца. направляющее кольцо с усиленным роликом. |
Аналог корпуса подшипника UCT205-15 — это подшипник такого же размера dx25,Dx100,Bx34, типа и конструкции.
Способы доставки
Отправка через ведущие транспортные и курьерские компании: ПЭК, Деловые Линии, СДЭК, Байкал-Сервис, Энергия, КИТ, ЖелДорЭкспедиция.
Самовывоз возможен напрямую со склада в Москве.
Сроки доставки
Срок зависит от региона и выбранной транспортной компании. Все заказы комплектуются и отправляются в кратчайшие сроки со склада в Москве.
Надёжность и сохранность
Вся продукция упаковывается с учётом требований транспортировки. Мы гарантируем, что подшипники и комплектующие прибудут к заказчику в полной сохранности.
Доставка в страны ЕАЭС
Мы работаем с проверенными логистическими партнёрами, что позволяет оперативно доставлять заказы в Беларусь, Казахстан, Армению и другие страны ЕАЭС.
Варианты оплаты:
Минимальная сумма заказа и скидки:
Документы и гарантии:
Да, конечно! Наши технические специалисты готовы помочь вам с подбором точного аналога или замены подшипника. Просто позвоните нам по телефону +7 (495) 104-99-04 или напишите на почту zakaz@podsnab.ru.
Для оперативной консультации подготовьте, пожалуйста, имеющиеся данные: маркировку, размеры, тип оборудования или артикул старого подшипника.
Да, конечно! Мы высоко ценим долгосрочное сотрудничество и доверие клиентов по всей России. Для постоянных клиентов действует персональная система скидок.
Условия формируются индивидуально и зависят от:
Чтобы узнать свои условия и получить максимально выгодное предложение, свяжитесь с персональным менеджером или напишите нам на почту zakaz@podsnab.ru.
Вы можете оформить заказ несколькими способами:
Для оформления заказа от юридического лица свяжитесь с нашим отделом по работе с корпоративными клиентами по телефону +7 (495) 104-99-04 или напишите на email zakaz@podsnab.ru, прикрепив реквизиты вашей организации.
Мы оперативно подготовим коммерческое предложение и выставим счет.
Возврат товара надлежащего качества возможен в течение 10 дней с момента получения, если товар не был в употреблении, сохранен товарный вид, упаковка не вскрывалась и присутствуют все сопроводительные документы.
Возврат денежных средств осуществляется в течение 10 рабочих дней после проверки товара складом.
В соответствии с законодательством возврату не подлежат подшипники надлежащего качества, если отсутствует оригинальная упаковка или имеются следы монтажа.
В случае выявления брака или гарантийного случая мы гарантируем возврат или обмен товара.
Да, гарантийный срок хранения устанавливается заводом-изготовителем и в среднем составляет 2 года при соблюдении условий хранения: сухое помещение, оригинальная упаковка и смазка.
Точный срок для конкретного типа подшипника уточняйте у наших менеджеров.
Пн–Пт: с 8:00 до 17:00 (МСК).
Сб–Вс: выходные дни.
Заказы на сайте принимаются круглосуточно. Заявки, поступившие после окончания рабочего дня, обрабатываются на следующий рабочий день.
Минимальная сумма заказа для доставки составляет 3000 рублей. Самовывоз со склада возможен на любую сумму при наличии товара.
ООО «УралТехГрупп»
ИНН: 7415093830
КПП: 772401001
ОГРН: 1167456069021
Банк: ПАО Сбербанк
Р/с: 40702810838000475273
К/с: 30101810400000000225
БИК: 044525225
У подшипника UCT205-15 пока нет отзывов. Вы можете стать первым покупателем, поделившимся своим мнением.