Поиск подшипника
Статьи
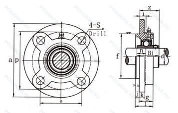
UCFC210 — Корпус подшипника, основное исполнение, выпускается производителями: ASAHI, ASKUBAL, CHINA, FAG, FELSTROM, FK, FS, FYH, HBF, IBU FIEDLER, JIB, KDF, KOYO, KSB, MSB, NACHI, NBR, NEUTRAL, NSK, NTN, SKF, SLB, SNR, STZ, TAM, TIMKEN, UNIBAL.
Размер подшипника: 50x165x51 мм.
Альтернативное обозначение: 56210 + FC210, FC50, FC56210, FYC50TF, GYE50KRRB + GG.ME10-N, RMEY50-N, UC210 + FC210, YAR210-2F + FYC510.
Аналоги: UCFC210J Koyo,UCFC210 IBU Fiedler.
Международная стандартизации ISO
UCFC210
В наличии
| Обозначение | Конструктивные изменения |
|---|---|
| UCFC210J | Дорожки качения наружного кольца. угол контакта и ширина наружного кольца в соответствии с ISO. |
| UCFC210-31 | 1.15/16. |
| UCFC210N AV2 | Lubricant. Shell Oil Co.. Alvania #2 Grease. 1/4 Full. Temperature Range = -10°C / + 110°C (Normal Temperature Grease). Канавка под стопорное кольцо на внешнем кольце. |
| UCFC210D1 | Канавка и смазочные отверстия на наружном кольце. |
| UCFC210-J7 | Наилучшая посадка в корпусе. |
| UCFC210-30 | 1.7/8. |
| UCFC210/H | Более высокая стабильность и лучший баланс нагрузки, чем в стандартной комплектации. Для шарикоподшипниковых узлов UC/Угол установочных винтов 120° вместо 62°. |
| UCFC210CO | Open Protective Cap Made Of Stainless Steel With Double Lip Seal. |
| UCFC210HT2 | Heat-Stabilized Up To 270°C. |
| S-UCFC210 | Корпус подшипника. |
| UCFC210D1 X AS3S | Стандартное заполнение. Измененные размеры границ. введенные пересмотренными стандартами ISO. Канавка и смазочные отверстия на наружном кольце. Смазка Shell Alvania S3, загуститель литиевый, базовое масло минеральное, температура от −10°C до +110°C.. |
| UCFC210-200D1 | Канавка и смазочные отверстия на наружном кольце. |
| UCFC210JE4 | Non-Lubricating Type. Корпус подшипникового узла. С допуском сферического отверстия J. Подходит для корпуса диаметром до 100 мм.. |
| UCFC210-29-J7 | Наилучшая посадка в корпусе. 1.13/16. |
| UCFC210-30-J7 | Distance Between End Face And First Hole Of The Rail. Наилучшая посадка в корпусе. |
| UCFC210-31-J7 | Наилучшая посадка в корпусе. 1.15/16. |
| UCFC210-32-J7 | Наилучшая посадка в корпусе. 02. |
Модификации корпуса подшипника UCFC210 — это измененное основное конструктивное исполнение UCFC210, основные размеры (50x165x51) не отличаются.
| Обозначение | Гост | Конструктивные особенности |
|---|---|---|
| RMEY50 | ISO | Корпус подшипника. |
| UC210 | ISO | Угол контакта 20 градусов. |
| GYE50KRRB | ISO | Корпус подшипника. |
| RMEL50 | ISO | Корпус подшипника. |
| FC56210 | ISO | Корпус подшипника. |
| RMEY50-XL-N | ISO | Серия X-Life премиум-класс. увеличиный срок службы. Чугунный корпус с подрезной прорезью для торцевых колпачков. |
| YME210 | ISO | Корпус подшипника. |
| FYC50TF | ISO | Корпусный подшипник со стопорными винтами. серии YAR2. стандартное уплотнение и простой масло отражатель с каждой стороны. |
| 56210 | ISO | Корпус подшипника. |
| Y/UCFC210/H | ISO | Более высокая стабильность и лучший баланс нагрузки, чем в стандартной комплектации. Для шарикоподшипниковых узлов UC/Угол установочных винтов 120° вместо 62°. |
| RMEL50-N | ISO | Чугунный корпус с подрезной прорезью для торцевых колпачков. |
Аналог корпуса подшипника UCFC210 — это подшипник такого же размера dx50,Dx165,Bx51, типа и конструкции.
Способы доставки
Отправка через ведущие транспортные и курьерские компании: ПЭК, Деловые Линии, СДЭК, Байкал-Сервис, Энергия, КИТ, ЖелДорЭкспедиция.
Самовывоз возможен напрямую со склада в Москве.
Сроки доставки
Срок зависит от региона и выбранной транспортной компании. Все заказы комплектуются и отправляются в кратчайшие сроки со склада в Москве.
Надёжность и сохранность
Вся продукция упаковывается с учётом требований транспортировки. Мы гарантируем, что подшипники и комплектующие прибудут к заказчику в полной сохранности.
Доставка в страны ЕАЭС
Мы работаем с проверенными логистическими партнёрами, что позволяет оперативно доставлять заказы в Беларусь, Казахстан, Армению и другие страны ЕАЭС.
Варианты оплаты:
Минимальная сумма заказа и скидки:
Документы и гарантии:
Да, конечно! Наши технические специалисты готовы помочь вам с подбором точного аналога или замены подшипника. Просто позвоните нам по телефону +7 (495) 104-99-04 или напишите на почту zakaz@podsnab.ru.
Для оперативной консультации подготовьте, пожалуйста, имеющиеся данные: маркировку, размеры, тип оборудования или артикул старого подшипника.
Да, конечно! Мы высоко ценим долгосрочное сотрудничество и доверие клиентов по всей России. Для постоянных клиентов действует персональная система скидок.
Условия формируются индивидуально и зависят от:
Чтобы узнать свои условия и получить максимально выгодное предложение, свяжитесь с персональным менеджером или напишите нам на почту zakaz@podsnab.ru.
Вы можете оформить заказ несколькими способами:
Для оформления заказа от юридического лица свяжитесь с нашим отделом по работе с корпоративными клиентами по телефону +7 (495) 104-99-04 или напишите на email zakaz@podsnab.ru, прикрепив реквизиты вашей организации.
Мы оперативно подготовим коммерческое предложение и выставим счет.
Возврат товара надлежащего качества возможен в течение 10 дней с момента получения, если товар не был в употреблении, сохранен товарный вид, упаковка не вскрывалась и присутствуют все сопроводительные документы.
Возврат денежных средств осуществляется в течение 10 рабочих дней после проверки товара складом.
В соответствии с законодательством возврату не подлежат подшипники надлежащего качества, если отсутствует оригинальная упаковка или имеются следы монтажа.
В случае выявления брака или гарантийного случая мы гарантируем возврат или обмен товара.
Да, гарантийный срок хранения устанавливается заводом-изготовителем и в среднем составляет 2 года при соблюдении условий хранения: сухое помещение, оригинальная упаковка и смазка.
Точный срок для конкретного типа подшипника уточняйте у наших менеджеров.
Пн–Пт: с 8:00 до 17:00 (МСК).
Сб–Вс: выходные дни.
Заказы на сайте принимаются круглосуточно. Заявки, поступившие после окончания рабочего дня, обрабатываются на следующий рабочий день.
Минимальная сумма заказа для доставки составляет 3000 рублей. Самовывоз со склада возможен на любую сумму при наличии товара.
ООО «УралТехГрупп»
ИНН: 7415093830
КПП: 772401001
ОГРН: 1167456069021
Банк: ПАО Сбербанк
Р/с: 40702810838000475273
К/с: 30101810400000000225
БИК: 044525225
У подшипника UCFC210 пока нет отзывов. Вы можете стать первым покупателем, поделившимся своим мнением.