Поиск подшипника
Статьи
UCF210 — Корпус подшипника, основное исполнение, выпускается производителями: ASAHI, ASKUBAL, CCVI, CHINA, FAG, FBJ, FELSTROM, FK, FS, FYH, GPZ, HBF, HFB, INA, JIB, KBF, KG, KOYO, LDK, NBI, NBR, NEUTRAL, NIS, NSK, NTN, PTI, PTN, SKF, SNR, STZ, TIMKEN, TR, TSU, WHX.
Размер подшипника: 50x143x60 мм.
Альтернативное обозначение: 56210 + FG210S, FG56210, FY50TF, GYE50KRRB + CJ10, RCJY50, UC210 + F210, YAR210-2F + FY510M.
Международная стандартизации ISO
UCF210
В наличии
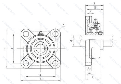
Подшипниковый узел UCF210 производства SKF представляет собой подшипник, установленный в корпус с посадкой для вала, предназначенный для работы с радиальными и осевыми нагрузками. Этот узел используется в различных механизмах, таких как насосы, редукторы, сельскохозяйственная техника и конвейеры, где требуется высокая надёжность и долговечность работы подшипников.
Размеры подшипникового узла UCF210:
Корпус подшипника UCF210 выполнен из прочных материалов, что повышает его долговечность и устойчивость к внешним воздействиям. Уплотнения защищают подшипник от загрязнений и предотвращают утечку смазки, что способствует долговечности подшипникового узла и снижает потребность в обслуживании.
При установке подшипникового узла SKF UCF210 важно соблюдать точность посадки вала и корпуса для обеспечения долговечности и стабильности работы подшипникового узла.
| Обозначение | Конструктивные изменения |
|---|---|
| UCF210D1 | Не требующий обслуживания тип. |
| UCF210SS | Две резиновые защитные шайбы. |
| UCF210J D1 | Корпус подшипникового узла. С допуском сферического отверстия J. Подходит для корпуса диаметром до 100 мм.. Не требующий обслуживания тип. |
| UCF210-50 | Fill Factor %. |
| UCF210-29 | 1.13/16. |
| UCF210KNST/S6/WHITE+PRO | Подшипник из нержавеющей стали. Colour Of The Housing. Polyamide. |
| UCF210-114D1X/AS3S | Стандартное заполнение. Стандартная консистентная смазка Alvania Grease 3. |
| UCF210-114D1/AS3S | Стандартное заполнение. Стандартная консистентная смазка Alvania Grease 3. Смазка Shell Alvania S3, загуститель литиевый, базовое масло минеральное, температура от −10°C до +110°C.. |
| UCF210V22 HT2 | Heat-Stabilized Up To 270°C. Отверстия для смазки с обеих сторон наружного кольца подшипника. |
| UCF210-29-J7 | Наилучшая посадка в корпусе. 1.13/16. |
| UCF210-30-J7 | 1.7/8. Наилучшая посадка в корпусе. |
| UCF210-32-J7 | Наилучшая посадка в корпусе. 2. |
| UCF210-31J | 1.15/16. |
| UCF210D1 X AV3S | Измененные размеры границ. введенные пересмотренными стандартами ISO. Стандартная консистентная смазка Alvania Grease 3. Alvania Grease #3 Standard Fill. |
| UCF210/H | Более высокая стабильность и лучший баланс нагрузки, чем в стандартной комплектации. Для шарикоподшипниковых узлов UC/Угол установочных винтов 120° вместо 62°. |
| UCF210GGG | Spheroidal Graphite Cast Iron. |
| UCF210D1 X AS3S | Стандартное заполнение. Измененные размеры границ. введенные пересмотренными стандартами ISO. Канавка и смазочные отверстия на наружном кольце. Смазка Shell Alvania S3, загуститель литиевый, базовое масло минеральное, температура от −10°C до +110°C.. |
| UCF210CO | Open Protective Cap Made Of Stainless Steel With Double Lip Seal. |
| UCF210-31-J7 | Наилучшая посадка в корпусе. 1.15/16. |
| UCF210BL | Смазка. |
| UCF210R3 | Уплотнение состоит из металлического колпачка и синтетического каучука.. |
| UCF210JC | Open Sheet Cover Or Cast Iron Cover. Корпус подшипникового узла. С допуском сферического отверстия J. Подходит для корпуса диаметром до 100 мм.. |
| UCF210PPSS | Thermo Plastic. Нержавеющая сталь. |
| UCF210N | Чугунный корпус с подрезной прорезью для торцевых колпачков. |
| UCF210C | 15° Угол контакта. |
Модификации корпуса подшипника UCF210 — это измененное основное конструктивное исполнение UCF210, основные размеры (50x143x60) не отличаются.
| Обозначение | Гост | Конструктивные особенности |
|---|---|---|
| RCJY50 | ISO | Корпус подшипника. |
| UC210 | ISO | Угол контакта 20 градусов. |
| GYE50KRRB | ISO | Корпус подшипника. |
| FY50TF | ISO | Корпусный подшипник со стопорными винтами. серии YAR2. стандартное уплотнение и простой масло отражатель с каждой стороны. |
| FG56210 | ISO | Корпус подшипника. |
| 56210 | ISO | Корпус подшипника. |
| UKF210K/H | ISO | Без закрепительной втулки. Более высокая стабильность и лучший баланс нагрузки, чем в стандартной комплектации. Для шарикоподшипниковых узлов UC/Угол установочных винтов 120° вместо 62°. |
| PCJ50-N-MON | ISO | Чугунный корпус с подрезной прорезью для торцевых колпачков. |
| FY1.15/16TF/VA201 | ISO | Корпусный подшипник со стопорными винтами. серии YAR2. стандартное уплотнение и простой масло отражатель с каждой стороны. Подшипник для высокотемпературных применений (например. печных тележек). |
| FY1.15/16TF/VA228 | ISO | Bearing With A “Coronet” Cage Of Graphite For Temperatures -150°C/+350°C. Корпусный подшипник со стопорными винтами. серии YAR2. стандартное уплотнение и простой масло отражатель с каждой стороны. |
| Y/UCF210/H | ISO | Более высокая стабильность и лучший баланс нагрузки, чем в стандартной комплектации. Для шарикоподшипниковых узлов UC/Угол установочных винтов 120° вместо 62°. |
| FWS50UPSS | ISO | Пластиковый корпус. Set Screw Mounting. Подшипник из нержавеющей стали. |
| SF50A | ISO | Двухрядный радиально-упорный шарикоподшипник без отверстия для смазки. |
| SF2RRAR3P5 | ISO | Класс точности ISO P5 (=ABEC5). Designation = Alvania Grease R3. Base Oil = Mineral. Thickener = Lithium. Min. Temp = -34°C. Max. Temp = +135°C. |
| UKF210-J7 | ISO | Наилучшая посадка в корпусе. |
| RCJY50-JIS | ISO | Японский промышленный стандарт. |
| SF1.15/16EC | ISO | Эксцентриковый кольцевой замок с внутренним кольцом заподлицо с одной стороны. Distance Between Beginning Of The Rail And First Hole In MM. |
| PCJ50-XL-N-FA125-I | ISO | Серия X-Life премиум-класс. увеличиный срок службы. Чугунный корпус с подрезной прорезью для торцевых колпачков. С покрытием Corrotect®, защищено от коррозии. Смазочный ниппель дюймового размера R 1/8 дюйма. |
| RCJY50-N | ISO | Чугунный корпус с подрезной прорезью для торцевых колпачков. |
| RCJ50N | ISO | Чугунный корпус с подрезной прорезью для торцевых колпачков. |
| FPL210SSN6 | ISO | Stainless Steel Grease Nipple And Food Grade Grease (Standard). |
| RCJY50-N-C3 | ISO | Внутренний зазор больше нормального. Чугунный корпус с подрезной прорезью для торцевых колпачков. |
| FY50TR/W64 | ISO | Антифрикционный заполнитель. твердая смазка. Y-подшипник серии YAR2-2RF (внутреннее кольцо расширенное с обеих сторон. Фиксация с помощью стопорного винта). Стандартное уплотнение и прорезиненный фланец с каждой стороны. |
| AELF210PX1 | ISO | Специальный допуск. |
| UKF210D1 | ISO | Стандартная консистентная смазка Alvania Grease 3. |
| SF50DEC | ISO | Эксцентриковая втулка удлиненным внутренним кольцом. |
Аналог корпуса подшипника UCF210 — это подшипник такого же размера dx50,Dx143,Bx60, типа и конструкции.
Способы доставки
Отправка через ведущие транспортные и курьерские компании: ПЭК, Деловые Линии, СДЭК, Байкал-Сервис, Энергия, КИТ, ЖелДорЭкспедиция.
Самовывоз возможен напрямую со склада в Москве.
Сроки доставки
Срок зависит от региона и выбранной транспортной компании. Все заказы комплектуются и отправляются в кратчайшие сроки со склада в Москве.
Надёжность и сохранность
Вся продукция упаковывается с учётом требований транспортировки. Мы гарантируем, что подшипники и комплектующие прибудут к заказчику в полной сохранности.
Доставка в страны ЕАЭС
Мы работаем с проверенными логистическими партнёрами, что позволяет оперативно доставлять заказы в Беларусь, Казахстан, Армению и другие страны ЕАЭС.
Варианты оплаты:
Минимальная сумма заказа и скидки:
Документы и гарантии:
Да, конечно! Наши технические специалисты готовы помочь вам с подбором точного аналога или замены подшипника. Просто позвоните нам по телефону +7 (495) 104-99-04 или напишите на почту zakaz@podsnab.ru.
Для оперативной консультации подготовьте, пожалуйста, имеющиеся данные: маркировку, размеры, тип оборудования или артикул старого подшипника.
Да, конечно! Мы высоко ценим долгосрочное сотрудничество и доверие клиентов по всей России. Для постоянных клиентов действует персональная система скидок.
Условия формируются индивидуально и зависят от:
Чтобы узнать свои условия и получить максимально выгодное предложение, свяжитесь с персональным менеджером или напишите нам на почту zakaz@podsnab.ru.
Вы можете оформить заказ несколькими способами:
Для оформления заказа от юридического лица свяжитесь с нашим отделом по работе с корпоративными клиентами по телефону +7 (495) 104-99-04 или напишите на email zakaz@podsnab.ru, прикрепив реквизиты вашей организации.
Мы оперативно подготовим коммерческое предложение и выставим счет.
Возврат товара надлежащего качества возможен в течение 10 дней с момента получения, если товар не был в употреблении, сохранен товарный вид, упаковка не вскрывалась и присутствуют все сопроводительные документы.
Возврат денежных средств осуществляется в течение 10 рабочих дней после проверки товара складом.
В соответствии с законодательством возврату не подлежат подшипники надлежащего качества, если отсутствует оригинальная упаковка или имеются следы монтажа.
В случае выявления брака или гарантийного случая мы гарантируем возврат или обмен товара.
Да, гарантийный срок хранения устанавливается заводом-изготовителем и в среднем составляет 2 года при соблюдении условий хранения: сухое помещение, оригинальная упаковка и смазка.
Точный срок для конкретного типа подшипника уточняйте у наших менеджеров.
Пн–Пт: с 8:00 до 17:00 (МСК).
Сб–Вс: выходные дни.
Заказы на сайте принимаются круглосуточно. Заявки, поступившие после окончания рабочего дня, обрабатываются на следующий рабочий день.
Минимальная сумма заказа для доставки составляет 3000 рублей. Самовывоз со склада возможен на любую сумму при наличии товара.
ООО «УралТехГрупп»
ИНН: 7415093830
КПП: 772401001
ОГРН: 1167456069021
Банк: ПАО Сбербанк
Р/с: 40702810838000475273
К/с: 30101810400000000225
БИК: 044525225
У подшипника UCF210 пока нет отзывов. Вы можете стать первым покупателем, поделившимся своим мнением.