Поиск подшипника
Статьи
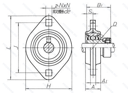
SAPFL204 — Корпус подшипника, основное исполнение, выпускается производителями: HFH, JIB, NEUTRAL, NKD, PTI.
Размер подшипника: 20x91x25 мм.
Альтернативное обозначение: SA204 + PFL204.
Аналоги: RAT20FA119 INA,RAT20-XL INA,BPFL4 Asahi,SAPFL204 NKD,SAPFL204 HFH,SAPFL204 JIB.
Международная стандартизации ISO
SAPFL204
В наличии
| Обозначение | Конструктивные изменения |
|---|---|
| SAPFL204-12 | 3/4. |
Модификации корпуса подшипника SAPFL204 — это измененное основное конструктивное исполнение SAPFL204, основные размеры (20x91x25) не отличаются.
| Обозначение | Гост | Конструктивные особенности |
|---|---|---|
| SA204 | ISO | Корпус подшипника. |
| PFT20RM | ISO | Y-образный подшипник серии YAT2 (внутреннее кольцо. удлиненное с одной стороны. Стопорный винт). Стандартное уплотнение без маслоотражательного кольца с каждой стороны. |
| BPFL4 | ISO | Корпус подшипника. |
| SBPF204V | ISO | Подшипник без сепаратора. С полным комплектом тел качения. |
| PF20FM | ISO | Y-образный подшипник серии YET2 (внутреннее кольцо выдвинуто с одной стороны. Эксцентриковая стопорная втулка). Стандартное уплотнение без фланца с каждой стороны. |
| BPFL4SB | ISO | Double Row. Angular Contact. Non-Filling Notch Bearing. With Outwardly Convergent Угол контактаs. Rigid Design. |
| RA20-XL | ISO | Серия X-Life премиум-класс. увеличиный срок службы. |
| RALTR20-XL | ISO | Серия X-Life премиум-класс. увеличиный срок службы. |
| RAT20-XL | ISO | Серия X-Life премиум-класс. увеличиный срок службы. |
| RATY20-XL | ISO | Серия X-Life премиум-класс. увеличиный срок службы. |
| RAY20-XL | ISO | Серия X-Life премиум-класс. увеличиный срок службы. |
| SLFE20EC/AR3P | ISO | Эксцентриковый кольцевой замок с внутренним кольцом заподлицо с одной стороны. Designation = Alvania Grease R3. Base Oil = Mineral. Thickener = Lithium. Min. Temp = -34°C. Max. Temp = +135°C. |
| BPFL4-12 | ISO | 3/4. |
| SBPFL204-12 | ISO | 3/4. |
| SLFL20EC | ISO | Эксцентриковый кольцевой замок с внутренним кольцом заподлицо с одной стороны. |
| PFT20FM | ISO | Y-образный подшипник серии YET2 (внутреннее кольцо выдвинуто с одной стороны. Эксцентриковая стопорная втулка). Стандартное уплотнение без фланца с каждой стороны. |
| RATY20-FA125.8-REIBMO1NCM | ISO | С покрытием Corrotect®, защищено от коррозии. |
| BPFL204SA | ISO | Подшипник серии YET 2 (внутреннее кольцо выдвинуто с одной стороны. Эксцентриковая стопорная втулка). |
| BPFL204-12SA | ISO | Подшипник серии YET 2 (внутреннее кольцо выдвинуто с одной стороны. Эксцентриковая стопорная втулка). |
| PFT3/4FM | ISO | Y-образный подшипник серии YET2 (внутреннее кольцо выдвинуто с одной стороны. Эксцентриковая стопорная втулка). Стандартное уплотнение без фланца с каждой стороны. |
| UBPF204 N AV2S | ISO | Канавка под стопорное кольцо на внешнем кольце. Lubricant. Shell Oil Co.. Alvania #2 Grease. 1/4 Full. Temperature Range = -10°C / + 110°C (Normal Temperature Grease). |
| PF202RM | ISO | Y-Bearing Of Series YAT 2 (Inner Ring Extended At One Side. Grub Screw Locking). Standard Seal Without Flinger At Each Side. |
| RAT20FA119 | ISO | Корпус подшипника. |
Аналог корпуса подшипника SAPFL204 — это подшипник такого же размера dx20,Dx91,Bx25, типа и конструкции.
Способы доставки
Отправка через ведущие транспортные и курьерские компании: ПЭК, Деловые Линии, СДЭК, Байкал-Сервис, Энергия, КИТ, ЖелДорЭкспедиция.
Самовывоз возможен напрямую со склада в Москве.
Сроки доставки
Срок зависит от региона и выбранной транспортной компании. Все заказы комплектуются и отправляются в кратчайшие сроки со склада в Москве.
Надёжность и сохранность
Вся продукция упаковывается с учётом требований транспортировки. Мы гарантируем, что подшипники и комплектующие прибудут к заказчику в полной сохранности.
Доставка в страны ЕАЭС
Мы работаем с проверенными логистическими партнёрами, что позволяет оперативно доставлять заказы в Беларусь, Казахстан, Армению и другие страны ЕАЭС.
Варианты оплаты:
Минимальная сумма заказа и скидки:
Документы и гарантии:
Да, конечно! Наши технические специалисты готовы помочь вам с подбором точного аналога или замены подшипника. Просто позвоните нам по телефону +7 (495) 104-99-04 или напишите на почту zakaz@podsnab.ru.
Для оперативной консультации подготовьте, пожалуйста, имеющиеся данные: маркировку, размеры, тип оборудования или артикул старого подшипника.
Да, конечно! Мы высоко ценим долгосрочное сотрудничество и доверие клиентов по всей России. Для постоянных клиентов действует персональная система скидок.
Условия формируются индивидуально и зависят от:
Чтобы узнать свои условия и получить максимально выгодное предложение, свяжитесь с персональным менеджером или напишите нам на почту zakaz@podsnab.ru.
Вы можете оформить заказ несколькими способами:
Для оформления заказа от юридического лица свяжитесь с нашим отделом по работе с корпоративными клиентами по телефону +7 (495) 104-99-04 или напишите на email zakaz@podsnab.ru, прикрепив реквизиты вашей организации.
Мы оперативно подготовим коммерческое предложение и выставим счет.
Возврат товара надлежащего качества возможен в течение 10 дней с момента получения, если товар не был в употреблении, сохранен товарный вид, упаковка не вскрывалась и присутствуют все сопроводительные документы.
Возврат денежных средств осуществляется в течение 10 рабочих дней после проверки товара складом.
В соответствии с законодательством возврату не подлежат подшипники надлежащего качества, если отсутствует оригинальная упаковка или имеются следы монтажа.
В случае выявления брака или гарантийного случая мы гарантируем возврат или обмен товара.
Да, гарантийный срок хранения устанавливается заводом-изготовителем и в среднем составляет 2 года при соблюдении условий хранения: сухое помещение, оригинальная упаковка и смазка.
Точный срок для конкретного типа подшипника уточняйте у наших менеджеров.
Пн–Пт: с 8:00 до 17:00 (МСК).
Сб–Вс: выходные дни.
Заказы на сайте принимаются круглосуточно. Заявки, поступившие после окончания рабочего дня, обрабатываются на следующий рабочий день.
Минимальная сумма заказа для доставки составляет 3000 рублей. Самовывоз со склада возможен на любую сумму при наличии товара.
ООО «УралТехГрупп»
ИНН: 7415093830
КПП: 772401001
ОГРН: 1167456069021
Банк: ПАО Сбербанк
Р/с: 40702810838000475273
К/с: 30101810400000000225
БИК: 044525225
У подшипника SAPFL204 пока нет отзывов. Вы можете стать первым покупателем, поделившимся своим мнением.