Поиск подшипника
Статьи
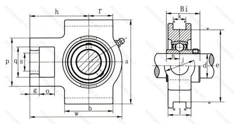
UCT204D1 — Корпус подшипника, модификация основного исполнения UCT204, производство NTN.
Размер подшипника: 20x97x34 мм.
Натяжной подшипниковый узел, соответствующий JIS, фиксация с помощью установочных винтов, канавка и смазочные отверстия на наружном кольце.
Альтернативное обозначение: UC204 + T204.
Аналоги: TU20TF SKF,ST20 RHP,UCT204 Koyo,UCT204 Asahi,UCT204 Nachi,UCT204J Koyo,UCT204P2 Koyo,UCT204L Koyo,UCT204N AV2 NSK,UCT204 AV2 NSK,UCT.204 SNR,EST204 SNR,UCT204 FK,UCT204J FYH,UCT204 JIB,UCT204 FHB,UCT204 Neutral,UCT204 TSC.
Международная стандартизации ISO
UCT204D1
В наличии
| Обозначение | Конструктивные изменения |
|---|---|
| UCT204-15 | Distance Between Beginning Of The Rail And First Hole In MM. |
| UCT204-12 | 3/4. |
| UCT204 | Корпус подшипника. Основное конструктивное исполнение. |
| UCT204J | Дорожки качения наружного кольца. угол контакта и ширина наружного кольца в соответствии с ISO. |
| UCT204J D1 | Корпус подшипникового узла. С допуском сферического отверстия J. Подходит для корпуса диаметром до 100 мм.. Не требующий обслуживания тип. |
| UCT204-J7 | Наилучшая посадка в корпусе. |
| UCT204L | Одно механическое уплотнение. |
| UCT204N AV2 | Lubricant. Shell Oil Co.. Alvania #2 Grease. 1/4 Full. Temperature Range = -10°C / + 110°C (Normal Temperature Grease). Канавка под стопорное кольцо на внешнем кольце. |
| UCT204 AV2 | Lubricant. Shell Oil Co.. Alvania #2 Grease. 1/4 Full. Temperature Range = -10°C / + 110°C (Normal Temperature Grease). |
| UCT204J P2 | Шарикоподшипниковый узел. Допуск сферического внутреннего диаметра корпуса. Two Grease Nipples On The Housing. |
| UCT204P2 | Two Grease Nipples On The Housing. |
| UCT204-12J | Корпус подшипникового узла. С допуском сферического отверстия J. Подходит для корпуса диаметром до 100 мм.. |
| UCT204-12/AS2P | 1/4 Full. Смазка Aeroshell 7. Диапазон от –10°C до 110°C.. 3/4. |
| UCT204-012 | 3/4. |
| UCT204/H | Более высокая стабильность и лучший баланс нагрузки, чем в стандартной комплектации. Для шарикоподшипниковых узлов UC/Угол установочных винтов 120° вместо 62°. |
| UCT204LJ | Корпус подшипникового узла. С допуском сферического отверстия J. Подходит для корпуса диаметром до 100 мм.. |
| UCT204E1 | Machined For Stamped Cover. |
| UCT204H1/S6 | Stainless Steel Cast Steel Model (SCS13). Нержавеющая сталь. |
| UCT204-12-J7 | 3/4. Наилучшая посадка в корпусе. |
| UCT204D1/AS3S | Стандартное заполнение. Стандартная консистентная смазка Alvania Grease 3. Смазка Shell Alvania S3, загуститель литиевый, базовое масло минеральное, температура от −10°C до +110°C.. |
Модификации корпуса подшипника UCT204D1 — это измененное основное конструктивное исполнение UCT204, основные размеры (20x97x34) не отличаются.
| Обозначение | Гост | Конструктивные особенности |
|---|---|---|
| PTUEY20 | ISO | Корпус подшипника. |
| UC204 | ISO | Угол контакта 20 градусов. |
| RTUEY20 | ISO | Корпус подшипника. |
| PTUE20 | ISO | Корпус подшипника. |
| RTUE20 | ISO | Корпус подшипника. |
| TU20FM | ISO | Y-образный подшипник серии YET2 (внутреннее кольцо выдвинуто с одной стороны. Эксцентриковая стопорная втулка). Стандартное уплотнение без фланца с каждой стороны. |
| TU20WF | ISO | Y-подшипник серии YEL2-2F (внутреннее кольцо выдвинуто с обеих сторон. Эксцентриковая стопорная втулка). Стандартное уплотнение и плоский фланец с каждой стороны. |
| TU20TF | ISO | Корпусный подшипник со стопорными винтами. серии YAR2. стандартное уплотнение и простой масло отражатель с каждой стороны. |
| TU3/4TF | ISO | Корпусный подшипник со стопорными винтами. серии YAR2. стандартное уплотнение и простой масло отражатель с каждой стороны. |
| ST20 | ISO | Корпус подшипника. |
| ST20EC | ISO | Эксцентриковый кольцевой замок с внутренним кольцом заподлицо с одной стороны. |
| T16204 | ISO | Корпус подшипника. |
| EST204 | ISO | Корпус подшипника. |
| UCT205-13 | ISO | 13/16. |
| UCT205-13-J7 | ISO | Наилучшая посадка в корпусе. 13/16. |
| ST3/4 | ISO | Подшипник с чрезвычайно высокой точностью вращения (Abec9) и допуском формы (Abec7). |
Аналог корпуса подшипника UCT204D1 — это подшипник такого же размера dx20,Dx97,Bx34, типа и конструкции.
Способы доставки
Отправка через ведущие транспортные и курьерские компании: ПЭК, Деловые Линии, СДЭК, Байкал-Сервис, Энергия, КИТ, ЖелДорЭкспедиция.
Самовывоз возможен напрямую со склада в Москве.
Сроки доставки
Срок зависит от региона и выбранной транспортной компании. Все заказы комплектуются и отправляются в кратчайшие сроки со склада в Москве.
Надёжность и сохранность
Вся продукция упаковывается с учётом требований транспортировки. Мы гарантируем, что подшипники и комплектующие прибудут к заказчику в полной сохранности.
Доставка в страны ЕАЭС
Мы работаем с проверенными логистическими партнёрами, что позволяет оперативно доставлять заказы в Беларусь, Казахстан, Армению и другие страны ЕАЭС.
Варианты оплаты:
Минимальная сумма заказа и скидки:
Документы и гарантии:
Да, конечно! Наши технические специалисты готовы помочь вам с подбором точного аналога или замены подшипника. Просто позвоните нам по телефону +7 (495) 104-99-04 или напишите на почту zakaz@podsnab.ru.
Для оперативной консультации подготовьте, пожалуйста, имеющиеся данные: маркировку, размеры, тип оборудования или артикул старого подшипника.
Да, конечно! Мы высоко ценим долгосрочное сотрудничество и доверие клиентов по всей России. Для постоянных клиентов действует персональная система скидок.
Условия формируются индивидуально и зависят от:
Чтобы узнать свои условия и получить максимально выгодное предложение, свяжитесь с персональным менеджером или напишите нам на почту zakaz@podsnab.ru.
Вы можете оформить заказ несколькими способами:
Для оформления заказа от юридического лица свяжитесь с нашим отделом по работе с корпоративными клиентами по телефону +7 (495) 104-99-04 или напишите на email zakaz@podsnab.ru, прикрепив реквизиты вашей организации.
Мы оперативно подготовим коммерческое предложение и выставим счет.
Возврат товара надлежащего качества возможен в течение 10 дней с момента получения, если товар не был в употреблении, сохранен товарный вид, упаковка не вскрывалась и присутствуют все сопроводительные документы.
Возврат денежных средств осуществляется в течение 10 рабочих дней после проверки товара складом.
В соответствии с законодательством возврату не подлежат подшипники надлежащего качества, если отсутствует оригинальная упаковка или имеются следы монтажа.
В случае выявления брака или гарантийного случая мы гарантируем возврат или обмен товара.
Да, гарантийный срок хранения устанавливается заводом-изготовителем и в среднем составляет 2 года при соблюдении условий хранения: сухое помещение, оригинальная упаковка и смазка.
Точный срок для конкретного типа подшипника уточняйте у наших менеджеров.
Пн–Пт: с 8:00 до 17:00 (МСК).
Сб–Вс: выходные дни.
Заказы на сайте принимаются круглосуточно. Заявки, поступившие после окончания рабочего дня, обрабатываются на следующий рабочий день.
Минимальная сумма заказа для доставки составляет 3000 рублей. Самовывоз со склада возможен на любую сумму при наличии товара.
ООО «УралТехГрупп»
ИНН: 7415093830
КПП: 772401001
ОГРН: 1167456069021
Банк: ПАО Сбербанк
Р/с: 40702810838000475273
К/с: 30101810400000000225
БИК: 044525225
У подшипника UCT204D1 пока нет отзывов. Вы можете стать первым покупателем, поделившимся своим мнением.