Поиск подшипника
Статьи
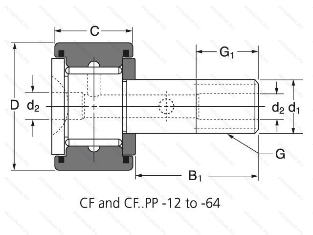
CF26PP — Кулачковый ролик толкатель, модификация основного исполнения CF26, выпускается производителями: INA, NIS.
Размер ролика: 15x41x22 мм.
Уплотнения на каждой стороне подшипника.
Альтернативное обозначение: CF1.5/8SB, CR1.5/8XB, CRSB26, S52LW.
Международная стандартизации ISO
CF26PP
В наличии
| Обозначение | Конструктивные изменения |
|---|---|
| CF26 | Кулачковый ролик толкатель. Основное конструктивное исполнение. |
| CF26-NM | Кулачковый ролик толкатель. |
| CF26NM A | Двухрядный радиально-упорный шарикоподшипник без отверстия для смазки. |
| CF26PPSK | Кулачковый толкатель штифтового типа. С шестигранной головкой. Манжетные уплотнения с обеих сторон (тип P - две шайбы из оцинкованной листовой стали с промежуточной частью NBR. Кромка уплотнения предварительно нагружена в осевом направлении). Диапазон температур -30℃/+100℃. |
| CF26PPA | Скользящие уплотнительные кольца из полиамида с обеих сторон, улучшенный корончатый профиль рабочей поверхности наружного кольца. |
Модификации кулачкового ролика CF26PP — это измененное основное конструктивное исполнение CF26, основные размеры (15x41x22) не отличаются.
| Обозначение | Гост | Конструктивные особенности |
|---|---|---|
| CRS26 | ISO | Кулачковый ролик толкатель. |
| CRSB26 | ISO | Кулачковый ролик толкатель. |
| S52 | ISO | Кулачковый ролик толкатель. |
| ZL202-DRS | ISO | Манжетное уплотнение на стороне шпильки. |
| CRSBC26 | ISO | Кулачковый ролик толкатель. |
| ZL202-DRS-L427/80 | ISO | Манжетное уплотнение на стороне шпильки. Длина в мм. |
Аналог кулачкового ролика CF26PP — это ролик такого же размера dx15,Dx41,Bx22, типа и конструкции.
| Обозначение | Конструктивные особенности | Внутренний (d) | Наружный (D) | Ширина (B) |
|---|---|---|---|---|
| GIKL16PWA | Сферический шарнирный подшипник. Особенность внутренней конструкции. Контактная поверхность скольжения Сталь/PTFE. | 16.00 | 42.00 | 21.00 |
| GIKR16-PW-A | Сферический шарнирный подшипник. Особенность внутренней конструкции. Контактная поверхность скольжения Сталь/PTFE. | 16.00 | 42.00 | 21.00 |
| BEF16-20-502 | Сферический шарнирный подшипник. Distance Between Beginning Of The Rail And First Hole In MM. Левосторонняя резьба. | 16.00 | 42.00 | 21.00 |
| GARSW16RR | Сферический шарнирный подшипник. Полностью из нержавеющей стали.. | 16.00 | 42.00 | 21.00 |
| 83702-К1С2 | Роликовый радиальный сферический двухрядный подшипник. Кольцевая проточка на середине цилиндрической наружной поверхности наружного кольца плюс три отверстия для смазки. Смазка ЦИАТИМ-221. | 15.00 | 42.00 | 21.00 |
| 83702-Ю2 | Роликовый радиальный сферический двухрядный подшипник. Все детали или часть деталей из нержавеющей стали.. | 15.00 | 42.00 | 21.00 |
| 83702-Ю3 | Роликовый радиальный сферический двухрядный подшипник. Все детали или часть деталей из нержавеющей стали.. | 15.00 | 42.00 | 21.00 |
| 83702-Ю3С21 | Роликовый радиальный сферический двухрядный подшипник. Смазка ЭРА. Все детали или часть деталей из нержавеющей стали.. | 15.00 | 42.00 | 21.00 |
| 83702-Ю3ТС8 | Роликовый радиальный сферический двухрядный подшипник. Температура отпуска. 160°. Смазка ВНИИНП-235. Все детали или часть деталей из нержавеющей стали.. | 15.00 | 42.00 | 21.00 |
| GAY010-NPP-B-AS2/V | Шариковый радиальный подшипник. Конический роликовый подшипник. Угол контакта 20 градусов. Манжетные уплотнения с обеих сторон (Тип P — две шайбы из оцинкованной листовой стали с промежуточной частью из NBR. Кромка уплотнения предварительно нагружена в осевом направлении). Наружное кольцо подшипника с двумя смазочными отверстиями в смещенных плоскостях. | 15.88 | 40.00 | 22.00 |
| 6-83702 К1С21 | Роликовый радиальный сферический двухрядный подшипник. Кольцевая проточка на середине цилиндрической наружной поверхности наружного кольца плюс три отверстия для смазки. Смазка ЭРА. | 15.00 | 42.00 | 21.00 |
| AS202D1 | Шариковый радиальный однорядный подшипник. Не требующий обслуживания тип. | 15.00 | 40.00 | 22.00 |
| AB41560S01 | Шариковый радиальный однорядный подшипник. Сферический наружный диаметр. | 15.00 | 42.00 | 23.00 |
| SA16T/K | Шарнирный подшипник. Коническое отверстие. Конусность 1/12. Textile Laminated Phenolic Resin. Outer Ring Guided. The Cage Is Suitable For Long-Term Operation At Temperatures Up To 100°C. | 16.00 | 42.00 | 21.00 |
| SAL16T/K | Шарнирный подшипник. Коническое отверстие. Конусность 1/12. Textile Laminated Phenolic Resin. Outer Ring Guided. The Cage Is Suitable For Long-Term Operation At Temperatures Up To 100°C. | 16.00 | 42.00 | 21.00 |
Способы доставки
Отправка через ведущие транспортные и курьерские компании: ПЭК, Деловые Линии, СДЭК, Байкал-Сервис, Энергия, КИТ, ЖелДорЭкспедиция.
Самовывоз возможен напрямую со склада в Москве.
Сроки доставки
Срок зависит от региона и выбранной транспортной компании. Все заказы комплектуются и отправляются в кратчайшие сроки со склада в Москве.
Надёжность и сохранность
Вся продукция упаковывается с учётом требований транспортировки. Мы гарантируем, что подшипники и комплектующие прибудут к заказчику в полной сохранности.
Доставка в страны ЕАЭС
Мы работаем с проверенными логистическими партнёрами, что позволяет оперативно доставлять заказы в Беларусь, Казахстан, Армению и другие страны ЕАЭС.
Варианты оплаты:
Минимальная сумма заказа и скидки:
Документы и гарантии:
Да, конечно! Наши технические специалисты готовы помочь вам с подбором точного аналога или замены подшипника. Просто позвоните нам по телефону +7 (495) 104-99-04 или напишите на почту zakaz@podsnab.ru.
Для оперативной консультации подготовьте, пожалуйста, имеющиеся данные: маркировку, размеры, тип оборудования или артикул старого подшипника.
Да, конечно! Мы высоко ценим долгосрочное сотрудничество и доверие клиентов по всей России. Для постоянных клиентов действует персональная система скидок.
Условия формируются индивидуально и зависят от:
Чтобы узнать свои условия и получить максимально выгодное предложение, свяжитесь с персональным менеджером или напишите нам на почту zakaz@podsnab.ru.
Вы можете оформить заказ несколькими способами:
Для оформления заказа от юридического лица свяжитесь с нашим отделом по работе с корпоративными клиентами по телефону +7 (495) 104-99-04 или напишите на email zakaz@podsnab.ru, прикрепив реквизиты вашей организации.
Мы оперативно подготовим коммерческое предложение и выставим счет.
Возврат товара надлежащего качества возможен в течение 10 дней с момента получения, если товар не был в употреблении, сохранен товарный вид, упаковка не вскрывалась и присутствуют все сопроводительные документы.
Возврат денежных средств осуществляется в течение 10 рабочих дней после проверки товара складом.
В соответствии с законодательством возврату не подлежат подшипники надлежащего качества, если отсутствует оригинальная упаковка или имеются следы монтажа.
В случае выявления брака или гарантийного случая мы гарантируем возврат или обмен товара.
Да, гарантийный срок хранения устанавливается заводом-изготовителем и в среднем составляет 2 года при соблюдении условий хранения: сухое помещение, оригинальная упаковка и смазка.
Точный срок для конкретного типа подшипника уточняйте у наших менеджеров.
Пн–Пт: с 8:00 до 17:00 (МСК).
Сб–Вс: выходные дни.
Заказы на сайте принимаются круглосуточно. Заявки, поступившие после окончания рабочего дня, обрабатываются на следующий рабочий день.
Минимальная сумма заказа для доставки составляет 3000 рублей. Самовывоз со склада возможен на любую сумму при наличии товара.
ООО «УралТехГрупп»
ИНН: 7415093830
КПП: 772401001
ОГРН: 1167456069021
Банк: ПАО Сбербанк
Р/с: 40702810838000475273
К/с: 30101810400000000225
БИК: 044525225
У подшипника CF26PP пока нет отзывов. Вы можете стать первым покупателем, поделившимся своим мнением.