Поиск подшипника
Статьи
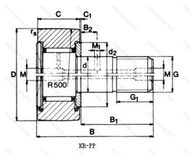
KRE52PP — Кулачковый ролик толкатель, модификация основного исполнения KRE52, выпускается производителями: INA, NEUTRAL, SKF.
Размер ролика: 24x52x24 мм.
KR+E. Опорный ролик, шпилечного типа с сепаратором, профилированный наружный диаметр, уплотнения на каждой стороне подшипника.
Аналоги: KRE52PPA INA,MCFRE52S McGill,KRE52PP Neutral.
Международная стандартизации ISO
KRE52PP
В наличии
| Обозначение | Гост | Конструктивные особенности |
|---|---|---|
| GCR52EE | ISO | Резиновые уплотнения с каждой стороны подшипника. |
| KRVE52PPA | ISO | Двухрядный радиально-упорный шарикоподшипник без отверстия для смазки. |
| KRE52PPA | ISO | Измененная или модифицированная внутренняя конструкция при неизменных основных размерах. |
| KR52B | ISO | Конический роликовый подшипник. Угол контакта 20 градусов. |
| KR52 | ISO | Кулачковый ролик толкатель. |
| KRVE52PP | ISO | Уплотнения на каждой стороне подшипника. |
| GCR52EEM | ISO | Подшипник с латунным сепаратором. центрированный по телам качения. |
| KR52CLL | ISO | Контактное. синтетические. резиновое уплотнение с двух сторон. |
| KRE52PPX | ISO | Цилиндрическая рабочая поверхность. Манжетные уплотнения с обеих сторон (тип P - две шайбы из оцинкованной листовой стали с промежуточной частью NBR. Кромка уплотнения предварительно нагружена в осевом направлении). Диапазон температур -30℃/+100℃. |
| MCFE52S | ISO | Запечатанная версия кулачкового ролика. |
| MCFR52S | ISO | Запечатанная версия кулачкового ролика. |
| MCFRE52SBX | ISO | Запечатанная версия кулачкового ролика. Кулачковый механизм. Шестигранное отверстие заменяет шлиц под отвертку во фланцевом конце штока. Цилиндрическая рабочая поверхность. |
| MCFR52 | ISO | Кулачковый ролик толкатель. |
| MCFE52 | ISO | Кулачковый ролик толкатель. |
| KRVE52LL | ISO | Контактное. синтетические. резиновое уплотнение с двух сторон. |
| KR52C | ISO | 15° Угол контакта. |
| CF20R | ISO | Коронка на наружном кольце. |
| KRVE52-PP-A-NMT | ISO | Манжетные уплотнения с обеих сторон (тип P - две шайбы из оцинкованной листовой стали с промежуточной частью NBR. Кромка уплотнения предварительно нагружена в осевом направлении). Диапазон температур -30℃/+100℃. Шестигранная гайка. |
| KRVE52PP SK | ISO | Кулачковый толкатель штифтового типа. С шестигранной головкой. Манжетные уплотнения с обеих сторон (тип P - две шайбы из оцинкованной листовой стали с промежуточной частью NBR. Кромка уплотнения предварительно нагружена в осевом направлении). Диапазон температур -30℃/+100℃. |
Аналог кулачкового ролика KRE52PP — это ролик такого же размера dx24,Dx52,Bx24, типа и конструкции.
| Обозначение | Конструктивные особенности | Внутренний (d) | Наружный (D) | Ширина (B) |
|---|---|---|---|---|
| NATV25LL/3AS | Опорный ролик. Контактное. синтетические. резиновое уплотнение с двух сторон. Смазка. Shell Oil Co. Смазка Alvania #3, стандартная заливка.. | 25.00 | 52.00 | 24.00 |
| LK205.2F | Подшипник для корпуса. Двойное уплотнение. Защитная крышка, размещенная на внутреннем кольце. Используется с подшипниками типа Y. | 25.00 | 52.00 | 23.00 |
| LS205.2F | Подшипник для корпуса. Двойное уплотнение. Защитная крышка, размещенная на внутреннем кольце. Используется с подшипниками типа Y. | 25.00 | 52.00 | 24.00 |
| LS205FS MNK | Подшипник для корпуса. Sealing With One Lip Seal And A Protective Metal Ring At One Side And One Lip Seal On The Another Side. | 25.00 | 52.00 | 24.00 |
| 22205-2RS | Роликовый радиальный сферический двухрядный подшипник. Резиновые уплотнения с каждой стороны подшипника. | 25.00 | 52.00 | 23.00 |
| BS2-2205-2CS/VT143 | Роликовый радиальный сферический двухрядный подшипник. Заполнение пластичной смазкой SKF LGEP 2 на 25–35 %. Sheet Steel Reinforced Contact Seal Of Acrylonitrile-Butadiene Rubber (NBR) On Both Sides Of The Bearing. Annular Groove And Three Lubrication Holes In The Outer Ring Covered With A Polymer Band. Lubricated With An Extreme Pressure Bearing Grease According To Temperature Range -20℃/+110℃. Grease Fill 25% To 35%. Высокая осевая жесткость и грузоподъемность.. | 25.00 | 52.00 | 23.00 |
| КПБ-25 ЛС17 | Роликовый игольчатый подшипник однорядный. Смазка Литол-24. Сепаратор из латуни.. | 25.00 | 52.00 | 25.00 |
| 256805-ЕС23 | Шариковый радиально-упорный двухрядный подшипник. Сепаратор из текстолита.. Смазка ШРУС-4. | 25.00 | 52.00 | 23.00 |
| 6-256805 ЕС23Ш1 | Шариковый радиально-упорный двухрядный подшипник. Сепаратор из текстолита.. Нормы шумности. Смазка ШРУС-4. | 25.00 | 52.00 | 23.00 |
| 6-256805 ЕС23Ш | Шариковый радиально-упорный двухрядный подшипник. Сепаратор из текстолита.. Нормы шумности. Смазка ШРУС-4. | 25.00 | 52.00 | 23.00 |
| 6-256805 ЕL19Ш1 | Шариковый радиально-упорный двухрядный подшипник. Lubricant. Mobil Oil Co.. Mobil 28 Grease. MIL-G-81322 High/Low Temperature -62°C/+176°C. Сепаратор из текстолита.. Нормы шумности. | 25.00 | 52.00 | 23.00 |
| 6-256805 Е | Шариковый радиально-упорный двухрядный подшипник. Сепаратор из текстолита.. | 25.00 | 52.00 | 23.00 |
| 83A460CCS45 | Шариковый радиально-упорный двухрядный подшипник. Угол контакта 20 градусов. | 25.00 | 52.00 | 23.60 |
| 256805-Е | Шариковый радиально-упорный двухрядный подшипник. Сепаратор из текстолита.. | 25.00 | 52.00 | 23.00 |
| 6-256805 ЕС23 | Шариковый радиально-упорный двухрядный подшипник. Сепаратор из текстолита.. Смазка ШРУС-4. | 25.00 | 52.00 | 23.00 |
Способы доставки
Отправка через ведущие транспортные и курьерские компании: ПЭК, Деловые Линии, СДЭК, Байкал-Сервис, Энергия, КИТ, ЖелДорЭкспедиция.
Самовывоз возможен напрямую со склада в Москве.
Сроки доставки
Срок зависит от региона и выбранной транспортной компании. Все заказы комплектуются и отправляются в кратчайшие сроки со склада в Москве.
Надёжность и сохранность
Вся продукция упаковывается с учётом требований транспортировки. Мы гарантируем, что подшипники и комплектующие прибудут к заказчику в полной сохранности.
Доставка в страны ЕАЭС
Мы работаем с проверенными логистическими партнёрами, что позволяет оперативно доставлять заказы в Беларусь, Казахстан, Армению и другие страны ЕАЭС.
Варианты оплаты:
Минимальная сумма заказа и скидки:
Документы и гарантии:
Да, конечно! Наши технические специалисты готовы помочь вам с подбором точного аналога или замены подшипника. Просто позвоните нам по телефону +7 (495) 104-99-04 или напишите на почту zakaz@podsnab.ru.
Для оперативной консультации подготовьте, пожалуйста, имеющиеся данные: маркировку, размеры, тип оборудования или артикул старого подшипника.
Да, конечно! Мы высоко ценим долгосрочное сотрудничество и доверие клиентов по всей России. Для постоянных клиентов действует персональная система скидок.
Условия формируются индивидуально и зависят от:
Чтобы узнать свои условия и получить максимально выгодное предложение, свяжитесь с персональным менеджером или напишите нам на почту zakaz@podsnab.ru.
Вы можете оформить заказ несколькими способами:
Для оформления заказа от юридического лица свяжитесь с нашим отделом по работе с корпоративными клиентами по телефону +7 (495) 104-99-04 или напишите на email zakaz@podsnab.ru, прикрепив реквизиты вашей организации.
Мы оперативно подготовим коммерческое предложение и выставим счет.
Возврат товара надлежащего качества возможен в течение 10 дней с момента получения, если товар не был в употреблении, сохранен товарный вид, упаковка не вскрывалась и присутствуют все сопроводительные документы.
Возврат денежных средств осуществляется в течение 10 рабочих дней после проверки товара складом.
В соответствии с законодательством возврату не подлежат подшипники надлежащего качества, если отсутствует оригинальная упаковка или имеются следы монтажа.
В случае выявления брака или гарантийного случая мы гарантируем возврат или обмен товара.
Да, гарантийный срок хранения устанавливается заводом-изготовителем и в среднем составляет 2 года при соблюдении условий хранения: сухое помещение, оригинальная упаковка и смазка.
Точный срок для конкретного типа подшипника уточняйте у наших менеджеров.
Пн–Пт: с 8:00 до 17:00 (МСК).
Сб–Вс: выходные дни.
Заказы на сайте принимаются круглосуточно. Заявки, поступившие после окончания рабочего дня, обрабатываются на следующий рабочий день.
Минимальная сумма заказа для доставки составляет 3000 рублей. Самовывоз со склада возможен на любую сумму при наличии товара.
ООО «УралТехГрупп»
ИНН: 7415093830
КПП: 772401001
ОГРН: 1167456069021
Банк: ПАО Сбербанк
Р/с: 40702810838000475273
К/с: 30101810400000000225
БИК: 044525225
У подшипника KRE52PP пока нет отзывов. Вы можете стать первым покупателем, поделившимся своим мнением.