Поиск подшипника
Статьи
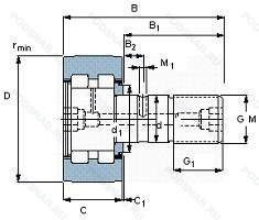
PWKR35 2RS — Кулачковый ролик толкатель, модификация основного исполнения PWKR35, выпускается производителями: INA, NKE, SKF.
Размер ролика: 16x35x52 мм.
Резиновые уплотнения с каждой стороны подшипника.
Аналоги: PWKR35-2RS-XL INA,PWKR35 2RSA IDC/Interprecise Donath GmbH.
Международная стандартизации ISO
PWKR352RS
В наличии
| Обозначение | Гост | Конструктивные особенности |
|---|---|---|
| NUKR35A SK | ISO | Двухрядный радиально-упорный шарикоподшипник без отверстия для смазки. Кулачковый толкатель штифтового типа. С шестигранной головкой. |
| NUKR35.2SK | ISO | Two Hexagonal Socket In Flange End. |
| NUKR35AA DZ | ISO | Опорные ролики игольчатого типа. Цилиндрический наружный диаметр. Литой сепаратор оконного типа из полиамида. усиленного стекловолокном. Измененный внутренний дизайн. |
| KR35B | ISO | Конический роликовый подшипник. Угол контакта 20 градусов. |
| KR35PPA | ISO | Скользящие уплотнительные кольца из полиамида с обеих сторон, улучшенный корончатый профиль рабочей поверхности наружного кольца. |
| NUKR35 | ISO | Кулачковый ролик толкатель. |
| NUKR35XA | ISO | (Cone/Inner Race And Cup/Outer Race) Special Feature Bearing (Non-Interchangeable With Bearings Having The Same Basic Part Number). |
| NUKR35DZ | ISO | Опорные ролики игольчатого типа. Цилиндрический наружный диаметр. Литой сепаратор оконного типа из полиамида. усиленного стекловолокном. |
| NUKR35X | ISO | Измененные размеры границ. введенные пересмотренными стандартами ISO. |
| NUKR35AA | ISO | Измененный внутренний дизайн. |
| NUKR35A | ISO | Измененная или модифицированная внутренняя конструкция при неизменных основных размерах. |
| NUKR35-X-A-NMT | ISO | Двухрядный радиально-упорный шарикоподшипник без отверстия для смазки. Цилиндрическая рабочая поверхность. Шестигранная гайка. |
| NUKR35H/3AS | ISO | Pressed Snap-Type Steel Cage. Hardened. Смазка. Shell Oil Co. Смазка Alvania #3, стандартная заливка.. |
| NUKR35-A-AP-G1/8 | ISO | Двухрядный радиально-упорный шарикоподшипник без отверстия для смазки. Ламинированный фенольный сепаратор с центрированием на внешнем кольце. Средний предварительный натяг. |
| NUKR35-A-NMT | ISO | Двухрядный радиально-упорный шарикоподшипник без отверстия для смазки. Шестигранная гайка. |
| NUKR35H | ISO | Pressed Snap-Type Steel Cage. Hardened. |
| NUKR35SK | ISO | Кулачковый толкатель штифтового типа. С шестигранной головкой. |
| NUKR35-NMT | ISO | Шестигранная гайка. |
| NUKR35XH/3AS | ISO | Double Row Flanged Cup. Смазка. Shell Oil Co. Смазка Alvania #3, стандартная заливка.. |
Аналог кулачкового ролика PWKR35 2RS — это ролик такого же размера dx16,Dx35,Bx52, типа и конструкции.
| Обозначение | Конструктивные особенности | Внутренний (d) | Наружный (D) | Ширина (B) |
|---|---|---|---|---|
| КНС35 РР | Роликовый игольчатый подшипник однорядный. Детали из теплостойкой стали. Детали из теплоустойчивой (быстрорежущие) стали.. Смазка BERUTOX FE 18 EP. | 16.00 | 35.00 | 52.00 |
Способы доставки
Отправка через ведущие транспортные и курьерские компании: ПЭК, Деловые Линии, СДЭК, Байкал-Сервис, Энергия, КИТ, ЖелДорЭкспедиция.
Самовывоз возможен напрямую со склада в Москве.
Сроки доставки
Срок зависит от региона и выбранной транспортной компании. Все заказы комплектуются и отправляются в кратчайшие сроки со склада в Москве.
Надёжность и сохранность
Вся продукция упаковывается с учётом требований транспортировки. Мы гарантируем, что подшипники и комплектующие прибудут к заказчику в полной сохранности.
Доставка в страны ЕАЭС
Мы работаем с проверенными логистическими партнёрами, что позволяет оперативно доставлять заказы в Беларусь, Казахстан, Армению и другие страны ЕАЭС.
Варианты оплаты:
Минимальная сумма заказа и скидки:
Документы и гарантии:
Да, конечно! Наши технические специалисты готовы помочь вам с подбором точного аналога или замены подшипника. Просто позвоните нам по телефону +7 (495) 104-99-04 или напишите на почту zakaz@podsnab.ru.
Для оперативной консультации подготовьте, пожалуйста, имеющиеся данные: маркировку, размеры, тип оборудования или артикул старого подшипника.
Да, конечно! Мы высоко ценим долгосрочное сотрудничество и доверие клиентов по всей России. Для постоянных клиентов действует персональная система скидок.
Условия формируются индивидуально и зависят от:
Чтобы узнать свои условия и получить максимально выгодное предложение, свяжитесь с персональным менеджером или напишите нам на почту zakaz@podsnab.ru.
Вы можете оформить заказ несколькими способами:
Для оформления заказа от юридического лица свяжитесь с нашим отделом по работе с корпоративными клиентами по телефону +7 (495) 104-99-04 или напишите на email zakaz@podsnab.ru, прикрепив реквизиты вашей организации.
Мы оперативно подготовим коммерческое предложение и выставим счет.
Возврат товара надлежащего качества возможен в течение 10 дней с момента получения, если товар не был в употреблении, сохранен товарный вид, упаковка не вскрывалась и присутствуют все сопроводительные документы.
Возврат денежных средств осуществляется в течение 10 рабочих дней после проверки товара складом.
В соответствии с законодательством возврату не подлежат подшипники надлежащего качества, если отсутствует оригинальная упаковка или имеются следы монтажа.
В случае выявления брака или гарантийного случая мы гарантируем возврат или обмен товара.
Да, гарантийный срок хранения устанавливается заводом-изготовителем и в среднем составляет 2 года при соблюдении условий хранения: сухое помещение, оригинальная упаковка и смазка.
Точный срок для конкретного типа подшипника уточняйте у наших менеджеров.
Пн–Пт: с 8:00 до 17:00 (МСК).
Сб–Вс: выходные дни.
Заказы на сайте принимаются круглосуточно. Заявки, поступившие после окончания рабочего дня, обрабатываются на следующий рабочий день.
Минимальная сумма заказа для доставки составляет 3000 рублей. Самовывоз со склада возможен на любую сумму при наличии товара.
ООО «УралТехГрупп»
ИНН: 7415093830
КПП: 772401001
ОГРН: 1167456069021
Банк: ПАО Сбербанк
Р/с: 40702810838000475273
К/с: 30101810400000000225
БИК: 044525225
У подшипника PWKR35 2RS пока нет отзывов. Вы можете стать первым покупателем, поделившимся своим мнением.