Поиск подшипника
Статьи
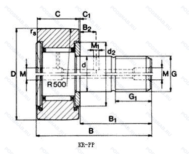
KRE30PP — Кулачковый ролик толкатель, модификация основного исполнения KRE30, производство INA.
Размер ролика: 15x30x14 мм.
KR+E. Опорный ролик, шпилечного типа с сепаратором, профилированный наружный диаметр, манжетные уплотнения с обеих сторон (тип p - две шайбы из оцинкованной листовой стали с промежуточной частью nbr. кромка уплотнения предварительно нагружена в осевом направлении). диапазон температур -30℃/+100℃.
Аналоги: KRE30-PP-A INA.
Международная стандартизации ISO
KRE30PP
В наличии
| Обозначение | Конструктивные изменения |
|---|---|
| KRE30PPA | Скользящие уплотнительные кольца из полиамида с обеих сторон, улучшенный корончатый профиль рабочей поверхности наружного кольца. |
| KRE30B | Конический роликовый подшипник. Угол контакта 20 градусов. |
| KRE30PPX | Скользящие уплотнительные кольца из полиамида с обеих сторон, улучшенный корончатый профиль рабочей поверхности наружного кольца. |
| KRE30X | Цилиндрическая рабочая поверхность. |
| KRE30-B-NMT | Внутренняя модификация конструкции. Может использоваться в качестве стандартного. Шестигранная гайка. |
| KRE30 | Кулачковый ролик толкатель. Основное конструктивное исполнение. |
Модификации кулачкового ролика KRE30PP — это измененное основное конструктивное исполнение KRE30, основные размеры (15x30x14) не отличаются.
| Обозначение | Гост | Конструктивные особенности |
|---|---|---|
| KRVE30PP | ISO | Уплотнения на каждой стороне подшипника. |
| GCR30EE | ISO | Пластиковые уплотнения с каждой стороны подшипника. |
| GCRL30EE | ISO | Пластиковые уплотнения с каждой стороны подшипника. |
| GCR30EEM | ISO | Металлические уплотнения с двух сторон подшипника. |
| MCFE30 | ISO | Кулачковый ролик толкатель. |
| KRVE30PPX | ISO | Цилиндрическая рабочая поверхность. Манжетные уплотнения с обеих сторон (тип P - две шайбы из оцинкованной листовой стали с промежуточной частью NBR. Кромка уплотнения предварительно нагружена в осевом направлении). Диапазон температур -30℃/+100℃. |
| KRVE30LL | ISO | Контактное. синтетические. резиновое уплотнение с двух сторон. |
| GCR30EE SK | ISO | Кулачковый толкатель штифтового типа. С шестигранной головкой. Пластиковые уплотнения с каждой стороны подшипника. |
Аналог кулачкового ролика KRE30PP — это ролик такого же размера dx15,Dx30,Bx14, типа и конструкции.
| Обозначение | Конструктивные особенности | Внутренний (d) | Наружный (D) | Ширина (B) |
|---|---|---|---|---|
| RNA2200LL/3AS | Опорный ролик. Контактное. синтетические. резиновое уплотнение с двух сторон. Смазка. Shell Oil Co. Смазка Alvania #3, стандартная заливка.. | 14.00 | 30.00 | 13.80 |
| DGE16ES | Сферический подшипник скольжения. Разъемное наружное кольцо со смазочными отверстиями. | 16.00 | 30.00 | 14.00 |
| DGE16ES-2RS | Сферический подшипник скольжения. Манжетное уплотнение с двух сторон. Стальная скользящая контактная поверхность. Разъемное наружное кольцо со смазочными отверстиями. | 16.00 | 30.00 | 14.00 |
| RNA2200PPX | Опорный ролик. Скользящие уплотнительные кольца из полиамида с обеих сторон, улучшенный корончатый профиль рабочей поверхности наружного кольца. | 14.00 | 30.00 | 13.80 |
| RNA2200LL | Опорный ролик. Контактное. синтетические. резиновое уплотнение с двух сторон. | 14.00 | 30.00 | 13.80 |
| GE16DO-HLG | Сферический подшипник скольжения. Стальная контактная поверхность скольжения. Внутреннее и наружное кольца закалены. Код местонахождения завода. может использоваться в стандартной комплектации. | 16.00 | 30.00 | 14.00 |
| RNA2200-X-2RSR | Опорный ролик. Rubber Seals At Each Side Of The Bearing. Temperature Range -30℃/+120℃. Цилиндрическая рабочая поверхность. | 14.00 | 30.00 | 13.80 |
| HXAM-10T | Сферический шарнирный подшипник. Вкладыш из PTFE материала. | 15.88 | 30.48 | 14.66 |
| В0-422902 У | Роликовый радиальный цилиндрический однорядный подшипник. Дополнительные технические требования. | 14.00 | 30.00 | 14.00 |
| RNA2200XLL | Роликовый игольчатый подшипник однорядный. Два уплотнения. | 14.00 | 30.00 | 13.80 |
| GE 016 ES | Шарнирный подшипник. Антизадирная пластичная смазка. | 16.00 | 30.00 | 14.00 |
| GE 016 ES-2RS | Шарнирный подшипник. Контактные уплотнения типа RS с обеих сторон игольчатого роликоподшипника. Антизадирная пластичная смазка. | 16.00 | 30.00 | 14.00 |
| GE16DO-2RS | Шарнирный подшипник. Резиновые уплотнения с каждой стороны подшипника. Прессованный стальной сепаратор. Вращающийся элемент по центру. Незакаленный. | 16.00 | 30.00 | 14.00 |
| MBG15CR | Шарнирный подшипник. (TB-Segment) Phenolic (Composition) Fafnir Standard. | 15.00 | 29.00 | 15.00 |
| MBT15V | Шарнирный подшипник. Подшипник без сепаратора. С полным комплектом тел качения. | 15.00 | 29.00 | 15.00 |
Способы доставки
Отправка через ведущие транспортные и курьерские компании: ПЭК, Деловые Линии, СДЭК, Байкал-Сервис, Энергия, КИТ, ЖелДорЭкспедиция.
Самовывоз возможен напрямую со склада в Москве.
Сроки доставки
Срок зависит от региона и выбранной транспортной компании. Все заказы комплектуются и отправляются в кратчайшие сроки со склада в Москве.
Надёжность и сохранность
Вся продукция упаковывается с учётом требований транспортировки. Мы гарантируем, что подшипники и комплектующие прибудут к заказчику в полной сохранности.
Доставка в страны ЕАЭС
Мы работаем с проверенными логистическими партнёрами, что позволяет оперативно доставлять заказы в Беларусь, Казахстан, Армению и другие страны ЕАЭС.
Варианты оплаты:
Минимальная сумма заказа и скидки:
Документы и гарантии:
Да, конечно! Наши технические специалисты готовы помочь вам с подбором точного аналога или замены подшипника. Просто позвоните нам по телефону +7 (495) 104-99-04 или напишите на почту zakaz@podsnab.ru.
Для оперативной консультации подготовьте, пожалуйста, имеющиеся данные: маркировку, размеры, тип оборудования или артикул старого подшипника.
Да, конечно! Мы высоко ценим долгосрочное сотрудничество и доверие клиентов по всей России. Для постоянных клиентов действует персональная система скидок.
Условия формируются индивидуально и зависят от:
Чтобы узнать свои условия и получить максимально выгодное предложение, свяжитесь с персональным менеджером или напишите нам на почту zakaz@podsnab.ru.
Вы можете оформить заказ несколькими способами:
Для оформления заказа от юридического лица свяжитесь с нашим отделом по работе с корпоративными клиентами по телефону +7 (495) 104-99-04 или напишите на email zakaz@podsnab.ru, прикрепив реквизиты вашей организации.
Мы оперативно подготовим коммерческое предложение и выставим счет.
Возврат товара надлежащего качества возможен в течение 10 дней с момента получения, если товар не был в употреблении, сохранен товарный вид, упаковка не вскрывалась и присутствуют все сопроводительные документы.
Возврат денежных средств осуществляется в течение 10 рабочих дней после проверки товара складом.
В соответствии с законодательством возврату не подлежат подшипники надлежащего качества, если отсутствует оригинальная упаковка или имеются следы монтажа.
В случае выявления брака или гарантийного случая мы гарантируем возврат или обмен товара.
Да, гарантийный срок хранения устанавливается заводом-изготовителем и в среднем составляет 2 года при соблюдении условий хранения: сухое помещение, оригинальная упаковка и смазка.
Точный срок для конкретного типа подшипника уточняйте у наших менеджеров.
Пн–Пт: с 8:00 до 17:00 (МСК).
Сб–Вс: выходные дни.
Заказы на сайте принимаются круглосуточно. Заявки, поступившие после окончания рабочего дня, обрабатываются на следующий рабочий день.
Минимальная сумма заказа для доставки составляет 3000 рублей. Самовывоз со склада возможен на любую сумму при наличии товара.
ООО «УралТехГрупп»
ИНН: 7415093830
КПП: 772401001
ОГРН: 1167456069021
Банк: ПАО Сбербанк
Р/с: 40702810838000475273
К/с: 30101810400000000225
БИК: 044525225
У подшипника KRE30PP пока нет отзывов. Вы можете стать первым покупателем, поделившимся своим мнением.