Поиск подшипника
Статьи
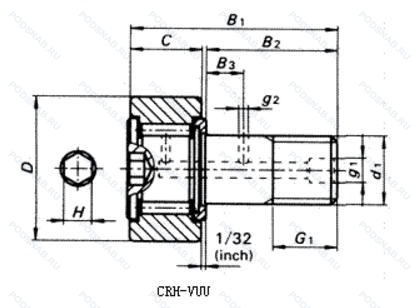
CRH8-1VB — Кулачковый ролик толкатель, модификация основного исполнения CRH8, производство IKO.
Размер ролика: 6x12x9 мм.
С шестигранным отверстием, полный тип дополнения.
Международная стандартизации ISO
CRH81VB
В наличии
| Обозначение | Гост | Конструктивные особенности |
|---|---|---|
| CFH1/2B | ISO | Кулачковый механизм. Шестигранное отверстие заменяет шлиц под отвертку во фланцевом конце штока. |
| MCFR13 | ISO | Кулачковый ролик толкатель. |
| CRHSBC8-1 | ISO | Number Of Carriages Per Rail Track. |
| MCFR13S | ISO | Запечатанная версия кулачкового ролика. |
| CFH1/2S | ISO | Запечатанная версия кулачкового ролика. |
| CFH1/2 | ISO | ISO Tolerance Class ABEC.9. |
| CRH8-1VBUU | ISO | С шестигранным отверстием. Полный тип дополнения. Манжетные уплотнения с обеих сторон (тип P - две шайбы из оцинкованной листовой стали с промежуточной частью NBR). Диапазон температур -30℃/+100℃. |
| CF5BUUR | ISO | С шестигранным отверстием. Манжетные уплотнения с обеих сторон (тип P - две шайбы из оцинкованной листовой стали с промежуточной частью NBR). Диапазон температур -30℃/+100℃. |
| MCFR13X | ISO | Цилиндрическая рабочая поверхность. |
| H16 | ISO | Кулачковый ролик толкатель. |
| KR13PPX SK | ISO | Кулачковый толкатель штифтового типа. С шестигранной головкой. Скользящие уплотнительные кольца из полиамида с обеих сторон, улучшенный корончатый профиль рабочей поверхности наружного кольца. |
| KR13SK | ISO | Кулачковый толкатель штифтового типа. С шестигранной головкой. |
| CF5BUU | ISO | С боковыми и нижними уплотнениями. (Стандарт). |
| CFH1/2SB | ISO | Запечатанная версия кулачкового ролика. Кулачковый механизм. Шестигранное отверстие заменяет шлиц под отвертку во фланцевом конце штока. |
| H16SW | ISO | Скользящая контактная поверхность из твердого хрома/Elgoglide®. |
Аналог кулачкового ролика CRH8-1VB — это ролик такого же размера dx6,Dx12,Bx9, типа и конструкции.
| Обозначение | Конструктивные особенности | Внутренний (d) | Наружный (D) | Ширина (B) |
|---|---|---|---|---|
| HK071208 | Роликовый радиальный однорядный подшипник. Коническое внутреннее отверстие. Игольчатый роликовый подшипник со штампованным наружным кольцом и открытыми торцами. | 7.00 | 12.00 | 8.00 |
| HK0710 | Роликовый радиальный однорядный подшипник. Коническое внутреннее отверстие. Игольчатый роликовый подшипник со штампованным наружным кольцом и открытыми торцами. | 7.00 | 11.00 | 10.00 |
| RNA495 | Роликовый игольчатый подшипник однорядный. Изменения внутренней конструкции. Внутреннее кольцо с сепаратором не совместимо с другим наружным кольцом. Канавка под стопорное кольцо на наружном кольце подшипника. | 7.00 | 13.00 | 10.00 |
| RNAF 6138N | Роликовый игольчатый подшипник однорядный. Канавка под стопорное кольцо на внешнем кольце. | 6.00 | 13.00 | 8.00 |
| F-79 | Роликовый игольчатый подшипник однорядный. Подшипник с фланцевым наружным кольцом. | 7.00 | 11.00 | 9.00 |
| 6YM1110BM | Роликовый игольчатый подшипник однорядный. | 6.13 | 11.00 | 9.70 |
| MF-79 | Роликовый игольчатый подшипник однорядный. Миниатюрный метрический подшипник со специальными размерами и фланцевым наружным кольцом. | 7.00 | 11.00 | 9.00 |
| NAO-6x17x10T2 | Роликовый игольчатый подшипник однорядный. Полиамидный сепаратор. | 6.00 | 13.00 | 10.00 |
| RNA0-6X13X8 | Роликовый игольчатый подшипник однорядный. Изменённая фаска. | 6.00 | 13.00 | 8.00 |
| RNA0-6X12X8X | Роликовый игольчатый подшипник однорядный. Измененные размеры границ. введенные пересмотренными стандартами ISO. Изменённая фаска. | 6.00 | 12.00 | 8.00 |
| RNA495T2 | Роликовый игольчатый подшипник однорядный. Полиамидный сепаратор. | 7.00 | 13.00 | 10.00 |
| NA495M | Роликовый игольчатый подшипник однорядный. Подшипник с латунным сепаратором. центрированный по телам качения. | 5.00 | 13.00 | 10.00 |
| RNA495M | Роликовый игольчатый подшипник однорядный. Подшипник с латунным сепаратором. центрированный по телам качения. | 7.00 | 13.00 | 10.00 |
| GEBJ5C | Шарнирный подшипник. 15° Угол контакта. | 5.00 | 13.00 | 8.00 |
| GEBJ5S | Шарнирный подшипник. Запечатанная версия кулачкового ролика. | 5.00 | 13.00 | 8.00 |
Способы доставки
Отправка через ведущие транспортные и курьерские компании: ПЭК, Деловые Линии, СДЭК, Байкал-Сервис, Энергия, КИТ, ЖелДорЭкспедиция.
Самовывоз возможен напрямую со склада в Москве.
Сроки доставки
Срок зависит от региона и выбранной транспортной компании. Все заказы комплектуются и отправляются в кратчайшие сроки со склада в Москве.
Надёжность и сохранность
Вся продукция упаковывается с учётом требований транспортировки. Мы гарантируем, что подшипники и комплектующие прибудут к заказчику в полной сохранности.
Доставка в страны ЕАЭС
Мы работаем с проверенными логистическими партнёрами, что позволяет оперативно доставлять заказы в Беларусь, Казахстан, Армению и другие страны ЕАЭС.
Варианты оплаты:
Минимальная сумма заказа и скидки:
Документы и гарантии:
Да, конечно! Наши технические специалисты готовы помочь вам с подбором точного аналога или замены подшипника. Просто позвоните нам по телефону +7 (495) 104-99-04 или напишите на почту zakaz@podsnab.ru.
Для оперативной консультации подготовьте, пожалуйста, имеющиеся данные: маркировку, размеры, тип оборудования или артикул старого подшипника.
Да, конечно! Мы высоко ценим долгосрочное сотрудничество и доверие клиентов по всей России. Для постоянных клиентов действует персональная система скидок.
Условия формируются индивидуально и зависят от:
Чтобы узнать свои условия и получить максимально выгодное предложение, свяжитесь с персональным менеджером или напишите нам на почту zakaz@podsnab.ru.
Вы можете оформить заказ несколькими способами:
Для оформления заказа от юридического лица свяжитесь с нашим отделом по работе с корпоративными клиентами по телефону +7 (495) 104-99-04 или напишите на email zakaz@podsnab.ru, прикрепив реквизиты вашей организации.
Мы оперативно подготовим коммерческое предложение и выставим счет.
Возврат товара надлежащего качества возможен в течение 10 дней с момента получения, если товар не был в употреблении, сохранен товарный вид, упаковка не вскрывалась и присутствуют все сопроводительные документы.
Возврат денежных средств осуществляется в течение 10 рабочих дней после проверки товара складом.
В соответствии с законодательством возврату не подлежат подшипники надлежащего качества, если отсутствует оригинальная упаковка или имеются следы монтажа.
В случае выявления брака или гарантийного случая мы гарантируем возврат или обмен товара.
Да, гарантийный срок хранения устанавливается заводом-изготовителем и в среднем составляет 2 года при соблюдении условий хранения: сухое помещение, оригинальная упаковка и смазка.
Точный срок для конкретного типа подшипника уточняйте у наших менеджеров.
Пн–Пт: с 8:00 до 17:00 (МСК).
Сб–Вс: выходные дни.
Заказы на сайте принимаются круглосуточно. Заявки, поступившие после окончания рабочего дня, обрабатываются на следующий рабочий день.
Минимальная сумма заказа для доставки составляет 3000 рублей. Самовывоз со склада возможен на любую сумму при наличии товара.
ООО «УралТехГрупп»
ИНН: 7415093830
КПП: 772401001
ОГРН: 1167456069021
Банк: ПАО Сбербанк
Р/с: 40702810838000475273
К/с: 30101810400000000225
БИК: 044525225
У подшипника CRH8-1VB пока нет отзывов. Вы можете стать первым покупателем, поделившимся своим мнением.