Поиск подшипника
Статьи
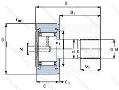
KR16X NMT — Кулачковый ролик толкатель, модификация основного исполнения KR16, производство INA.
Размер ролика: 6x16x11 мм.
Опорный ролик, шпилечного типа с сепаратором, профилированный наружный диаметр. Эксцентриковая цапфа, шестигранная гайка, цилиндрическая рабочая поверхность.
Аналоги: KR16-X INA,KR16C.DZ FAG,KR16C.DZ Torrington,KR16FX NTN,CF6-A THK.
Международная стандартизации ISO
KR16XNMT
В наличии
| Обозначение | Конструктивные изменения |
|---|---|
| KR16-SK-PP-A | Двухрядный радиально-упорный шарикоподшипник без отверстия для смазки. Кулачковый толкатель штифтового типа. С шестигранной головкой. Манжетные уплотнения с обеих сторон (тип P - две шайбы из оцинкованной листовой стали с промежуточной частью NBR. Кромка уплотнения предварительно нагружена в осевом направлении). Диапазон температур -30℃/+100℃. |
| KR16-SK-PP-A-NMT | Двухрядный радиально-упорный шарикоподшипник без отверстия для смазки. Кулачковый толкатель штифтового типа. С шестигранной головкой. Манжетные уплотнения с обеих сторон (тип P - две шайбы из оцинкованной листовой стали с промежуточной частью NBR. Кромка уплотнения предварительно нагружена в осевом направлении). Диапазон температур -30℃/+100℃. Шестигранная гайка. |
| KR16LLH/3AS | Манжетное уплотнение с обеих сторон подшипника. Смазка. Shell Oil Co. Смазка Alvania #3, стандартная заливка.. |
| KR16LL | Контактное. синтетические. резиновое уплотнение с двух сторон. |
| KR16DZ.2RS | Резиновые уплотнения с каждой стороны подшипника. Опорный ролик. Цилиндрический наружный диаметр. |
| KR16-PP-RR-A | Двухрядный радиально-упорный шарикоподшипник без отверстия для смазки. Манжетные уплотнения с обеих сторон (тип P - две шайбы из оцинкованной листовой стали с промежуточной частью NBR. Кромка уплотнения предварительно нагружена в осевом направлении). Диапазон температур -30℃/+100℃. Защищен от коррозии специальным покрытием Corrotect®.. |
| KR16PPSK | Кулачковый толкатель штифтового типа. С шестигранной головкой. Манжетное уплотнение с обеих сторон подшипника. |
| KR16-PP-SK-A-NMT | Двухрядный радиально-упорный шарикоподшипник без отверстия для смазки. Кулачковый толкатель штифтового типа. С шестигранной головкой. Манжетные уплотнения с обеих сторон (тип P - две шайбы из оцинкованной листовой стали с промежуточной частью NBR. Кромка уплотнения предварительно нагружена в осевом направлении). Диапазон температур -30℃/+100℃. Шестигранная гайка. |
| KR16AA.DZ | Yoke Type Track Rollers. Cylindrical Outside Diameter. Измененный внутренний дизайн. |
| KR16-PP-A-NMT | Двухрядный радиально-упорный шарикоподшипник без отверстия для смазки. Манжетные уплотнения с обеих сторон (тип P - две шайбы из оцинкованной листовой стали с промежуточной частью NBR. Кромка уплотнения предварительно нагружена в осевом направлении). Диапазон температур -30℃/+100℃. Шестигранная гайка. |
| KR16H/3AS | Pressed Snap-Type Steel Cage. Hardened. Смазка. Shell Oil Co. Смазка Alvania #3, стандартная заливка.. |
| KR16XH/3A | Lubricant. Shell Oil Co.. Alvania #3 Grease. Double Row Flanged Cup. |
| KR16C.DZ.2RS | Коронка. Резиновые уплотнения с каждой стороны подшипника. Опорный ролик. Цилиндрический наружный диаметр. |
| KR16CLL | Контактное. синтетические. резиновое уплотнение с двух сторон. |
| KR16CLLH | Манжетное уплотнение с обеих сторон подшипника. |
| KR16 2RS | Резиновые уплотнения с каждой стороны подшипника. |
| KR16LLH | Манжетное уплотнение с обеих сторон подшипника. |
| KR16FX | Pin-Type Steel Cage. |
| KR16-X-PP-A-NMT | Двухрядный радиально-упорный шарикоподшипник без отверстия для смазки. Цилиндрическая рабочая поверхность. Манжетные уплотнения с обеих сторон (тип P - две шайбы из оцинкованной листовой стали с промежуточной частью NBR. Кромка уплотнения предварительно нагружена в осевом направлении). Диапазон температур -30℃/+100℃. Шестигранная гайка. |
| KR16F | Сепаратор из обработанной стали или специального чугуна. |
| KR16FLL/3AS | Контактное. синтетические. резиновое уплотнение с двух сторон. Смазка. Shell Oil Co. Смазка Alvania #3, стандартная заливка.. |
| KR16-X-PP-A | Двухрядный радиально-упорный шарикоподшипник без отверстия для смазки. Цилиндрическая рабочая поверхность. Манжетные уплотнения с обеих сторон (тип P - две шайбы из оцинкованной листовой стали с промежуточной частью NBR. Кромка уплотнения предварительно нагружена в осевом направлении). Диапазон температур -30℃/+100℃. |
| KR16FXLL/3AS | Цилиндрический (плоский) профиль наружной рабочей поверхности. Контактное. синтетические. резиновое уплотнение с двух сторон. Смазка. Shell Oil Co. Смазка Alvania #3, стандартная заливка.. |
| KR16C.SK | Коронка. Кулачковый толкатель штифтового типа. С шестигранной головкой. |
| KR16C-2RS | 15° Угол контакта. Резиновые уплотнения с каждой стороны подшипника. |
Модификации кулачкового ролика KR16X NMT — это измененное основное конструктивное исполнение KR16, основные размеры (6x16x11) не отличаются.
| Обозначение | Гост | Конструктивные особенности |
|---|---|---|
| CR10-1B | ISO | Identification Code. |
| CR10-1VBUUR | ISO | С шестигранным отверстием. Полный тип дополнения. Манжетные уплотнения с обеих сторон (тип P - две шайбы из оцинкованной листовой стали с промежуточной частью NBR). Диапазон температур -30℃/+100℃. |
| CR5/8XB | ISO | Hexagonal Socket. Герметичный подшипник. |
| CF6-A | ISO | Двухрядный радиально-упорный шарикоподшипник без отверстия для смазки. |
| KRV16H | ISO | Pressed Snap-Type Steel Cage. Hardened. |
| MCF16SX | ISO | Радиально-упорный сферический подшипник скольжения. требующий обслуживания по ISO 12 2402. Монтажные размеры как для конических роликоподшипников по DIN 720. 320X. Стальная скользящая контактная поверхность. |
| MCF16X | ISO | Цилиндрическая рабочая поверхность. |
| MCFR16X | ISO | Цилиндрическая рабочая поверхность. |
| KRV16PPA-RW | ISO | Скользящие уплотнительные кольца из полиамида с обеих сторон, улучшенный корончатый профиль рабочей поверхности наружного кольца. |
| KRV16LL | ISO | Контактное. синтетические. резиновое уплотнение с двух сторон. |
| KRV16X LL | ISO | Цилиндрический (плоский) профиль наружной рабочей поверхности. Контактное уплотнения из синтетической черной резины с обеих сторон. |
| CF6B | ISO | С шестигранным отверстием. |
| CF6VBUU | ISO | С шестигранным отверстием. Полный тип дополнения. Манжетные уплотнения с обеих сторон (тип P - две шайбы из оцинкованной листовой стали с промежуточной частью NBR). Диапазон температур -30℃/+100℃. |
| KRV16PPSKA | ISO | Кулачковый толкатель штифтового типа. С шестигранной головкой. Манжетные уплотнения с обеих сторон (тип P - две шайбы из оцинкованной листовой стали с промежуточной частью NBR. Кромка уплотнения предварительно нагружена в осевом направлении). Диапазон температур -30℃/+100℃. |
| KRV16-X-PP-A | ISO | Двухрядный радиально-упорный шарикоподшипник без отверстия для смазки. Цилиндрическая рабочая поверхность. Манжетные уплотнения с обеих сторон (тип P - две шайбы из оцинкованной листовой стали с промежуточной частью NBR. Кромка уплотнения предварительно нагружена в осевом направлении). Диапазон температур -30℃/+100℃. |
| CF6UU | ISO | Манжетные уплотнения с обеих сторон (тип P - две шайбы из оцинкованной листовой стали с промежуточной частью NBR). Диапазон температур -30℃/+100℃. |
| KRV16FLL/3AS | ISO | Контактное. синтетические. резиновое уплотнение с двух сторон. Смазка. Shell Oil Co. Смазка Alvania #3, стандартная заливка.. |
| S20LWX | ISO | Кулачковый механизм. Шестигранное отверстие заменяет шлиц под отвертку во фланцевом конце штока. Eccentring. Запечатанная версия кулачкового ролика. |
| MCFR16SX | ISO | Радиально-упорный сферический подшипник скольжения. требующий обслуживания по ISO 12 2402. Монтажные размеры как для конических роликоподшипников по DIN 720. 320X. Стальная скользящая контактная поверхность. |
| CF6VR | ISO | Подшипник без сепаратора. С полным комплектом тел качения. Когда в суффиксе упоминается только «V». Это означает. что подшипник уплотнен. Поэтому используйте «2Z» в сегменте «Уплотнение».. |
Аналог кулачкового ролика KR16X NMT — это ролик такого же размера dx6,Dx16,Bx11, типа и конструкции.
| Обозначение | Конструктивные особенности | Внутренний (d) | Наружный (D) | Ширина (B) |
|---|---|---|---|---|
| NKI6/12-TN-XL | Роликовый игольчатый подшипник однорядный. Серия X-Life премиум-класс. увеличиный срок службы. литой под давлением сепаратор из полиамида 6.6. центрированный роликовый элемент. 3/4. | 6.00 | 16.00 | 12.00 |
| NKI7/12-TN-XL | Роликовый игольчатый подшипник однорядный. Серия X-Life премиум-класс. увеличиный срок службы. литой под давлением сепаратор из полиамида 6.6. центрированный роликовый элемент. 3/4. | 7.00 | 17.00 | 12.00 |
| LM101712-1 | Роликовый игольчатый подшипник однорядный. Number Of Carriages Per Rail Track. | 7.00 | 17.00 | 12.00 |
| LM81512-1 | Роликовый игольчатый подшипник однорядный. Number Of Carriages Per Rail Track. | 5.00 | 15.00 | 12.00 |
| LM91612-1 | Роликовый игольчатый подшипник однорядный. Number Of Carriages Per Rail Track. | 6.00 | 16.00 | 12.00 |
| 70M6DF/GMP5 | Шариковый радиально-упорный двухрядный подшипник. Универсальный подшипник. | 6.00 | 17.00 | 12.00 |
| 70M6DB/GMP5 | Шариковый радиально-упорный двухрядный подшипник. Универсальный подшипник. | 6.00 | 17.00 | 12.00 |
| HKZ6X17X12 | Роликовый игольчатый подшипник однорядный. Изменённая фаска. | 6.00 | 17.00 | 12.00 |
| NK10/12+IR7X10X12 | Роликовый игольчатый подшипник однорядный. Изменённая фаска. | 7.00 | 17.00 | 12.00 |
| NK8/12+IR5X8X12 | Роликовый игольчатый подшипник однорядный. Изменённая фаска. | 5.00 | 15.00 | 12.00 |
| NK9/12+IR6X9X12 | Роликовый игольчатый подшипник однорядный. Изменённая фаска. | 6.00 | 16.00 | 12.00 |
| NA496M | Роликовый игольчатый подшипник однорядный. Подшипник с латунным сепаратором. центрированный по телам качения. | 6.00 | 15.00 | 10.00 |
| NA497M | Роликовый игольчатый подшипник однорядный. Подшипник с латунным сепаратором. центрированный по телам качения. | 7.00 | 17.00 | 10.00 |
| MBW6CR | Шарнирный подшипник. (TB-Segment) Phenolic (Composition) Fafnir Standard. | 6.00 | 16.00 | 11.00 |
| MBW5CR | Шарнирный подшипник. (TB-Segment) Phenolic (Composition) Fafnir Standard. | 5.00 | 16.00 | 11.00 |
Способы доставки
Отправка через ведущие транспортные и курьерские компании: ПЭК, Деловые Линии, СДЭК, Байкал-Сервис, Энергия, КИТ, ЖелДорЭкспедиция.
Самовывоз возможен напрямую со склада в Москве.
Сроки доставки
Срок зависит от региона и выбранной транспортной компании. Все заказы комплектуются и отправляются в кратчайшие сроки со склада в Москве.
Надёжность и сохранность
Вся продукция упаковывается с учётом требований транспортировки. Мы гарантируем, что подшипники и комплектующие прибудут к заказчику в полной сохранности.
Доставка в страны ЕАЭС
Мы работаем с проверенными логистическими партнёрами, что позволяет оперативно доставлять заказы в Беларусь, Казахстан, Армению и другие страны ЕАЭС.
Варианты оплаты:
Минимальная сумма заказа и скидки:
Документы и гарантии:
Да, конечно! Наши технические специалисты готовы помочь вам с подбором точного аналога или замены подшипника. Просто позвоните нам по телефону +7 (495) 104-99-04 или напишите на почту zakaz@podsnab.ru.
Для оперативной консультации подготовьте, пожалуйста, имеющиеся данные: маркировку, размеры, тип оборудования или артикул старого подшипника.
Да, конечно! Мы высоко ценим долгосрочное сотрудничество и доверие клиентов по всей России. Для постоянных клиентов действует персональная система скидок.
Условия формируются индивидуально и зависят от:
Чтобы узнать свои условия и получить максимально выгодное предложение, свяжитесь с персональным менеджером или напишите нам на почту zakaz@podsnab.ru.
Вы можете оформить заказ несколькими способами:
Для оформления заказа от юридического лица свяжитесь с нашим отделом по работе с корпоративными клиентами по телефону +7 (495) 104-99-04 или напишите на email zakaz@podsnab.ru, прикрепив реквизиты вашей организации.
Мы оперативно подготовим коммерческое предложение и выставим счет.
Возврат товара надлежащего качества возможен в течение 10 дней с момента получения, если товар не был в употреблении, сохранен товарный вид, упаковка не вскрывалась и присутствуют все сопроводительные документы.
Возврат денежных средств осуществляется в течение 10 рабочих дней после проверки товара складом.
В соответствии с законодательством возврату не подлежат подшипники надлежащего качества, если отсутствует оригинальная упаковка или имеются следы монтажа.
В случае выявления брака или гарантийного случая мы гарантируем возврат или обмен товара.
Да, гарантийный срок хранения устанавливается заводом-изготовителем и в среднем составляет 2 года при соблюдении условий хранения: сухое помещение, оригинальная упаковка и смазка.
Точный срок для конкретного типа подшипника уточняйте у наших менеджеров.
Пн–Пт: с 8:00 до 17:00 (МСК).
Сб–Вс: выходные дни.
Заказы на сайте принимаются круглосуточно. Заявки, поступившие после окончания рабочего дня, обрабатываются на следующий рабочий день.
Минимальная сумма заказа для доставки составляет 3000 рублей. Самовывоз со склада возможен на любую сумму при наличии товара.
ООО «УралТехГрупп»
ИНН: 7415093830
КПП: 772401001
ОГРН: 1167456069021
Банк: ПАО Сбербанк
Р/с: 40702810838000475273
К/с: 30101810400000000225
БИК: 044525225
У подшипника KR16X NMT пока нет отзывов. Вы можете стать первым покупателем, поделившимся своим мнением.