Поиск подшипника
Статьи
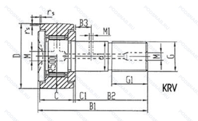
KRVE16 — Кулачковый ролик толкатель, основное исполнение, производство INA.
Размер ролика: 9x16x11 мм.
Международная стандартизации ISO
KRVE16
В наличии
| Обозначение | Конструктивные изменения |
|---|---|
| KRVE16PP | Уплотнения на каждой стороне подшипника. |
| KRVE16-PPA | Скользящие уплотнительные кольца из полиамида с обеих сторон, улучшенный корончатый профиль рабочей поверхности наружного кольца. |
| KRVE16-PP-A-NMT | Двухрядный радиально-упорный шарикоподшипник без отверстия для смазки. Манжетные уплотнения с обеих сторон (тип P - две шайбы из оцинкованной листовой стали с промежуточной частью NBR. Кромка уплотнения предварительно нагружена в осевом направлении). Диапазон температур -30℃/+100℃. Шестигранная гайка. |
| KRVE16X | Цилиндрический (плоский) профиль наружной рабочей поверхности. |
| KRVE16PPX | Скользящие уплотнительные кольца из полиамида с обеих сторон, улучшенный корончатый профиль рабочей поверхности наружного кольца. |
Модификации кулачкового ролика KRVE16 — это измененное основное конструктивное исполнение KRVE16, основные размеры (9x16x11) не отличаются.
| Обозначение | Гост | Конструктивные особенности |
|---|---|---|
| KRE16PPA | ISO | Скользящие уплотнительные кольца из полиамида с обеих сторон, улучшенный корончатый профиль рабочей поверхности наружного кольца. |
| KRE16PP | ISO | Уплотнения на каждой стороне подшипника. |
| KRE16 | ISO | Кулачковый ролик толкатель. |
| CFE16R | ISO | Коронка на наружном кольце. |
| CFE6R | ISO | Коронка на наружном кольце. |
| KRE16-NMT | ISO | Шестигранная гайка. |
| KRE16X | ISO | Цилиндрическая рабочая поверхность. |
| KRE16-PP-A-NMT | ISO | Двухрядный радиально-упорный шарикоподшипник без отверстия для смазки. Манжетные уплотнения с обеих сторон (тип P - две шайбы из оцинкованной листовой стали с промежуточной частью NBR. Кромка уплотнения предварительно нагружена в осевом направлении). Диапазон температур -30℃/+100℃. Шестигранная гайка. |
| KRE16SK | ISO | Кулачковый толкатель штифтового типа. С шестигранной головкой. |
| GCR16 | ISO | Кулачковый ролик толкатель. |
| CFE6VUU | ISO | Полный тип дополнения. Манжетные уплотнения с обеих сторон (тип P - две шайбы из оцинкованной листовой стали с промежуточной частью NBR). Диапазон температур -30℃/+100℃. |
Аналог кулачкового ролика KRVE16 — это ролик такого же размера dx9,Dx16,Bx11, типа и конструкции.
| Обозначение | Конструктивные особенности | Внутренний (d) | Наружный (D) | Ширина (B) |
|---|---|---|---|---|
| BHTM1012-1 | Роликовый игольчатый подшипник однорядный. Number Of Carriages Per Rail Track. | 10.00 | 17.00 | 12.00 |
| BHTM912-1 | Роликовый игольчатый подшипник однорядный. Number Of Carriages Per Rail Track. | 9.00 | 16.00 | 12.00 |
| MFJL-1012L | Роликовый игольчатый подшипник однорядный. Одно механическое уплотнение. | 10.00 | 17.00 | 12.00 |
| MFJL-912L | Роликовый игольчатый подшипник однорядный. Одно механическое уплотнение. | 9.00 | 16.00 | 12.00 |
| MFJL-810L | Роликовый игольчатый подшипник однорядный. Одно механическое уплотнение. | 8.00 | 15.00 | 10.00 |
| RLM101712-1 | Роликовый игольчатый подшипник однорядный. Number Of Carriages Per Rail Track. | 10.00 | 17.00 | 12.00 |
| RLM81512-1 | Роликовый игольчатый подшипник однорядный. Number Of Carriages Per Rail Track. | 8.00 | 15.00 | 12.00 |
| HMK1012L | Роликовый игольчатый подшипник однорядный. Одно уплотнение. | 10.00 | 17.00 | 12.00 |
| HMK0812L | Роликовый игольчатый подшипник однорядный. Одно уплотнение. | 8.00 | 15.00 | 12.00 |
| NK10/12T2 | Роликовый игольчатый подшипник однорядный. Полиамидный сепаратор. | 10.00 | 17.00 | 12.00 |
| NK8/12T2 | Роликовый игольчатый подшипник однорядный. Полиамидный сепаратор. | 8.00 | 15.00 | 12.00 |
| RNA0-8X15X10 | Роликовый игольчатый подшипник однорядный. Изменённая фаска. | 8.00 | 15.00 | 10.00 |
| RNA0-10X17X10 | Роликовый игольчатый подшипник однорядный. Изменённая фаска. | 10.00 | 17.00 | 10.00 |
| RNA496M | Роликовый игольчатый подшипник однорядный. Подшипник с латунным сепаратором. центрированный по телам качения. | 8.00 | 15.00 | 10.00 |
| RNA497M | Роликовый игольчатый подшипник однорядный. Подшипник с латунным сепаратором. центрированный по телам качения. | 9.00 | 17.00 | 10.00 |
Способы доставки
Отправка через ведущие транспортные и курьерские компании: ПЭК, Деловые Линии, СДЭК, Байкал-Сервис, Энергия, КИТ, ЖелДорЭкспедиция.
Самовывоз возможен напрямую со склада в Москве.
Сроки доставки
Срок зависит от региона и выбранной транспортной компании. Все заказы комплектуются и отправляются в кратчайшие сроки со склада в Москве.
Надёжность и сохранность
Вся продукция упаковывается с учётом требований транспортировки. Мы гарантируем, что подшипники и комплектующие прибудут к заказчику в полной сохранности.
Доставка в страны ЕАЭС
Мы работаем с проверенными логистическими партнёрами, что позволяет оперативно доставлять заказы в Беларусь, Казахстан, Армению и другие страны ЕАЭС.
Варианты оплаты:
Минимальная сумма заказа и скидки:
Документы и гарантии:
Да, конечно! Наши технические специалисты готовы помочь вам с подбором точного аналога или замены подшипника. Просто позвоните нам по телефону +7 (495) 104-99-04 или напишите на почту zakaz@podsnab.ru.
Для оперативной консультации подготовьте, пожалуйста, имеющиеся данные: маркировку, размеры, тип оборудования или артикул старого подшипника.
Да, конечно! Мы высоко ценим долгосрочное сотрудничество и доверие клиентов по всей России. Для постоянных клиентов действует персональная система скидок.
Условия формируются индивидуально и зависят от:
Чтобы узнать свои условия и получить максимально выгодное предложение, свяжитесь с персональным менеджером или напишите нам на почту zakaz@podsnab.ru.
Вы можете оформить заказ несколькими способами:
Для оформления заказа от юридического лица свяжитесь с нашим отделом по работе с корпоративными клиентами по телефону +7 (495) 104-99-04 или напишите на email zakaz@podsnab.ru, прикрепив реквизиты вашей организации.
Мы оперативно подготовим коммерческое предложение и выставим счет.
Возврат товара надлежащего качества возможен в течение 10 дней с момента получения, если товар не был в употреблении, сохранен товарный вид, упаковка не вскрывалась и присутствуют все сопроводительные документы.
Возврат денежных средств осуществляется в течение 10 рабочих дней после проверки товара складом.
В соответствии с законодательством возврату не подлежат подшипники надлежащего качества, если отсутствует оригинальная упаковка или имеются следы монтажа.
В случае выявления брака или гарантийного случая мы гарантируем возврат или обмен товара.
Да, гарантийный срок хранения устанавливается заводом-изготовителем и в среднем составляет 2 года при соблюдении условий хранения: сухое помещение, оригинальная упаковка и смазка.
Точный срок для конкретного типа подшипника уточняйте у наших менеджеров.
Пн–Пт: с 8:00 до 17:00 (МСК).
Сб–Вс: выходные дни.
Заказы на сайте принимаются круглосуточно. Заявки, поступившие после окончания рабочего дня, обрабатываются на следующий рабочий день.
Минимальная сумма заказа для доставки составляет 3000 рублей. Самовывоз со склада возможен на любую сумму при наличии товара.
ООО «УралТехГрупп»
ИНН: 7415093830
КПП: 772401001
ОГРН: 1167456069021
Банк: ПАО Сбербанк
Р/с: 40702810838000475273
К/с: 30101810400000000225
БИК: 044525225
У подшипника KRVE16 пока нет отзывов. Вы можете стать первым покупателем, поделившимся своим мнением.