Поиск подшипника
Статьи
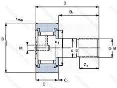
KR22-B-NMT — Кулачковый ролик толкатель, модификация основного исполнения KR22, производство INA.
Размер ролика: 10x22x12 мм.
Опорный ролик, шпилечного типа с сепаратором, профилированный наружный диаметр. Эксцентриковая цапфа, шестигранная гайка, внутренняя модификация конструкции. может использоваться в качестве стандартного.
Международная стандартизации ISO
KR22BNMT
В наличии
| Обозначение | Конструктивные изменения |
|---|---|
| KR22-PP-RR-A | Двухрядный радиально-упорный шарикоподшипник без отверстия для смазки. Манжетные уплотнения с обеих сторон (тип P - две шайбы из оцинкованной листовой стали с промежуточной частью NBR. Кромка уплотнения предварительно нагружена в осевом направлении). Диапазон температур -30℃/+100℃. Защищен от коррозии специальным покрытием Corrotect®.. |
| KR22-PP-A-NIP-VD/MON | Двухрядный радиально-упорный шарикоподшипник без отверстия для смазки. Манжетные уплотнения с обеих сторон (тип P - две шайбы из оцинкованной листовой стали с промежуточной частью NBR. Кромка уплотнения предварительно нагружена в осевом направлении). Диапазон температур -30℃/+100℃. |
| KR22PPXA NMT | Шестигранная гайка. |
| KR22CLL | Контактное. синтетические. резиновое уплотнение с двух сторон. |
| KR22FX | Pin-Type Steel Cage. |
| KR22FLL | Контактное. синтетические. резиновое уплотнение с двух сторон. |
| KR22B.SK | Конический роликовый подшипник. Угол контакта 20 градусов. Кулачковый толкатель штифтового типа. С шестигранной головкой. |
| KR22FLL/3AS | Контактное. синтетические. резиновое уплотнение с двух сторон. Смазка. Shell Oil Co. Смазка Alvania #3, стандартная заливка.. |
| KR22-X-PP-A | Двухрядный радиально-упорный шарикоподшипник без отверстия для смазки. Цилиндрическая рабочая поверхность. Манжетные уплотнения с обеих сторон (тип P - две шайбы из оцинкованной листовой стали с промежуточной частью NBR. Кромка уплотнения предварительно нагружена в осевом направлении). Диапазон температур -30℃/+100℃. |
| KR22XA | (Cone/Inner Race And Cup/Outer Race) Special Feature Bearing (Non-Interchangeable With Bearings Having The Same Basic Part Number). |
| KR22LLH+E | Eccentric (Adjustable) Type Required. Манжетное уплотнение с обеих сторон подшипника. |
| KR22B.DZ.2RS.SK | Резиновые уплотнения с каждой стороны подшипника. Конический роликовый подшипник. Угол контакта 20 градусов. Кулачковый толкатель штифтового типа. С шестигранной головкой. Опорный ролик. Цилиндрический наружный диаметр. |
| KR22-X-PP-A-NMT | Двухрядный радиально-упорный шарикоподшипник без отверстия для смазки. Цилиндрическая рабочая поверхность. Манжетные уплотнения с обеих сторон (тип P - две шайбы из оцинкованной листовой стали с промежуточной частью NBR. Кромка уплотнения предварительно нагружена в осевом направлении). Диапазон температур -30℃/+100℃. Шестигранная гайка. |
| KR22-X-B-NMT | Внутренняя модификация конструкции. Может использоваться в качестве стандартного. Цилиндрическая рабочая поверхность. Шестигранная гайка. |
| KR22-B-NIP-VD/MON | Внутренняя модификация конструкции. Может использоваться в качестве стандартного. |
| KR22X LL | Цилиндрический (плоский) профиль наружной рабочей поверхности. Контактное уплотнения из синтетической черной резины с обеих сторон. |
| KR22DZ.2RS | Резиновые уплотнения с каждой стороны подшипника. Опорный ролик. Цилиндрический наружный диаметр. |
| KR22-PP-A-NMT | Двухрядный радиально-упорный шарикоподшипник без отверстия для смазки. Манжетные уплотнения с обеих сторон (тип P - две шайбы из оцинкованной листовой стали с промежуточной частью NBR. Кромка уплотнения предварительно нагружена в осевом направлении). Диапазон температур -30℃/+100℃. Шестигранная гайка. |
| KR22-PP-E-NMT | Повышенная грузоподъемность. Манжетные уплотнения с обеих сторон (тип P - две шайбы из оцинкованной листовой стали с промежуточной частью NBR. Кромка уплотнения предварительно нагружена в осевом направлении). Диапазон температур -30℃/+100℃. Шестигранная гайка. |
| KR22FLLH/3AS | Нержавеющая сталь. Манжетное уплотнение с обеих сторон подшипника. Смазка. Shell Oil Co. Смазка Alvania #3, стандартная заливка.. |
| KR22F | Сепаратор из обработанной стали или специального чугуна. |
| KR22LLH | Манжетное уплотнение с обеих сторон подшипника. |
| KR22FXLLH/3AS | Нержавеющая сталь. Цилиндрический (плоский) профиль наружной рабочей поверхности. Манжетное уплотнение с обеих сторон подшипника. Смазка. Shell Oil Co. Смазка Alvania #3, стандартная заливка.. |
| KR22LL | Контактное. синтетические. резиновое уплотнение с двух сторон. |
| KR22B 2RS SK | Резиновые уплотнения с каждой стороны подшипника. С шестигранным отверстием. Кулачковый толкатель штифтового типа. С шестигранной головкой. |
Модификации кулачкового ролика KR22-B-NMT — это измененное основное конструктивное исполнение KR22, основные размеры (10x22x12) не отличаются.
| Обозначение | Гост | Конструктивные особенности |
|---|---|---|
| KRV22H | ISO | Pressed Snap-Type Steel Cage. Hardened. |
| CF10UUM | ISO | Манжетные уплотнения с обеих сторон (тип P - две шайбы из оцинкованной листовой стали с промежуточной частью NBR). Диапазон температур -30℃/+100℃. |
| CR14VBUU | ISO | С шестигранным отверстием. Полный тип дополнения. Манжетные уплотнения с обеих сторон (тип P - две шайбы из оцинкованной листовой стали с промежуточной частью NBR). Диапазон температур -30℃/+100℃. |
| MCF22SB | ISO | Double Row. Angular Contact. Non-Filling Notch Bearing. With Outwardly Convergent Угол контактаs. Rigid Design. |
| CF10BUU | ISO | С боковыми и нижними уплотнениями. (Стандарт). |
| MCFR22ASX | ISO | Запечатанная версия кулачкового ролика. Цилиндрическая рабочая поверхность. |
| CF10UURM | ISO | Манжетные уплотнения с обеих сторон (тип P - две шайбы из оцинкованной листовой стали с промежуточной частью NBR). Диапазон температур -30℃/+100℃. |
| KRV22LLH2/3ASV1 | ISO | Контактное. синтетические. резиновое уплотнение с двух сторон. |
| KRV22CLL | ISO | Контактное. синтетические. резиновое уплотнение с двух сторон. |
| KRV22LLH | ISO | Манжетное уплотнение с обеих сторон подшипника. |
| MCF22SX | ISO | Радиально-упорный сферический подшипник скольжения. требующий обслуживания по ISO 12 2402. Монтажные размеры как для конических роликоподшипников по DIN 720. 320X. Стальная скользящая контактная поверхность. |
| KRV22LL | ISO | Контактное. синтетические. резиновое уплотнение с двух сторон. |
| KRV22PPA NMT | ISO | Шестигранная гайка. Скользящие уплотнительные кольца из полиамида с обеих сторон, улучшенный корончатый профиль рабочей поверхности наружного кольца. |
| KRV22-PP-E-NMT | ISO | Повышенная грузоподъемность. Манжетные уплотнения с обеих сторон (тип P - две шайбы из оцинкованной листовой стали с промежуточной частью NBR. Кромка уплотнения предварительно нагружена в осевом направлении). Диапазон температур -30℃/+100℃. Шестигранная гайка. |
| KRV22XLLH | ISO | Цилиндрический (плоский) профиль внешней поверхности качения.. |
| KRV22NMT | ISO | Шестигранная гайка. |
| KRV22-X-PP-A | ISO | Двухрядный радиально-упорный шарикоподшипник без отверстия для смазки. Цилиндрическая рабочая поверхность. Манжетные уплотнения с обеих сторон (тип P - две шайбы из оцинкованной листовой стали с промежуточной частью NBR. Кромка уплотнения предварительно нагружена в осевом направлении). Диапазон температур -30℃/+100℃. |
| CFKR22UUR | ISO | Манжетные уплотнения с обеих сторон (тип P - две шайбы из оцинкованной листовой стали с промежуточной частью NBR). Диапазон температур -30℃/+100℃. |
| KRV22CLL/3AS | ISO | Контактное. синтетические. резиновое уплотнение с двух сторон. Смазка. Shell Oil Co. Смазка Alvania #3, стандартная заливка.. |
| GC22DO | ISO | Прессованный стальной сепаратор. Вращающийся элемент по центру. Незакаленный. |
Аналог кулачкового ролика KR22-B-NMT — это ролик такого же размера dx10,Dx22,Bx12, типа и конструкции.
| Обозначение | Конструктивные особенности | Внутренний (d) | Наружный (D) | Ширина (B) |
|---|---|---|---|---|
| 71900 C-UD | Шариковый радиально-упорный двухрядный подшипник. 15° Угол контакта. | 10.00 | 22.00 | 12.00 |
| 71900 C-UX | Шариковый радиально-упорный двухрядный подшипник. 15° Угол контакта. Универсальный монтаж, сверхлегкая предварительная нагрузка.. | 10.00 | 22.00 | 12.00 |
| 71900 CDT | Шариковый радиально-упорный двухрядный подшипник. Механически обработанный сепаратор из текстолита. Однорядный радиально-упорный шарикоподшипник улучшенной конструкции с углом контакта 15°. | 10.00 | 22.00 | 12.00 |
| 71900 CDF | Шариковый радиально-упорный двухрядный подшипник. Механически обработанный сепаратор из стали или специального чугуна. Однорядный радиально-упорный шарикоподшипник улучшенной конструкции с углом контакта 15°. | 10.00 | 22.00 | 12.00 |
| 71900 CDB | Шариковый радиально-упорный двухрядный подшипник. Однорядный радиально-упорный шарикоподшипник улучшенной конструкции с углом контакта 15°. | 10.00 | 22.00 | 12.00 |
| 4-1436900 E | Шариковый радиально-упорный сдвоенный подшипник. Повышенная грузоподъемность. | 10.00 | 22.00 | 12.00 |
| 4-1436900 К | Шариковый радиально-упорный сдвоенный подшипник. «Замок» (скос) на внутреннем кольце плюс массивный сепаратор из текстолита. | 10.00 | 22.00 | 12.00 |
| B10-46T12DDNCXCG1 | Шариковый радиальный однорядный подшипник. Подшипник со специальными размерами. | 10.00 | 23.00 | 11.00 |
| B10-46T12 | Шариковый радиальный однорядный подшипник. Подшипник со специальными размерами. | 10.00 | 23.00 | 11.00 |
| NA4900M | Роликовый игольчатый подшипник однорядный. Подшипник с латунным сепаратором. центрированный по телам качения. | 10.00 | 22.00 | 13.00 |
| GEG10N | Шарнирный подшипник. Канавка под стопорное кольцо на внешнем кольце. | 10.00 | 22.00 | 12.00 |
| GE 010 HCR | Шарнирный подшипник. Антизадирная пластичная смазка. | 10.00 | 22.00 | 12.00 |
| GE 010 HS | Шарнирный подшипник. Антизадирная пластичная смазка. | 10.00 | 22.00 | 12.00 |
| MBW10CR | Шарнирный подшипник. (TB-Segment) Phenolic (Composition) Fafnir Standard. | 10.00 | 21.00 | 12.50 |
| 534900-ДК1 | Роликовый радиальный игольчатый однорядный подшипник. Кольцевая проточка на середине цилиндрической наружной поверхности наружного кольца плюс три отверстия для смазки. Сепаратор из алюминиевого сплава.. | 10.00 | 22.00 | 12.00 |
Способы доставки
Отправка через ведущие транспортные и курьерские компании: ПЭК, Деловые Линии, СДЭК, Байкал-Сервис, Энергия, КИТ, ЖелДорЭкспедиция.
Самовывоз возможен напрямую со склада в Москве.
Сроки доставки
Срок зависит от региона и выбранной транспортной компании. Все заказы комплектуются и отправляются в кратчайшие сроки со склада в Москве.
Надёжность и сохранность
Вся продукция упаковывается с учётом требований транспортировки. Мы гарантируем, что подшипники и комплектующие прибудут к заказчику в полной сохранности.
Доставка в страны ЕАЭС
Мы работаем с проверенными логистическими партнёрами, что позволяет оперативно доставлять заказы в Беларусь, Казахстан, Армению и другие страны ЕАЭС.
Варианты оплаты:
Минимальная сумма заказа и скидки:
Документы и гарантии:
Да, конечно! Наши технические специалисты готовы помочь вам с подбором точного аналога или замены подшипника. Просто позвоните нам по телефону +7 (495) 104-99-04 или напишите на почту zakaz@podsnab.ru.
Для оперативной консультации подготовьте, пожалуйста, имеющиеся данные: маркировку, размеры, тип оборудования или артикул старого подшипника.
Да, конечно! Мы высоко ценим долгосрочное сотрудничество и доверие клиентов по всей России. Для постоянных клиентов действует персональная система скидок.
Условия формируются индивидуально и зависят от:
Чтобы узнать свои условия и получить максимально выгодное предложение, свяжитесь с персональным менеджером или напишите нам на почту zakaz@podsnab.ru.
Вы можете оформить заказ несколькими способами:
Для оформления заказа от юридического лица свяжитесь с нашим отделом по работе с корпоративными клиентами по телефону +7 (495) 104-99-04 или напишите на email zakaz@podsnab.ru, прикрепив реквизиты вашей организации.
Мы оперативно подготовим коммерческое предложение и выставим счет.
Возврат товара надлежащего качества возможен в течение 10 дней с момента получения, если товар не был в употреблении, сохранен товарный вид, упаковка не вскрывалась и присутствуют все сопроводительные документы.
Возврат денежных средств осуществляется в течение 10 рабочих дней после проверки товара складом.
В соответствии с законодательством возврату не подлежат подшипники надлежащего качества, если отсутствует оригинальная упаковка или имеются следы монтажа.
В случае выявления брака или гарантийного случая мы гарантируем возврат или обмен товара.
Да, гарантийный срок хранения устанавливается заводом-изготовителем и в среднем составляет 2 года при соблюдении условий хранения: сухое помещение, оригинальная упаковка и смазка.
Точный срок для конкретного типа подшипника уточняйте у наших менеджеров.
Пн–Пт: с 8:00 до 17:00 (МСК).
Сб–Вс: выходные дни.
Заказы на сайте принимаются круглосуточно. Заявки, поступившие после окончания рабочего дня, обрабатываются на следующий рабочий день.
Минимальная сумма заказа для доставки составляет 3000 рублей. Самовывоз со склада возможен на любую сумму при наличии товара.
ООО «УралТехГрупп»
ИНН: 7415093830
КПП: 772401001
ОГРН: 1167456069021
Банк: ПАО Сбербанк
Р/с: 40702810838000475273
К/с: 30101810400000000225
БИК: 044525225
У подшипника KR22-B-NMT пока нет отзывов. Вы можете стать первым покупателем, поделившимся своим мнением.