Поиск подшипника
Статьи
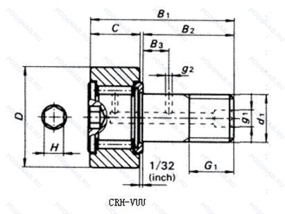
CRH16VBUU — Кулачковый ролик толкатель, модификация основного исполнения CRH16VB, производство IKO.
Размер ролика: 15x25x15 мм.
Манжетные уплотнения с обеих сторон (тип p - две шайбы из оцинкованной листовой стали с промежуточной частью nbr). диапазон температур -30℃/+100℃, с шестигранным отверстием, полный тип дополнения.
Международная стандартизации ISO
CRH16VBUU
В наличии
| Обозначение | Конструктивные изменения |
|---|---|
| CRH16VB | Отклонения основных размеров. Основное конструктивное исполнение. |
Модификации кулачкового ролика CRH16VBUU — это измененное основное конструктивное исполнение CRH16VB, основные размеры (15x25x15) не отличаются.
| Обозначение | Гост | Конструктивные особенности |
|---|---|---|
| CRH16VB | ISO | Отклонения основных размеров. |
| CRH16VUU | ISO | Полный тип дополнения. Манжетные уплотнения с обеих сторон (тип P - две шайбы из оцинкованной листовой стали с промежуточной частью NBR). Диапазон температур -30℃/+100℃. |
Аналог кулачкового ролика CRH16VBUU — это ролик такого же размера dx15,Dx25,Bx15, типа и конструкции.
| Обозначение | Конструктивные особенности | Внутренний (d) | Наружный (D) | Ширина (B) |
|---|---|---|---|---|
| GEEW15ES | Сферический подшипник скольжения. Повышенной грузоподъемности. Разъемное наружное кольцо со смазочными отверстиями. | 15.00 | 26.00 | 15.00 |
| 254701-Д | Роликовый радиальный однорядный подшипник. Сепаратор из алюминиевого сплава.. | 16.00 | 24.00 | 16.00 |
| BK162416 | Роликовый радиальный однорядный подшипник. Коническое внутреннее отверстие. Игольчатый роликовый подшипник со штампованным наружным кольцом с закрытым торцом. | 16.00 | 24.00 | 16.00 |
| BK162414 | Роликовый радиальный однорядный подшипник. Коническое внутреннее отверстие. Игольчатый роликовый подшипник со штампованным наружным кольцом с закрытым торцом. | 16.00 | 24.00 | 14.00 |
| HK162414 | Роликовый радиальный однорядный подшипник. Коническое внутреннее отверстие. Игольчатый роликовый подшипник со штампованным наружным кольцом и открытыми торцами. | 16.00 | 24.00 | 14.00 |
| HK162416 | Роликовый радиальный однорядный подшипник. Коническое внутреннее отверстие. Игольчатый роликовый подшипник со штампованным наружным кольцом и открытыми торцами. | 16.00 | 24.00 | 16.00 |
| FJL-1616L | Роликовый игольчатый подшипник однорядный. Одно механическое уплотнение. | 16.00 | 24.00 | 16.00 |
| СН-162414 НСЮ | Роликовый радиальный двухрядный подшипник. Детали из теплостойкой стали. Все детали или часть деталей из нержавеющей стали.. С одним наружным штампованным кольцом с профилированным дном. | 16.00 | 24.00 | 14.00 |
| BHTM1616A | Роликовый игольчатый подшипник однорядный. Двухрядный радиально-упорный шарикоподшипник без отверстия для смазки. | 16.00 | 24.00 | 16.00 |
| MKM162414U | Роликовый игольчатый подшипник однорядный. Универсальный одиночный подшипник. | 16.00 | 24.15 | 14.00 |
| NQS15/16 | Роликовый игольчатый подшипник однорядный. 01. | 15.00 | 26.00 | 16.00 |
| MFJL-1616L | Роликовый игольчатый подшипник однорядный. Одно механическое уплотнение. | 16.00 | 24.00 | 16.00 |
| NA4901L | Роликовый игольчатый подшипник однорядный. Одно уплотнение. | 16.00 | 24.00 | 14.00 |
| NK14X24.5X15N | Роликовый игольчатый подшипник однорядный. Канавка под стопорное кольцо на внешнем кольце. Изменённая фаска. | 14.00 | 24.50 | 15.00 |
| GEEW15ES-2RS | Шарнирный подшипник. Повышенной грузоподъемности. Прорезиненное уплотнение с двух сторон. Разъемное наружное кольцо со смазочными отверстиями. | 15.00 | 26.00 | 15.00 |
Способы доставки
Отправка через ведущие транспортные и курьерские компании: ПЭК, Деловые Линии, СДЭК, Байкал-Сервис, Энергия, КИТ, ЖелДорЭкспедиция.
Самовывоз возможен напрямую со склада в Москве.
Сроки доставки
Срок зависит от региона и выбранной транспортной компании. Все заказы комплектуются и отправляются в кратчайшие сроки со склада в Москве.
Надёжность и сохранность
Вся продукция упаковывается с учётом требований транспортировки. Мы гарантируем, что подшипники и комплектующие прибудут к заказчику в полной сохранности.
Доставка в страны ЕАЭС
Мы работаем с проверенными логистическими партнёрами, что позволяет оперативно доставлять заказы в Беларусь, Казахстан, Армению и другие страны ЕАЭС.
Варианты оплаты:
Минимальная сумма заказа и скидки:
Документы и гарантии:
Да, конечно! Наши технические специалисты готовы помочь вам с подбором точного аналога или замены подшипника. Просто позвоните нам по телефону +7 (495) 104-99-04 или напишите на почту zakaz@podsnab.ru.
Для оперативной консультации подготовьте, пожалуйста, имеющиеся данные: маркировку, размеры, тип оборудования или артикул старого подшипника.
Да, конечно! Мы высоко ценим долгосрочное сотрудничество и доверие клиентов по всей России. Для постоянных клиентов действует персональная система скидок.
Условия формируются индивидуально и зависят от:
Чтобы узнать свои условия и получить максимально выгодное предложение, свяжитесь с персональным менеджером или напишите нам на почту zakaz@podsnab.ru.
Вы можете оформить заказ несколькими способами:
Для оформления заказа от юридического лица свяжитесь с нашим отделом по работе с корпоративными клиентами по телефону +7 (495) 104-99-04 или напишите на email zakaz@podsnab.ru, прикрепив реквизиты вашей организации.
Мы оперативно подготовим коммерческое предложение и выставим счет.
Возврат товара надлежащего качества возможен в течение 10 дней с момента получения, если товар не был в употреблении, сохранен товарный вид, упаковка не вскрывалась и присутствуют все сопроводительные документы.
Возврат денежных средств осуществляется в течение 10 рабочих дней после проверки товара складом.
В соответствии с законодательством возврату не подлежат подшипники надлежащего качества, если отсутствует оригинальная упаковка или имеются следы монтажа.
В случае выявления брака или гарантийного случая мы гарантируем возврат или обмен товара.
Да, гарантийный срок хранения устанавливается заводом-изготовителем и в среднем составляет 2 года при соблюдении условий хранения: сухое помещение, оригинальная упаковка и смазка.
Точный срок для конкретного типа подшипника уточняйте у наших менеджеров.
Пн–Пт: с 8:00 до 17:00 (МСК).
Сб–Вс: выходные дни.
Заказы на сайте принимаются круглосуточно. Заявки, поступившие после окончания рабочего дня, обрабатываются на следующий рабочий день.
Минимальная сумма заказа для доставки составляет 3000 рублей. Самовывоз со склада возможен на любую сумму при наличии товара.
ООО «УралТехГрупп»
ИНН: 7415093830
КПП: 772401001
ОГРН: 1167456069021
Банк: ПАО Сбербанк
Р/с: 40702810838000475273
К/с: 30101810400000000225
БИК: 044525225
У подшипника CRH16VBUU пока нет отзывов. Вы можете стать первым покупателем, поделившимся своим мнением.