Поиск подшипника
Статьи
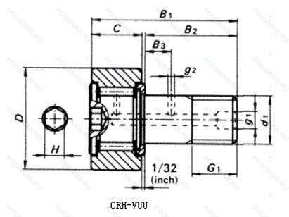
CRH18VB — Кулачковый ролик толкатель, модификация основного исполнения CRH18, производство IKO.
Размер ролика: 15x28x15 мм.
Отклонения основных размеров.
Международная стандартизации ISO
CRH18VB
В наличии
| Обозначение | Гост | Конструктивные особенности |
|---|---|---|
| CFH1.1/8S | ISO | Запечатанная версия кулачкового ролика. Number Of Carriages Per Rail Track. |
| HR1.1/8 | ISO | Number Of Carriages Per Rail Track. Средний предварительный натяг. |
| H36L | ISO | Запечатанная версия кулачкового ролика. |
| H36SW | ISO | Скользящая контактная поверхность из твердого хрома/Elgoglide®. |
Аналог кулачкового ролика CRH18VB — это ролик такого же размера dx15,Dx28,Bx15, типа и конструкции.
| Обозначение | Конструктивные особенности | Внутренний (d) | Наружный (D) | Ширина (B) |
|---|---|---|---|---|
| 71902 CDF | Шариковый радиально-упорный двухрядный подшипник. Однорядный радиально-упорный шарикоподшипник улучшенной конструкции с углом контакта 15°. | 15.00 | 28.00 | 14.00 |
| 71902 CDB | Шариковый радиально-упорный двухрядный подшипник. Однорядный радиально-упорный шарикоподшипник улучшенной конструкции с углом контакта 15°. | 15.00 | 28.00 | 14.00 |
| 71902 CDT | Шариковый радиально-упорный двухрядный подшипник. Механически обработанный сепаратор из текстолита. Однорядный радиально-упорный шарикоподшипник улучшенной конструкции с углом контакта 15°. | 15.00 | 28.00 | 14.00 |
| 2-1436902-К | Шариковый радиально-упорный сдвоенный подшипник. «Замок» (скос) на внутреннем кольце плюс массивный сепаратор из текстолита. | 15.00 | 28.00 | 14.00 |
| NA4902TT | Роликовый игольчатый подшипник однорядный. Комплект из трех согласованных однорядных радиально-упорных шарикоподшипников или радиально-упорных шарикоподшипников, расположенных тандемно. | 15.00 | 28.00 | 14.00 |
| NK19/16R+IR15X19X16 | Роликовый игольчатый подшипник однорядный. Изменённая фаска. | 15.00 | 27.00 | 16.00 |
| GEFZ14C | Шарнирный подшипник. 15° Угол контакта. | 14.29 | 27.78 | 14.27 |
| GEFZ14T | Шарнирный подшипник. Textile Laminated Phenolic Resin. Outer Ring Guided. The Cage Is Suitable For Long-Term Operation At Temperatures Up To 100°C. | 14.29 | 27.78 | 14.27 |
| GEEW16ES-2RS | Шарнирный подшипник. Повышенной грузоподъемности. Прорезиненное уплотнение с двух сторон. Разъемное наружное кольцо со смазочными отверстиями. | 16.00 | 28.00 | 16.00 |
| TAPR 616 CE | Шарнирный подшипник. 15° Угол контакта And (E) Small Size Steel Balls. | 16.00 | 28.00 | 16.00 |
| GEFZ14S | Шарнирный подшипник. Запечатанная версия кулачкового ролика. | 14.29 | 27.78 | 14.27 |
| MBG15CR | Шарнирный подшипник. (TB-Segment) Phenolic (Composition) Fafnir Standard. | 15.00 | 29.00 | 15.00 |
| MBT15V | Шарнирный подшипник. Подшипник без сепаратора. С полным комплектом тел качения. | 15.00 | 29.00 | 15.00 |
| MBT14V | Шарнирный подшипник. Подшипник без сепаратора. С полным комплектом тел качения. | 14.00 | 27.50 | 14.00 |
| MBG14CR | Шарнирный подшипник. (TB-Segment) Phenolic (Composition) Fafnir Standard. | 14.00 | 27.50 | 14.00 |
Способы доставки
Отправка через ведущие транспортные и курьерские компании: ПЭК, Деловые Линии, СДЭК, Байкал-Сервис, Энергия, КИТ, ЖелДорЭкспедиция.
Самовывоз возможен напрямую со склада в Москве.
Сроки доставки
Срок зависит от региона и выбранной транспортной компании. Все заказы комплектуются и отправляются в кратчайшие сроки со склада в Москве.
Надёжность и сохранность
Вся продукция упаковывается с учётом требований транспортировки. Мы гарантируем, что подшипники и комплектующие прибудут к заказчику в полной сохранности.
Доставка в страны ЕАЭС
Мы работаем с проверенными логистическими партнёрами, что позволяет оперативно доставлять заказы в Беларусь, Казахстан, Армению и другие страны ЕАЭС.
Варианты оплаты:
Минимальная сумма заказа и скидки:
Документы и гарантии:
Да, конечно! Наши технические специалисты готовы помочь вам с подбором точного аналога или замены подшипника. Просто позвоните нам по телефону +7 (495) 104-99-04 или напишите на почту zakaz@podsnab.ru.
Для оперативной консультации подготовьте, пожалуйста, имеющиеся данные: маркировку, размеры, тип оборудования или артикул старого подшипника.
Да, конечно! Мы высоко ценим долгосрочное сотрудничество и доверие клиентов по всей России. Для постоянных клиентов действует персональная система скидок.
Условия формируются индивидуально и зависят от:
Чтобы узнать свои условия и получить максимально выгодное предложение, свяжитесь с персональным менеджером или напишите нам на почту zakaz@podsnab.ru.
Вы можете оформить заказ несколькими способами:
Для оформления заказа от юридического лица свяжитесь с нашим отделом по работе с корпоративными клиентами по телефону +7 (495) 104-99-04 или напишите на email zakaz@podsnab.ru, прикрепив реквизиты вашей организации.
Мы оперативно подготовим коммерческое предложение и выставим счет.
Возврат товара надлежащего качества возможен в течение 10 дней с момента получения, если товар не был в употреблении, сохранен товарный вид, упаковка не вскрывалась и присутствуют все сопроводительные документы.
Возврат денежных средств осуществляется в течение 10 рабочих дней после проверки товара складом.
В соответствии с законодательством возврату не подлежат подшипники надлежащего качества, если отсутствует оригинальная упаковка или имеются следы монтажа.
В случае выявления брака или гарантийного случая мы гарантируем возврат или обмен товара.
Да, гарантийный срок хранения устанавливается заводом-изготовителем и в среднем составляет 2 года при соблюдении условий хранения: сухое помещение, оригинальная упаковка и смазка.
Точный срок для конкретного типа подшипника уточняйте у наших менеджеров.
Пн–Пт: с 8:00 до 17:00 (МСК).
Сб–Вс: выходные дни.
Заказы на сайте принимаются круглосуточно. Заявки, поступившие после окончания рабочего дня, обрабатываются на следующий рабочий день.
Минимальная сумма заказа для доставки составляет 3000 рублей. Самовывоз со склада возможен на любую сумму при наличии товара.
ООО «УралТехГрупп»
ИНН: 7415093830
КПП: 772401001
ОГРН: 1167456069021
Банк: ПАО Сбербанк
Р/с: 40702810838000475273
К/с: 30101810400000000225
БИК: 044525225
У подшипника CRH18VB пока нет отзывов. Вы можете стать первым покупателем, поделившимся своим мнением.