Поиск подшипника
Статьи
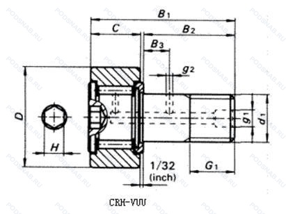
CRH22VB — Кулачковый ролик толкатель, модификация основного исполнения CRH22V, производство IKO.
Размер ролика: 19x34x19 мм.
С шестигранным отверстием, полный тип дополнения.
Международная стандартизации ISO
CRH22VB
В наличии
| Обозначение | Конструктивные изменения |
|---|---|
| CRH22V | Подшипник без сепаратора. С полным комплектом тел качения. Основное конструктивное исполнение. |
Модификации кулачкового ролика CRH22VB — это измененное основное конструктивное исполнение CRH22V, основные размеры (19x34x19) не отличаются.
| Обозначение | Гост | Конструктивные особенности |
|---|---|---|
| KRVE35PP | ISO | Уплотнения на каждой стороне подшипника. |
| KRVE35PPA | ISO | Измененная или модифицированная внутренняя конструкция при неизменных основных размерах. |
| KRE35PPX | ISO | Скользящие уплотнительные кольца из полиамида с обеих сторон, улучшенный корончатый профиль рабочей поверхности наружного кольца. |
| KRE35-B | ISO | Конический роликовый подшипник. Угол контакта 20 градусов. |
| KRE35PP | ISO | Уплотнения на каждой стороне подшипника. |
| KRE35PPA | ISO | Скользящие уплотнительные кольца из полиамида с обеих сторон, улучшенный корончатый профиль рабочей поверхности наружного кольца. |
| PWKRE35-2RS | ISO | Резиновые уплотнения с каждой стороны подшипника. |
| KRE35PP NMT | ISO | Манжетные уплотнения с обеих сторон (тип P - две шайбы из оцинкованной листовой стали с промежуточной частью NBR. Кромка уплотнения предварительно нагружена в осевом направлении). Диапазон температур -30℃/+100℃. Шестигранная гайка. |
| GCRL35 | ISO | Кулачковый ролик толкатель. |
| KRE35-B-NMT | ISO | Внутренняя модификация конструкции. Может использоваться в качестве стандартного. Шестигранная гайка. |
| MCFE35SX | ISO | Радиально-упорный сферический подшипник скольжения. требующий обслуживания по ISO 12 2402. Монтажные размеры как для конических роликоподшипников по DIN 720. 320X. Стальная скользящая контактная поверхность. |
| KRVE35XSK | ISO | Кулачковый толкатель штифтового типа. С шестигранной головкой. Цилиндрическая рабочая поверхность. |
| KRE35LLH | ISO | Манжетное уплотнение с обеих сторон подшипника. |
| KRVE35-PP-A-NMT | ISO | Манжетные уплотнения с обеих сторон (тип P - две шайбы из оцинкованной листовой стали с промежуточной частью NBR. Кромка уплотнения предварительно нагружена в осевом направлении). Диапазон температур -30℃/+100℃. Шестигранная гайка. |
| CRH22V | ISO | Подшипник без сепаратора. С полным комплектом тел качения. |
| KRE35X | ISO | Цилиндрическая рабочая поверхность. |
| PWKRE35 2RSA | ISO | Rubber Seals At Each Side Of The Bearing. Temperature Range -30℃/+120℃. |
| KRE35-PP-A-NMT | ISO | Двухрядный радиально-упорный шарикоподшипник без отверстия для смазки. Манжетные уплотнения с обеих сторон (тип P - две шайбы из оцинкованной листовой стали с промежуточной частью NBR. Кромка уплотнения предварительно нагружена в осевом направлении). Диапазон температур -30℃/+100℃. Шестигранная гайка. |
| GCR35EE | ISO | Пластиковые уплотнения с каждой стороны подшипника. |
| GCR35EEM | ISO | Металлические уплотнения с двух сторон подшипника. |
Аналог кулачкового ролика CRH22VB — это ролик такого же размера dx19,Dx34,Bx19, типа и конструкции.
| Обозначение | Конструктивные особенности | Внутренний (d) | Наружный (D) | Ширина (B) |
|---|---|---|---|---|
| GEEW20ES | Сферический подшипник скольжения. Повышенной грузоподъемности. Разъемное наружное кольцо со смазочными отверстиями. | 20.00 | 35.00 | 20.00 |
| GE20LO-2RS | Сферический подшипник скольжения. Манжетное уплотнение с двух сторон. | 20.00 | 35.00 | 20.00 |
| GE20LO-2RS-C2 | Сферический подшипник скольжения. Радиальный внутренний зазор меньше нормального. Манжетное уплотнение с двух сторон. | 20.00 | 35.00 | 20.00 |
| GIHNRK20LO | Сферический шарнирный подшипник. Стальная поверхность скольжения. Внутреннее кольцо расширено с обеих сторон. Одна осевая канавка на внешнем кольце. | 20.00 | 47.00 | 20.00 |
| GE20LO | Сферический подшипник скольжения. Стальная поверхность скольжения. Внутреннее кольцо расширено с обеих сторон. Одна осевая канавка на внешнем кольце. Метрический радиальный сферический подшипник скольжения. | 20.00 | 35.00 | 20.00 |
| SRC20 2RS | Сферический подшипник скольжения. Резиновые уплотнения с каждой стороны подшипника. | 20.00 | 35.00 | 20.00 |
| XRL20R | Сферический подшипник скольжения. С выпуклыми асимметричными роликами и обработанным сепаратором. | 20.00 | 35.00 | 20.00 |
| NK19X34X18N | Роликовый игольчатый подшипник однорядный. Канавка под стопорное кольцо на внешнем кольце. Изменённая фаска. | 19.00 | 34.00 | 18.00 |
| NK19X35X20N | Роликовый игольчатый подшипник однорядный. Канавка под стопорное кольцо на внешнем кольце. Изменённая фаска. | 19.00 | 35.00 | 20.00 |
| NK20X34X18 | Роликовый игольчатый подшипник однорядный. Изменённая фаска. | 20.00 | 34.00 | 18.00 |
| GEEW20ES-2RS | Шарнирный подшипник. Повышенной грузоподъемности. Прорезиненное уплотнение с двух сторон. Разъемное наружное кольцо со смазочными отверстиями. | 20.00 | 35.00 | 20.00 |
| TAPR 620 CE | Шарнирный подшипник. 15° Угол контакта And (E) Small Size Steel Balls. | 20.00 | 35.00 | 20.00 |
| MBW18CR | Шарнирный подшипник. (TB-Segment) Phenolic (Composition) Fafnir Standard. | 18.00 | 33.00 | 20.00 |
| MBG18CR | Шарнирный подшипник. (TB-Segment) Phenolic (Composition) Fafnir Standard. | 18.00 | 34.00 | 18.00 |
| MBT18V | Шарнирный подшипник. Подшипник без сепаратора. С полным комплектом тел качения. | 18.00 | 34.00 | 18.00 |
Способы доставки
Отправка через ведущие транспортные и курьерские компании: ПЭК, Деловые Линии, СДЭК, Байкал-Сервис, Энергия, КИТ, ЖелДорЭкспедиция.
Самовывоз возможен напрямую со склада в Москве.
Сроки доставки
Срок зависит от региона и выбранной транспортной компании. Все заказы комплектуются и отправляются в кратчайшие сроки со склада в Москве.
Надёжность и сохранность
Вся продукция упаковывается с учётом требований транспортировки. Мы гарантируем, что подшипники и комплектующие прибудут к заказчику в полной сохранности.
Доставка в страны ЕАЭС
Мы работаем с проверенными логистическими партнёрами, что позволяет оперативно доставлять заказы в Беларусь, Казахстан, Армению и другие страны ЕАЭС.
Варианты оплаты:
Минимальная сумма заказа и скидки:
Документы и гарантии:
Да, конечно! Наши технические специалисты готовы помочь вам с подбором точного аналога или замены подшипника. Просто позвоните нам по телефону +7 (495) 104-99-04 или напишите на почту zakaz@podsnab.ru.
Для оперативной консультации подготовьте, пожалуйста, имеющиеся данные: маркировку, размеры, тип оборудования или артикул старого подшипника.
Да, конечно! Мы высоко ценим долгосрочное сотрудничество и доверие клиентов по всей России. Для постоянных клиентов действует персональная система скидок.
Условия формируются индивидуально и зависят от:
Чтобы узнать свои условия и получить максимально выгодное предложение, свяжитесь с персональным менеджером или напишите нам на почту zakaz@podsnab.ru.
Вы можете оформить заказ несколькими способами:
Для оформления заказа от юридического лица свяжитесь с нашим отделом по работе с корпоративными клиентами по телефону +7 (495) 104-99-04 или напишите на email zakaz@podsnab.ru, прикрепив реквизиты вашей организации.
Мы оперативно подготовим коммерческое предложение и выставим счет.
Возврат товара надлежащего качества возможен в течение 10 дней с момента получения, если товар не был в употреблении, сохранен товарный вид, упаковка не вскрывалась и присутствуют все сопроводительные документы.
Возврат денежных средств осуществляется в течение 10 рабочих дней после проверки товара складом.
В соответствии с законодательством возврату не подлежат подшипники надлежащего качества, если отсутствует оригинальная упаковка или имеются следы монтажа.
В случае выявления брака или гарантийного случая мы гарантируем возврат или обмен товара.
Да, гарантийный срок хранения устанавливается заводом-изготовителем и в среднем составляет 2 года при соблюдении условий хранения: сухое помещение, оригинальная упаковка и смазка.
Точный срок для конкретного типа подшипника уточняйте у наших менеджеров.
Пн–Пт: с 8:00 до 17:00 (МСК).
Сб–Вс: выходные дни.
Заказы на сайте принимаются круглосуточно. Заявки, поступившие после окончания рабочего дня, обрабатываются на следующий рабочий день.
Минимальная сумма заказа для доставки составляет 3000 рублей. Самовывоз со склада возможен на любую сумму при наличии товара.
ООО «УралТехГрупп»
ИНН: 7415093830
КПП: 772401001
ОГРН: 1167456069021
Банк: ПАО Сбербанк
Р/с: 40702810838000475273
К/с: 30101810400000000225
БИК: 044525225
У подшипника CRH22VB пока нет отзывов. Вы можете стать первым покупателем, поделившимся своим мнением.