Поиск подшипника
Статьи
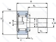
KR32-PP-A-NMT — Кулачковый ролик толкатель, модификация основного исполнения KR32, производство INA.
Размер ролика: 12x32x14 мм.
Опорный ролик, шпилечного типа с сепаратором, профилированный наружный диаметр. Эксцентриковая цапфа, шестигранная гайка, манжетные уплотнения с обеих сторон (тип p - две шайбы из оцинкованной листовой стали с промежуточной частью nbr. кромка уплотнения предварительно нагружена в осевом направлении). диапазон температур -30℃/+100℃, двухрядный радиально-упорный шарикоподшипник без отверстия для смазки.
Аналоги: KR32 PP NMT INA.
Международная стандартизации ISO
KR32PPANMT
В наличии
| Обозначение | Конструктивные изменения |
|---|---|
| KR32X | Измененные размеры границ. введенные пересмотренными стандартами ISO. |
| KR32C DZ | 15° Угол контакта. Опорные ролики игольчатого типа. Цилиндрический наружный диаметр. Литой сепаратор оконного типа из полиамида. усиленного стекловолокном. |
| KR32PPA | Скользящие уплотнительные кольца из полиамида с обеих сторон, улучшенный корончатый профиль рабочей поверхности наружного кольца. |
| KR32C.DZ.2RS | 15° Угол контакта. Резиновые уплотнения с каждой стороны подшипника. Опорные ролики игольчатого типа. Цилиндрический наружный диаметр. Литой сепаратор оконного типа из полиамида. усиленного стекловолокном. |
| KR32CLL | Контактное. синтетические. резиновое уплотнение с двух сторон. |
| KR32AA | Измененный внутренний дизайн. |
| KR32DZ | Опорный ролик. Цилиндрический наружный диаметр. |
| KR32-X-PP-A | Двухрядный радиально-упорный шарикоподшипник без отверстия для смазки. Цилиндрическая рабочая поверхность. Манжетные уплотнения с обеих сторон (тип P - две шайбы из оцинкованной листовой стали с промежуточной частью NBR. Кромка уплотнения предварительно нагружена в осевом направлении). Диапазон температур -30℃/+100℃. |
| KR32LLH/3AS | Манжетное уплотнение с обеих сторон подшипника. Смазка. Shell Oil Co. Смазка Alvania #3, стандартная заливка.. |
| KR32H | Pressed Snap-Type Steel Cage. Hardened. |
| KR32X NMT | Цилиндрическая рабочая поверхность. Шестигранная гайка. |
| KR32XB NMT | Внутренняя модификация конструкции. Может использоваться в качестве стандартного. Цилиндрическая рабочая поверхность. Шестигранная гайка. |
| KR32 2RS | Резиновые уплотнения с каждой стороны подшипника. |
| KR32XH | Double Row Flanged Cup. |
| KR32XLLH | Цилиндрический (плоский) профиль наружной рабочей поверхности. Манжетное уплотнение с обеих сторон подшипника. |
| KR32-PP-RR-A | Двухрядный радиально-упорный шарикоподшипник без отверстия для смазки. Манжетные уплотнения с обеих сторон (тип P - две шайбы из оцинкованной листовой стали с промежуточной частью NBR. Кромка уплотнения предварительно нагружена в осевом направлении). Диапазон температур -30℃/+100℃. Защищен от коррозии специальным покрытием Corrotect®.. |
| KR32X LL | Цилиндрический (плоский) профиль наружной рабочей поверхности. Контактное уплотнения из синтетической черной резины с обеих сторон. |
| KR32LL | Контактное. синтетические. резиновое уплотнение с двух сторон. |
| KR32-X-PP-A-NMT | Двухрядный радиально-упорный шарикоподшипник без отверстия для смазки. Цилиндрическая рабочая поверхность. Манжетные уплотнения с обеих сторон (тип P - две шайбы из оцинкованной листовой стали с промежуточной частью NBR. Кромка уплотнения предварительно нагружена в осевом направлении). Диапазон температур -30℃/+100℃. Шестигранная гайка. |
| KR32PP SK | Кулачковый толкатель штифтового типа. С шестигранной головкой. Манжетные уплотнения с обеих сторон (тип P - две шайбы из оцинкованной листовой стали с промежуточной частью NBR. Кромка уплотнения предварительно нагружена в осевом направлении). Диапазон температур -30℃/+100℃. |
| KR32A | Двухрядный радиально-упорный шарикоподшипник без отверстия для смазки. |
| KR32LL/3AS | Контактное. синтетические. резиновое уплотнение с двух сторон. Смазка. Shell Oil Co. Смазка Alvania #3, стандартная заливка.. |
| KR32C.2RS.SK | Коронка. Резиновые уплотнения с каждой стороны подшипника. Кулачковый толкатель штифтового типа. С шестигранной головкой. |
| KR32XC | Цилиндрический (плоский) профиль наружной рабочей поверхности. |
| KR32XC LL | Цилиндрический (плоский) профиль наружной рабочей поверхности. Контактное. синтетические. резиновое уплотнение с двух сторон. |
Модификации кулачкового ролика KR32-PP-A-NMT — это измененное основное конструктивное исполнение KR32, основные размеры (12x32x14) не отличаются.
| Обозначение | Гост | Конструктивные особенности |
|---|---|---|
| MCFR32SBX | ISO | Запечатанная версия кулачкового ролика. Подшипник. Тип расширения. |
| KRV32CLL | ISO | Контактное. синтетические. резиновое уплотнение с двух сторон. |
| CF12-1BUUR | ISO | С шестигранным отверстием. Манжетные уплотнения с обеих сторон (тип P - две шайбы из оцинкованной листовой стали с промежуточной частью NBR). Диапазон температур -30℃/+100℃. |
| CF12-1VUU | ISO | Полный тип дополнения. Манжетные уплотнения с обеих сторон (тип P - две шайбы из оцинкованной листовой стали с промежуточной частью NBR). Диапазон температур -30℃/+100℃. |
| KRV32XLLH/3AS | ISO | Цилиндрический (плоский) профиль наружной рабочей поверхности. Манжетное уплотнение с обеих сторон подшипника. Смазка. Shell Oil Co. Смазка Alvania #3, стандартная заливка.. |
| CF12-1R | ISO | Коронка на наружном кольце. |
| CF12-1V | ISO | Подшипник без сепаратора. С полным комплектом тел качения. |
| MCF32SB | ISO | Double Row. Angular Contact. Non-Filling Notch Bearing. With Outwardly Convergent Угол контактаs. Rigid Design. |
| MCF32SX | ISO | Радиально-упорный сферический подшипник скольжения. требующий обслуживания по ISO 12 2402. Монтажные размеры как для конических роликоподшипников по DIN 720. 320X. Стальная скользящая контактная поверхность. |
| KRV32PPSK | ISO | Манжетные уплотнения с обеих сторон (тип P - две шайбы из оцинкованной листовой стали с промежуточной частью NBR. Кромка уплотнения предварительно нагружена в осевом направлении). Диапазон температур -30℃/+100℃. |
| KRV32-PP-A-NMT | ISO | Двухрядный радиально-упорный шарикоподшипник без отверстия для смазки. Манжетные уплотнения с обеих сторон (тип P - две шайбы из оцинкованной листовой стали с промежуточной частью NBR. Кромка уплотнения предварительно нагружена в осевом направлении). Диапазон температур -30℃/+100℃. Шестигранная гайка. |
| KRV32LLH/3AS | ISO | Манжетное уплотнение с обеих сторон подшипника. Смазка. Shell Oil Co. Смазка Alvania #3, стандартная заливка.. |
| KRV32-PP-A-NIP-VD/MON | ISO | Двухрядный радиально-упорный шарикоподшипник без отверстия для смазки. Манжетные уплотнения с обеих сторон (тип P - две шайбы из оцинкованной листовой стали с промежуточной частью NBR. Кромка уплотнения предварительно нагружена в осевом направлении). Диапазон температур -30℃/+100℃. |
| KRV32X LL | ISO | Цилиндрический (плоский) профиль наружной рабочей поверхности. Контактное уплотнения из синтетической черной резины с обеих сторон. |
| CF12-1UUR | ISO | Манжетные уплотнения с обеих сторон (тип P - две шайбы из оцинкованной листовой стали с промежуточной частью NBR). Диапазон температур -30℃/+100℃. |
| KRV32-X-PP-A | ISO | Двухрядный радиально-упорный шарикоподшипник без отверстия для смазки. Цилиндрическая рабочая поверхность. Манжетные уплотнения с обеих сторон (тип P - две шайбы из оцинкованной листовой стали с промежуточной частью NBR. Кромка уплотнения предварительно нагружена в осевом направлении). Диапазон температур -30℃/+100℃. |
| KRV32XLLH | ISO | Цилиндрический (плоский) профиль внешней поверхности качения.. |
| KRV32LLH | ISO | Манжетное уплотнение с обеих сторон подшипника. |
| MCFR32X | ISO | Цилиндрическая рабочая поверхность. |
| KRV32PPXA-NMT | ISO | Цилиндрическая рабочая поверхность. Манжетные уплотнения с обеих сторон (тип P - две шайбы из оцинкованной листовой стали с промежуточной частью NBR. Кромка уплотнения предварительно нагружена в осевом направлении). Диапазон температур -30℃/+100℃. Шестигранная гайка. |
Аналог кулачкового ролика KR32-PP-A-NMT — это ролик такого же размера dx12,Dx32,Bx14, типа и конструкции.
| Обозначение | Конструктивные особенности | Внутренний (d) | Наружный (D) | Ширина (B) |
|---|---|---|---|---|
| 75-180501 Е1Т2С4 | Шариковый радиальный однорядный подшипник. Сепаратор из текстолита.. 200°. Температура отпуска. Смазка ЦИАТИМ-221С. | 12.00 | 32.00 | 14.00 |
| 75-180501 Е2Т2С15 | Шариковый радиальный однорядный подшипник. 200°. Температура отпуска. Сепаратор из пластических материалов.. Смазка ВНИИНП-207. | 12.00 | 32.00 | 14.00 |
| 75-180501 Е2Т2С2 | Шариковый радиальный однорядный подшипник. 200°. Смазка ЦИАТИМ-221. Температура отпуска. Сепаратор из пластических материалов.. | 12.00 | 32.00 | 14.00 |
| 75-180501 Е3С1 | Шариковый радиальный однорядный подшипник. Сепаратор из пластических материалов.. Смазка ОКБ 122-7. | 12.00 | 32.00 | 14.00 |
| NA2201XLL | Роликовый игольчатый подшипник однорядный. Два уплотнения. | 12.00 | 32.00 | 14.00 |
| 180501-АС5 | Шариковый радиальный однорядный подшипник. Повышенная грузоподъемность. Смазка ЦИАТИМ-202. | 12.00 | 32.00 | 14.00 |
| 180501-АС9 | Шариковый радиальный однорядный подшипник. Повышенная грузоподъемность. Смазка ЛЗ-31. | 12.00 | 32.00 | 14.00 |
| 180501-К4С5 | Шариковый радиальный однорядный подшипник. Смазка ЦИАТИМ-202. | 12.00 | 32.00 | 14.00 |
| 180501-К4С9 | Шариковый радиальный однорядный подшипник. «Замок» (скос) на внутреннем кольце плюс массивный сепаратор из текстолита. Смазка ЛЗ-31. | 12.00 | 32.00 | 14.00 |
| 180501-С1 | Шариковый радиальный однорядный подшипник. Смазка ОКБ 122-7. | 12.00 | 32.00 | 14.00 |
| 25-180501 Е1С2 | Шариковый радиальный однорядный подшипник. Сепаратор из текстолита.. Смазка ЦИАТИМ-221. | 12.00 | 32.00 | 14.00 |
| 2201 TN9 | Шариковый сферический двухрядный подшипник. Литой защелкивающийся сепаратор из полиамида. армированного стекловолокном 6.6. | 12.00 | 32.00 | 14.00 |
| 5-160501 ЕТ2 | Шариковый радиальный однорядный подшипник. Сепаратор из текстолита.. 200°. Температура отпуска. | 12.00 | 32.00 | 14.00 |
| 6-180501 АС9Ш1 | Шариковый радиальный однорядный подшипник. Повышенная грузоподъемность. Нормы шумности. Смазка ЛЗ-31. | 12.00 | 32.00 | 14.00 |
| 6-180501 К4С9Ш1 | Шариковый радиальный однорядный подшипник. Нормы шумности. Смазка ЛЗ-31. | 12.00 | 32.00 | 14.00 |
Способы доставки
Отправка через ведущие транспортные и курьерские компании: ПЭК, Деловые Линии, СДЭК, Байкал-Сервис, Энергия, КИТ, ЖелДорЭкспедиция.
Самовывоз возможен напрямую со склада в Москве.
Сроки доставки
Срок зависит от региона и выбранной транспортной компании. Все заказы комплектуются и отправляются в кратчайшие сроки со склада в Москве.
Надёжность и сохранность
Вся продукция упаковывается с учётом требований транспортировки. Мы гарантируем, что подшипники и комплектующие прибудут к заказчику в полной сохранности.
Доставка в страны ЕАЭС
Мы работаем с проверенными логистическими партнёрами, что позволяет оперативно доставлять заказы в Беларусь, Казахстан, Армению и другие страны ЕАЭС.
Варианты оплаты:
Минимальная сумма заказа и скидки:
Документы и гарантии:
Да, конечно! Наши технические специалисты готовы помочь вам с подбором точного аналога или замены подшипника. Просто позвоните нам по телефону +7 (495) 104-99-04 или напишите на почту zakaz@podsnab.ru.
Для оперативной консультации подготовьте, пожалуйста, имеющиеся данные: маркировку, размеры, тип оборудования или артикул старого подшипника.
Да, конечно! Мы высоко ценим долгосрочное сотрудничество и доверие клиентов по всей России. Для постоянных клиентов действует персональная система скидок.
Условия формируются индивидуально и зависят от:
Чтобы узнать свои условия и получить максимально выгодное предложение, свяжитесь с персональным менеджером или напишите нам на почту zakaz@podsnab.ru.
Вы можете оформить заказ несколькими способами:
Для оформления заказа от юридического лица свяжитесь с нашим отделом по работе с корпоративными клиентами по телефону +7 (495) 104-99-04 или напишите на email zakaz@podsnab.ru, прикрепив реквизиты вашей организации.
Мы оперативно подготовим коммерческое предложение и выставим счет.
Возврат товара надлежащего качества возможен в течение 10 дней с момента получения, если товар не был в употреблении, сохранен товарный вид, упаковка не вскрывалась и присутствуют все сопроводительные документы.
Возврат денежных средств осуществляется в течение 10 рабочих дней после проверки товара складом.
В соответствии с законодательством возврату не подлежат подшипники надлежащего качества, если отсутствует оригинальная упаковка или имеются следы монтажа.
В случае выявления брака или гарантийного случая мы гарантируем возврат или обмен товара.
Да, гарантийный срок хранения устанавливается заводом-изготовителем и в среднем составляет 2 года при соблюдении условий хранения: сухое помещение, оригинальная упаковка и смазка.
Точный срок для конкретного типа подшипника уточняйте у наших менеджеров.
Пн–Пт: с 8:00 до 17:00 (МСК).
Сб–Вс: выходные дни.
Заказы на сайте принимаются круглосуточно. Заявки, поступившие после окончания рабочего дня, обрабатываются на следующий рабочий день.
Минимальная сумма заказа для доставки составляет 3000 рублей. Самовывоз со склада возможен на любую сумму при наличии товара.
ООО «УралТехГрупп»
ИНН: 7415093830
КПП: 772401001
ОГРН: 1167456069021
Банк: ПАО Сбербанк
Р/с: 40702810838000475273
К/с: 30101810400000000225
БИК: 044525225
У подшипника KR32-PP-A-NMT пока нет отзывов. Вы можете стать первым покупателем, поделившимся своим мнением.