Поиск подшипника
Статьи
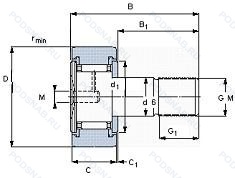
NUKD62DZ — Кулачковый ролик толкатель, модификация основного исполнения NUKD62, производство FAG.
Размер ролика: 24x62x28 мм.
Опорные ролики игольчатого типа. цилиндрический наружный диаметр. литой сепаратор оконного типа из полиамида. усиленного стекловолокном.
Альтернативное обозначение: KR62PPX, NUKR62DZ, NUKR62X.
Международная стандартизации ISO
NUKD62DZ
В наличии
| Обозначение | Конструктивные изменения |
|---|---|
| NUKD62P | Сеаратор из литого полиамида 6.6. армированного стекловолокном. |
Модификации кулачкового ролика NUKD62DZ — это измененное основное конструктивное исполнение NUKD62, основные размеры (24x62x28) не отличаются.
| Обозначение | Гост | Конструктивные особенности |
|---|---|---|
| KR62PPX | ISO | Скользящие уплотнительные кольца из полиамида с обеих сторон, улучшенный корончатый профиль рабочей поверхности наружного кольца. |
| NUKR62X | ISO | Измененные размеры границ. введенные пересмотренными стандартами ISO. |
| NUKR62DZ | ISO | Опорные ролики игольчатого типа. Цилиндрический наружный диаметр. Литой сепаратор оконного типа из полиамида. усиленного стекловолокном. |
| KR62-PP-A-NMT | ISO | Двухрядный радиально-упорный шарикоподшипник без отверстия для смазки. Манжетные уплотнения с обеих сторон (тип P - две шайбы из оцинкованной листовой стали с промежуточной частью NBR. Кромка уплотнения предварительно нагружена в осевом направлении). Диапазон температур -30℃/+100℃. Шестигранная гайка. |
| KR62XLLH | ISO | Цилиндрический (плоский) профиль наружной рабочей поверхности. Манжетное уплотнение с обеих сторон подшипника. |
| KRV62H | ISO | Pressed Snap-Type Steel Cage. Hardened. |
| PWKRE62-2RS-A | ISO | Rubber Seals At Each Side Of The Bearing. Temperature Range -30℃/+120℃. |
| KRV62LLH | ISO | Манжетное уплотнение с обеих сторон подшипника. |
| PWKRE62-2RS-RR-XL | ISO | Rubber Seals At Each Side Of The Bearing. Temperature Range -30℃/+120℃. Серия X-Life премиум-класс. увеличиный срок службы. Защищен от коррозии специальным покрытием Corrotect®.. |
| KR62-PP-B-NMT | ISO | Конический роликовый подшипник. Угол контакта 20 градусов. Манжетные уплотнения с обеих сторон (тип P - две шайбы из оцинкованной листовой стали с промежуточной частью NBR. Кромка уплотнения предварительно нагружена в осевом направлении). Диапазон температур -30℃/+100℃. Шестигранная гайка. |
| MCF62SX | ISO | Запечатанная версия кулачкового ролика. Цилиндрическая рабочая поверхность. |
| KRV62X LL | ISO | Цилиндрический (плоский) профиль наружной рабочей поверхности. Контактное уплотнения из синтетической черной резины с обеих сторон. |
| CF24VUUR | ISO | Полный тип дополнения. Манжетные уплотнения с обеих сторон (тип P - две шайбы из оцинкованной листовой стали с промежуточной частью NBR). Диапазон температур -30℃/+100℃. |
| KR62PP SK VA | ISO | Кулачковый толкатель штифтового типа. С шестигранной головкой. Нержавеющая сталь. Манжетные уплотнения с обеих сторон (тип P - две шайбы из оцинкованной листовой стали с промежуточной частью NBR. Кромка уплотнения предварительно нагружена в осевом направлении). Диапазон температур -30℃/+100℃. |
| KR62B NMT | ISO | Конический роликовый подшипник. Угол контакта 20 градусов. Шестигранная гайка. |
| KR62-X-PP-A | ISO | Двухрядный радиально-упорный шарикоподшипник без отверстия для смазки. Цилиндрическая рабочая поверхность. Манжетные уплотнения с обеих сторон (тип P - две шайбы из оцинкованной листовой стали с промежуточной частью NBR. Кромка уплотнения предварительно нагружена в осевом направлении). Диапазон температур -30℃/+100℃. |
| KRV62-PP-A-NMT | ISO | Двухрядный радиально-упорный шарикоподшипник без отверстия для смазки. Манжетные уплотнения с обеих сторон (тип P - две шайбы из оцинкованной листовой стали с промежуточной частью NBR. Кромка уплотнения предварительно нагружена в осевом направлении). Диапазон температур -30℃/+100℃. Шестигранная гайка. |
| KRV62-X-PP-A | ISO | Двухрядный радиально-упорный шарикоподшипник без отверстия для смазки. Цилиндрическая рабочая поверхность. Манжетные уплотнения с обеих сторон (тип P - две шайбы из оцинкованной листовой стали с промежуточной частью NBR. Кромка уплотнения предварительно нагружена в осевом направлении). Диапазон температур -30℃/+100℃. |
| PWKR62-2RS-A | ISO | Rubber Seals At Each Side Of The Bearing. Temperature Range -30℃/+120℃. |
| MCFR62ASB | ISO | Запечатанная версия кулачкового ролика. Кулачковый механизм. Шестигранное отверстие заменяет шлиц под отвертку во фланцевом конце штока. |
| KR62LLH | ISO | Манжетное уплотнение с обеих сторон подшипника. |
| KR62-X-PP-A-NMT | ISO | Двухрядный радиально-упорный шарикоподшипник без отверстия для смазки. Цилиндрическая рабочая поверхность. Манжетные уплотнения с обеих сторон (тип P - две шайбы из оцинкованной листовой стали с промежуточной частью NBR. Кромка уплотнения предварительно нагружена в осевом направлении). Диапазон температур -30℃/+100℃. Шестигранная гайка. |
| PWKRE62-2RS-XL | ISO | Rubber Seals At Each Side Of The Bearing. Temperature Range -30℃/+120℃. Серия X-Life премиум-класс. увеличиный срок службы. |
Аналог кулачкового ролика NUKD62DZ — это ролик такого же размера dx24,Dx62,Bx28, типа и конструкции.
| Обозначение | Конструктивные особенности | Внутренний (d) | Наружный (D) | Ширина (B) |
|---|---|---|---|---|
| 6-256705 Е1Ш | Шариковый радиально-упорный двухрядный подшипник. Сепаратор из текстолита.. Нормы шумности. | 25.00 | 62.00 | 28.00 |
| 6-256705 Е1L19Ш1 | Шариковый радиально-упорный двухрядный подшипник. Сепаратор из текстолита.. Нормы шумности. | 25.00 | 62.00 | 28.00 |
| 6-256705 Е1L19Ш | Шариковый радиально-упорный двухрядный подшипник. Сепаратор из текстолита.. Нормы шумности. | 25.00 | 62.00 | 28.00 |
| 6-256705 Е1W24Ш1 | Шариковый радиально-упорный двухрядный подшипник. Сепаратор из текстолита.. Нормы шумности. Смазка пластичная Shell Alvania Greases G2. | 25.00 | 62.00 | 28.00 |
| 6-256705 Е1W24Ш | Шариковый радиально-упорный двухрядный подшипник. Сепаратор из текстолита.. Нормы шумности. Смазка пластичная Shell Alvania Greases G2. | 25.00 | 62.00 | 28.00 |
| 6-256705 Е4С17Ш1 | Шариковый радиально-упорный двухрядный подшипник. Смазка Литол-24. Нормы шумности. Сепаратор из пластических материалов.. | 25.00 | 62.00 | 28.00 |
| 6-256705 Е4С17Ш | Шариковый радиально-упорный двухрядный подшипник. Смазка Литол-24. Нормы шумности. Сепаратор из пластических материалов.. | 25.00 | 62.00 | 28.00 |
| GB10827S02 | Шариковый радиально-упорный двухрядный подшипник. Кольца стабилизированы по размерам для использования при рабочих температурах до +250°C (482°F). | 25.00 | 62.00 | 28.00 |
| 256705-Е1 | Шариковый радиально-упорный двухрядный подшипник. Сепаратор из текстолита.. | 25.00 | 62.00 | 28.00 |
| 256705-Е1С17 | Шариковый радиально-упорный двухрядный подшипник. Смазка Литол-24. Сепаратор из текстолита.. | 25.00 | 62.00 | 28.00 |
| 256705-Е2 | Шариковый радиально-упорный двухрядный подшипник. Сепаратор из пластических материалов.. | 25.00 | 62.00 | 28.00 |
| 286805-Л | Шариковый радиально-упорный двухрядный подшипник. Сепаратор из латуни.. | 25.00 | 62.00 | 28.00 |
| 6-256705 Е1С17 | Шариковый радиально-упорный двухрядный подшипник. Смазка Литол-24. Сепаратор из текстолита.. | 25.00 | 62.00 | 28.00 |
| 6-256705 Е1С9 | Шариковый радиально-упорный двухрядный подшипник. Сепаратор из текстолита.. Смазка ЛЗ-31. | 25.00 | 62.00 | 28.00 |
| 380805-АУ | Шариковый радиальный однорядный подшипник. Дополнительные технические требования. Повышенная грузоподъемность. | 25.00 | 62.00 | 27.00 |
Способы доставки
Отправка через ведущие транспортные и курьерские компании: ПЭК, Деловые Линии, СДЭК, Байкал-Сервис, Энергия, КИТ, ЖелДорЭкспедиция.
Самовывоз возможен напрямую со склада в Москве.
Сроки доставки
Срок зависит от региона и выбранной транспортной компании. Все заказы комплектуются и отправляются в кратчайшие сроки со склада в Москве.
Надёжность и сохранность
Вся продукция упаковывается с учётом требований транспортировки. Мы гарантируем, что подшипники и комплектующие прибудут к заказчику в полной сохранности.
Доставка в страны ЕАЭС
Мы работаем с проверенными логистическими партнёрами, что позволяет оперативно доставлять заказы в Беларусь, Казахстан, Армению и другие страны ЕАЭС.
Варианты оплаты:
Минимальная сумма заказа и скидки:
Документы и гарантии:
Да, конечно! Наши технические специалисты готовы помочь вам с подбором точного аналога или замены подшипника. Просто позвоните нам по телефону +7 (495) 104-99-04 или напишите на почту zakaz@podsnab.ru.
Для оперативной консультации подготовьте, пожалуйста, имеющиеся данные: маркировку, размеры, тип оборудования или артикул старого подшипника.
Да, конечно! Мы высоко ценим долгосрочное сотрудничество и доверие клиентов по всей России. Для постоянных клиентов действует персональная система скидок.
Условия формируются индивидуально и зависят от:
Чтобы узнать свои условия и получить максимально выгодное предложение, свяжитесь с персональным менеджером или напишите нам на почту zakaz@podsnab.ru.
Вы можете оформить заказ несколькими способами:
Для оформления заказа от юридического лица свяжитесь с нашим отделом по работе с корпоративными клиентами по телефону +7 (495) 104-99-04 или напишите на email zakaz@podsnab.ru, прикрепив реквизиты вашей организации.
Мы оперативно подготовим коммерческое предложение и выставим счет.
Возврат товара надлежащего качества возможен в течение 10 дней с момента получения, если товар не был в употреблении, сохранен товарный вид, упаковка не вскрывалась и присутствуют все сопроводительные документы.
Возврат денежных средств осуществляется в течение 10 рабочих дней после проверки товара складом.
В соответствии с законодательством возврату не подлежат подшипники надлежащего качества, если отсутствует оригинальная упаковка или имеются следы монтажа.
В случае выявления брака или гарантийного случая мы гарантируем возврат или обмен товара.
Да, гарантийный срок хранения устанавливается заводом-изготовителем и в среднем составляет 2 года при соблюдении условий хранения: сухое помещение, оригинальная упаковка и смазка.
Точный срок для конкретного типа подшипника уточняйте у наших менеджеров.
Пн–Пт: с 8:00 до 17:00 (МСК).
Сб–Вс: выходные дни.
Заказы на сайте принимаются круглосуточно. Заявки, поступившие после окончания рабочего дня, обрабатываются на следующий рабочий день.
Минимальная сумма заказа для доставки составляет 3000 рублей. Самовывоз со склада возможен на любую сумму при наличии товара.
ООО «УралТехГрупп»
ИНН: 7415093830
КПП: 772401001
ОГРН: 1167456069021
Банк: ПАО Сбербанк
Р/с: 40702810838000475273
К/с: 30101810400000000225
БИК: 044525225
У подшипника NUKD62DZ пока нет отзывов. Вы можете стать первым покупателем, поделившимся своим мнением.