Поиск подшипника
Статьи
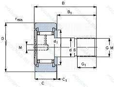
CF30NM — Кулачковый ролик толкатель, модификация основного исполнения CF30, производство INA.
Международная стандартизации ISO
CF30NM
В наличии
| Обозначение | Конструктивные изменения |
|---|---|
| CF30VUUR | Кулачковый ролик толкатель. |
| CF30-2UUN | Кулачковый ролик толкатель. |
| CF30 | Кулачковый ролик толкатель. Основное конструктивное исполнение. |
| CF30PP | Уплотнения на каждой стороне подшипника. |
| CF30UUR | Коронка на наружном кольце. Манжетные уплотнения с обеих сторон (тип P - две шайбы из оцинкованной листовой стали с промежуточной частью NBR. Кромка уплотнения предварительно нагружена в осевом направлении). Диапазон температур -30℃/+100℃. |
| CF30BUUR | С шестигранным отверстием. Манжетные уплотнения с обеих сторон (тип P - две шайбы из оцинкованной листовой стали с промежуточной частью NBR). Диапазон температур -30℃/+100℃. |
| CF30UUA | Манжетные уплотнения с обеих сторон (тип P - две шайбы из оцинкованной листовой стали с промежуточной частью NBR). Диапазон температур -30℃/+100℃. |
| CF30-1B | Identification Code. |
| CF30VBR | С шестигранным отверстием. Полный тип дополнения. Коронка на наружном кольце. |
| CF30VUURN | Полный тип дополнения. Манжетные уплотнения с обеих сторон (тип P - две шайбы из оцинкованной листовой стали с промежуточной частью NBR). Диапазон температур -30℃/+100℃. |
| CF30B | С шестигранным отверстием. |
| CF30VB | Отклонения основных размеров. |
| CF30VBUUR | С шестигранным отверстием. Полный тип дополнения. Манжетные уплотнения с обеих сторон (тип P - две шайбы из оцинкованной листовой стали с промежуточной частью NBR). Диапазон температур -30℃/+100℃. |
| CF30-1BR | С шестигранным отверстием. Коронка на наружном кольце. |
| CF30-1UU | Манжетные уплотнения с обеих сторон (тип P - две шайбы из оцинкованной листовой стали с промежуточной частью NBR). Диапазон температур -30℃/+100℃. |
| CF30-1VBUU | С шестигранным отверстием. Полный тип дополнения. Манжетные уплотнения с обеих сторон (тип P - две шайбы из оцинкованной листовой стали с промежуточной частью NBR). Диапазон температур -30℃/+100℃. |
| CF30-2B | Dual Contact Sealing. Design Similar To 2F But Protection Cover Has Rubber Lip Resting On The Sheet Part Of The Inner Contact Seal Providing An Additional Protection Against The Penetration Of The Finer Impurities. Water. Moisture. Steam Etc. The Friction Is Larger Than With 2F And Permitted Speeds Are About 50% Lower. It Is Used With The Y Bearings. |
| CF30-2 | ISO Tolerance Class ABEC.9. |
| CF30-2V | Подшипник без сепаратора. С полным комплектом тел качения. |
| CF30VUU | Полный тип дополнения. Манжетные уплотнения с обеих сторон (тип P - две шайбы из оцинкованной листовой стали с промежуточной частью NBR). Диапазон температур -30℃/+100℃. |
| CF30UU | Манжетные уплотнения с обеих сторон (тип P - две шайбы из оцинкованной листовой стали с промежуточной частью NBR). Диапазон температур -30℃/+100℃. |
| CF30MUUAN | Made Of Stainless Steel. Манжетные уплотнения с обеих сторон (тип P - две шайбы из оцинкованной листовой стали с промежуточной частью NBR. Кромка уплотнения предварительно нагружена в осевом направлении). Диапазон температур -30℃/+100℃. |
Модификации кулачкового ролика CF30NM — это измененное основное конструктивное исполнение CF30, основные размеры не отличаются.
Способы доставки
Отправка через ведущие транспортные и курьерские компании: ПЭК, Деловые Линии, СДЭК, Байкал-Сервис, Энергия, КИТ, ЖелДорЭкспедиция.
Самовывоз возможен напрямую со склада в Москве.
Сроки доставки
Срок зависит от региона и выбранной транспортной компании. Все заказы комплектуются и отправляются в кратчайшие сроки со склада в Москве.
Надёжность и сохранность
Вся продукция упаковывается с учётом требований транспортировки. Мы гарантируем, что подшипники и комплектующие прибудут к заказчику в полной сохранности.
Доставка в страны ЕАЭС
Мы работаем с проверенными логистическими партнёрами, что позволяет оперативно доставлять заказы в Беларусь, Казахстан, Армению и другие страны ЕАЭС.
Варианты оплаты:
Минимальная сумма заказа и скидки:
Документы и гарантии:
Да, конечно! Наши технические специалисты готовы помочь вам с подбором точного аналога или замены подшипника. Просто позвоните нам по телефону +7 (495) 104-99-04 или напишите на почту zakaz@podsnab.ru.
Для оперативной консультации подготовьте, пожалуйста, имеющиеся данные: маркировку, размеры, тип оборудования или артикул старого подшипника.
Да, конечно! Мы высоко ценим долгосрочное сотрудничество и доверие клиентов по всей России. Для постоянных клиентов действует персональная система скидок.
Условия формируются индивидуально и зависят от:
Чтобы узнать свои условия и получить максимально выгодное предложение, свяжитесь с персональным менеджером или напишите нам на почту zakaz@podsnab.ru.
Вы можете оформить заказ несколькими способами:
Для оформления заказа от юридического лица свяжитесь с нашим отделом по работе с корпоративными клиентами по телефону +7 (495) 104-99-04 или напишите на email zakaz@podsnab.ru, прикрепив реквизиты вашей организации.
Мы оперативно подготовим коммерческое предложение и выставим счет.
Возврат товара надлежащего качества возможен в течение 10 дней с момента получения, если товар не был в употреблении, сохранен товарный вид, упаковка не вскрывалась и присутствуют все сопроводительные документы.
Возврат денежных средств осуществляется в течение 10 рабочих дней после проверки товара складом.
В соответствии с законодательством возврату не подлежат подшипники надлежащего качества, если отсутствует оригинальная упаковка или имеются следы монтажа.
В случае выявления брака или гарантийного случая мы гарантируем возврат или обмен товара.
Да, гарантийный срок хранения устанавливается заводом-изготовителем и в среднем составляет 2 года при соблюдении условий хранения: сухое помещение, оригинальная упаковка и смазка.
Точный срок для конкретного типа подшипника уточняйте у наших менеджеров.
Пн–Пт: с 8:00 до 17:00 (МСК).
Сб–Вс: выходные дни.
Заказы на сайте принимаются круглосуточно. Заявки, поступившие после окончания рабочего дня, обрабатываются на следующий рабочий день.
Минимальная сумма заказа для доставки составляет 3000 рублей. Самовывоз со склада возможен на любую сумму при наличии товара.
ООО «УралТехГрупп»
ИНН: 7415093830
КПП: 772401001
ОГРН: 1167456069021
Банк: ПАО Сбербанк
Р/с: 40702810838000475273
К/с: 30101810400000000225
БИК: 044525225
У подшипника CF30NM пока нет отзывов. Вы можете стать первым покупателем, поделившимся своим мнением.