Поиск подшипника
Статьи
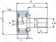
KR40XB NMT — Кулачковый ролик толкатель, модификация основного исполнения KR40, производство INA.
Размер ролика: 18x40x20 мм.
Опорный ролик, шпилечного типа с сепаратором, профилированный наружный диаметр. Эксцентриковая цапфа, шестигранная гайка, внутренняя модификация конструкции. может использоваться в качестве стандартного, цилиндрическая рабочая поверхность.
Аналоги: KR40-X-B-NMT INA.
Международная стандартизации ISO
KR40XBNMT
В наличии
| Обозначение | Конструктивные изменения |
|---|---|
| KR40PP NMT | Уплотнения на каждой стороне подшипника. Шестигранная гайка. |
| KR40X | Измененные размеры границ. введенные пересмотренными стандартами ISO. |
| KR40PPA | Скользящие уплотнительные кольца из полиамида с обеих сторон, улучшенный корончатый профиль рабочей поверхности наружного кольца. |
| KR40PP | Уплотнения на каждой стороне подшипника. |
| KR40NMT | Шестигранная гайка. |
| KR40PPXA | Кулачковый ролик толкатель. |
| KR40B | Конический роликовый подшипник. Угол контакта 20 градусов. |
| KR40-X-B | Конический роликовый подшипник. Угол контакта 20 градусов. Измененные размеры границ. введенные пересмотренными стандартами ISO. |
| KR40 | Кулачковый ролик толкатель. Основное конструктивное исполнение. |
| KR40PPX | Скользящие уплотнительные кольца из полиамида с обеих сторон, улучшенный корончатый профиль рабочей поверхности наружного кольца. |
| KR40H | Pressed Snap-Type Steel Cage. Hardened. |
| KR40LLH/3AS | Манжетное уплотнение с обеих сторон подшипника. Смазка. Shell Oil Co. Смазка Alvania #3, стандартная заливка.. |
| KR40DZ | Опорный ролик. Цилиндрический наружный диаметр. |
| KR40LL | Контактное. синтетические. резиновое уплотнение с двух сторон. |
| KR40LLH | Манжетное уплотнение с обеих сторон подшипника. |
| KR40XLLH | Цилиндрический (плоский) профиль наружной рабочей поверхности. Манжетное уплотнение с обеих сторон подшипника. |
| KR40-PP-A-NMT | Двухрядный радиально-упорный шарикоподшипник без отверстия для смазки. Манжетные уплотнения с обеих сторон (тип P - две шайбы из оцинкованной листовой стали с промежуточной частью NBR. Кромка уплотнения предварительно нагружена в осевом направлении). Диапазон температур -30℃/+100℃. Шестигранная гайка. |
| KR40X LL | Цилиндрический (плоский) профиль наружной рабочей поверхности. Контактное уплотнения из синтетической черной резины с обеих сторон. |
| KR40-X-PP-A | Двухрядный радиально-упорный шарикоподшипник без отверстия для смазки. Цилиндрическая рабочая поверхность. Манжетные уплотнения с обеих сторон (тип P - две шайбы из оцинкованной листовой стали с промежуточной частью NBR. Кромка уплотнения предварительно нагружена в осевом направлении). Диапазон температур -30℃/+100℃. |
| KR40-B-NMT | Внутренняя модификация конструкции. Может использоваться в качестве стандартного. Шестигранная гайка. |
| KR40-X-PP-A-NMT | Двухрядный радиально-упорный шарикоподшипник без отверстия для смазки. Цилиндрическая рабочая поверхность. Манжетные уплотнения с обеих сторон (тип P - две шайбы из оцинкованной листовой стали с промежуточной частью NBR. Кромка уплотнения предварительно нагружена в осевом направлении). Диапазон температур -30℃/+100℃. Шестигранная гайка. |
| KR40XLLH/3AS | Цилиндрический (плоский) профиль наружной рабочей поверхности. Манжетное уплотнение с обеих сторон подшипника. Смазка. Shell Oil Co. Смазка Alvania #3, стандартная заливка.. |
| KR40-PP-SK | Кулачковый толкатель штифтового типа. С шестигранной головкой. Манжетные уплотнения с обеих сторон (тип P - две шайбы из оцинкованной листовой стали с промежуточной частью NBR. Кромка уплотнения предварительно нагружена в осевом направлении). Диапазон температур -30℃/+100℃. |
Модификации кулачкового ролика KR40XB NMT — это измененное основное конструктивное исполнение KR40, основные размеры (18x40x20) не отличаются.
| Обозначение | Гост | Конструктивные особенности |
|---|---|---|
| KRV40XLLH | ISO | Цилиндрический (плоский) профиль наружной рабочей поверхности. Манжетное уплотнение с обеих сторон подшипника. |
| CF18V | ISO | Подшипник без сепаратора. С полным комплектом тел качения. |
| MCFD40X | ISO | Цилиндрическая рабочая поверхность. |
| CF18MUUAB | ISO | Made Of Stainless Steel. Манжетные уплотнения с обеих сторон (тип P - две шайбы из оцинкованной листовой стали с промежуточной частью NBR. Кромка уплотнения предварительно нагружена в осевом направлении). Диапазон температур -30℃/+100℃. |
| MCFR40X | ISO | Цилиндрическая рабочая поверхность. |
| CF18FBUUR | ISO | С шестигранным отверстием. Нержавеющая сталь. Манжетные уплотнения с обеих сторон (тип P - две шайбы из оцинкованной листовой стали с промежуточной частью NBR). Диапазон температур -30℃/+100℃. |
| KRV40LL/3AS | ISO | Контактное. синтетические. резиновое уплотнение с двух сторон. Смазка. Shell Oil Co. Смазка Alvania #3, стандартная заливка.. |
| KRV40BLL H2 V1 | ISO | Контактное. синтетические. резиновое уплотнение с двух сторон. Без предварительной натяга. |
| KRV40-PP-A-NMT | ISO | Двухрядный радиально-упорный шарикоподшипник без отверстия для смазки. Манжетные уплотнения с обеих сторон (тип P - две шайбы из оцинкованной листовой стали с промежуточной частью NBR. Кромка уплотнения предварительно нагружена в осевом направлении). Диапазон температур -30℃/+100℃. Шестигранная гайка. |
| PWKR40 2RSA | ISO | Rubber Seals At Each Side Of The Bearing. Temperature Range -30℃/+120℃. |
| PWKR40-2RS-XL-NIP-VD/MON | ISO | Rubber Seals At Each Side Of The Bearing. Temperature Range -30℃/+120℃. Серия X-Life премиум-класс. увеличиный срок службы. |
| CF18UU | ISO | Манжетные уплотнения с обеих сторон (тип P - две шайбы из оцинкованной листовой стали с промежуточной частью NBR). Диапазон температур -30℃/+100℃. |
| CF18UUR | ISO | Манжетные уплотнения с обеих сторон (тип P - две шайбы из оцинкованной листовой стали с промежуточной частью NBR). Диапазон температур -30℃/+100℃. |
| KRV40-X-PP-A-NMT | ISO | Двухрядный радиально-упорный шарикоподшипник без отверстия для смазки. Цилиндрическая рабочая поверхность. Манжетные уплотнения с обеих сторон (тип P - две шайбы из оцинкованной листовой стали с промежуточной частью NBR. Кромка уплотнения предварительно нагружена в осевом направлении). Диапазон температур -30℃/+100℃. Шестигранная гайка. |
| KRV40XLL/3AS | ISO | Цилиндрический (плоский) профиль наружной рабочей поверхности. Манжетное уплотнение с обеих сторон подшипника. Смазка. Shell Oil Co. Смазка Alvania #3, стандартная заливка.. |
| KRV40-X-PP-A | ISO | Двухрядный радиально-упорный шарикоподшипник без отверстия для смазки. Цилиндрическая рабочая поверхность. Манжетные уплотнения с обеих сторон (тип P - две шайбы из оцинкованной листовой стали с промежуточной частью NBR. Кромка уплотнения предварительно нагружена в осевом направлении). Диапазон температур -30℃/+100℃. |
| KRV40XLL | ISO | Цилиндрический (плоский) профиль наружной рабочей поверхности. Манжетное уплотнение с обеих сторон подшипника. |
| MCF40SB | ISO | Double Row. Angular Contact. Non-Filling Notch Bearing. With Outwardly Convergent Угол контактаs. Rigid Design. |
| KRV40LLH | ISO | Манжетное уплотнение с обеих сторон подшипника. |
| KRV40-NMT | ISO | Шестигранная гайка. |
Аналог кулачкового ролика KR40XB NMT — это ролик такого же размера dx18,Dx40,Bx20, типа и конструкции.
| Обозначение | Конструктивные особенности | Внутренний (d) | Наружный (D) | Ширина (B) |
|---|---|---|---|---|
| 914703-Ю1 | Роликовый игольчатый подшипник однорядный. Все детали или часть деталей из нержавеющей стали.. | 17.00 | 40.00 | 19.00 |
| SA203F | Шариковый радиальный однорядный подшипник. Сепаратор из обработанной стали или специального чугуна. | 17.00 | 40.00 | 19.10 |
| KH203AE | Шариковый радиальный однорядный подшипник. Без суффикса. но с обозначением типа. | 17.00 | 40.00 | 19.10 |
| RAE17RRB | Шариковый радиальный однорядный подшипник. Два резиновых уплотнения Land Riding со сферическим наружным диаметром (B). | 17.00 | 40.00 | 19.05 |
| RAE17RR | Шариковый радиальный однорядный подшипник. С выпуклыми асимметричными роликами. Обработанный сепаратор штыревого типа из медного сплава. С центральным ребром. С ребрами с двух сторон (для предотвращения падения роликов). | 17.00 | 40.00 | 19.05 |
| GRAE17RR | Шариковый радиальный однорядный подшипник. С выпуклыми асимметричными роликами. Обработанный сепаратор штыревого типа из медного сплава. С центральным ребром. С ребрами с двух сторон (для предотвращения падения роликов). | 17.00 | 40.00 | 19.05 |
| GRAE17RRB | Шариковый радиальный однорядный подшипник. Два резиновых уплотнения Land Riding со сферическим наружным диаметром (B). | 17.00 | 40.00 | 19.05 |
| НУ 2Ш17 ЮТ | Шарнирный подшипник. Уменьшенный внутренний осевой зазор.. Температура отпуска. 160°. Одно или два кольца из нержавеющей стали.. Малый внутренний зазор.. | 17.00 | 40.00 | 21.00 |
| 2Ш17-Ю | Шарнирный подшипник. Одно или два кольца из нержавеющей стали.. Без отверстий и канавок для смазки.. | 17.00 | 40.00 | 21.00 |
| 2Ш17 ЮТВК | Шарнирный подшипник. Температура отпуска. 160°. Одно или два кольца из нержавеющей стали.. Нормы шумности. Без отверстий и канавок для смазки.. Отдельное внутреннее кольцо шарнирного подшипника.. | 17.00 | 31.00 | 21.00 |
| 2ШМ17 ЮТ | Шарнирный подшипник. Температура отпуска. 160°. Одно или два кольца из нержавеющей стали.. Без отверстий и канавок для смазки.. | 17.00 | 40.00 | 21.00 |
| 2ШН17 Ю | Шарнирный подшипник. Одно или два кольца из нержавеющей стали.. Неразъемный без отверстий и канавок для смазки. | 17.00 | 40.00 | 21.00 |
| 2ШН17 ЮТ | Шарнирный подшипник. Температура отпуска. 160°. Одно или два кольца из нержавеющей стали.. Неразъемный без отверстий и канавок для смазки. | 17.00 | 40.00 | 21.00 |
| 3-ШЛТ17 Ю | Шарнирный подшипник. Одно или два кольца из нержавеющей стали.. Без отверстий и канавок для смазки. | 17.00 | 40.00 | 21.00 |
| 534903-ДК1 | Роликовый радиальный игольчатый однорядный подшипник. Кольцевая проточка на середине цилиндрической наружной поверхности наружного кольца плюс три отверстия для смазки. Сепаратор из алюминиевого сплава.. | 18.00 | 40.00 | 20.00 |
Способы доставки
Отправка через ведущие транспортные и курьерские компании: ПЭК, Деловые Линии, СДЭК, Байкал-Сервис, Энергия, КИТ, ЖелДорЭкспедиция.
Самовывоз возможен напрямую со склада в Москве.
Сроки доставки
Срок зависит от региона и выбранной транспортной компании. Все заказы комплектуются и отправляются в кратчайшие сроки со склада в Москве.
Надёжность и сохранность
Вся продукция упаковывается с учётом требований транспортировки. Мы гарантируем, что подшипники и комплектующие прибудут к заказчику в полной сохранности.
Доставка в страны ЕАЭС
Мы работаем с проверенными логистическими партнёрами, что позволяет оперативно доставлять заказы в Беларусь, Казахстан, Армению и другие страны ЕАЭС.
Варианты оплаты:
Минимальная сумма заказа и скидки:
Документы и гарантии:
Да, конечно! Наши технические специалисты готовы помочь вам с подбором точного аналога или замены подшипника. Просто позвоните нам по телефону +7 (495) 104-99-04 или напишите на почту zakaz@podsnab.ru.
Для оперативной консультации подготовьте, пожалуйста, имеющиеся данные: маркировку, размеры, тип оборудования или артикул старого подшипника.
Да, конечно! Мы высоко ценим долгосрочное сотрудничество и доверие клиентов по всей России. Для постоянных клиентов действует персональная система скидок.
Условия формируются индивидуально и зависят от:
Чтобы узнать свои условия и получить максимально выгодное предложение, свяжитесь с персональным менеджером или напишите нам на почту zakaz@podsnab.ru.
Вы можете оформить заказ несколькими способами:
Для оформления заказа от юридического лица свяжитесь с нашим отделом по работе с корпоративными клиентами по телефону +7 (495) 104-99-04 или напишите на email zakaz@podsnab.ru, прикрепив реквизиты вашей организации.
Мы оперативно подготовим коммерческое предложение и выставим счет.
Возврат товара надлежащего качества возможен в течение 10 дней с момента получения, если товар не был в употреблении, сохранен товарный вид, упаковка не вскрывалась и присутствуют все сопроводительные документы.
Возврат денежных средств осуществляется в течение 10 рабочих дней после проверки товара складом.
В соответствии с законодательством возврату не подлежат подшипники надлежащего качества, если отсутствует оригинальная упаковка или имеются следы монтажа.
В случае выявления брака или гарантийного случая мы гарантируем возврат или обмен товара.
Да, гарантийный срок хранения устанавливается заводом-изготовителем и в среднем составляет 2 года при соблюдении условий хранения: сухое помещение, оригинальная упаковка и смазка.
Точный срок для конкретного типа подшипника уточняйте у наших менеджеров.
Пн–Пт: с 8:00 до 17:00 (МСК).
Сб–Вс: выходные дни.
Заказы на сайте принимаются круглосуточно. Заявки, поступившие после окончания рабочего дня, обрабатываются на следующий рабочий день.
Минимальная сумма заказа для доставки составляет 3000 рублей. Самовывоз со склада возможен на любую сумму при наличии товара.
ООО «УралТехГрупп»
ИНН: 7415093830
КПП: 772401001
ОГРН: 1167456069021
Банк: ПАО Сбербанк
Р/с: 40702810838000475273
К/с: 30101810400000000225
БИК: 044525225
У подшипника KR40XB NMT пока нет отзывов. Вы можете стать первым покупателем, поделившимся своим мнением.