Поиск подшипника
Статьи
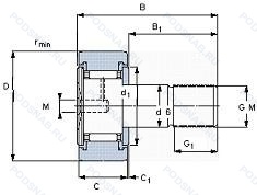
KRE22CLL — Кулачковый ролик толкатель, модификация основного исполнения KRE22, производство NTN.
Размер ролика: 13x22x12 мм.
KR+E. Опорный ролик, шпилечного типа с сепаратором, профилированный наружный диаметр, контактное. синтетические. резиновое уплотнение с двух сторон.
Аналоги: KRE22PP INA,KRE22-PP-A INA,KRE22PPA SKF,CFE10UURM IKO.
Международная стандартизации ISO
KRE22CLL
В наличии
| Обозначение | Конструктивные изменения |
|---|---|
| KRE22 | Кулачковый ролик толкатель. Основное конструктивное исполнение. |
| KRE22-B | Конический роликовый подшипник. Угол контакта 20 градусов. |
| KRE22PP | Уплотнения на каждой стороне подшипника. |
| KRE22PPA | Скользящие уплотнительные кольца из полиамида с обеих сторон, улучшенный корончатый профиль рабочей поверхности наружного кольца. |
| KRE22PPX | Скользящие уплотнительные кольца из полиамида с обеих сторон, улучшенный корончатый профиль рабочей поверхности наружного кольца. |
| KRE22-B-NMT | Внутренняя модификация конструкции. Может использоваться в качестве стандартного. Шестигранная гайка. |
| KRE22-PP-A-NMT | Двухрядный радиально-упорный шарикоподшипник без отверстия для смазки. Манжетные уплотнения с обеих сторон (тип P - две шайбы из оцинкованной листовой стали с промежуточной частью NBR. Кромка уплотнения предварительно нагружена в осевом направлении). Диапазон температур -30℃/+100℃. Шестигранная гайка. |
| KRE22SK | Кулачковый толкатель штифтового типа. С шестигранной головкой. |
| KRE22-B-NIP-VD/MON | Внутренняя модификация конструкции. Может использоваться в качестве стандартного. |
| KRE22X | Цилиндрическая рабочая поверхность. |
| KRE22LL | Контактное. синтетические. резиновое уплотнение с двух сторон. |
Модификации кулачкового ролика KRE22CLL — это измененное основное конструктивное исполнение KRE22, основные размеры (13x22x12) не отличаются.
| Обозначение | Гост | Конструктивные особенности |
|---|---|---|
| KRVE22PP | ISO | Уплотнения на каждой стороне подшипника. |
| CFE10UU | ISO | Манжетные уплотнения с обеих сторон (тип P - две шайбы из оцинкованной листовой стали с промежуточной частью NBR). Диапазон температур -30℃/+100℃. |
| KRVE22 | ISO | Кулачковый ролик толкатель. |
| KRVE22PPX | ISO | Скользящие уплотнительные кольца из полиамида с обеих сторон, улучшенный корончатый профиль рабочей поверхности наружного кольца. |
| KRVE22PPA | ISO | Скользящие уплотнительные кольца из полиамида с обеих сторон, улучшенный корончатый профиль рабочей поверхности наружного кольца. |
| GCR22EE | ISO | Пластиковые уплотнения с каждой стороны подшипника. |
| GCR22 | ISO | Кулачковый ролик толкатель. |
| KR22LLH+E | ISO | Eccentric (Adjustable) Type Required. Манжетное уплотнение с обеих сторон подшипника. |
| CFE10VUURM | ISO | Полный тип дополнения. Манжетные уплотнения с обеих сторон (тип P - две шайбы из оцинкованной листовой стали с промежуточной частью NBR). Диапазон температур -30℃/+100℃. |
Аналог кулачкового ролика KRE22CLL — это ролик такого же размера dx13,Dx22,Bx12, типа и конструкции.
| Обозначение | Конструктивные особенности | Внутренний (d) | Наружный (D) | Ширина (B) |
|---|---|---|---|---|
| RNA4900-RSR-XL | Роликовый игольчатый подшипник. Серия X-Life премиум-класс. увеличиный срок службы. Контактное уплотнение с одной стороны. Радиальный тип. | 14.00 | 22.00 | 13.00 |
| RNAO12X22X12-TV | Роликовый игольчатый подшипник. Прочный сепаратор из полиамида. армированного стекловолокном. Игольчатый роликовый подшипник с сепаратором. | 12.00 | 22.00 | 12.00 |
| RHNA142213C | Роликовый игольчатый подшипник. Внутренние изменения в конструкции. | 14.00 | 22.00 | 13.00 |
| BK142212 | Роликовый радиальный однорядный подшипник. Коническое внутреннее отверстие. Игольчатый роликовый подшипник со штампованным наружным кольцом с закрытым торцом. | 14.00 | 22.00 | 12.00 |
| HK142212 | Роликовый радиальный однорядный подшипник. Коническое внутреннее отверстие. Игольчатый роликовый подшипник со штампованным наружным кольцом и открытыми торцами. | 14.00 | 22.00 | 12.00 |
| RNA 4900U | Роликовый игольчатый подшипник однорядный. Универсальный одиночный подшипник. | 14.00 | 22.00 | 13.00 |
| RNA4900TT | Роликовый игольчатый подшипник однорядный. Комплект из трех согласованных однорядных радиально-упорных шарикоподшипников или радиально-упорных шарикоподшипников, расположенных тандемно. | 14.00 | 22.00 | 13.00 |
| HKS14X22X12M | Роликовый игольчатый подшипник однорядный. Подшипник с латунным сепаратором. центрированный по телам качения. Изменённая фаска. | 14.00 | 22.00 | 12.00 |
| NK13X21X12 | Роликовый игольчатый подшипник однорядный. Изменённая фаска. | 13.00 | 21.00 | 12.00 |
| RNA0-12X22X12 | Роликовый игольчатый подшипник однорядный. Изменённая фаска. | 12.00 | 22.00 | 12.00 |
| RNA0-14X22X13 | Роликовый игольчатый подшипник однорядный. Изменённая фаска. | 14.00 | 22.00 | 13.00 |
| RNA4900LL | Роликовый игольчатый подшипник однорядный. Два уплотнения. | 14.00 | 22.00 | 13.00 |
| RNA4900M | Роликовый игольчатый подшипник однорядный. Подшипник с латунным сепаратором. центрированный по телам качения. | 14.00 | 22.00 | 13.00 |
| GEF12ES | Шарнирный подшипник. Разъемное наружное кольцо со смазочными отверстиями. | 12.00 | 22.00 | 11.00 |
| GEEW12ES-2RS | Шарнирный подшипник. Повышенной грузоподъемности. Прорезиненное уплотнение с двух сторон. Разъемное наружное кольцо со смазочными отверстиями. | 12.00 | 22.00 | 12.00 |
Способы доставки
Отправка через ведущие транспортные и курьерские компании: ПЭК, Деловые Линии, СДЭК, Байкал-Сервис, Энергия, КИТ, ЖелДорЭкспедиция.
Самовывоз возможен напрямую со склада в Москве.
Сроки доставки
Срок зависит от региона и выбранной транспортной компании. Все заказы комплектуются и отправляются в кратчайшие сроки со склада в Москве.
Надёжность и сохранность
Вся продукция упаковывается с учётом требований транспортировки. Мы гарантируем, что подшипники и комплектующие прибудут к заказчику в полной сохранности.
Доставка в страны ЕАЭС
Мы работаем с проверенными логистическими партнёрами, что позволяет оперативно доставлять заказы в Беларусь, Казахстан, Армению и другие страны ЕАЭС.
Варианты оплаты:
Минимальная сумма заказа и скидки:
Документы и гарантии:
Да, конечно! Наши технические специалисты готовы помочь вам с подбором точного аналога или замены подшипника. Просто позвоните нам по телефону +7 (495) 104-99-04 или напишите на почту zakaz@podsnab.ru.
Для оперативной консультации подготовьте, пожалуйста, имеющиеся данные: маркировку, размеры, тип оборудования или артикул старого подшипника.
Да, конечно! Мы высоко ценим долгосрочное сотрудничество и доверие клиентов по всей России. Для постоянных клиентов действует персональная система скидок.
Условия формируются индивидуально и зависят от:
Чтобы узнать свои условия и получить максимально выгодное предложение, свяжитесь с персональным менеджером или напишите нам на почту zakaz@podsnab.ru.
Вы можете оформить заказ несколькими способами:
Для оформления заказа от юридического лица свяжитесь с нашим отделом по работе с корпоративными клиентами по телефону +7 (495) 104-99-04 или напишите на email zakaz@podsnab.ru, прикрепив реквизиты вашей организации.
Мы оперативно подготовим коммерческое предложение и выставим счет.
Возврат товара надлежащего качества возможен в течение 10 дней с момента получения, если товар не был в употреблении, сохранен товарный вид, упаковка не вскрывалась и присутствуют все сопроводительные документы.
Возврат денежных средств осуществляется в течение 10 рабочих дней после проверки товара складом.
В соответствии с законодательством возврату не подлежат подшипники надлежащего качества, если отсутствует оригинальная упаковка или имеются следы монтажа.
В случае выявления брака или гарантийного случая мы гарантируем возврат или обмен товара.
Да, гарантийный срок хранения устанавливается заводом-изготовителем и в среднем составляет 2 года при соблюдении условий хранения: сухое помещение, оригинальная упаковка и смазка.
Точный срок для конкретного типа подшипника уточняйте у наших менеджеров.
Пн–Пт: с 8:00 до 17:00 (МСК).
Сб–Вс: выходные дни.
Заказы на сайте принимаются круглосуточно. Заявки, поступившие после окончания рабочего дня, обрабатываются на следующий рабочий день.
Минимальная сумма заказа для доставки составляет 3000 рублей. Самовывоз со склада возможен на любую сумму при наличии товара.
ООО «УралТехГрупп»
ИНН: 7415093830
КПП: 772401001
ОГРН: 1167456069021
Банк: ПАО Сбербанк
Р/с: 40702810838000475273
К/с: 30101810400000000225
БИК: 044525225
У подшипника KRE22CLL пока нет отзывов. Вы можете стать первым покупателем, поделившимся своим мнением.