Поиск подшипника
Статьи
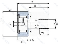
CF30-1UURA — Кулачковый ролик толкатель, модификация основного исполнения CF301UU, производство IKO.
Размер ролика: 30x85x35 мм.
Манжетные уплотнения с обеих сторон (тип p - две шайбы из оцинкованной листовой стали с промежуточной частью nbr). диапазон температур -30℃/+100℃.
Альтернативное обозначение: KRV90PP.
Аналоги: KR85PP INA,CF30-1UUR IKO,KR85LL NTN.
Международная стандартизации ISO
CF301UURA
В наличии
| Обозначение | Конструктивные изменения |
|---|---|
| CF30-1UU | Манжетные уплотнения с обеих сторон (тип P - две шайбы из оцинкованной листовой стали с промежуточной частью NBR). Диапазон температур -30℃/+100℃. |
| CF30-1UUR | Кулачковый ролик толкатель. |
Модификации кулачкового ролика CF30-1UURA — это измененное основное конструктивное исполнение CF301UU, основные размеры (30x85x35) не отличаются.
| Обозначение | Гост | Конструктивные особенности |
|---|---|---|
| KR85PP | ISO | Уплотнения на каждой стороне подшипника. |
| KRV90PP | ISO | Уплотнения на каждой стороне подшипника. |
| KR85 | ISO | Кулачковый ролик толкатель. |
| KR85X | ISO | Цилиндрическая рабочая поверхность. |
| CF30-1UU | ISO | Манжетные уплотнения с обеих сторон (тип P - две шайбы из оцинкованной листовой стали с промежуточной частью NBR). Диапазон температур -30℃/+100℃. |
| KR85LL/3AS | ISO | Контактное. синтетические. резиновое уплотнение с двух сторон. Смазка. Shell Oil Co. Смазка Alvania #3, стандартная заливка.. |
| KR85XLL | ISO | Цилиндрический (плоский) профиль наружной рабочей поверхности. Манжетное уплотнение с обеих сторон подшипника. |
| KR85LL | ISO | Контактное. синтетические. резиновое уплотнение с двух сторон. |
| MCFR85 | ISO | Кулачковый ролик толкатель. |
| MCFR85S | ISO | Запечатанная версия кулачкового ролика. |
| MCFR85B | ISO | Кулачковый механизм. Шестигранное отверстие заменяет шлиц под отвертку во фланцевом конце штока. |
| MCFR85BX | ISO | Подшипник. Тип расширения. |
| KRE85PPA | ISO | Скользящие уплотнительные кольца из полиамида с обеих сторон, улучшенный корончатый профиль рабочей поверхности наружного кольца. |
| KR85PPX | ISO | Скользящие уплотнительные кольца из полиамида с обеих сторон, улучшенный корончатый профиль рабочей поверхности наружного кольца. |
| KR85DZ | ISO | Опорные ролики игольчатого типа. Цилиндрический наружный диаметр. Литой сепаратор оконного типа из полиамида. усиленного стекловолокном. |
Аналог кулачкового ролика CF30-1UURA — это ролик такого же размера dx30,Dx85,Bx35, типа и конструкции.
| Обозначение | Конструктивные особенности | Внутренний (d) | Наружный (D) | Ширина (B) |
|---|---|---|---|---|
| 380706-T2 | Шариковый радиальный однорядный подшипник. Пластиковый сепаратор. Нейлон или тефлон. | 30.00 | 85.00 | 35.00 |
| 380706-АК10Т2 | Шариковый радиальный однорядный подшипник. 200°. Температура отпуска. Повышенная грузоподъемность. Улучшенная конструкция уплотнений плюс стопорный штифт. | 30.00 | 85.00 | 35.00 |
| 380706-С17 | Шариковый радиальный однорядный подшипник. Смазка Литол-24. | 30.00 | 85.00 | 35.00 |
Способы доставки
Отправка через ведущие транспортные и курьерские компании: ПЭК, Деловые Линии, СДЭК, Байкал-Сервис, Энергия, КИТ, ЖелДорЭкспедиция.
Самовывоз возможен напрямую со склада в Москве.
Сроки доставки
Срок зависит от региона и выбранной транспортной компании. Все заказы комплектуются и отправляются в кратчайшие сроки со склада в Москве.
Надёжность и сохранность
Вся продукция упаковывается с учётом требований транспортировки. Мы гарантируем, что подшипники и комплектующие прибудут к заказчику в полной сохранности.
Доставка в страны ЕАЭС
Мы работаем с проверенными логистическими партнёрами, что позволяет оперативно доставлять заказы в Беларусь, Казахстан, Армению и другие страны ЕАЭС.
Варианты оплаты:
Минимальная сумма заказа и скидки:
Документы и гарантии:
Да, конечно! Наши технические специалисты готовы помочь вам с подбором точного аналога или замены подшипника. Просто позвоните нам по телефону +7 (495) 104-99-04 или напишите на почту zakaz@podsnab.ru.
Для оперативной консультации подготовьте, пожалуйста, имеющиеся данные: маркировку, размеры, тип оборудования или артикул старого подшипника.
Да, конечно! Мы высоко ценим долгосрочное сотрудничество и доверие клиентов по всей России. Для постоянных клиентов действует персональная система скидок.
Условия формируются индивидуально и зависят от:
Чтобы узнать свои условия и получить максимально выгодное предложение, свяжитесь с персональным менеджером или напишите нам на почту zakaz@podsnab.ru.
Вы можете оформить заказ несколькими способами:
Для оформления заказа от юридического лица свяжитесь с нашим отделом по работе с корпоративными клиентами по телефону +7 (495) 104-99-04 или напишите на email zakaz@podsnab.ru, прикрепив реквизиты вашей организации.
Мы оперативно подготовим коммерческое предложение и выставим счет.
Возврат товара надлежащего качества возможен в течение 10 дней с момента получения, если товар не был в употреблении, сохранен товарный вид, упаковка не вскрывалась и присутствуют все сопроводительные документы.
Возврат денежных средств осуществляется в течение 10 рабочих дней после проверки товара складом.
В соответствии с законодательством возврату не подлежат подшипники надлежащего качества, если отсутствует оригинальная упаковка или имеются следы монтажа.
В случае выявления брака или гарантийного случая мы гарантируем возврат или обмен товара.
Да, гарантийный срок хранения устанавливается заводом-изготовителем и в среднем составляет 2 года при соблюдении условий хранения: сухое помещение, оригинальная упаковка и смазка.
Точный срок для конкретного типа подшипника уточняйте у наших менеджеров.
Пн–Пт: с 8:00 до 17:00 (МСК).
Сб–Вс: выходные дни.
Заказы на сайте принимаются круглосуточно. Заявки, поступившие после окончания рабочего дня, обрабатываются на следующий рабочий день.
Минимальная сумма заказа для доставки составляет 3000 рублей. Самовывоз со склада возможен на любую сумму при наличии товара.
ООО «УралТехГрупп»
ИНН: 7415093830
КПП: 772401001
ОГРН: 1167456069021
Банк: ПАО Сбербанк
Р/с: 40702810838000475273
К/с: 30101810400000000225
БИК: 044525225
У подшипника CF30-1UURA пока нет отзывов. Вы можете стать первым покупателем, поделившимся своим мнением.