Поиск подшипника
Статьи
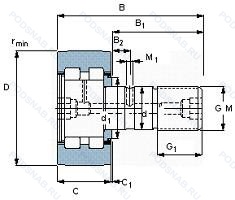
PWKR40 2RS — Кулачковый ролик толкатель, модификация основного исполнения PWKR40, выпускается производителями: INA, NEUTRAL, SKF.
Размер ролика: 18x40x58 мм.
Резиновые уплотнения с каждой стороны подшипника.
Аналоги: PWKR40-2RS-XL INA.
Международная стандартизации ISO
PWKR402RS
В наличии
| Обозначение | Гост | Конструктивные особенности |
|---|---|---|
| NUKR40AA | ISO | Измененный внутренний дизайн. |
| NUKR40AA.DZ | ISO | Опорные ролики игольчатого типа. Цилиндрический наружный диаметр. Литой сепаратор оконного типа из полиамида. усиленного стекловолокном. Измененный внутренний дизайн. |
| NUKR40XA | ISO | (Cone/Inner Race And Cup/Outer Race) Special Feature Bearing (Non-Interchangeable With Bearings Having The Same Basic Part Number). |
| KRV40PPXA | ISO | Измененная или модифицированная внутренняя конструкция при неизменных основных размерах. |
| NUKR40 | ISO | Кулачковый ролик толкатель. |
| NUKR40X | ISO | Измененные размеры границ. введенные пересмотренными стандартами ISO. |
| NUKR40SK | ISO | Кулачковый толкатель штифтового типа. С шестигранной головкой. |
| KRV40PPA | ISO | Скользящие уплотнительные кольца из полиамида с обеих сторон, улучшенный корончатый профиль рабочей поверхности наружного кольца. |
| NUKR40.2SK | ISO | Two Hexagonal Socket In Flange End. |
| KR40-X-B | ISO | Конический роликовый подшипник. Угол контакта 20 градусов. Измененные размеры границ. введенные пересмотренными стандартами ISO. |
| NUKR40A | ISO | Измененная или модифицированная внутренняя конструкция при неизменных основных размерах. |
| NUKR40H | ISO | Pressed Snap-Type Steel Cage. Hardened. |
| NUKR40DZ | ISO | Опорные ролики игольчатого типа. Цилиндрический наружный диаметр. Литой сепаратор оконного типа из полиамида. усиленного стекловолокном. |
| NUKR40-X-A-NMT | ISO | Двухрядный радиально-упорный шарикоподшипник без отверстия для смазки. Цилиндрическая рабочая поверхность. Шестигранная гайка. |
| NUKR40H/3AS | ISO | Pressed Snap-Type Steel Cage. Hardened. Смазка. Shell Oil Co. Смазка Alvania #3, стандартная заливка.. |
| NUKR40-A-NMT | ISO | Двухрядный радиально-упорный шарикоподшипник без отверстия для смазки. Шестигранная гайка. |
| NUKR40-A-NIP-VD/MON | ISO | Двухрядный радиально-упорный шарикоподшипник без отверстия для смазки. |
| NUKR40-NMT | ISO | Шестигранная гайка. |
Аналог кулачкового ролика PWKR40 2RS — это ролик такого же размера dx18,Dx40,Bx58, типа и конструкции.
| Обозначение | Конструктивные особенности | Внутренний (d) | Наружный (D) | Ширина (B) |
|---|---|---|---|---|
| КНС40 РР | Роликовый игольчатый подшипник однорядный. Детали из теплостойкой стали. Детали из теплоустойчивой (быстрорежущие) стали.. Смазка ЦИАТИМ-221С. | 18.00 | 40.00 | 58.00 |
Способы доставки
Отправка через ведущие транспортные и курьерские компании: ПЭК, Деловые Линии, СДЭК, Байкал-Сервис, Энергия, КИТ, ЖелДорЭкспедиция.
Самовывоз возможен напрямую со склада в Москве.
Сроки доставки
Срок зависит от региона и выбранной транспортной компании. Все заказы комплектуются и отправляются в кратчайшие сроки со склада в Москве.
Надёжность и сохранность
Вся продукция упаковывается с учётом требований транспортировки. Мы гарантируем, что подшипники и комплектующие прибудут к заказчику в полной сохранности.
Доставка в страны ЕАЭС
Мы работаем с проверенными логистическими партнёрами, что позволяет оперативно доставлять заказы в Беларусь, Казахстан, Армению и другие страны ЕАЭС.
Варианты оплаты:
Минимальная сумма заказа и скидки:
Документы и гарантии:
Да, конечно! Наши технические специалисты готовы помочь вам с подбором точного аналога или замены подшипника. Просто позвоните нам по телефону +7 (495) 104-99-04 или напишите на почту zakaz@podsnab.ru.
Для оперативной консультации подготовьте, пожалуйста, имеющиеся данные: маркировку, размеры, тип оборудования или артикул старого подшипника.
Да, конечно! Мы высоко ценим долгосрочное сотрудничество и доверие клиентов по всей России. Для постоянных клиентов действует персональная система скидок.
Условия формируются индивидуально и зависят от:
Чтобы узнать свои условия и получить максимально выгодное предложение, свяжитесь с персональным менеджером или напишите нам на почту zakaz@podsnab.ru.
Вы можете оформить заказ несколькими способами:
Для оформления заказа от юридического лица свяжитесь с нашим отделом по работе с корпоративными клиентами по телефону +7 (495) 104-99-04 или напишите на email zakaz@podsnab.ru, прикрепив реквизиты вашей организации.
Мы оперативно подготовим коммерческое предложение и выставим счет.
Возврат товара надлежащего качества возможен в течение 10 дней с момента получения, если товар не был в употреблении, сохранен товарный вид, упаковка не вскрывалась и присутствуют все сопроводительные документы.
Возврат денежных средств осуществляется в течение 10 рабочих дней после проверки товара складом.
В соответствии с законодательством возврату не подлежат подшипники надлежащего качества, если отсутствует оригинальная упаковка или имеются следы монтажа.
В случае выявления брака или гарантийного случая мы гарантируем возврат или обмен товара.
Да, гарантийный срок хранения устанавливается заводом-изготовителем и в среднем составляет 2 года при соблюдении условий хранения: сухое помещение, оригинальная упаковка и смазка.
Точный срок для конкретного типа подшипника уточняйте у наших менеджеров.
Пн–Пт: с 8:00 до 17:00 (МСК).
Сб–Вс: выходные дни.
Заказы на сайте принимаются круглосуточно. Заявки, поступившие после окончания рабочего дня, обрабатываются на следующий рабочий день.
Минимальная сумма заказа для доставки составляет 3000 рублей. Самовывоз со склада возможен на любую сумму при наличии товара.
ООО «УралТехГрупп»
ИНН: 7415093830
КПП: 772401001
ОГРН: 1167456069021
Банк: ПАО Сбербанк
Р/с: 40702810838000475273
К/с: 30101810400000000225
БИК: 044525225
У подшипника PWKR40 2RS пока нет отзывов. Вы можете стать первым покупателем, поделившимся своим мнением.