Поиск подшипника
Статьи
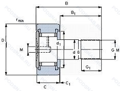
PWKR52 2RSA — Кулачковый ролик толкатель, модификация основного исполнения PWKR522RS, выпускается производителями: IDC/INTERPRECISE DONATH GMBH, INA.
Размер ролика: 20x52x24 мм.
Аналоги: PWKR52-2RS-XL INA.
Международная стандартизации ISO
PWKR522RSA
В наличии
| Обозначение | Конструктивные изменения |
|---|---|
| PWKR52 2RS | Резиновые уплотнения с каждой стороны подшипника. |
| PWKR52-2RS-RR-XL | Rubber Seals At Each Side Of The Bearing. Temperature Range -30℃/+120℃. Серия X-Life премиум-класс. увеличиный срок службы. Защищен от коррозии специальным покрытием Corrotect®.. |
| PWKR52-2RS-XL | Rubber Seals At Each Side Of The Bearing. Temperature Range -30℃/+120℃. Серия X-Life премиум-класс. увеличиный срок службы. |
Модификации кулачкового ролика PWKR52 2RSA — это измененное основное конструктивное исполнение PWKR522RS, основные размеры (20x52x24) не отличаются.
| Обозначение | Гост | Конструктивные особенности |
|---|---|---|
| KR52EE | ISO | Пластиковые уплотнения с каждой стороны подшипника. |
| CF20VUUR | ISO | Полный тип дополнения. Манжетные уплотнения с обеих сторон (тип P - две шайбы из оцинкованной листовой стали с промежуточной частью NBR). Диапазон температур -30℃/+100℃. |
| KR52X LL | ISO | Цилиндрический (плоский) профиль наружной рабочей поверхности. Контактное уплотнения из синтетической черной резины с обеих сторон. |
| KRV52LL | ISO | Контактное. синтетические. резиновое уплотнение с двух сторон. |
| CF20BUU | ISO | С боковыми и нижними уплотнениями. (Стандарт). |
| NUKR52H | ISO | Pressed Snap-Type Steel Cage. Hardened. |
| CF20-1VUURAN | ISO | Коронка на наружном кольце. Герметичный тип. |
| CF20-1VUURN | ISO | Коронка на наружном кольце. Герметичный тип. |
| KRV52PPXA NMT | ISO | Цилиндрическая рабочая поверхность. Манжетные уплотнения с обеих сторон (тип P - две шайбы из оцинкованной листовой стали с промежуточной частью NBR. Кромка уплотнения предварительно нагружена в осевом направлении). Диапазон температур -30℃/+100℃. Шестигранная гайка. |
| MCF52S | ISO | Запечатанная версия кулачкового ролика. |
| KR52-X-PP-A | ISO | Цилиндрическая рабочая поверхность. Манжетные уплотнения с обеих сторон (тип P - две шайбы из оцинкованной листовой стали с промежуточной частью NBR. Кромка уплотнения предварительно нагружена в осевом направлении). Диапазон температур -30℃/+100℃. |
| KRV52-X-PP-A | ISO | Двухрядный радиально-упорный шарикоподшипник без отверстия для смазки. Цилиндрическая рабочая поверхность. Манжетные уплотнения с обеих сторон (тип P - две шайбы из оцинкованной листовой стали с промежуточной частью NBR. Кромка уплотнения предварительно нагружена в осевом направлении). Диапазон температур -30℃/+100℃. |
| PWKRE52-2RS-XL | ISO | Rubber Seals At Each Side Of The Bearing. Temperature Range -30℃/+120℃. Серия X-Life премиум-класс. увеличиный срок службы. |
| KR52PP SK | ISO | Кулачковый толкатель штифтового типа. С шестигранной головкой. Манжетные уплотнения с обеих сторон (тип P - две шайбы из оцинкованной листовой стали с промежуточной частью NBR. Кромка уплотнения предварительно нагружена в осевом направлении). Диапазон температур -30℃/+100℃. |
| KR52PPX NMT | ISO | Измененные размеры границ. введенные пересмотренными стандартами ISO. Шестигранная гайка. |
| KRV52X | ISO | Цилиндрический (плоский) профиль наружной рабочей поверхности. |
| MCFR52X | ISO | Цилиндрическая рабочая поверхность. |
| KRV52LL/3AS | ISO | Контактное. синтетические. резиновое уплотнение с двух сторон. Смазка. Shell Oil Co. Смазка Alvania #3, стандартная заливка.. |
| KRV52XC LL | ISO | Цилиндрический (плоский) профиль наружной рабочей поверхности. Контактное. синтетические. резиновое уплотнение с двух сторон. |
| CF52 2RS | ISO | Rubber Seals At Each Side Of The Bearing. Temperature Range -30℃/+120℃. |
Аналог кулачкового ролика PWKR52 2RSA — это ролик такого же размера dx20,Dx52,Bx24, типа и конструкции.
| Обозначение | Конструктивные особенности | Внутренний (d) | Наружный (D) | Ширина (B) |
|---|---|---|---|---|
| GAKL20-PB-A | Сферический шарнирный подшипник. Двухрядный радиально-упорный шарикоподшипник без отверстия для смазки. Скользящая контактная поверхность сталь/бронза. Соответствует ISO 12 240-1. Размерная серия K. Для валов от 5 мм до 30 мм. | 20.00 | 51.00 | 25.00 |
| SILBP20S | Сферический шарнирный подшипник. Запечатанная версия кулачкового ролика. | 20.00 | 51.00 | 25.00 |
| PWTR2052-2RS-RR-XL | Опорный ролик. Rubber Seals At Each Side Of The Bearing. Temperature Range -30℃/+120℃. Серия X-Life премиум-класс. увеличиный срок службы. Защищен от коррозии специальным покрытием Corrotect®.. | 20.00 | 52.00 | 24.00 |
| NURT20-1R | Опорный ролик. Коронка на наружном кольце. | 20.00 | 52.00 | 25.00 |
| POS20LA | Сферический шарнирный подшипник. Sealed Bearing. | 20.00 | 51.00 | 25.00 |
| PWTR2052-2RS-A-RR | Опорный ролик. Двухрядный радиально-упорный шарикоподшипник без отверстия для смазки. Rubber Seals At Each Side Of The Bearing. Temperature Range -30℃/+120℃. Защищен от коррозии специальным покрытием Corrotect®.. | 20.00 | 52.00 | 24.00 |
| KIL20D | Сферический шарнирный подшипник. Сталь/PTFE. | 20.00 | 51.00 | 25.00 |
| MFL20G | Сферический шарнирный подшипник. Устройство повторного смазывания со смазочной канавкой и отверстием на внешнем кольце. | 20.00 | 51.00 | 25.00 |
| NUTR2052XA | Опорный ролик. (Cone/Inner Race And Cup/Outer Race) Special Feature Bearing (Non-Interchangeable With Bearings Having The Same Basic Part Number). | 20.00 | 52.00 | 24.00 |
| TFIL20PB | Сферический шарнирный подшипник. Скользящая контактная поверхность из стали/бронзы. Соответствует ИСО 12 240-1. Размерная серия K. Для валов от 5 мм до 30 мм. | 20.00 | 51.00 | 25.00 |
| TFIL25PB | Сферический шарнирный подшипник. Скользящая контактная поверхность из стали/бронзы. Соответствует ИСО 12 240-1. Размерная серия K. Для валов от 5 мм до 30 мм. | 20.00 | 51.00 | 25.00 |
| PWTR2052-2RS-XL | Опорный ролик. Rubber Seals At Each Side Of The Bearing. Temperature Range -30℃/+120℃. Серия X-Life премиум-класс. увеличиный срок службы. | 20.00 | 52.00 | 24.00 |
| PWTR2052 2RSA | Опорный ролик. Special Seals. | 20.00 | 52.00 | 24.00 |
| KIL20NIRO | Сферический шарнирный подшипник. Нержавеющая сталь. | 20.00 | 51.00 | 25.00 |
| POS20A | Сферический шарнирный подшипник. Двухрядный радиально-упорный шарикоподшипник без отверстия для смазки. | 20.00 | 51.00 | 25.00 |
Способы доставки
Отправка через ведущие транспортные и курьерские компании: ПЭК, Деловые Линии, СДЭК, Байкал-Сервис, Энергия, КИТ, ЖелДорЭкспедиция.
Самовывоз возможен напрямую со склада в Москве.
Сроки доставки
Срок зависит от региона и выбранной транспортной компании. Все заказы комплектуются и отправляются в кратчайшие сроки со склада в Москве.
Надёжность и сохранность
Вся продукция упаковывается с учётом требований транспортировки. Мы гарантируем, что подшипники и комплектующие прибудут к заказчику в полной сохранности.
Доставка в страны ЕАЭС
Мы работаем с проверенными логистическими партнёрами, что позволяет оперативно доставлять заказы в Беларусь, Казахстан, Армению и другие страны ЕАЭС.
Варианты оплаты:
Минимальная сумма заказа и скидки:
Документы и гарантии:
Да, конечно! Наши технические специалисты готовы помочь вам с подбором точного аналога или замены подшипника. Просто позвоните нам по телефону +7 (495) 104-99-04 или напишите на почту zakaz@podsnab.ru.
Для оперативной консультации подготовьте, пожалуйста, имеющиеся данные: маркировку, размеры, тип оборудования или артикул старого подшипника.
Да, конечно! Мы высоко ценим долгосрочное сотрудничество и доверие клиентов по всей России. Для постоянных клиентов действует персональная система скидок.
Условия формируются индивидуально и зависят от:
Чтобы узнать свои условия и получить максимально выгодное предложение, свяжитесь с персональным менеджером или напишите нам на почту zakaz@podsnab.ru.
Вы можете оформить заказ несколькими способами:
Для оформления заказа от юридического лица свяжитесь с нашим отделом по работе с корпоративными клиентами по телефону +7 (495) 104-99-04 или напишите на email zakaz@podsnab.ru, прикрепив реквизиты вашей организации.
Мы оперативно подготовим коммерческое предложение и выставим счет.
Возврат товара надлежащего качества возможен в течение 10 дней с момента получения, если товар не был в употреблении, сохранен товарный вид, упаковка не вскрывалась и присутствуют все сопроводительные документы.
Возврат денежных средств осуществляется в течение 10 рабочих дней после проверки товара складом.
В соответствии с законодательством возврату не подлежат подшипники надлежащего качества, если отсутствует оригинальная упаковка или имеются следы монтажа.
В случае выявления брака или гарантийного случая мы гарантируем возврат или обмен товара.
Да, гарантийный срок хранения устанавливается заводом-изготовителем и в среднем составляет 2 года при соблюдении условий хранения: сухое помещение, оригинальная упаковка и смазка.
Точный срок для конкретного типа подшипника уточняйте у наших менеджеров.
Пн–Пт: с 8:00 до 17:00 (МСК).
Сб–Вс: выходные дни.
Заказы на сайте принимаются круглосуточно. Заявки, поступившие после окончания рабочего дня, обрабатываются на следующий рабочий день.
Минимальная сумма заказа для доставки составляет 3000 рублей. Самовывоз со склада возможен на любую сумму при наличии товара.
ООО «УралТехГрупп»
ИНН: 7415093830
КПП: 772401001
ОГРН: 1167456069021
Банк: ПАО Сбербанк
Р/с: 40702810838000475273
К/с: 30101810400000000225
БИК: 044525225
У подшипника PWKR52 2RSA пока нет отзывов. Вы можете стать первым покупателем, поделившимся своим мнением.