Поиск подшипника
Статьи
CF8-1PP — Кулачковый ролик толкатель, модификация основного исполнения CF81, выпускается производителями: INA, NIS.
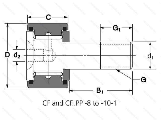
Размер ролика: 4x12x9 мм.
Аналоги: CF8-1PPSK INA.
Международная стандартизации ISO
CF81PP
В наличии
| Обозначение | Конструктивные изменения |
|---|---|
| CF8-1 | Number Of Carriages Per Rail Track. |
Модификации кулачкового ролика CF8-1PP — это измененное основное конструктивное исполнение CF81, основные размеры (4x12x9) не отличаются.
| Обозначение | Гост | Конструктивные особенности |
|---|---|---|
| CF8-1 | ISO | Number Of Carriages Per Rail Track. |
| CRS8-1 | ISO | Number Of Carriages Per Rail Track. |
| CR8UU | ISO | Символ защиты от загрязнения. |
| CR8 | ISO | Кулачковый ролик толкатель. |
| CR8-1VUU | ISO | Полный тип дополнения. Манжетные уплотнения с обеих сторон (тип P - две шайбы из оцинкованной листовой стали с промежуточной частью NBR). Диапазон температур -30℃/+100℃. |
| CRS8 | ISO | Кулачковый ролик толкатель. |
| MCFR13S | ISO | Запечатанная версия кулачкового ролика. |
| CRSBC8STEEL | ISO | Кулачковый ролик толкатель. |
| CR8-1UUR | ISO | Манжетные уплотнения с обеих сторон (тип P - две шайбы из оцинкованной листовой стали с промежуточной частью NBR). Диапазон температур -30℃/+100℃. |
| CF4BUUR | ISO | С шестигранным отверстием. Манжетные уплотнения с обеих сторон (тип P - две шайбы из оцинкованной листовой стали с промежуточной частью NBR). Диапазон температур -30℃/+100℃. |
| CR8V | ISO | Подшипник без сепаратора. С полным комплектом тел качения. |
| CR8VB | ISO | С шестигранным отверстием. Полный тип дополнения. |
| CR8VBUU | ISO | Полный тип дополнения. С боковыми и нижними уплотнениями. (Стандарт). |
| CF5BUUR | ISO | С шестигранным отверстием. Манжетные уплотнения с обеих сторон (тип P - две шайбы из оцинкованной листовой стали с промежуточной частью NBR). Диапазон температур -30℃/+100℃. |
| CF4FBR | ISO | С шестигранным отверстием. Нержавеющая сталь. Коронка на наружном кольце. |
| MCFR13X | ISO | Цилиндрическая рабочая поверхность. |
| KR13PPX SK | ISO | Кулачковый толкатель штифтового типа. С шестигранной головкой. Скользящие уплотнительные кольца из полиамида с обеих сторон, улучшенный корончатый профиль рабочей поверхности наружного кольца. |
| KR13SK | ISO | Кулачковый толкатель штифтового типа. С шестигранной головкой. |
| CF4UU | ISO | Манжетные уплотнения с обеих сторон (тип P - две шайбы из оцинкованной листовой стали с промежуточной частью NBR). Диапазон температур -30℃/+100℃. |
| CF5BUU | ISO | С боковыми и нижними уплотнениями. (Стандарт). |
Аналог кулачкового ролика CF8-1PP — это ролик такого же размера dx4,Dx12,Bx9, типа и конструкции.
| Обозначение | Конструктивные особенности | Внутренний (d) | Наружный (D) | Ширина (B) |
|---|---|---|---|---|
| GAKFL5PB | Сферический шарнирный подшипник. Поверхность скользящего контакта сталь/бронза, соответствует ISO 12 240-1, размер серии K, для валов от 5 мм до 30 мм.. | 5.00 | 13.00 | 8.00 |
| GIKFL5PW | Сферический шарнирный подшипник. Скользящая контактная поверхность сталь/PTFE (политетрафторэтилен) Бронзовая пленка.. | 5.00 | 18.00 | 8.00 |
| GAKL5PW | Сферический шарнирный подшипник. Контактная поверхность скольжения Сталь/PTFE. | 5.00 | 13.00 | 8.00 |
| GIKFR5PW | Сферический шарнирный подшипник. Скользящая контактная поверхность сталь/PTFE (политетрафторэтилен) Бронзовая пленка.. | 11.00 | 18.00 | 8.00 |
| GAKFR5PB | Сферический шарнирный подшипник. Сегментный контактный материал. Код S/B = скользящая контактная поверхность из стали/бронзы. | 5.00 | 44.00 | 8.00 |
| NA495 | Роликовый игольчатый подшипник. Игольчатый роликовый подшипник с размерами по ISO 15. Канавка под стопорное кольцо на наружном кольце подшипника. | 5.00 | 13.00 | 10.00 |
| GAKR5PB | Сферический шарнирный подшипник. Скользящая контактная поверхность сталь/бронза. Соответствует ISO 12 240-1. Размерная серия K. Для валов от 5 мм до 30 мм. | 5.00 | 18.00 | 8.00 |
| G5D | Сферический подшипник скольжения. Сталь/PTFE. | 5.00 | 13.00 | 8.00 |
| NA495T2 | Роликовый игольчатый подшипник. Molded Cage Assembly Of Polyamide Plastic. Max. Permissible Temperature/ 120 ̊C. Max. Continuous Operating Temperature/ 100 ̊C. | 5.00 | 13.00 | 10.00 |
| GIKR5PB | Сферический шарнирный подшипник. Сегментный контактный материал. Код S/B = скользящая контактная поверхность из стали/бронзы. | 5.00 | 18.00 | 8.00 |
| 4-851074-Е | Шариковый радиальный двухрядный подшипник. Сепаратор из текстолита.. | 4.00 | 12.00 | 8.00 |
| 851063-Ю | Шариковый радиальный двухрядный подшипник. Все детали или часть деталей из нержавеющей стали.. | 3.00 | 12.00 | 8.00 |
| NA495M | Роликовый игольчатый подшипник однорядный. Подшипник с латунным сепаратором. центрированный по телам качения. | 5.00 | 13.00 | 10.00 |
| GEBJ5C | Шарнирный подшипник. 15° Угол контакта. | 5.00 | 13.00 | 8.00 |
| GEBJ5S | Шарнирный подшипник. Запечатанная версия кулачкового ролика. | 5.00 | 13.00 | 8.00 |
Способы доставки
Отправка через ведущие транспортные и курьерские компании: ПЭК, Деловые Линии, СДЭК, Байкал-Сервис, Энергия, КИТ, ЖелДорЭкспедиция.
Самовывоз возможен напрямую со склада в Москве.
Сроки доставки
Срок зависит от региона и выбранной транспортной компании. Все заказы комплектуются и отправляются в кратчайшие сроки со склада в Москве.
Надёжность и сохранность
Вся продукция упаковывается с учётом требований транспортировки. Мы гарантируем, что подшипники и комплектующие прибудут к заказчику в полной сохранности.
Доставка в страны ЕАЭС
Мы работаем с проверенными логистическими партнёрами, что позволяет оперативно доставлять заказы в Беларусь, Казахстан, Армению и другие страны ЕАЭС.
Варианты оплаты:
Минимальная сумма заказа и скидки:
Документы и гарантии:
Да, конечно! Наши технические специалисты готовы помочь вам с подбором точного аналога или замены подшипника. Просто позвоните нам по телефону +7 (495) 104-99-04 или напишите на почту zakaz@podsnab.ru.
Для оперативной консультации подготовьте, пожалуйста, имеющиеся данные: маркировку, размеры, тип оборудования или артикул старого подшипника.
Да, конечно! Мы высоко ценим долгосрочное сотрудничество и доверие клиентов по всей России. Для постоянных клиентов действует персональная система скидок.
Условия формируются индивидуально и зависят от:
Чтобы узнать свои условия и получить максимально выгодное предложение, свяжитесь с персональным менеджером или напишите нам на почту zakaz@podsnab.ru.
Вы можете оформить заказ несколькими способами:
Для оформления заказа от юридического лица свяжитесь с нашим отделом по работе с корпоративными клиентами по телефону +7 (495) 104-99-04 или напишите на email zakaz@podsnab.ru, прикрепив реквизиты вашей организации.
Мы оперативно подготовим коммерческое предложение и выставим счет.
Возврат товара надлежащего качества возможен в течение 10 дней с момента получения, если товар не был в употреблении, сохранен товарный вид, упаковка не вскрывалась и присутствуют все сопроводительные документы.
Возврат денежных средств осуществляется в течение 10 рабочих дней после проверки товара складом.
В соответствии с законодательством возврату не подлежат подшипники надлежащего качества, если отсутствует оригинальная упаковка или имеются следы монтажа.
В случае выявления брака или гарантийного случая мы гарантируем возврат или обмен товара.
Да, гарантийный срок хранения устанавливается заводом-изготовителем и в среднем составляет 2 года при соблюдении условий хранения: сухое помещение, оригинальная упаковка и смазка.
Точный срок для конкретного типа подшипника уточняйте у наших менеджеров.
Пн–Пт: с 8:00 до 17:00 (МСК).
Сб–Вс: выходные дни.
Заказы на сайте принимаются круглосуточно. Заявки, поступившие после окончания рабочего дня, обрабатываются на следующий рабочий день.
Минимальная сумма заказа для доставки составляет 3000 рублей. Самовывоз со склада возможен на любую сумму при наличии товара.
ООО «УралТехГрупп»
ИНН: 7415093830
КПП: 772401001
ОГРН: 1167456069021
Банк: ПАО Сбербанк
Р/с: 40702810838000475273
К/с: 30101810400000000225
БИК: 044525225
У подшипника CF8-1PP пока нет отзывов. Вы можете стать первым покупателем, поделившимся своим мнением.