Поиск подшипника
Статьи
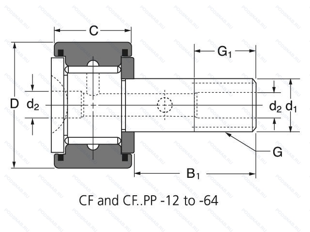
CF28PP — Кулачковый ролик толкатель, модификация основного исполнения CF28, выпускается производителями: INA, NEUTRAL, NIS.
Размер ролика: 19x44x25 мм.
Уплотнения на каждой стороне подшипника.
Альтернативное обозначение: CF1.3/4SB, CR1.3/4XB, CRSB28, S56LW.
Международная стандартизации ISO
CF28PP
В наличии
| Обозначение | Конструктивные изменения |
|---|---|
| CF28 | Кулачковый ролик толкатель. Основное конструктивное исполнение. |
| CF28PPSK | Кулачковый толкатель штифтового типа. С шестигранной головкой. Манжетные уплотнения с обеих сторон (тип P - две шайбы из оцинкованной листовой стали с промежуточной частью NBR. Кромка уплотнения предварительно нагружена в осевом направлении). Диапазон температур -30℃/+100℃. |
| CF28PPA | Скользящие уплотнительные кольца из полиамида с обеих сторон, улучшенный корончатый профиль рабочей поверхности наружного кольца. |
| CF28-NM | Кулачковый ролик толкатель. |
| CF28UU | Манжетные уплотнения с обеих сторон (тип P - две шайбы из оцинкованной листовой стали с промежуточной частью NBR). Диапазон температур -30℃/+100℃. |
Модификации кулачкового ролика CF28PP — это измененное основное конструктивное исполнение CF28, основные размеры (19x44x25) не отличаются.
| Обозначение | Гост | Конструктивные особенности |
|---|---|---|
| CF1.3/4 | ISO | Размерные и геометрические допуски соответствуют классу точности P6. Подшипник с чрезвычайно высокой точностью вращения (Abec9) и допуском формы (Abec7). |
| CCF1.3/4SB | ISO | Кулачковый ролик толкатель. |
| CF1.3/4SB | ISO | Кулачковый ролик толкатель. |
| CRSB28 | ISO | Кулачковый ролик толкатель. |
| CF1.3/4S | ISO | Запечатанная версия кулачкового ролика. |
| CCF1.3/4S | ISO | Размерные и геометрические допуски соответствуют классу точности P6. If Two Or More Bearings Are Located Adjacent To Each Other In A Planet (2. 3 Or 4 Bearings). These Must Be Ordered Using The Suffix 2S. 3S Or 4S So That They Are Sorted Together. |
| CR1.3/4 | ISO | Размерные и геометрические допуски соответствуют классу точности P6. Подшипник с чрезвычайно высокой точностью вращения (Abec9) и допуском формы (Abec7). |
| S56 | ISO | Кулачковый ролик толкатель. |
Аналог кулачкового ролика CF28PP — это ролик такого же размера dx19,Dx44,Bx25, типа и конструкции.
| Обозначение | Конструктивные особенности | Внутренний (d) | Наружный (D) | Ширина (B) |
|---|---|---|---|---|
| KWE20-H-G4-V2 | Линейный подшипник скольжения. Высокий. Узкая каретка для двухрядного шарикоподшипника и направляющей в сборе. Класс предварительной нагрузки 2. Класс точности 4. | 20.00 | 44.00 | 25.00 |
| KWE20-H-G4-V3 | Линейный подшипник скольжения. Высокий. Узкая каретка для двухрядного шарикоподшипника и направляющей в сборе. Предварительная нагрузка. Класс точности 4. | 20.00 | 44.00 | 25.00 |
| KWE20-H-G3-V4 | Линейный подшипник скольжения. Высокий. Узкая каретка для двухрядного шарикоподшипника и направляющей в сборе. Класс точности 3. Класс предварительной нагрузки 4. | 20.00 | 44.00 | 25.00 |
| KWE20-H-G4-V4 | Линейный подшипник скольжения. Высокий. Узкая каретка для двухрядного шарикоподшипника и направляющей в сборе. Класс точности 4. Класс предварительной нагрузки 4. | 20.00 | 44.00 | 25.00 |
| KWE20-H-V3-G2 | Линейный подшипник скольжения. Класс точности 2. Высокий. Узкая каретка для двухрядного шарикоподшипника и направляющей в сборе. Предварительная нагрузка. | 20.00 | 44.00 | 25.00 |
| KWE20-H-V3-G3 | Линейный подшипник скольжения. Высокий. Узкая каретка для двухрядного шарикоподшипника и направляющей в сборе. Предварительная нагрузка. Класс точности 3. | 20.00 | 44.00 | 25.00 |
| R1623-894-20 | Линейный шариковый подшипник. Distance Between Beginning Of The Rail And First Hole In MM. | 20.00 | 44.00 | 25.35 |
| MHS20C1HS2 | Линейный шариковый подшипник. Высокий класс точности. Код взаимозаменяемости. Количество узлов скольжения. | 20.00 | 44.00 | 25.00 |
| MSA20LSF0 | Линейный подшипник скольжения. Квадратный тип для больших нагрузок. Medium Proload. | 20.00 | 44.00 | 25.00 |
| LRXSG20C1T2PS2 | Линейный шариковый подшипник. Код взаимозаменяемости. Количество узлов скольжения. Класс точности. Средний предварительный натяг. | 20.00 | 44.00 | 25.00 |
| MHS20C1T1PS2 | Линейный шариковый подшипник. Код взаимозаменяемости. Количество узлов скольжения. Класс точности. Небольшая предварительная нагрузка. | 20.00 | 44.00 | 25.00 |
| LAH20AN | Линейный шариковый подшипник. Код формы шариковой направляющей. | 20.00 | 44.00 | 25.00 |
| HSR20R1SSGK | Линейный подшипник скольжения. Блок CRN без смазочного ниппеля. Уплотненный подшипник. Number Of LM Blocks Used On The Same Rail. Внутренний код THK без технических различий. | 20.00 | 44.00 | 25.00 |
| HGH20CA ZAC | Линейный шариковый подшипник. Normal Precision. Heavy Load. Mounting From Top. Небольшая предварительная нагрузка. | 20.00 | 44.00 | 25.40 |
| HGH20CAZOH | Линейный шариковый подшипник. Heavy Load. Mounting From Top. Высокая точность. | 20.00 | 44.00 | 25.40 |
Способы доставки
Отправка через ведущие транспортные и курьерские компании: ПЭК, Деловые Линии, СДЭК, Байкал-Сервис, Энергия, КИТ, ЖелДорЭкспедиция.
Самовывоз возможен напрямую со склада в Москве.
Сроки доставки
Срок зависит от региона и выбранной транспортной компании. Все заказы комплектуются и отправляются в кратчайшие сроки со склада в Москве.
Надёжность и сохранность
Вся продукция упаковывается с учётом требований транспортировки. Мы гарантируем, что подшипники и комплектующие прибудут к заказчику в полной сохранности.
Доставка в страны ЕАЭС
Мы работаем с проверенными логистическими партнёрами, что позволяет оперативно доставлять заказы в Беларусь, Казахстан, Армению и другие страны ЕАЭС.
Варианты оплаты:
Минимальная сумма заказа и скидки:
Документы и гарантии:
Да, конечно! Наши технические специалисты готовы помочь вам с подбором точного аналога или замены подшипника. Просто позвоните нам по телефону +7 (495) 104-99-04 или напишите на почту zakaz@podsnab.ru.
Для оперативной консультации подготовьте, пожалуйста, имеющиеся данные: маркировку, размеры, тип оборудования или артикул старого подшипника.
Да, конечно! Мы высоко ценим долгосрочное сотрудничество и доверие клиентов по всей России. Для постоянных клиентов действует персональная система скидок.
Условия формируются индивидуально и зависят от:
Чтобы узнать свои условия и получить максимально выгодное предложение, свяжитесь с персональным менеджером или напишите нам на почту zakaz@podsnab.ru.
Вы можете оформить заказ несколькими способами:
Для оформления заказа от юридического лица свяжитесь с нашим отделом по работе с корпоративными клиентами по телефону +7 (495) 104-99-04 или напишите на email zakaz@podsnab.ru, прикрепив реквизиты вашей организации.
Мы оперативно подготовим коммерческое предложение и выставим счет.
Возврат товара надлежащего качества возможен в течение 10 дней с момента получения, если товар не был в употреблении, сохранен товарный вид, упаковка не вскрывалась и присутствуют все сопроводительные документы.
Возврат денежных средств осуществляется в течение 10 рабочих дней после проверки товара складом.
В соответствии с законодательством возврату не подлежат подшипники надлежащего качества, если отсутствует оригинальная упаковка или имеются следы монтажа.
В случае выявления брака или гарантийного случая мы гарантируем возврат или обмен товара.
Да, гарантийный срок хранения устанавливается заводом-изготовителем и в среднем составляет 2 года при соблюдении условий хранения: сухое помещение, оригинальная упаковка и смазка.
Точный срок для конкретного типа подшипника уточняйте у наших менеджеров.
Пн–Пт: с 8:00 до 17:00 (МСК).
Сб–Вс: выходные дни.
Заказы на сайте принимаются круглосуточно. Заявки, поступившие после окончания рабочего дня, обрабатываются на следующий рабочий день.
Минимальная сумма заказа для доставки составляет 3000 рублей. Самовывоз со склада возможен на любую сумму при наличии товара.
ООО «УралТехГрупп»
ИНН: 7415093830
КПП: 772401001
ОГРН: 1167456069021
Банк: ПАО Сбербанк
Р/с: 40702810838000475273
К/с: 30101810400000000225
БИК: 044525225
У подшипника CF28PP пока нет отзывов. Вы можете стать первым покупателем, поделившимся своим мнением.