Поиск подшипника
Статьи
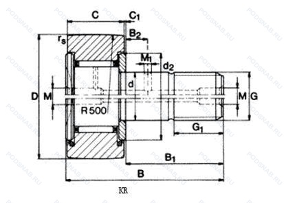
KRE35 — Кулачковый ролик толкатель, основное исполнение, выпускается производителями: INA, MCGILL, SKF.
Размер ролика: 20x35x18 мм.
KR+E. Опорный ролик, шпилечного типа с сепаратором, профилированный наружный диаметр.
Альтернативное обозначение: GCR35.
Аналоги: KRE35-B INA.
Международная стандартизации ISO
KRE35
В наличии
| Обозначение | Конструктивные изменения |
|---|---|
| KRE35PPX | Скользящие уплотнительные кольца из полиамида с обеих сторон, улучшенный корончатый профиль рабочей поверхности наружного кольца. |
| KRE35-B | Конический роликовый подшипник. Угол контакта 20 градусов. |
| KRE35PP | Уплотнения на каждой стороне подшипника. |
| KRE35PPA | Скользящие уплотнительные кольца из полиамида с обеих сторон, улучшенный корончатый профиль рабочей поверхности наружного кольца. |
| KRE35PP NMT | Манжетные уплотнения с обеих сторон (тип P - две шайбы из оцинкованной листовой стали с промежуточной частью NBR. Кромка уплотнения предварительно нагружена в осевом направлении). Диапазон температур -30℃/+100℃. Шестигранная гайка. |
| KRE35-B-NMT | Внутренняя модификация конструкции. Может использоваться в качестве стандартного. Шестигранная гайка. |
| KRE35LLH | Манжетное уплотнение с обеих сторон подшипника. |
| KRE35X | Цилиндрическая рабочая поверхность. |
| KRE35-PP-A-NMT | Двухрядный радиально-упорный шарикоподшипник без отверстия для смазки. Манжетные уплотнения с обеих сторон (тип P - две шайбы из оцинкованной листовой стали с промежуточной частью NBR. Кромка уплотнения предварительно нагружена в осевом направлении). Диапазон температур -30℃/+100℃. Шестигранная гайка. |
Модификации кулачкового ролика KRE35 — это измененное основное конструктивное исполнение KRE35, основные размеры (20x35x18) не отличаются.
| Обозначение | Гост | Конструктивные особенности |
|---|---|---|
| KRVE35PP | ISO | Уплотнения на каждой стороне подшипника. |
| KRVE35PPA | ISO | Измененная или модифицированная внутренняя конструкция при неизменных основных размерах. |
| PWKRE35-2RS | ISO | Резиновые уплотнения с каждой стороны подшипника. |
| GCRL35 | ISO | Кулачковый ролик толкатель. |
| MCFE35SX | ISO | Радиально-упорный сферический подшипник скольжения. требующий обслуживания по ISO 12 2402. Монтажные размеры как для конических роликоподшипников по DIN 720. 320X. Стальная скользящая контактная поверхность. |
| KRVE35XSK | ISO | Кулачковый толкатель штифтового типа. С шестигранной головкой. Цилиндрическая рабочая поверхность. |
| GCR35 | ISO | Кулачковый ролик толкатель. |
| KRVE35-PP-A-NMT | ISO | Манжетные уплотнения с обеих сторон (тип P - две шайбы из оцинкованной листовой стали с промежуточной частью NBR. Кромка уплотнения предварительно нагружена в осевом направлении). Диапазон температур -30℃/+100℃. Шестигранная гайка. |
| PWKRE35 2RSA | ISO | Rubber Seals At Each Side Of The Bearing. Temperature Range -30℃/+120℃. |
| GCR35EE | ISO | Пластиковые уплотнения с каждой стороны подшипника. |
| GCR35EEM | ISO | Металлические уплотнения с двух сторон подшипника. |
Аналог кулачкового ролика KRE35 — это ролик такого же размера dx20,Dx35,Bx18, типа и конструкции.
| Обозначение | Конструктивные особенности | Внутренний (d) | Наружный (D) | Ширина (B) |
|---|---|---|---|---|
| NAO20X35X17 | Роликовый игольчатый подшипник. Габаритные размеры отличаются от стандарта ISO или опорные ролики с цилиндрической наружной поверхностью. Специальный радиус сопряжения (n = величина). | 20.00 | 35.00 | 17.00 |
| NAF203517 | Роликовый игольчатый подшипник. | 20.00 | 35.00 | 17.00 |
| NAO20X35X17-XL | Роликовый игольчатый подшипник. Серия X-Life премиум-класс. увеличиный срок службы. | 20.00 | 35.00 | 17.00 |
| K20X34X17 | Роликовый игольчатый подшипник. | 20.00 | 34.00 | 17.00 |
| F-223309.1 | Роликовый радиальный однорядный подшипник. Number Of Carriages Per Rail Track. | 19.00 | 36.00 | 19.00 |
| 20NQ3418D | Роликовый игольчатый подшипник однорядный. | 20.00 | 34.00 | 18.00 |
| 456804 | Шариковый радиально-упорный двухрядный подшипник. | 20.00 | 36.00 | 18.00 |
| NA0-20X35X17 | Роликовый игольчатый подшипник однорядный. Изменённая фаска. | 20.00 | 35.00 | 17.00 |
| NK19X34X18N | Роликовый игольчатый подшипник однорядный. Канавка под стопорное кольцо на внешнем кольце. Изменённая фаска. | 19.00 | 34.00 | 18.00 |
| NK20X34X18 | Роликовый игольчатый подшипник однорядный. Изменённая фаска. | 20.00 | 34.00 | 18.00 |
| MBG20CR | Шарнирный подшипник. (TB-Segment) Phenolic (Composition) Fafnir Standard. | 20.00 | 36.00 | 19.00 |
| MBT20V | Шарнирный подшипник. Подшипник без сепаратора. С полным комплектом тел качения. | 20.00 | 36.00 | 19.00 |
| MBT20 | Шарнирный подшипник. | 20.00 | 36.00 | 19.00 |
| MBG20VCR | Шарнирный подшипник. | 20.00 | 36.00 | 19.00 |
Способы доставки
Отправка через ведущие транспортные и курьерские компании: ПЭК, Деловые Линии, СДЭК, Байкал-Сервис, Энергия, КИТ, ЖелДорЭкспедиция.
Самовывоз возможен напрямую со склада в Москве.
Сроки доставки
Срок зависит от региона и выбранной транспортной компании. Все заказы комплектуются и отправляются в кратчайшие сроки со склада в Москве.
Надёжность и сохранность
Вся продукция упаковывается с учётом требований транспортировки. Мы гарантируем, что подшипники и комплектующие прибудут к заказчику в полной сохранности.
Доставка в страны ЕАЭС
Мы работаем с проверенными логистическими партнёрами, что позволяет оперативно доставлять заказы в Беларусь, Казахстан, Армению и другие страны ЕАЭС.
Варианты оплаты:
Минимальная сумма заказа и скидки:
Документы и гарантии:
Да, конечно! Наши технические специалисты готовы помочь вам с подбором точного аналога или замены подшипника. Просто позвоните нам по телефону +7 (495) 104-99-04 или напишите на почту zakaz@podsnab.ru.
Для оперативной консультации подготовьте, пожалуйста, имеющиеся данные: маркировку, размеры, тип оборудования или артикул старого подшипника.
Да, конечно! Мы высоко ценим долгосрочное сотрудничество и доверие клиентов по всей России. Для постоянных клиентов действует персональная система скидок.
Условия формируются индивидуально и зависят от:
Чтобы узнать свои условия и получить максимально выгодное предложение, свяжитесь с персональным менеджером или напишите нам на почту zakaz@podsnab.ru.
Вы можете оформить заказ несколькими способами:
Для оформления заказа от юридического лица свяжитесь с нашим отделом по работе с корпоративными клиентами по телефону +7 (495) 104-99-04 или напишите на email zakaz@podsnab.ru, прикрепив реквизиты вашей организации.
Мы оперативно подготовим коммерческое предложение и выставим счет.
Возврат товара надлежащего качества возможен в течение 10 дней с момента получения, если товар не был в употреблении, сохранен товарный вид, упаковка не вскрывалась и присутствуют все сопроводительные документы.
Возврат денежных средств осуществляется в течение 10 рабочих дней после проверки товара складом.
В соответствии с законодательством возврату не подлежат подшипники надлежащего качества, если отсутствует оригинальная упаковка или имеются следы монтажа.
В случае выявления брака или гарантийного случая мы гарантируем возврат или обмен товара.
Да, гарантийный срок хранения устанавливается заводом-изготовителем и в среднем составляет 2 года при соблюдении условий хранения: сухое помещение, оригинальная упаковка и смазка.
Точный срок для конкретного типа подшипника уточняйте у наших менеджеров.
Пн–Пт: с 8:00 до 17:00 (МСК).
Сб–Вс: выходные дни.
Заказы на сайте принимаются круглосуточно. Заявки, поступившие после окончания рабочего дня, обрабатываются на следующий рабочий день.
Минимальная сумма заказа для доставки составляет 3000 рублей. Самовывоз со склада возможен на любую сумму при наличии товара.
ООО «УралТехГрупп»
ИНН: 7415093830
КПП: 772401001
ОГРН: 1167456069021
Банк: ПАО Сбербанк
Р/с: 40702810838000475273
К/с: 30101810400000000225
БИК: 044525225
У подшипника KRE35 пока нет отзывов. Вы можете стать первым покупателем, поделившимся своим мнением.