Поиск подшипника
Статьи
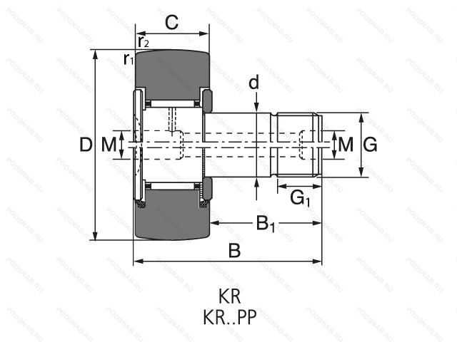
KR47 — Кулачковый ролик толкатель, основное исполнение, выпускается производителями: FAG, INA, NEUTRAL, NIS, NTN, SKF, TORRINGTON.
Размер ролика: 20x47x24 мм.
Опорный ролик, шпилечного типа с сепаратором, профилированный наружный диаметр. Эксцентриковая цапфа.
Альтернативное обозначение: CF20-1R, MCFR47.
Аналоги: KR47B INA,KR47-B INA,KR47 SKF,KR47B SKF,MCFR47 McGill,KR47 Torrington.
Международная стандартизации ISO
KR47
В наличии
| Обозначение | Конструктивные изменения |
|---|---|
| KR47PP | Уплотнения на каждой стороне подшипника. |
| KR47PPX | Скользящие уплотнительные кольца из полиамида с обеих сторон, улучшенный корончатый профиль рабочей поверхности наружного кольца. |
| KR47PPA | Скользящие уплотнительные кольца из полиамида с обеих сторон, улучшенный корончатый профиль рабочей поверхности наружного кольца. |
| KR47B | Конический роликовый подшипник. Угол контакта 20 градусов. |
| KR47PPX NMT | Шестигранная гайка. Скользящие уплотнительные кольца из полиамида с обеих сторон, улучшенный корончатый профиль рабочей поверхности наружного кольца. |
| KR47X | Измененные размеры границ. введенные пересмотренными стандартами ISO. |
| KR47DZ | Опорный ролик. Цилиндрический наружный диаметр. |
| KR47PPXA | С внутренним шестигранником и оптимизированным профилем. Скользящие уплотнительные кольца из полиамида с обеих сторон, улучшенный корончатый профиль рабочей поверхности наружного кольца. |
| KR47C.DZ | Коронка. Опорный ролик. Цилиндрический наружный диаметр. |
| KR47XLLH/3AS | Цилиндрический (плоский) профиль наружной рабочей поверхности. Манжетное уплотнение с обеих сторон подшипника. Смазка. Shell Oil Co. Смазка Alvania #3, стандартная заливка.. |
| KR47LLH/3AS | Манжетное уплотнение с обеих сторон подшипника. Смазка. Shell Oil Co. Смазка Alvania #3, стандартная заливка.. |
| KR47H | Pressed Snap-Type Steel Cage. Hardened. |
| KR47XLLH | Цилиндрический (плоский) профиль наружной рабочей поверхности. Манжетное уплотнение с обеих сторон подшипника. |
| KR47LL | Контактное. синтетические. резиновое уплотнение с двух сторон. |
| KR47XLL | Цилиндрический (плоский) профиль наружной рабочей поверхности. Манжетное уплотнение с обеих сторон подшипника. |
| KR47-B-NMT | Внутренняя модификация конструкции. Может использоваться в качестве стандартного. Шестигранная гайка. |
| KR47-PP-A-NMT | Двухрядный радиально-упорный шарикоподшипник без отверстия для смазки. Манжетные уплотнения с обеих сторон (тип P - две шайбы из оцинкованной листовой стали с промежуточной частью NBR. Кромка уплотнения предварительно нагружена в осевом направлении). Диапазон температур -30℃/+100℃. Шестигранная гайка. |
| KR47-X-PP-A | Двухрядный радиально-упорный шарикоподшипник без отверстия для смазки. Цилиндрическая рабочая поверхность. Манжетные уплотнения с обеих сторон (тип P - две шайбы из оцинкованной листовой стали с промежуточной частью NBR. Кромка уплотнения предварительно нагружена в осевом направлении). Диапазон температур -30℃/+100℃. |
| KR47-X-PP-A-NMT | Двухрядный радиально-упорный шарикоподшипник без отверстия для смазки. Цилиндрическая рабочая поверхность. Манжетные уплотнения с обеих сторон (тип P - две шайбы из оцинкованной листовой стали с промежуточной частью NBR. Кромка уплотнения предварительно нагружена в осевом направлении). Диапазон температур -30℃/+100℃. Шестигранная гайка. |
| KR47LLH | Манжетное уплотнение с обеих сторон подшипника. |
Модификации кулачкового ролика KR47 — это измененное основное конструктивное исполнение KR47, основные размеры (20x47x24) не отличаются.
| Обозначение | Гост | Конструктивные особенности |
|---|---|---|
| MCFR47 | ISO | Кулачковый ролик толкатель. |
| KRV47-X-PP-A | ISO | Двухрядный радиально-упорный шарикоподшипник без отверстия для смазки. Цилиндрическая рабочая поверхность. Манжетные уплотнения с обеих сторон (тип P - две шайбы из оцинкованной листовой стали с промежуточной частью NBR. Кромка уплотнения предварительно нагружена в осевом направлении). Диапазон температур -30℃/+100℃. |
| KRV47-X-PP-A-NMT | ISO | Двухрядный радиально-упорный шарикоподшипник без отверстия для смазки. Цилиндрическая рабочая поверхность. Манжетные уплотнения с обеих сторон (тип P - две шайбы из оцинкованной листовой стали с промежуточной частью NBR. Кромка уплотнения предварительно нагружена в осевом направлении). Диапазон температур -30℃/+100℃. Шестигранная гайка. |
| GC47EE | ISO | Пластиковые уплотнения с каждой стороны подшипника. |
| MCFR47SX | ISO | Радиально-упорный сферический подшипник скольжения. требующий обслуживания по ISO 12 2402. Монтажные размеры как для конических роликоподшипников по DIN 720. 320X. Стальная скользящая контактная поверхность. |
| KRV47LL | ISO | Контактное. синтетические. резиновое уплотнение с двух сторон. |
| PWKR47 2RSA | ISO | Rubber Seals At Each Side Of The Bearing. Temperature Range -30℃/+120℃. |
| MCFD47X | ISO | Цилиндрическая рабочая поверхность. |
| KRV47X LL | ISO | Цилиндрический (плоский) профиль наружной рабочей поверхности. Контактное уплотнения из синтетической черной резины с обеих сторон. |
| PWKR47-2RS-XL | ISO | Rubber Seals At Each Side Of The Bearing. Temperature Range -30℃/+120℃. Серия X-Life премиум-класс. увеличиный срок службы. |
| MCFR47ASBX | ISO | Запечатанная версия кулачкового ролика. Кулачковый механизм. Шестигранное отверстие заменяет шлиц под отвертку во фланцевом конце штока. Цилиндрическая рабочая поверхность. |
| MCFR47B | ISO | Кулачковый механизм. Шестигранное отверстие заменяет шлиц под отвертку во фланцевом конце штока. |
| MCFR47BX | ISO | Подшипник. Тип расширения. |
| MCF47S | ISO | Запечатанная версия кулачкового ролика. |
| CF20-1UUR | ISO | Манжетные уплотнения с обеих сторон (тип P - две шайбы из оцинкованной листовой стали с промежуточной частью NBR). Диапазон температур -30℃/+100℃. |
| KRV47XLLH/3AS | ISO | Цилиндрический (плоский) профиль наружной рабочей поверхности. Манжетное уплотнение с обеих сторон подшипника. Смазка. Shell Oil Co. Смазка Alvania #3, стандартная заливка.. |
| KRV47PPXA | ISO | С внутренним шестигранником и оптимизированным профилем. Скользящие уплотнительные кольца из полиамида с обеих сторон, улучшенный корончатый профиль рабочей поверхности наружного кольца. |
| MCFR47X | ISO | Цилиндрическая рабочая поверхность. |
| GC47EEM | ISO | Металлические уплотнения с двух сторон подшипника. |
| KRV47PP SK | ISO | Кулачковый толкатель штифтового типа. С шестигранной головкой. Манжетные уплотнения с обеих сторон (тип P - две шайбы из оцинкованной листовой стали с промежуточной частью NBR. Кромка уплотнения предварительно нагружена в осевом направлении). Диапазон температур -30℃/+100℃. |
| CF20-1UUA | ISO | Манжетные уплотнения с обеих сторон (тип P - две шайбы из оцинкованной листовой стали с промежуточной частью NBR). Диапазон температур -30℃/+100℃. |
Аналог кулачкового ролика KR47 — это ролик такого же размера dx20,Dx47,Bx24, типа и конструкции.
| Обозначение | Конструктивные особенности | Внутренний (d) | Наружный (D) | Ширина (B) |
|---|---|---|---|---|
| SSA20.45 | Сферический подшипник скольжения. 2.13/16. | 20.00 | 46.00 | 25.00 |
| ASS204-012 | Подшипник для корпуса. 3/4. | 19.05 | 47.00 | 25.00 |
| NATR20XLL/3AS | Опорный ролик. Цилиндрическая рабочая поверхность. Контактное уплотнения из синтетической черной резины с обеих сторон. Смазка. Shell Oil Co. Смазка Alvania #3, стандартная заливка.. | 20.00 | 47.00 | 24.00 |
| CF20M20X1,50 | Сферический шарнирный подшипник. Fill Factor %. | 20.00 | 46.00 | 25.00 |
| CF20-M20X2.50 | Сферический шарнирный подшипник. Fill Factor %. | 20.00 | 46.00 | 25.00 |
| NATV20LL/3AS | Опорный ролик. Контактное. синтетические. резиновое уплотнение с двух сторон. Смазка. Shell Oil Co. Смазка Alvania #3, стандартная заливка.. | 20.00 | 47.00 | 24.00 |
| SL3303-2S-20 | Подшипник шариковый двухрядный радиально-упорный. Distance Between Beginning Of The Rail And First Hole In MM. Одинарное уплотнение с лабиринтом между листовой частью и резиновой кромкой, обеспечивающей контактное уплотнение. | 20.00 | 47.00 | 24.20 |
| NATR20LL/3AS | Опорный ролик. Контактное. синтетические. резиновое уплотнение с двух сторон. Смазка. Shell Oil Co. Смазка Alvania #3, стандартная заливка.. | 20.00 | 47.00 | 24.00 |
| GAY012-NPP-B-AS2/V | Шариковый радиальный подшипник. Конический роликовый подшипник. Угол контакта 20 градусов. Манжетные уплотнения с обеих сторон (Тип P — две шайбы из оцинкованной листовой стали с промежуточной частью из NBR. Кромка уплотнения предварительно нагружена в осевом направлении). Наружное кольцо подшипника с двумя смазочными отверстиями в смещенных плоскостях. | 19.05 | 47.00 | 25.00 |
| 6ШН20 Ю | Шарнирный подшипник. Одно или два кольца из нержавеющей стали.. Неразъемный без отверстий и канавок для смазки. | 20.00 | 46.00 | 25.00 |
| 6ШН20 ЮТ | Шарнирный подшипник. Температура отпуска. 160°. Одно или два кольца из нержавеющей стали.. Неразъемный без отверстий и канавок для смазки. | 20.00 | 46.00 | 25.00 |
| AS204D1 | Шариковый радиальный однорядный подшипник. Не требующий обслуживания тип. | 20.00 | 47.00 | 25.00 |
| GEBK20S | Шарнирный подшипник. Запечатанная версия кулачкового ролика. Коническое отверстие. Повышенной грузоподъемности. | 20.00 | 46.00 | 25.00 |
| 2ШС20 Ю | Шарнирный подшипник. Одно или два кольца из нержавеющей стали.. С отверстиями и канавками для смазки во внутреннем кольце.. | 20.00 | 46.00 | 25.00 |
| 50-762704 К | Роликовый радиальный цилиндрический подшипник. Кольцевая проточка на середине цилиндрической наружной поверхности наружного кольца плюс три отверстия для смазки. | 20.00 | 47.00 | 24.00 |
Способы доставки
Отправка через ведущие транспортные и курьерские компании: ПЭК, Деловые Линии, СДЭК, Байкал-Сервис, Энергия, КИТ, ЖелДорЭкспедиция.
Самовывоз возможен напрямую со склада в Москве.
Сроки доставки
Срок зависит от региона и выбранной транспортной компании. Все заказы комплектуются и отправляются в кратчайшие сроки со склада в Москве.
Надёжность и сохранность
Вся продукция упаковывается с учётом требований транспортировки. Мы гарантируем, что подшипники и комплектующие прибудут к заказчику в полной сохранности.
Доставка в страны ЕАЭС
Мы работаем с проверенными логистическими партнёрами, что позволяет оперативно доставлять заказы в Беларусь, Казахстан, Армению и другие страны ЕАЭС.
Варианты оплаты:
Минимальная сумма заказа и скидки:
Документы и гарантии:
Да, конечно! Наши технические специалисты готовы помочь вам с подбором точного аналога или замены подшипника. Просто позвоните нам по телефону +7 (495) 104-99-04 или напишите на почту zakaz@podsnab.ru.
Для оперативной консультации подготовьте, пожалуйста, имеющиеся данные: маркировку, размеры, тип оборудования или артикул старого подшипника.
Да, конечно! Мы высоко ценим долгосрочное сотрудничество и доверие клиентов по всей России. Для постоянных клиентов действует персональная система скидок.
Условия формируются индивидуально и зависят от:
Чтобы узнать свои условия и получить максимально выгодное предложение, свяжитесь с персональным менеджером или напишите нам на почту zakaz@podsnab.ru.
Вы можете оформить заказ несколькими способами:
Для оформления заказа от юридического лица свяжитесь с нашим отделом по работе с корпоративными клиентами по телефону +7 (495) 104-99-04 или напишите на email zakaz@podsnab.ru, прикрепив реквизиты вашей организации.
Мы оперативно подготовим коммерческое предложение и выставим счет.
Возврат товара надлежащего качества возможен в течение 10 дней с момента получения, если товар не был в употреблении, сохранен товарный вид, упаковка не вскрывалась и присутствуют все сопроводительные документы.
Возврат денежных средств осуществляется в течение 10 рабочих дней после проверки товара складом.
В соответствии с законодательством возврату не подлежат подшипники надлежащего качества, если отсутствует оригинальная упаковка или имеются следы монтажа.
В случае выявления брака или гарантийного случая мы гарантируем возврат или обмен товара.
Да, гарантийный срок хранения устанавливается заводом-изготовителем и в среднем составляет 2 года при соблюдении условий хранения: сухое помещение, оригинальная упаковка и смазка.
Точный срок для конкретного типа подшипника уточняйте у наших менеджеров.
Пн–Пт: с 8:00 до 17:00 (МСК).
Сб–Вс: выходные дни.
Заказы на сайте принимаются круглосуточно. Заявки, поступившие после окончания рабочего дня, обрабатываются на следующий рабочий день.
Минимальная сумма заказа для доставки составляет 3000 рублей. Самовывоз со склада возможен на любую сумму при наличии товара.
ООО «УралТехГрупп»
ИНН: 7415093830
КПП: 772401001
ОГРН: 1167456069021
Банк: ПАО Сбербанк
Р/с: 40702810838000475273
К/с: 30101810400000000225
БИК: 044525225
У подшипника KR47 пока нет отзывов. Вы можете стать первым покупателем, поделившимся своим мнением.